| ||||||||||||||||||||||||||||||
Скачать Серия ИИ-04-14 Выпуск 2. Железобетонные предварительно напряженные и ненапряженные ригели. Рабочие чертежиДата актуализации: 10.08.2017
|
| Обозначение: | Серия ИИ-04-14 |
| Обозначение англ: | Series ИИ-04-14 |
| Статус: | не действует |
| Название рус.: | Выпуск 2. Железобетонные предварительно напряженные и ненапряженные ригели. Рабочие чертежи |
| Дата добавления в базу: | 01.09.2013 |
| Дата актуализации: | 05.05.2017 |
| Дата введения: | 26.05.1970 |
| Дата окончания срока действия: | 01.04.1982 |
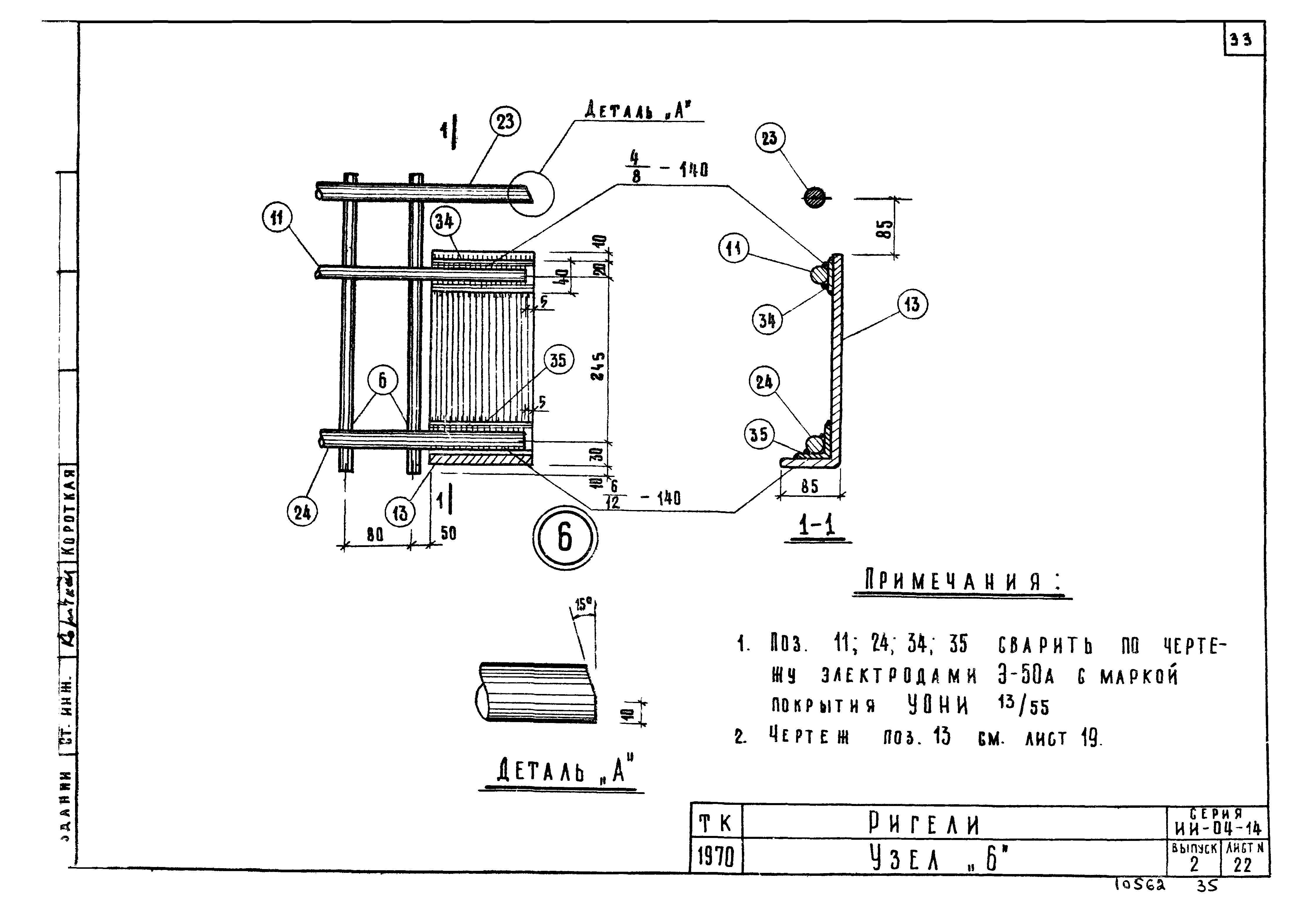
| Оглавление: | Перечень серий и выпусков Содержание Пояснительная записка Номенклатура Ригели РП2-110-56, РП2-72-56, Р2-72-56. Опалубочный чертеж Ригель Р2-110-26. Опалубочный чертеж Ригели РП2-110-56, РП2-72-56. Армирование Ригель Р2-72-56. Армирование Ригель Р2-110-26. Армирование Объемные каркасы КП-1, КП-2 Объемный каркас КП-3 Объемный каркас КП-4 Узел 1 Узел 2 Каркасы КР-1, КР-2 Каркасы КР-3, КР-4,КР-11 Каркасы КР-5, КР-6 Каркас КР-7 Каркасы КР-8, КР-10 Каркасы КР-9, С-1, П-1, П-2 Каркас КР-12 Узел 3 Узел 4 Узел 5 Узел 6 Спецификация и выборка стали Примеры расположения закладных деталей в крайних ригелях для крепления стеновых панелей Закладные детали Вариант применения сварной металлической детали вместо гнутых элементов каркаса Схема испытаний |
| Разработан: | НИИЖБ Госстроя СССР ЦНИИЭП торгово-бытовых зданий и туристских комплексов |
| Утверждён: | 26.05.1970 Государственный комитет по гражданскому строительству и архитектуре при Госстрое СССР (86) |
| Расположен в: | |
| Чем заменён: |









































