Скачать Серия 1.279.9-2 Строительные штучные изделия для зданий торговли, общественного питания и бытового обслуживанияДата актуализации: 10.08.2017 Серия 1.279.9-2
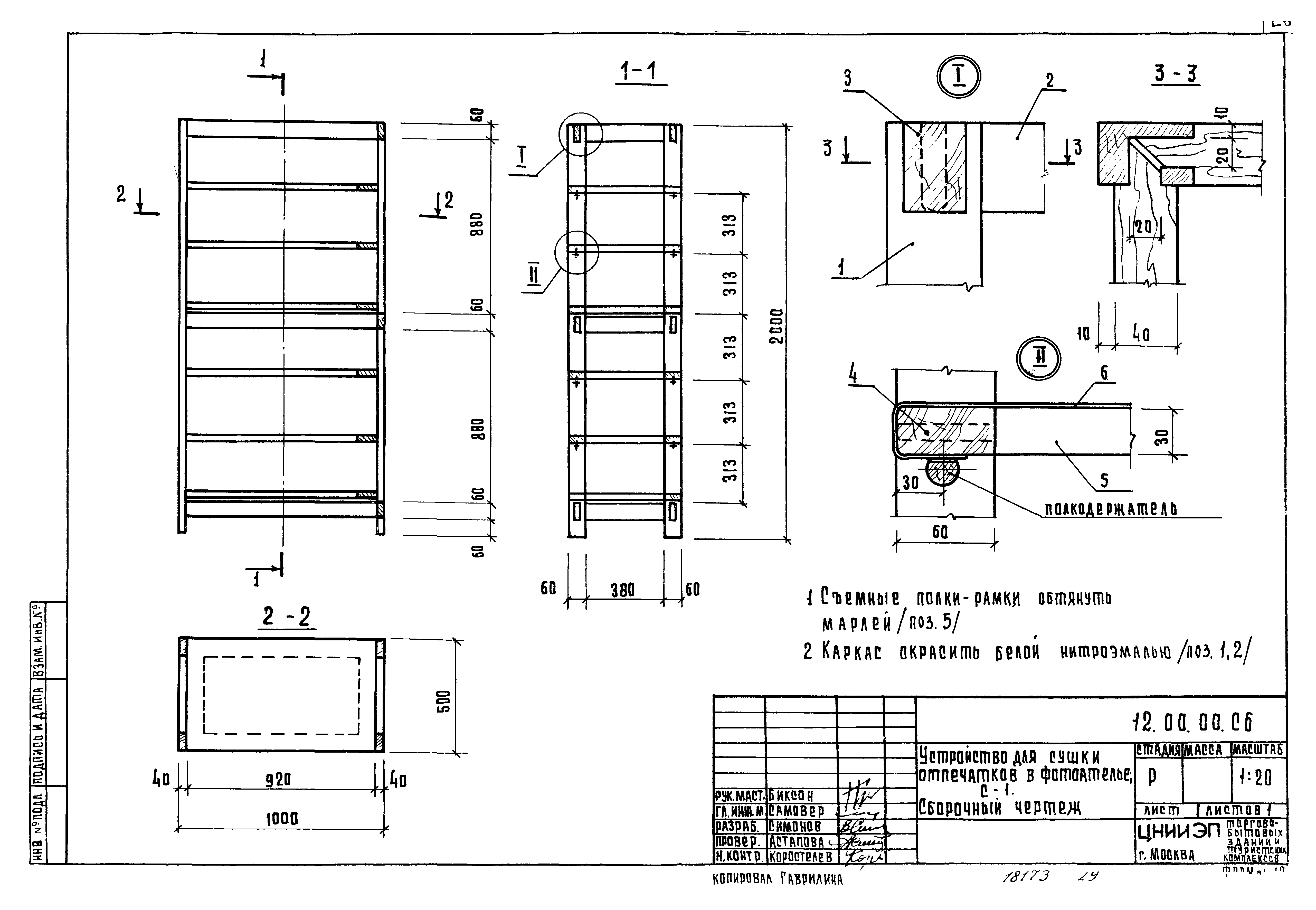
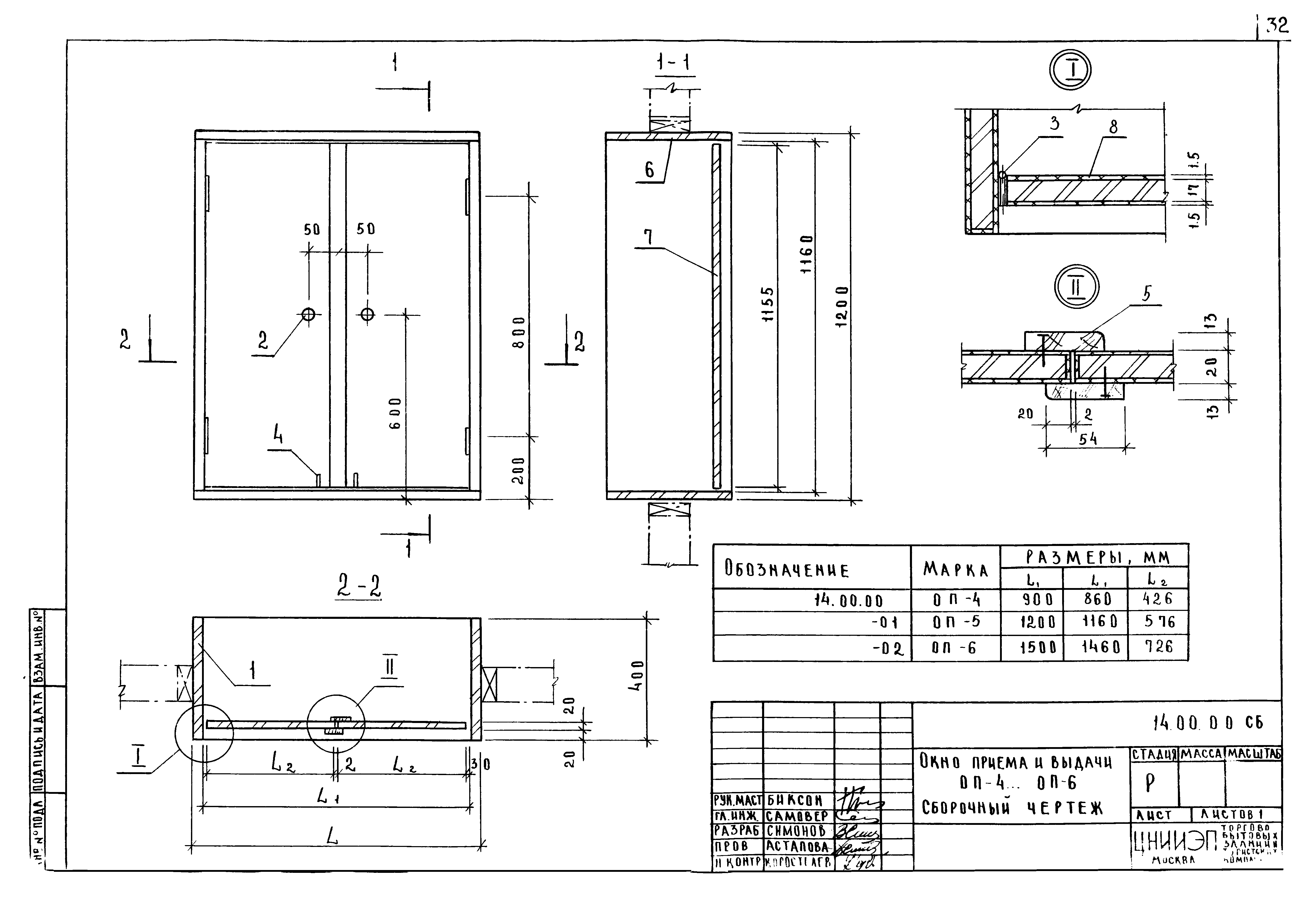
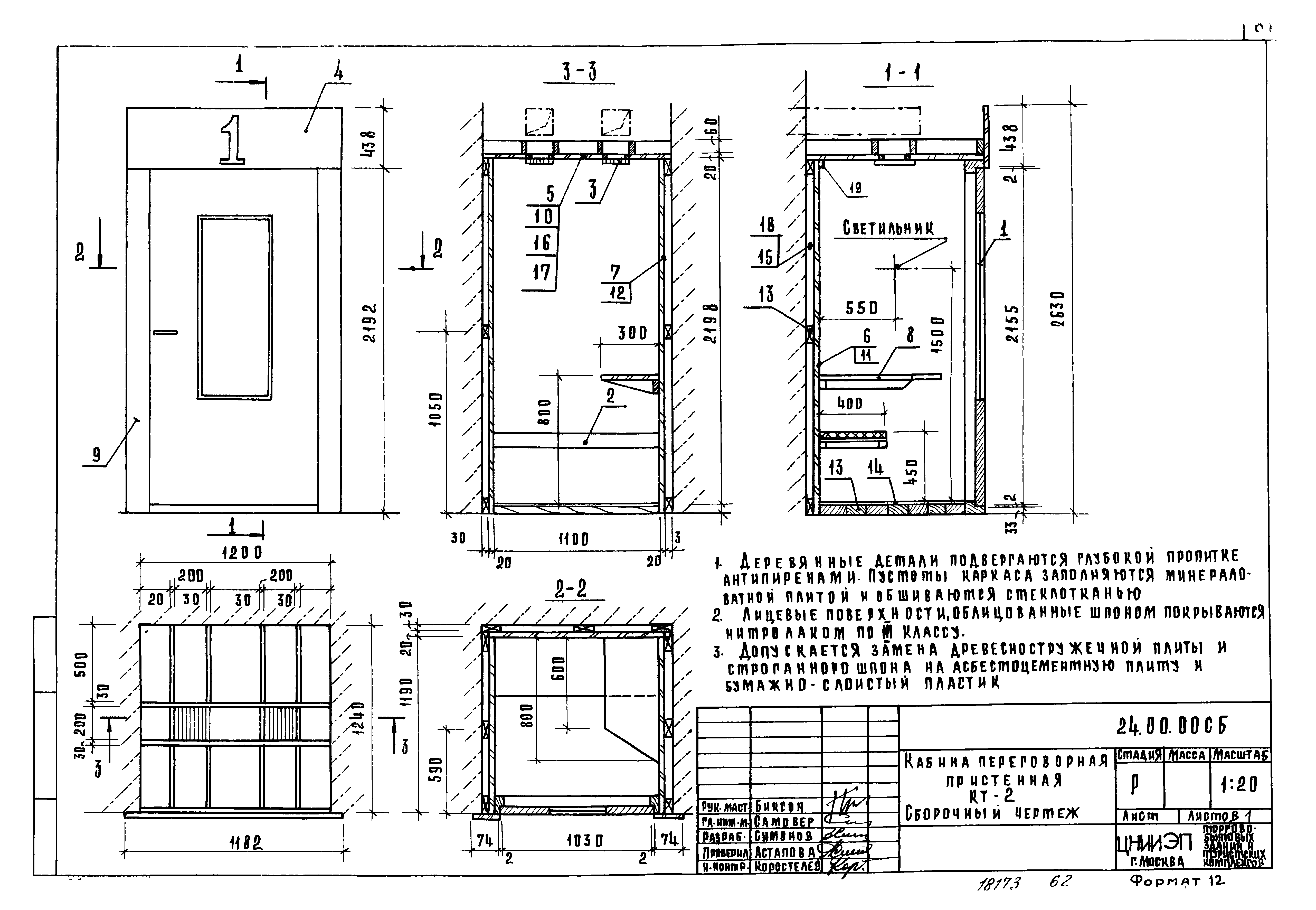
Строительные штучные изделия для зданий торговли, общественного питания и бытового обслуживанияОбозначение: | Серия 1.279.9-2 | Обозначение англ: | Series 1.279.9-2 | Статус: | не действует | Название рус.: | Строительные штучные изделия для зданий торговли, общественного питания и бытового обслуживания | Дата добавления в базу: | 01.09.2013 | Дата актуализации: | 05.05.2017 | Дата введения: | 01.09.1982 | Дата окончания срока действия: | 01.07.1989 | Оглавление: | Титульный лист Содержание 00.00.00ТО Техническое описание 04.00.00СБ Люк для подпольных коробок слабых токов Л-1…Л-3. Сборочный чертеж 04.01.00СБ Рама. Сборочный чертеж 04.01.00 Рама 04.02.00СБ Крышка. Сборочный чертеж 04.02.00 Крышка 04.00.00 Люк для подпольных коробок слабых токов Л-1…Л-3 05.00.00 Люк для сдачи белья в прачечных ЛС-1 05.00.00СБ Люк для сдачи белья в прачечных ЛС-1. Сборочный чертеж 06.00.00СБ Ограждение прохода между технологическим оборудованием ОД-1…ОД-5. Сборочный чертеж 06.00.00 Ограждение прохода между технологическим оборудованием ОД-1…ОД-5 07.00.00СБ Ограждение прохода между технологическим оборудованием ОД-6…ОД-14. Сборочный чертеж 07.00.00 Ограждение прохода между технологическим оборудованием ОД-6…ОД-14 08.00.00СБ Устройство для демонстрации товаров П-41…П-60. Сборочный чертеж 08.00.00 Устройство для демонстрации товаров П-41…П-60 09.00.00СБ Устройство для демонстрации товаров П-21…П-40. Сборочный чертеж 09.00.00 Устройство для демонстрации товаров П-21…П-40 10.00.00СБ Устройство для демонстрации товаров П-1…П-20. Сборочный чертеж 10.00.00 Устройство для демонстрации товаров П-1…П-20 10.00.06 Окантовка крышки 10.00.07 Окантовка вертикальная 11.00.00СБ Люк для ревизии сантехники ДЛ-1, ДЛ-2. Сборочный чертеж 11.00.00 Люк для ревизии сантехники ДЛ-1, ДЛ-2 12.00.00СБ Устройство для сушки отпечатков в фотоателье С-1. Сборочный чертеж 12.00.00СБ Устройство для сушки отпечатков в фотоателье С-1 15.00.00 Окно приема и выдачи ОП-7 13.00.00СБ Окно приема и выдачи ОП-1…ОП-3. Сборочный чертеж 13.00.00 Окно приема и выдачи ОП-1…ОП-3 14.00.00СБ Окно приема и выдачи ОП-4…ОП-6. Сборочный чертеж 14.00.00 Окно приема и выдачи ОП-4…ОП-6 15.00.00СБ Окно приема и выдачи ОП-7. Сборочный чертеж 16.00.00СБ Люк для ревизии сантехники ДЛ-3, ДЛ-4. Сборочный чертеж 16.00.00 Люк для ревизии сантехники ДЛ-3, ДЛ-4 17.00.00СБ Прилавок часовщика ПЧ-1, ПЧ-2. Сборочный чертеж 17.00.00 Прилавок часовщика ПЧ-1, ПЧ-2 18.00.00СБ Кабина часовщика пристенная ПЧ-3, ПЧ-4. Сборочный чертеж 18.00.00 Кабина часовщика пристенная ПЧ-3, ПЧ-4 18.01.00 Щит 19.00.00СБ Кабина часовщика отдельностоящая ПЧ-5, ПЧ-6. Сборочный чертеж 19.01.00 Щит 20.00.00СБ Шкаф слаботочных устройств СУ-1…СУ-6. Сборочный чертеж 20.00.00 Шкаф слаботочных устройств СУ-1…СУ-6 21.00.00СБ Шкаф слаботочных устройств СУ-10…СУ-15. Сборочный чертеж 21.00.00 Шкаф слаботочных устройств СУ-10…СУ-15 21.01.00 Рама 21.02.00 Каркас 22.00.00СБ Шкаф пожарного крана ПК-1…ПК-4. Сборочный чертеж 22.00.00 Шкаф пожарного крана ПК-1…ПК-4 22.01.00СБ Полка для пожарного рукава с кронштейном. Сборочный чертеж 22.01.00 Полка для пожарного рукава с кронштейном 23.00.00СБ Кабина переговорная отдельностоящая КТ-1. Сборочный чертеж 23.00.00 Кабина переговорная отдельностоящая КТ-1 23.01.00 Каркас 23.02.00 Дверной блок 23.03.00 Сидение 23.04.00 Вентиляционная решетка 24.00.00СБ Кабина переговорная пристенная КТ-2. Сборочный чертеж 24.00.00 Кабина переговорная пристенная КТ-2 25.00.00СБ Решетка вентиляционная ВР-1…ВР-9. Сборочный чертеж 25.00.00 Решетка вентиляционная ВР-1…ВР-9 26.00.00 Решетка вентиляционная ВР-10…ВР-19 26.00.00СБ Решетка вентиляционная ВР-10…ВР-19. Сборочный чертеж 27.00.00СБ Решетка воздухозаборная ВХР-1…ВХР-9. Сборочный чертеж 27.00.00 Решетка воздухозаборная ВХР-1…ВХР-9 28.00.00СБ Решетка воздухозаборная ВХР-10…ВХР-18. Сборочный чертеж 28.00.00 Решетка воздухозаборная ВХР-10…ВХР-18 29.00.00СБ Решетка вентиляционная завес РВЗ-1…РВЗ-4. Сборочный чертеж 29.00.00 Решетка вентиляционная завес РВЗ-1…РВЗ-4 30.00.00СБ Решетка вентиляционная завес РВЗ-5…РВЗ-8. Сборочный чертеж 30.00.00 Решетка вентиляционная завес РВЗ-5…РВЗ-8 19.00.00 Кабина часовщика отдельностоящая ПЧ-5, ПЧ-6 31.00.00СБ Витрина внутренняя для выкладки товаров отдельностоящая В-1. Сборочный чертеж 31.00.00 Витрина внутренняя для выкладки товаров отдельностоящая В-1 31.01.00 Каркас 32.00.00СБ Витрина внутренняя для выкладки товаров пристенная В-2. Сборочный чертеж 32.00.00 Витрина внутренняя для выкладки товаров пристенная В-2 33.00.00СБ Витрина внутренняя для выкладки товаров навесная В-3. Сборочный чертеж 33.00.00 Витрина внутренняя для выкладки товаров навесная В-3 | Разработан: | ЦНИИЭП торгово-бытовых зданий и туристских комплексов
| Утверждён: | 24.06.1982 Госгражданстрой (Gosgrazhdanstroy 166)
| Расположен в: |
| Чем заменён: | |
                                                                                  
|