Информационная система
«Ёшкин Кот»

Скачать базу одним архивом
Скачать обновления
История создания базы
Карта сайта

Скачать ТК 04.11.02 Установка и разборка деревянной типовой унифицированной опалубки балок, поясов и перемычек с устройством поддерживающих конструкций из инвентарных и простых стоек

Дата актуализации: 10.08.2017

ТК 04.11.02

Установка и разборка деревянной типовой унифицированной опалубки балок, поясов и перемычек с устройством поддерживающих конструкций из инвентарных и простых стоек

Обозначение: ТК 04.11.02
Обозначение англ: 04.11.02
Статус:не установлен срок действия
Название рус.:Установка и разборка деревянной типовой унифицированной опалубки балок, поясов и перемычек с устройством поддерживающих конструкций из инвентарных и простых стоек
Дата добавления в базу:01.09.2013
Дата актуализации:05.05.2017
Дата введения:01.01.1972
Область применения:Типовая технологическая карта разработана на установку и разборку деревянной типовой унифицированной опалубки балок, поясов и перемычек с устройством поддерживающих конструкций из инвентарных и простых стоек для промышленного здания с сеткой колонн
Оглавление:1. Область применения
2. Технико-экономические показатели
3. Организация и технология установки деревянной типовой унифицированной опалубки
4. Методы труда
5. Техника безопасности
6. График производства работ
7. Калькуляция трудовых затрат
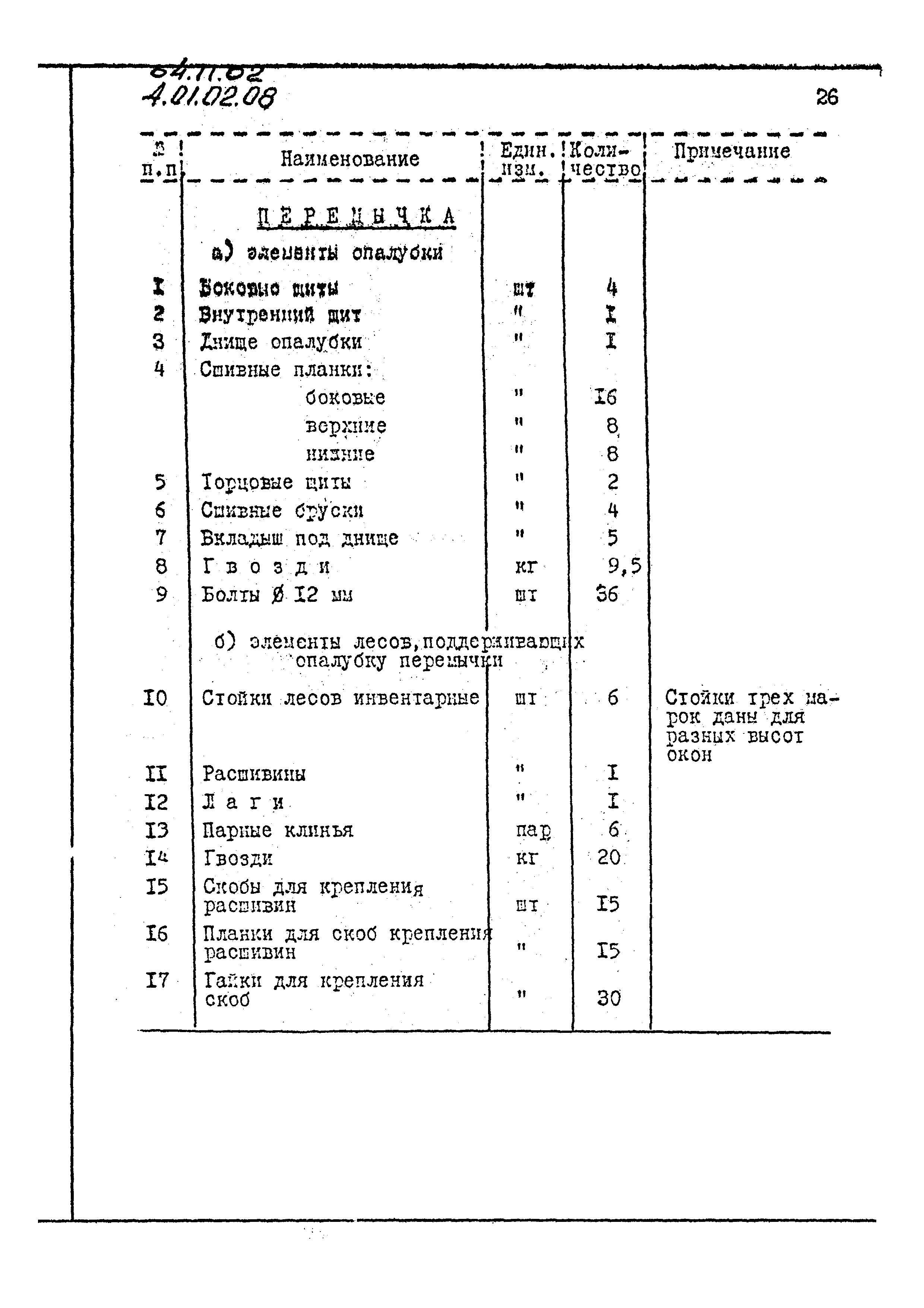
8. Материально-технические ресурсы на одну конструкцию
Чертежи
   Щиты опалубки (лист 1)
   Опалубка балки (лист 2)
   Опалубка фундаментной балки (лист 3)
   Опалубка перемычек (лист 4)
   Опалубка железобетонного пояса (лист 5)
   Установка инвентарных стоек под опалубку балок (лист 6)
   Применение передвижных подмостей для установки опалубки (лист 7)
Разработан: Трест Оргтехстрой Главволговятскстроя Минстроя СССР
Утверждён:24.06.1971 Минтяжстрой СССР (USSR Mintyazhstroy 1-20-2-8/900)
24.06.1971 Минпромстрой СССР (USSR Minpromstroy 1-20-2-8/900)
24.06.1971 Минстрой СССР (USSR Minstroy 1-20-2-8/900)
Расположен в:Техническая документация Строительство Справочные документы Технологические карты Устройство бетонных и железобетонных конструкций монолитных
Нормативные ссылки:
ТК 04.11.02ТК 04.11.02ТК 04.11.02ТК 04.11.02ТК 04.11.02ТК 04.11.02ТК 04.11.02ТК 04.11.02ТК 04.11.02ТК 04.11.02ТК 04.11.02ТК 04.11.02ТК 04.11.02ТК 04.11.02ТК 04.11.02ТК 04.11.02ТК 04.11.02ТК 04.11.02ТК 04.11.02ТК 04.11.02ТК 04.11.02ТК 04.11.02ТК 04.11.02

© 2013 Ёшкин Кот :-) Карта сайта