Информационная система
«Ёшкин Кот»

Скачать базу одним архивом
Скачать обновления
История создания базы
Карта сайта

Скачать Типовой проект 901-6-89с.86 Альбом I. Технологические и архитектурно-строительные чертежи

Дата актуализации: 10.08.2017

Типовой проект 901-6-89с.86

Альбом I. Технологические и архитектурно-строительные чертежи

Обозначение: Типовой проект 901-6-89с.86
Обозначение англ: 901-6-89с.86
Статус:не действует
Название рус.:Альбом I. Технологические и архитектурно-строительные чертежи
Дата добавления в базу:01.09.2013
Дата актуализации:05.05.2017
Дата введения:01.07.1996
Оглавление:Содержание альбома
Технологическая часть
   Общие данные
   Пояснительная записка
   Показатели изменения сметной стоимости расхода материалов
   Разрезы. Градирни
   Водораспределительная система. План. Разрезы
   Расстановка блоков пленочного оросителя. План. Разрезы
   Конструкция блока пленочного оросителя
   Конструкция деталей для блока пленочного оросителя
   Водосборный резервуар. План. Разрезы
   Деталь Т-1. Эскизный чертеж общего вида
   Деталь Т-2. Эскизный чертеж общего вида
   Деталь Т-3. Эскизный чертеж общего вида
   Деталь Т-4. Эскизный чертеж общего вида
   Сороудерживающая решетка. Эскизный чертеж общего вида
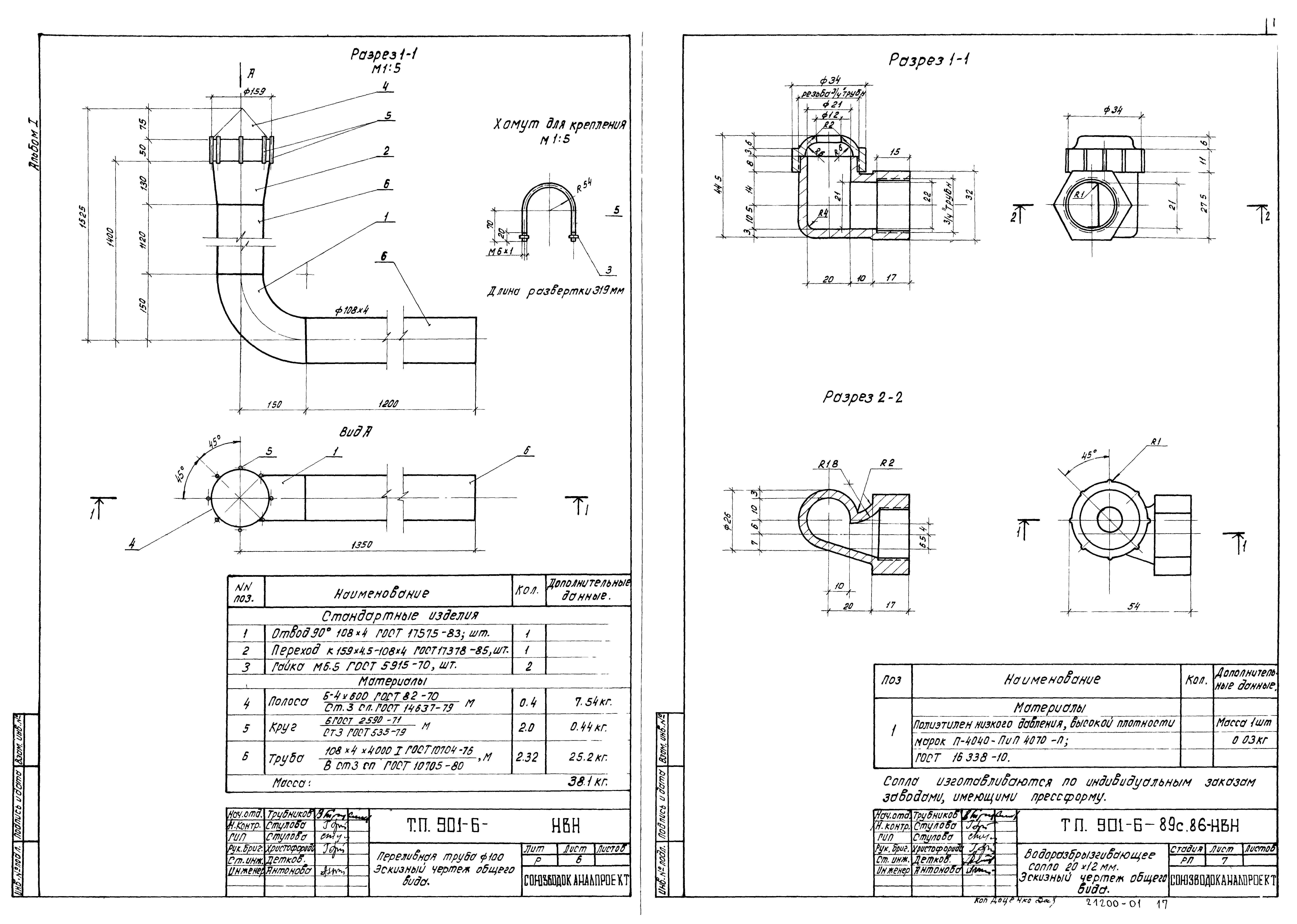
   Переливная труба Ф100. Эскизный чертеж общего вида
   Водоразбрызгивающее сопло 20х12 мм. Эскизный чертеж общего вида
   Водоразбрызгивающее сопло 32х16 мм. Эскизный чертеж общего вида
Архитектурно-строительные решения
   Общие данные
   Фасады
   Разрезы
   Водосборный резервуар. Опалубочный чертеж
   Водосборный резервуар. Арматурный чертеж
   Монтажный чертеж обшивки башни
   Ветровые перегородки. План, узлы, сечения
Разработан: Союзводоканалпроект
Утверждён:15.01.1986 Госстрой СССР (Государственный комитет Совета Министров СССР по делам строительства) (USSR Gosstroy АЧ-3)
Расположен в:Техническая документация Строительство Справочные документы Типовые строительные конструкции, изделия и узлы Общероссийский строительный каталог Промышленные предприятия, здания и сооружения Здания и сооружения санитарно-технические Водоснабжение Градирни
Типовой проект 901-6-89с.86Типовой проект 901-6-89с.86Типовой проект 901-6-89с.86Типовой проект 901-6-89с.86Типовой проект 901-6-89с.86Типовой проект 901-6-89с.86Типовой проект 901-6-89с.86Типовой проект 901-6-89с.86Типовой проект 901-6-89с.86Типовой проект 901-6-89с.86Типовой проект 901-6-89с.86Типовой проект 901-6-89с.86Типовой проект 901-6-89с.86Типовой проект 901-6-89с.86Типовой проект 901-6-89с.86Типовой проект 901-6-89с.86Типовой проект 901-6-89с.86Типовой проект 901-6-89с.86Типовой проект 901-6-89с.86Типовой проект 901-6-89с.86Типовой проект 901-6-89с.86Типовой проект 901-6-89с.86Типовой проект 901-6-89с.86Типовой проект 901-6-89с.86Типовой проект 901-6-89с.86Типовой проект 901-6-89с.86Типовой проект 901-6-89с.86Типовой проект 901-6-89с.86

© 2013 Ёшкин Кот :-) Карта сайта