Скачать Типовой проект 409-28-43.13.87 Альбом III. Сантехническая, электротехническая части. Автоматизация. СвязьДата актуализации: 10.08.2017 Типовой проект 409-28-43.13.87
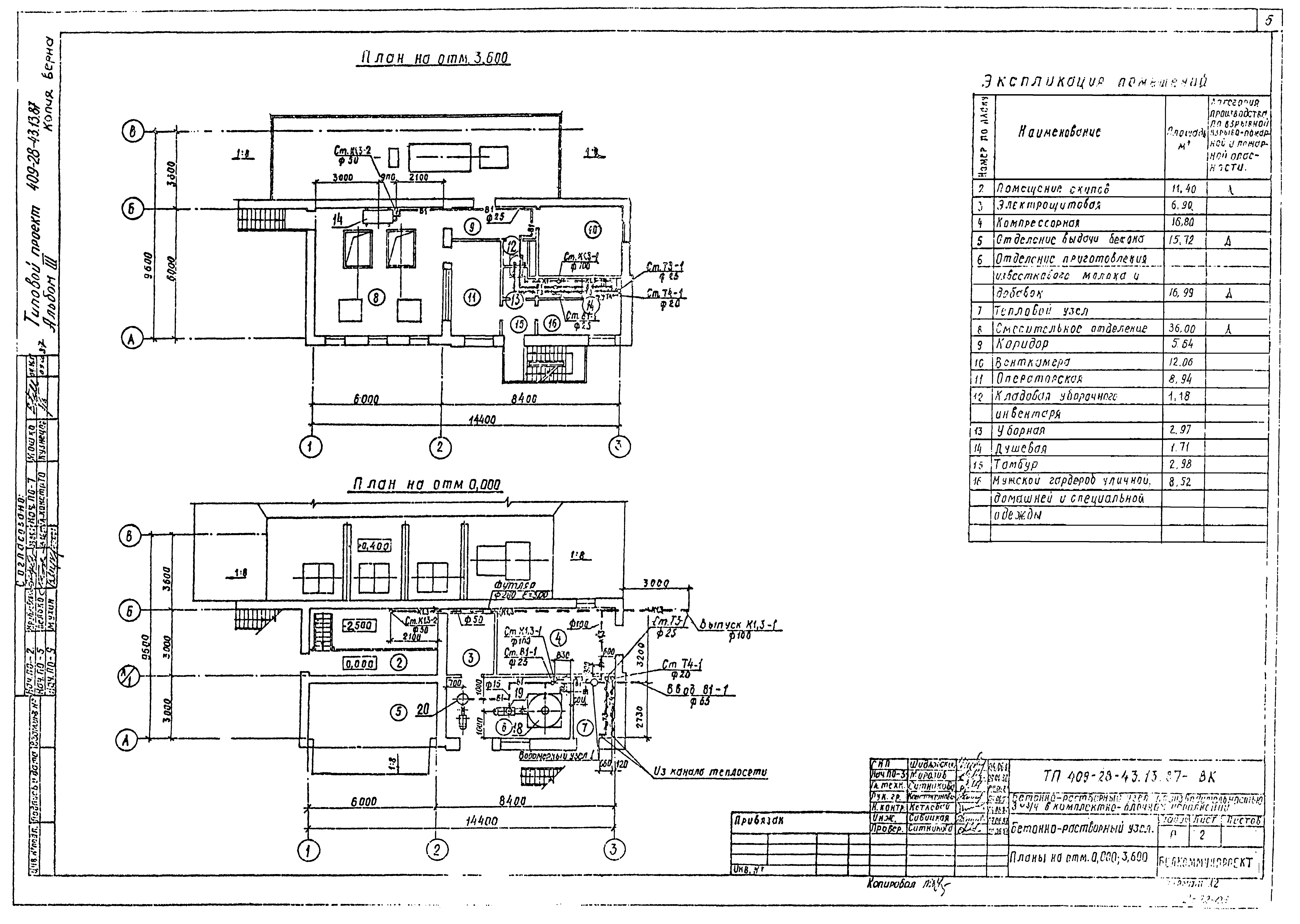
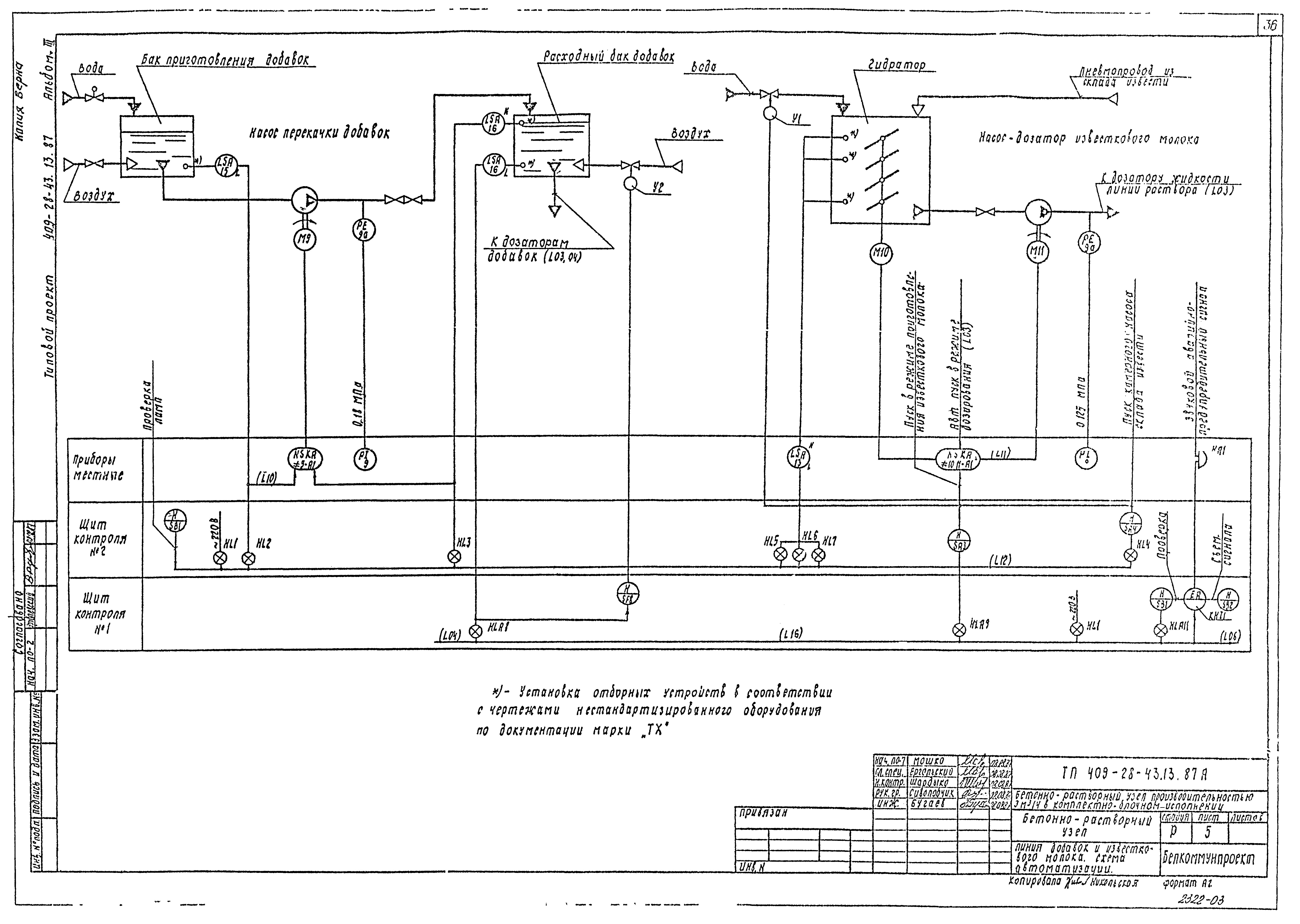
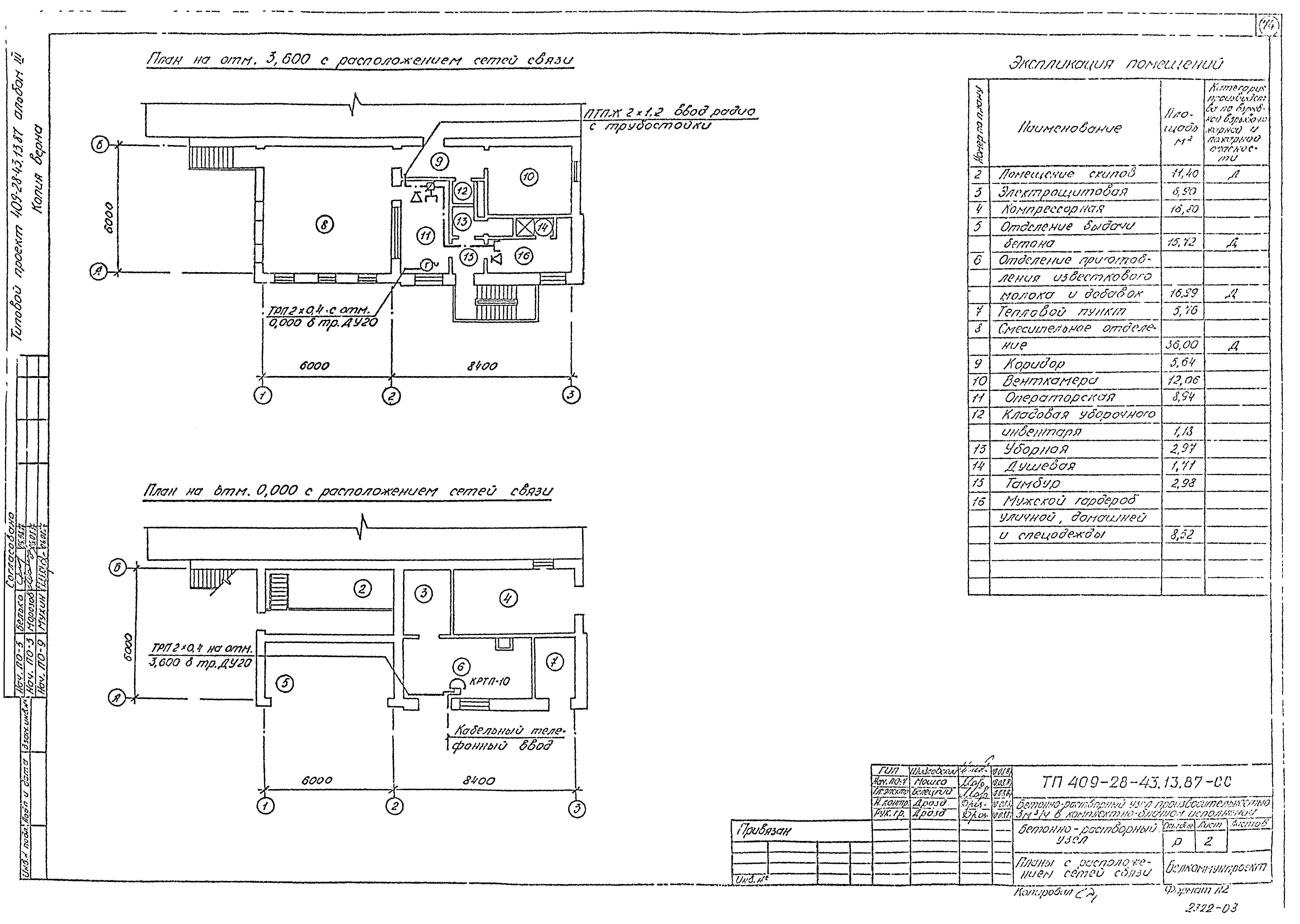
Альбом III. Сантехническая, электротехническая части. Автоматизация. СвязьОбозначение: | Типовой проект 409-28-43.13.87 | Обозначение англ: | 409-28-43.13.87 | Статус: | действует | Название рус.: | Альбом III. Сантехническая, электротехническая части. Автоматизация. Связь | Дата добавления в базу: | 01.09.2013 | Дата актуализации: | 05.05.2017 | Оглавление: | Чертежи основного комплекта марки ВК Общие данные Планы на отм. 0.000; 3.600 Схемы систем В1, Т3, Т4, К1, 3. Водомерный узел №1 Чертежи основного комплекта марки ОВ Общие данные Отопление, теплоснабжение, пароснабжение. Планы на отм. - 2.500; 0.000; 0.400; 3.600. Сечение 1-1 Схемы систем отопления 1, 2; теплоснабжения установкой П1. Узлы 1 - 4 План на отм. 0.000. Разрез 1-1. Схема НТП. Узлы 1 - 4 (теплоноситель - горячая вода 150 - 70 градусов Цельсия) План на отм. 0.000. Разрез 1-1. Схема НТП. Узлы 1 - 4 (теплоноситель - горячая вода 95 - 70 градусов Цельсия) План на отм. 0.000. Разрез 1-1. Схема НТП, системы пароснабжения Вентиляция. Планы на отм. - 2.500; 0.000; 0.400; 3.600 Вентиляция. Разрез 1-1. Схемы П1, П2, В1, В2, ВЕ1 Установка П1, П2. План на отм. 3.600. Разрезы 1-1, 2-2 Установка В1. Планы на отм. 0.000 и 3.600. Разрез 1-1 Чертежи основного комплекта марки ВС Общие данные Принципиальная схема технологических трубопроводов План на отм. 0.000. Разрезы 1-1, 2-2 Чертежи основного комплекта марки ЭМ Общие данные 1РП. Расчетная схема силовой сети 0,4кВ 2РП. Расчетная схема силовой сети 0,4кВ Планы на отм. 2.500; 0.000; 0.400 с расположением электрооборудования и прокладкой силовых сетей 0,4 кВ Планы на отм. 3.600; 10.300 с расположением электрооборудования и прокладкой силовых сетей 0,4 кВ Планы на отм. 0.000; 0.400; 3.600 с расположением электрооборудования и прокладкой труб Чертежи основного комплекта марки ЭО Общие данные Планы на отм. 2.500; 0.000; 0.400 с сетью электроосвещения План на отм. 3.600 с сетью электроосвещения Чертежи основного комплекта марки А Общие данные Линия раствора. Схема автоматизации Линия бетона. Схема автоматизации Линия добавок и известкового молока. Схема автоматизации Компрессорная. Схема автоматизации Приточный системы. Схема автоматизации Линия просева песка. Схема электрическая принципиальная управления Питатель вибрационный №1 (2, 3). Схема электрическая принципиальная управления Насос добавок. Компрессор №1. Схема электрическая принципиальная управления Насос - дозатор. Мешалка гидратора. Схема электрическая принципиальная управления Гидратор. Схема электрическая принципиальная общих цепей управления Приточная система П1. Схема электрическая принципиальная управления Приточная система П2. Схема электрическая принципиальная управления Схема электрическая принципиальная общих цепей управления Схема электрическая принципиальная сигнализации Линия приготовления раствора. Схема электрическая принципиальная управления Линия приготовления бетона. Схема электрическая принципиальная управления Бетоносмеситель №1 (2). Схема электрическая принципиальная управления Дозатор добавок №1 (2). Схема электрическая принципиальная управления Приточные системы П1, П2. Схема соединений внешних проводок Гидратор. Схема соединений внешних проводок Компрессорная. Схема соединений внешних проводок Линии раствора и бетона. Схема соединений внешних проводок Схема подключения Планы расположения на отм. - 2.500; 0.000; 3.600; 7.000; 9.200 Пост управления №1. Общий вид Пост управления №2 (3). Общий вид Ящик клеммный 1ЯК. Общий вид Статив 1. Групповая установка приборов. Общий вид Приложение Чертежи основного комплекта марки СС Общие данные Планы с расположением сетей связи | Разработан: | Белкоммунпроект
| Утверждён: | 05.10.1987 Минжилкомхоз БССР (133)
| Расположен в: |
|
                                                                         
|