Информационная система
«Ёшкин Кот»

Скачать базу одним архивом
Скачать обновления
История создания базы
Карта сайта

Скачать ТК 05.06.05 Устройство сборных железобетонных безрулонных кровель в типовых крупнопанельных зданиях

Дата актуализации: 10.08.2017

ТК 05.06.05

Устройство сборных железобетонных безрулонных кровель в типовых крупнопанельных зданиях

Обозначение: ТК 05.06.05
Обозначение англ: 05.06.05
Статус:не установлен срок действия
Название рус.:Устройство сборных железобетонных безрулонных кровель в типовых крупнопанельных зданиях
Дата добавления в базу:01.09.2013
Дата актуализации:05.05.2017
Дата введения:10.12.1975
Область применения:Типовая технологическая карта применяется при проектировании, организации и производстве работ по устройству сборных железобетонных кровель в типовых крупнопанельных зданиях
Оглавление:1. Область применения
2. Технико-экономические показатели строительного процесса
3. Организация и технология строительного процесса
4. Организация и методы труда рабочих
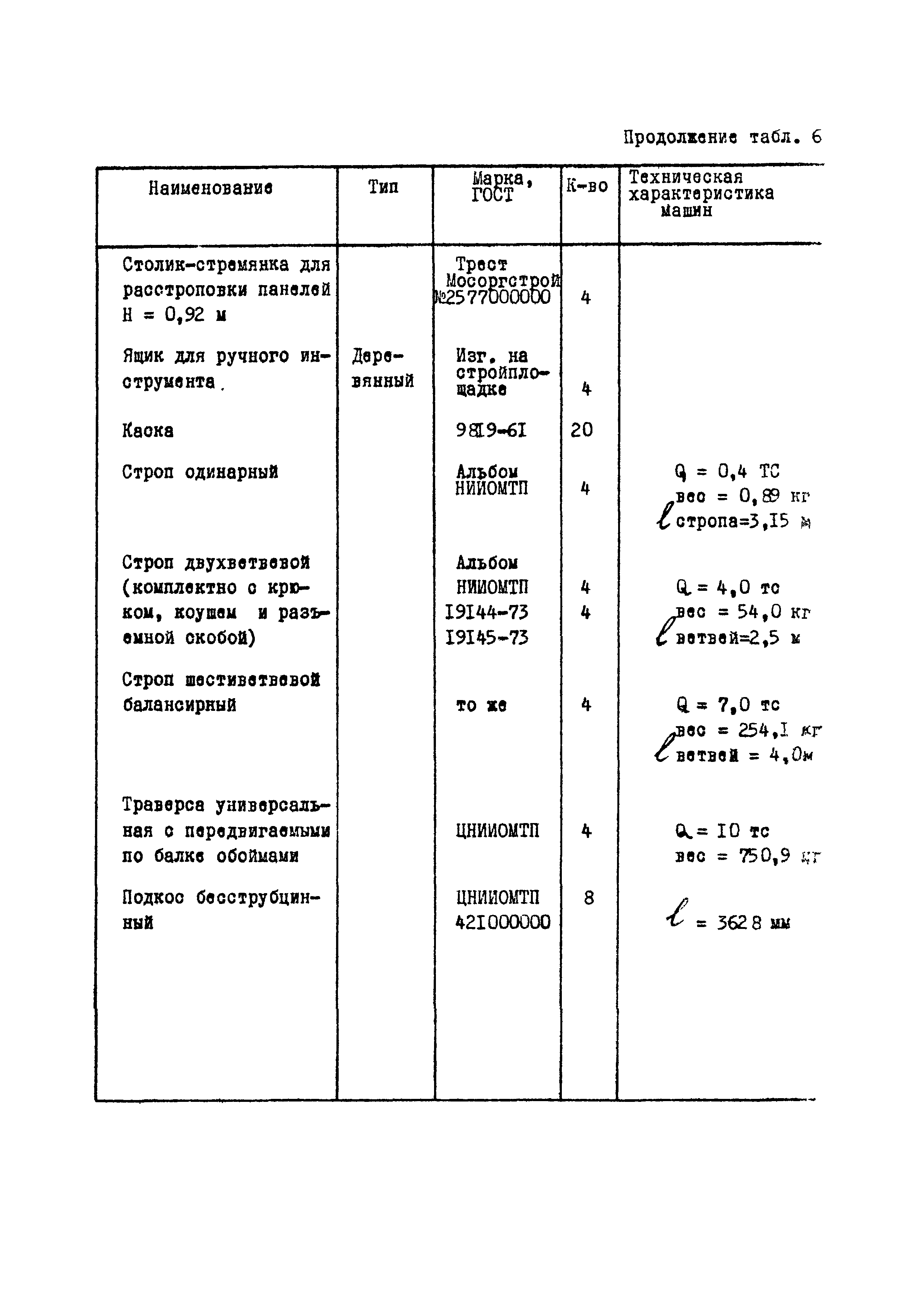
5. Материально-технические ресурсы
   1. Основные конструкции, материалы и полуфабрикаты
   2. Машины, оборудование, инвентарь, инструмент и приспособления
Разработан: Трест Оргтехстрой Главкузбасстроя Минтяжстроя СССР
Утверждён:05.11.1975 Минтяжстрой СССР (USSR Mintyazhstroy 2-20-2-8)
05.11.1975 Минпромстрой СССР (USSR Minpromstroy 2-20-2-8)
05.11.1975 Минстрой СССР (USSR Minstroy 2-20-2-8)
Расположен в:Техническая документация Строительство Справочные документы Технологические карты Кровля
Нормативные ссылки:
ТК 05.06.05ТК 05.06.05ТК 05.06.05ТК 05.06.05ТК 05.06.05ТК 05.06.05ТК 05.06.05ТК 05.06.05ТК 05.06.05ТК 05.06.05ТК 05.06.05ТК 05.06.05ТК 05.06.05ТК 05.06.05ТК 05.06.05ТК 05.06.05ТК 05.06.05ТК 05.06.05ТК 05.06.05ТК 05.06.05ТК 05.06.05ТК 05.06.05ТК 05.06.05ТК 05.06.05ТК 05.06.05ТК 05.06.05ТК 05.06.05ТК 05.06.05ТК 05.06.05ТК 05.06.05ТК 05.06.05ТК 05.06.05ТК 05.06.05ТК 05.06.05ТК 05.06.05

© 2013 Ёшкин Кот :-) Карта сайта