Информационная система
«Ёшкин Кот»

Скачать базу одним архивом
Скачать обновления
История создания базы
Карта сайта

Скачать Типовой проект 509-28.87 Альбом 5. Силовое электрооборудование. Электрическое освещение. Автоматизация отопления и вентиляции. Автоматизация водопровода и канализации. Связь и сигнализация

Дата актуализации: 10.08.2017

Типовой проект 509-28.87

Альбом 5. Силовое электрооборудование. Электрическое освещение. Автоматизация отопления и вентиляции. Автоматизация водопровода и канализации. Связь и сигнализация

Обозначение: Типовой проект 509-28.87
Обозначение англ: 509-28.87
Статус:не определен законодательством
Название рус.:Альбом 5. Силовое электрооборудование. Электрическое освещение. Автоматизация отопления и вентиляции. Автоматизация водопровода и канализации. Связь и сигнализация
Дата добавления в базу:01.09.2013
Дата актуализации:05.05.2017
Дата введения:14.04.1987
Оглавление:Содержание альбома
Чертежи основного комплекта ЭО
   Общие данные
   Планы расположение электрического оборудования на отм. 0.000 и 5.400
   Планы расположение электрического оборудования на отм. 3.300. принципиальная схема питающей сети
Чертежи основного комплекта ЭМ
   Общие данные
   Установка КТП и заземление
   Опросный лист для заказа КТП-250
   Однолинейная схема питающей сети 380/220 В
   Магистраль 1МГ. Однолинейная схема распределительной сети 380/220 В, 36В
   Магистраль 2МГ. Однолинейная схема распределительной сети 380/220 В, 36В
   Конвейер. Схемы электрические принципиальные управления и подключения
   Ворота. Схема электрическая принципиальная управления и кабельная разводка
   Ворота. Схема электрическая подключения
   Кабельный журнал
   План питающей сети контура заземления и троллейных линий
   План на отм. 0.000. Вариант ввода тепловозов с гидропередачей
   План на отм. 0.000. Вариант ввода тепловозов с электропередачей
   Планы на отм. 3.300 и 5.400
   План прокладки шинопроводов 1МГ, 2МГ
   Молниезащита. План кровли
Чертежи основного комплекта АОВ
   Общие данные
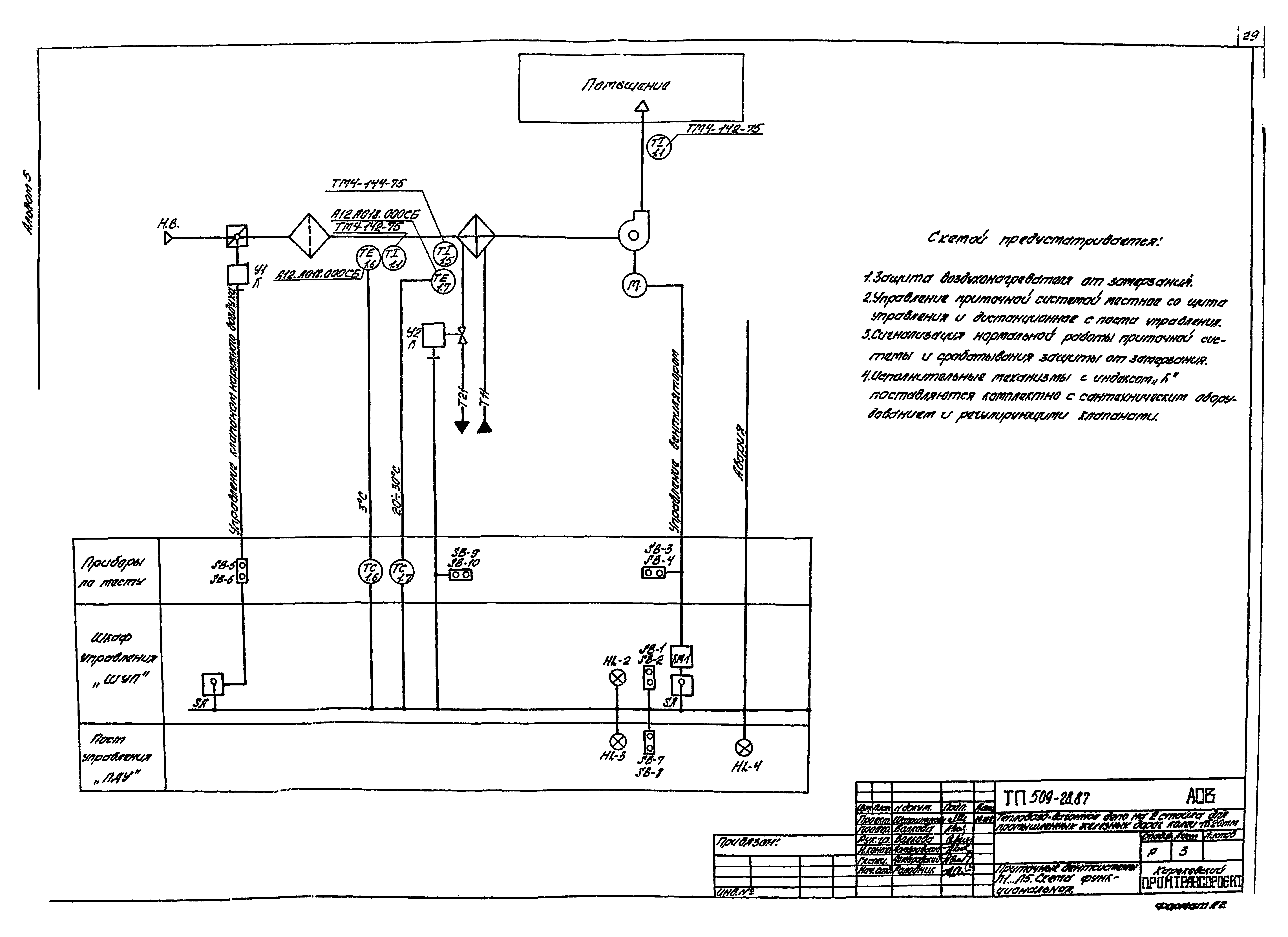
   Приточные вентсистемы П1 - П5. Схема функциональная
   Приточная вентсистема П6. Схемы функциональная и внешних проводок
   Схемы функциональные узлов ввода теплоносителя (вариант - вода) и сжатого воздуха
   Схемы функциональные узлов ввода теплоносителя (вариант - пар) и сжатого воздуха
   Воздушные завесы У1 - У4. Схема функциональная
   Отопительные агрегаты А1 - А5. Схемы функциональная и внешних проводок
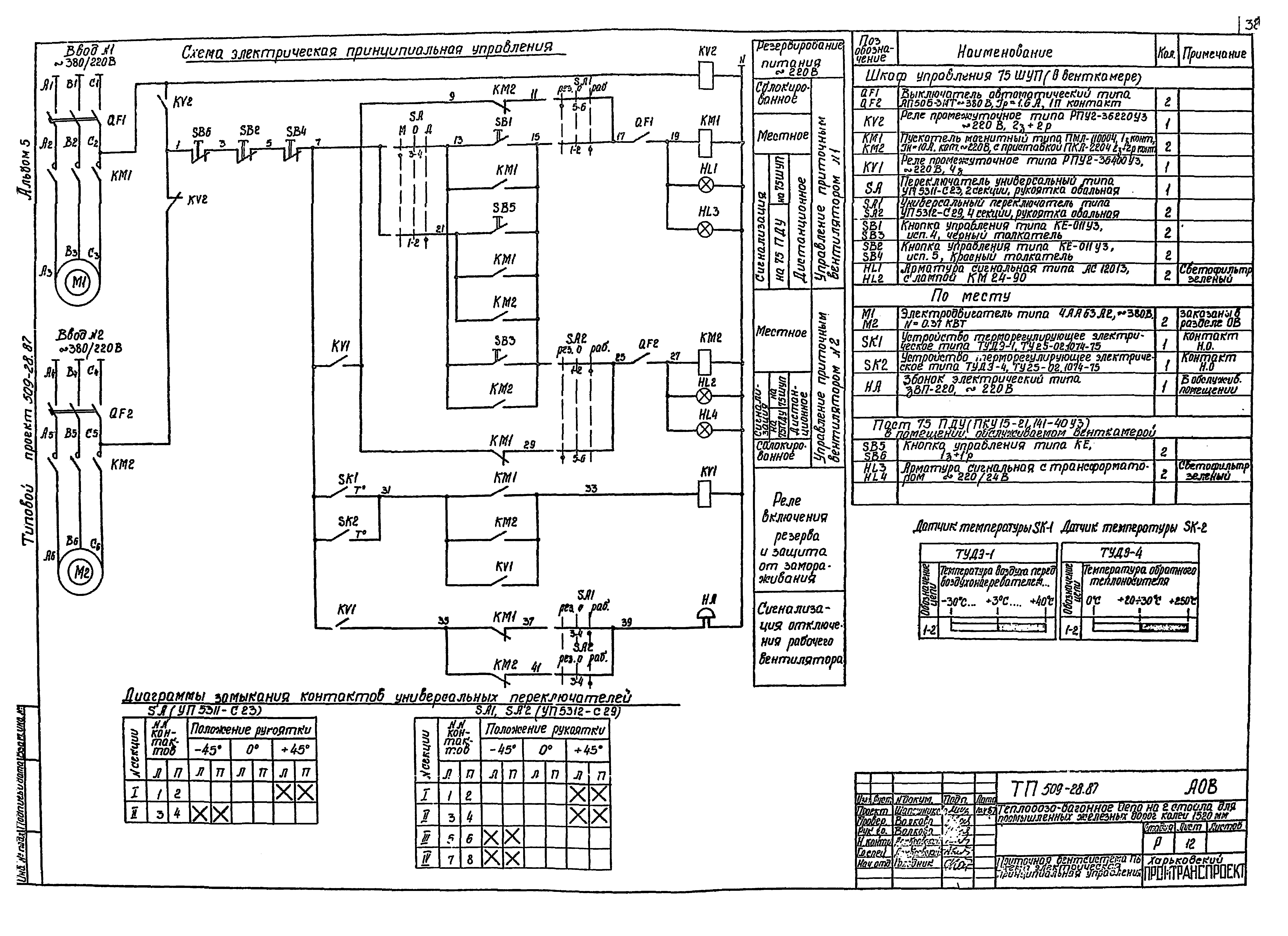
   Приточные вентсистемы П1 - П5. Схема электрическая принципиальная управления
   Приточная вентсистема П6. Схема электрическая принципиальная управления
   Вентиляторы В1 - в8, В10, В11, В13, Э1. Схемы электрические принципиальная управления и подключения
   Вентиляторы В9, В9а. Схема электрическая принципиальная управления
   Воздушные завесы У1 - У4. Схемы электрические принципиальная управления и подключения
   Отопительные агрегаты А1 - А5. Схемы электрические принципиальная управления и подключения
   Насосы отопления. Схема электрическая принципиальная управления
   Отключение магистралей 1МГ, 2МГ при пожаре. Схемы электрические принципиальная управления и подключения
   Приточные вентсистемы П1 - П6. Схемы электрические подключения
   Приточные вентсистемы П1 - П5. Схема внешних электрических и трубных проводок
   Вентиляторы В9, В9а. Схема электрическая подключения
   Насосы отопления. Схема электрическая подключения
   Дистанционное управление вентиляторами В1 - В8, В10, В11, В13, Э1. Схемы электрические подключения
   Воздушные завесы У1 - У4. Схема внешних проводок
   Кабельный журнал
   План расположения средств автоматизации и электрических проводок на отм. 0.000
   Планы расположения средств автоматизации и электрических проводок на отм. 3.300 и 5.400
Чертежи основного комплекта АВК
   Общие данные
   Схема функциональная очистки сточных вод и технологического контроля
   Схема электрическая принципиальная питания приборов
   Схемы электрические принципиальные контроля и измерений
   Схемы соединений внешних проводок
   Насос ГНОМ10-10. Схемы электрические принципиальная управления и подключения
   Расположение оборудования и проводок
Чертежи основного комплекта СС
   Общие данные
   Схема связи
   Устройство комплексной телефонной сети. План на отм. 0.000
   Устройство комплексной телефонной сети. План на отм. 3.300
   Радиофикация здания. План на отм. 0.000
   Радиофикация здания. План на отм. 3.300
   Устройство заземления
   Конструктивные элементы заземления
Разработан: Харьковский Промтранспроект
Харьковский Промстройниипроект
Утверждён:14.04.1987 Госстрой СССР (Государственный комитет Совета Министров СССР по делам строительства) (USSR Gosstroy АЧ-39)
Расположен в:Техническая документация Строительство Справочные документы Типовые строительные конструкции, изделия и узлы Общероссийский строительный каталог Промышленные предприятия, здания и сооружения Предприятия, здания и сооружения транспорта Транспорт промпредприятий железнодорожный
Типовой проект 509-28.87Типовой проект 509-28.87Типовой проект 509-28.87Типовой проект 509-28.87Типовой проект 509-28.87Типовой проект 509-28.87Типовой проект 509-28.87Типовой проект 509-28.87Типовой проект 509-28.87Типовой проект 509-28.87Типовой проект 509-28.87Типовой проект 509-28.87Типовой проект 509-28.87Типовой проект 509-28.87Типовой проект 509-28.87Типовой проект 509-28.87Типовой проект 509-28.87Типовой проект 509-28.87Типовой проект 509-28.87Типовой проект 509-28.87Типовой проект 509-28.87Типовой проект 509-28.87Типовой проект 509-28.87Типовой проект 509-28.87Типовой проект 509-28.87Типовой проект 509-28.87Типовой проект 509-28.87Типовой проект 509-28.87Типовой проект 509-28.87Типовой проект 509-28.87Типовой проект 509-28.87Типовой проект 509-28.87Типовой проект 509-28.87Типовой проект 509-28.87Типовой проект 509-28.87Типовой проект 509-28.87Типовой проект 509-28.87Типовой проект 509-28.87Типовой проект 509-28.87Типовой проект 509-28.87Типовой проект 509-28.87Типовой проект 509-28.87Типовой проект 509-28.87Типовой проект 509-28.87Типовой проект 509-28.87Типовой проект 509-28.87Типовой проект 509-28.87Типовой проект 509-28.87Типовой проект 509-28.87Типовой проект 509-28.87Типовой проект 509-28.87Типовой проект 509-28.87Типовой проект 509-28.87Типовой проект 509-28.87Типовой проект 509-28.87Типовой проект 509-28.87Типовой проект 509-28.87Типовой проект 509-28.87Типовой проект 509-28.87Типовой проект 509-28.87Типовой проект 509-28.87Типовой проект 509-28.87Типовой проект 509-28.87Типовой проект 509-28.87Типовой проект 509-28.87Типовой проект 509-28.87Типовой проект 509-28.87Типовой проект 509-28.87

© 2013 Ёшкин Кот :-) Карта сайта