Информационная система
«Ёшкин Кот»

Скачать базу одним архивом
Скачать обновления
История создания базы
Карта сайта

Скачать ПГВУ 022-81 Элементы пылегазовоздухопроводов унифицированные. Карманы всасывающие типа Рихтера нормальные. Конструкции и размеры

Дата актуализации: 10.08.2017

ПГВУ 022-81

Элементы пылегазовоздухопроводов унифицированные. Карманы всасывающие типа Рихтера нормальные. Конструкции и размеры

Обозначение: ПГВУ 022-81
Обозначение англ: 022-81
Статус:заменен
Название рус.:Элементы пылегазовоздухопроводов унифицированные. Карманы всасывающие типа Рихтера нормальные. Конструкции и размеры
Дата добавления в базу:01.09.2013
Дата актуализации:05.05.2017
Область применения:Унифицированные элементы пылегазовоздуховодов ПГВУ 022-81; ПГВУ 023-81 выполнены в соответствии с ОСТ 34.42.301-81 и распространяются на карманы всасывающие типа Рихтера нормальные, предназначенные для газовоздуховодов котлоагрегатов оборудуемых тягодутьевыми машинами с диаметрами всасывающих патрубков D меньше или равно 1400 мм.
Оглавление:ПГВУ 022-81 Карманы всасывающие типа Рихтера нормальные
   Dвс. патр <= 1400 мм
   Переход
   Стенка передняя
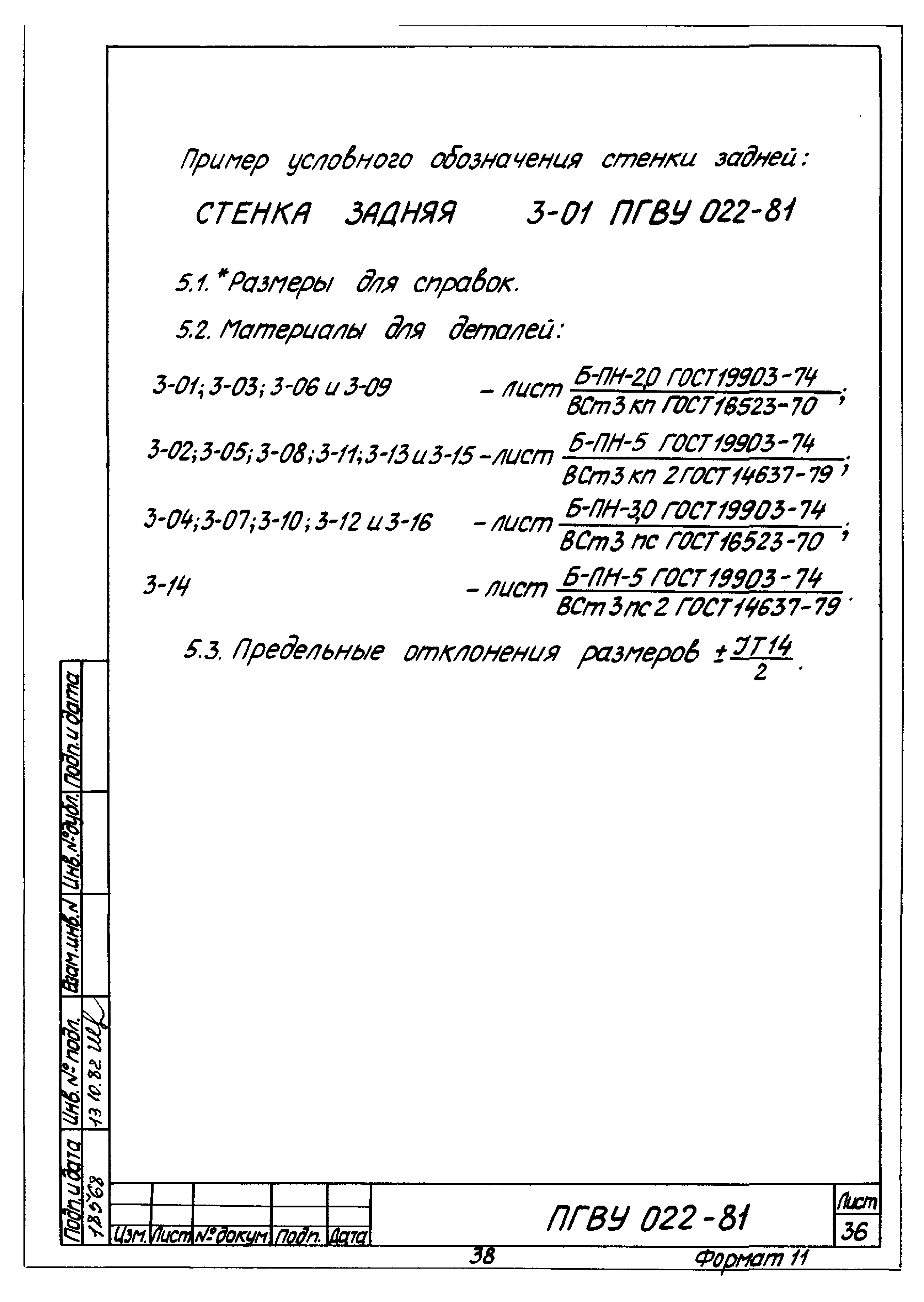
   Стенка задняя
   Стенка боковая
   Дно кармана
   Козырек
   Ребро поперечное (поз. 10)
   Ребро поперечное (поз. 12)
   Ребро (поз. 1.12)
   Фланец
   Скоба погрузочная
   Штырь для теплоизоляции
   Приложение справочное "Эксплуатационные данные по карманам"
ПГВУ 023-81 Карманы всасывающие типа Рихтера нормальные
   Dвс. патр >= 1650 мм
   Переход
   Стенка передняя
   Стенка задняя
   Стенка боковая
   Дно кармана
   Козырек
   Ребро поперечное (поз. 11)
   Ребро (поз. 1.11)
   Ребро продольное (поз. 23)
   Фланец
   Труба распорная
   Приложение справочное "Эксплуатационные данные по карманам"
Разработан: Энергомонтажпроект
Утверждён:12.02.1982 Минэнерго СССР (USSR Minenergo )
Принят:10.02.1982 Теплоэнергооборудование
Расположен в:Техническая документация Строительство Справочные документы Типовые строительные конструкции, изделия и узлы Разработанные другими министерствами, ведомствами и организациями
Чем заменён:
ПГВУ 022-81ПГВУ 022-81ПГВУ 022-81ПГВУ 022-81ПГВУ 022-81ПГВУ 022-81ПГВУ 022-81ПГВУ 022-81ПГВУ 022-81ПГВУ 022-81ПГВУ 022-81ПГВУ 022-81ПГВУ 022-81ПГВУ 022-81ПГВУ 022-81ПГВУ 022-81ПГВУ 022-81ПГВУ 022-81ПГВУ 022-81ПГВУ 022-81ПГВУ 022-81ПГВУ 022-81ПГВУ 022-81ПГВУ 022-81ПГВУ 022-81ПГВУ 022-81ПГВУ 022-81ПГВУ 022-81ПГВУ 022-81ПГВУ 022-81ПГВУ 022-81ПГВУ 022-81ПГВУ 022-81ПГВУ 022-81ПГВУ 022-81ПГВУ 022-81ПГВУ 022-81ПГВУ 022-81ПГВУ 022-81ПГВУ 022-81ПГВУ 022-81ПГВУ 022-81ПГВУ 022-81ПГВУ 022-81ПГВУ 022-81ПГВУ 022-81ПГВУ 022-81ПГВУ 022-81ПГВУ 022-81ПГВУ 022-81ПГВУ 022-81ПГВУ 022-81ПГВУ 022-81ПГВУ 022-81ПГВУ 022-81ПГВУ 022-81ПГВУ 022-81ПГВУ 022-81ПГВУ 022-81ПГВУ 022-81ПГВУ 022-81ПГВУ 022-81ПГВУ 022-81ПГВУ 022-81ПГВУ 022-81ПГВУ 022-81ПГВУ 022-81ПГВУ 022-81ПГВУ 022-81ПГВУ 022-81ПГВУ 022-81ПГВУ 022-81ПГВУ 022-81ПГВУ 022-81ПГВУ 022-81ПГВУ 022-81ПГВУ 022-81ПГВУ 022-81ПГВУ 022-81ПГВУ 022-81ПГВУ 022-81ПГВУ 022-81ПГВУ 022-81ПГВУ 022-81ПГВУ 022-81ПГВУ 022-81ПГВУ 022-81ПГВУ 022-81ПГВУ 022-81ПГВУ 022-81ПГВУ 022-81ПГВУ 022-81ПГВУ 022-81ПГВУ 022-81ПГВУ 022-81ПГВУ 022-81ПГВУ 022-81ПГВУ 022-81ПГВУ 022-81ПГВУ 022-81ПГВУ 022-81ПГВУ 022-81ПГВУ 022-81ПГВУ 022-81ПГВУ 022-81ПГВУ 022-81ПГВУ 022-81ПГВУ 022-81ПГВУ 022-81ПГВУ 022-81ПГВУ 022-81ПГВУ 022-81ПГВУ 022-81ПГВУ 022-81ПГВУ 022-81ПГВУ 022-81

© 2013 Ёшкин Кот :-) Карта сайта