Скачать Типовой проект А-II,III-100-298.85 Альбом VII. СметыДата актуализации: 10.08.2017 Типовой проект А-II,III-100-298.85
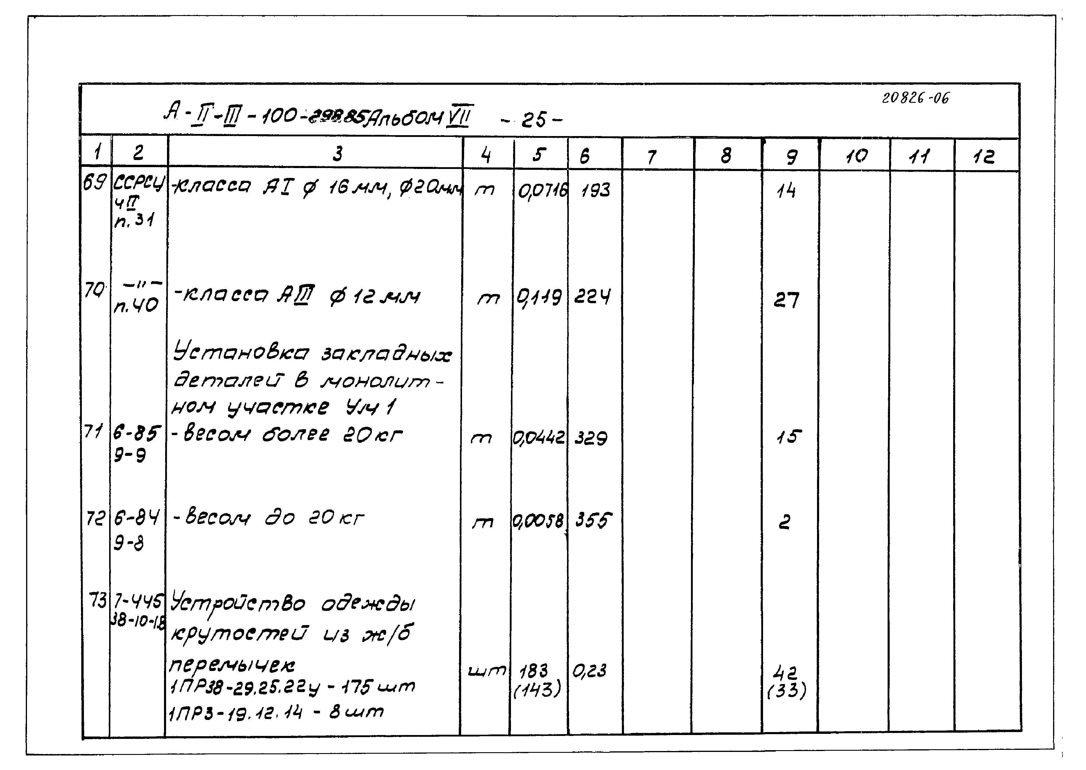
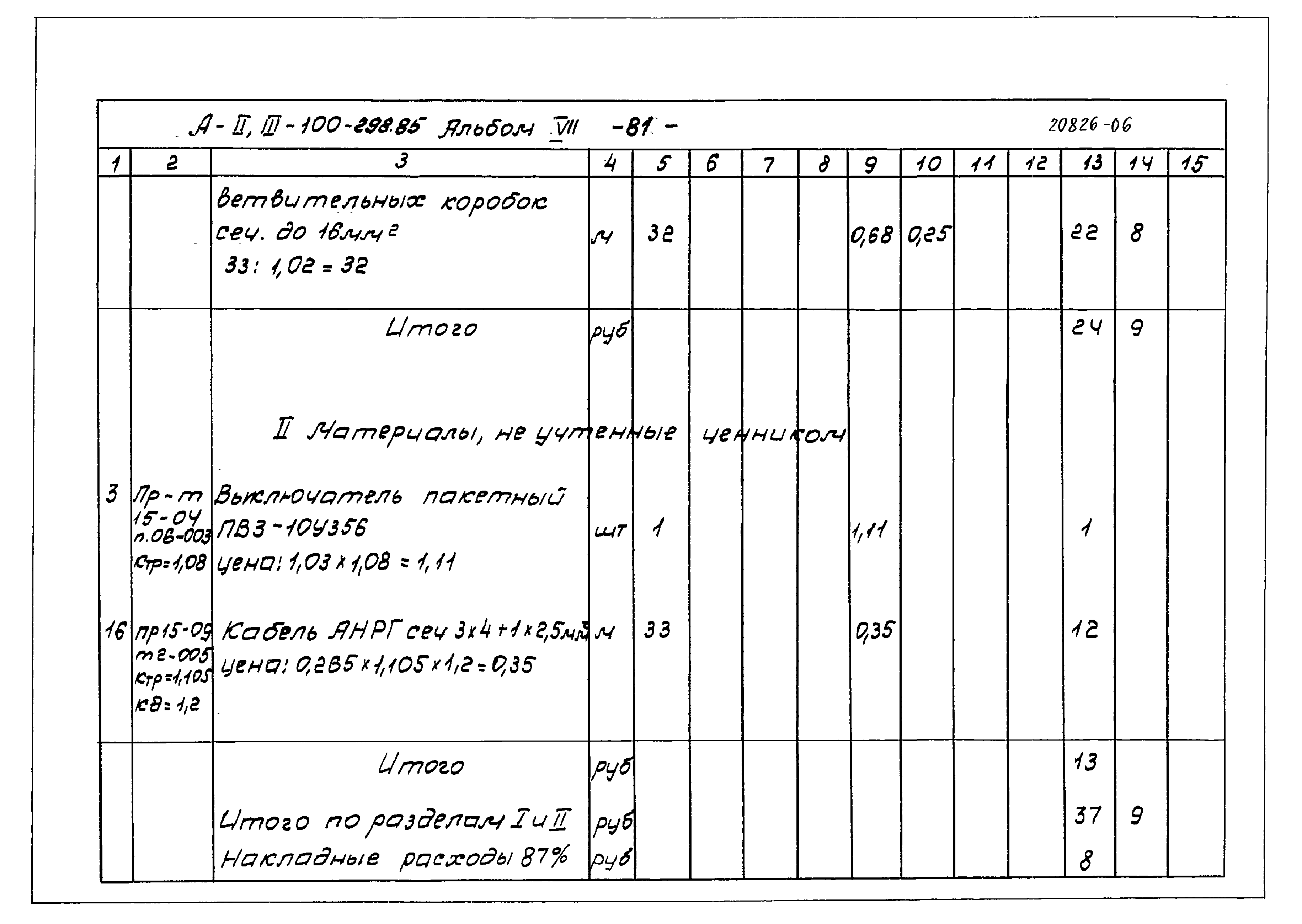
Альбом VII. СметыОбозначение: | Типовой проект А-II,III-100-298.85 | Обозначение англ: | А-II,III-100-298.85 | Статус: | не определен законодательством | Название рус.: | Альбом VII. Сметы | Дата добавления в базу: | 01.09.2013 | Дата актуализации: | 05.05.2017 | Дата введения: | 18.07.1985 | Оглавление: | Титульный лист Оглавление Пояснительная записка Объектная смета №1 на строительство убежища заглубленного Объектная смета №2 на строительство убежища полузаглубленного Локальная смета №1. Общестроительные работы Локальная смета №2. Монтаж оборудования. Вентиляция (вариант 1) Локальная смета №3. Вентиляция. Сантехработы (вариант 1) Локальная смета №4. Отопление Локальная смета №5. Водопровод и канализация Локальная смета №6. Электрооборудование Локальная смета №7. Пожарная сигнализация, телефонизация, радиофикация Локальная смета №8. Защитные средства Локальная смета №9. Монтаж оборудования. Вентиляция (вариант 2) Локальная смета №10. Вентиляция. Сантехработы (вариант 2) | Разработан: | Проектная организация МО
| Утверждён: | 18.07.1985 Управление ГО СССР (235/11/1949)
| Расположен в: |
|
                                                                                                                     
|