Скачать Типовой проект А-II,III-100-298.85 Альбом I. Общая пояснительная записка. Архитектурно-строительные решения. Производство работДата актуализации: 10.08.2017 Типовой проект А-II,III-100-298.85
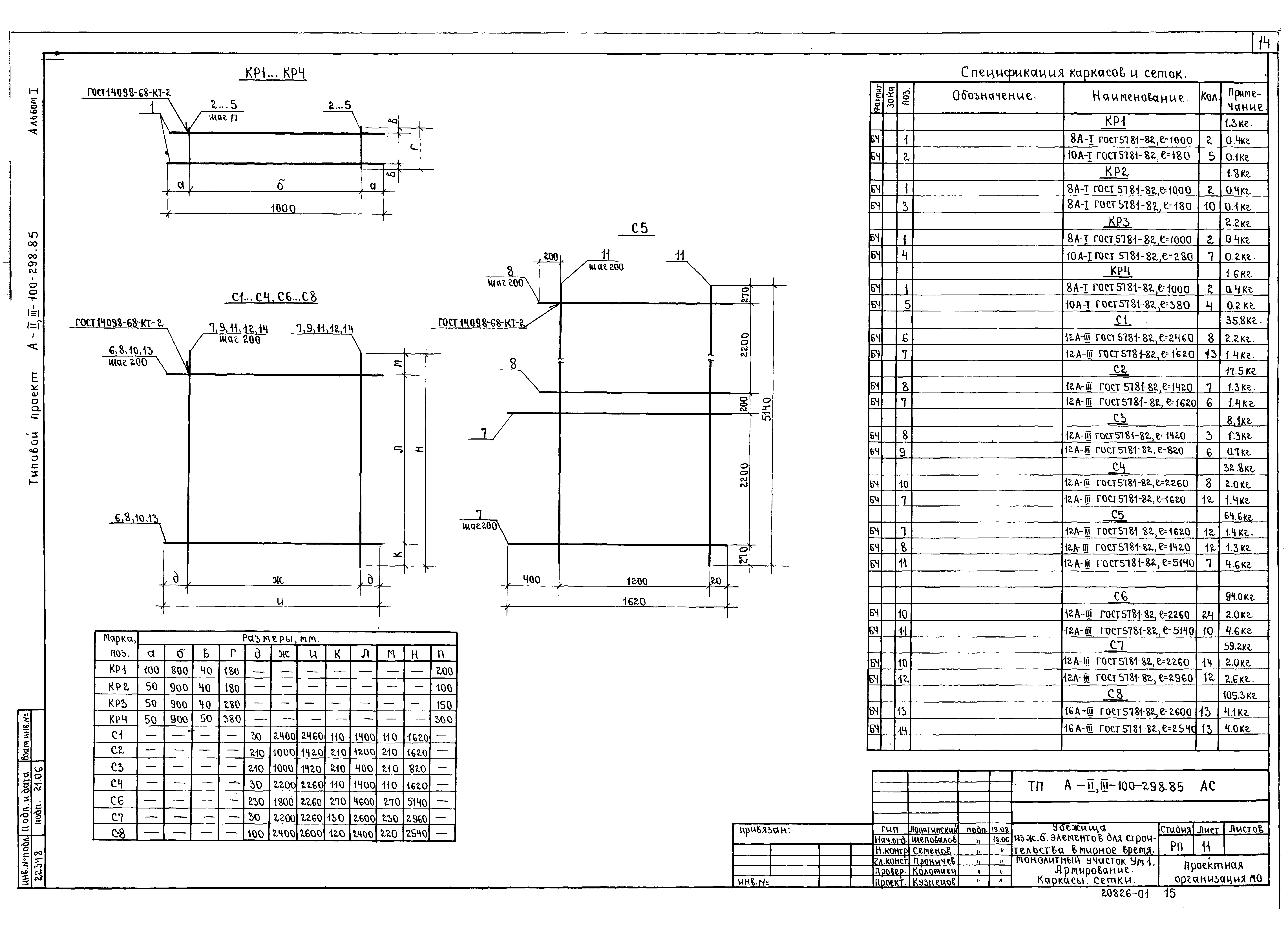
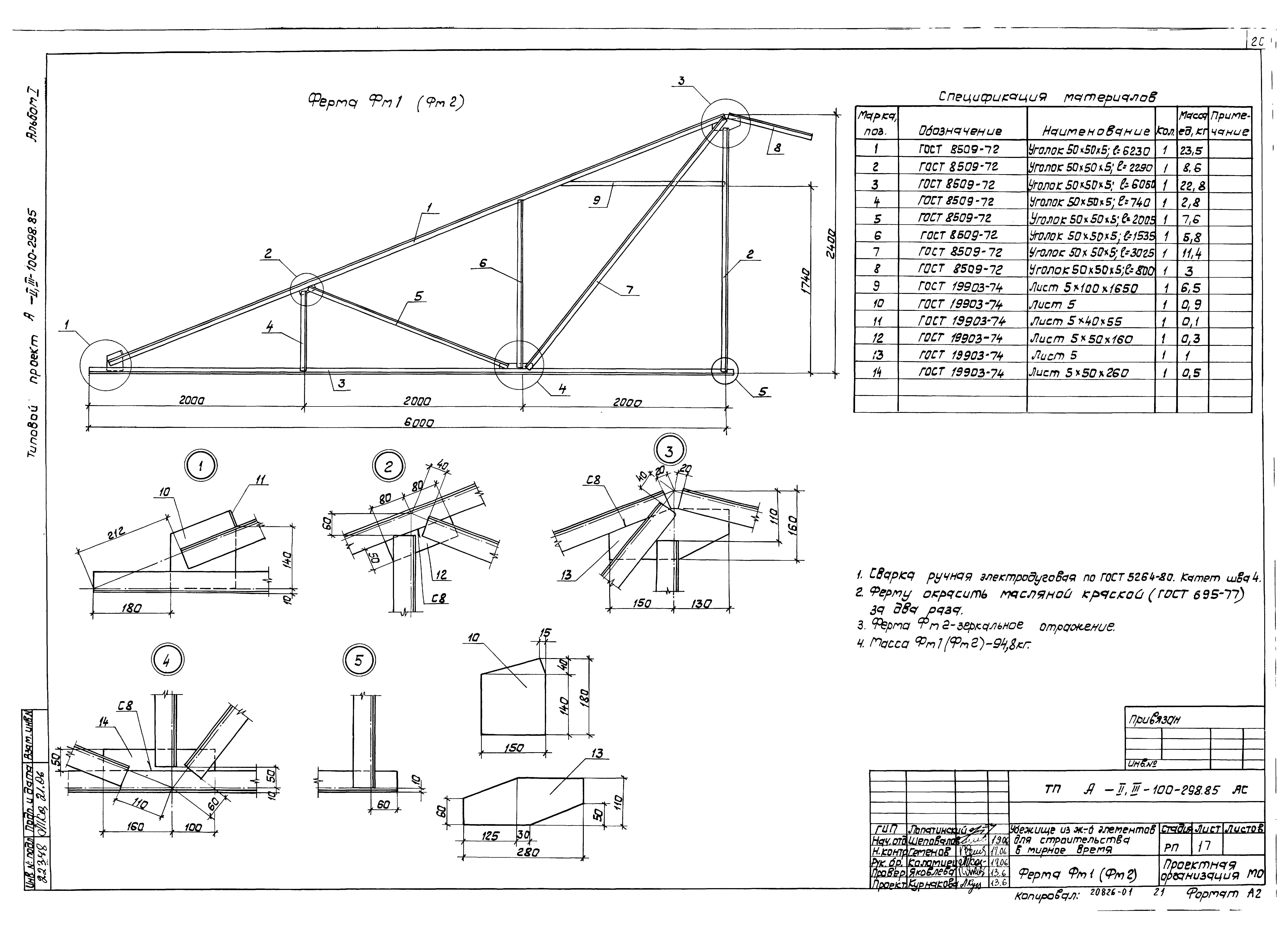
Альбом I. Общая пояснительная записка. Архитектурно-строительные решения. Производство работОбозначение: | Типовой проект А-II,III-100-298.85 | Обозначение англ: | А-II,III-100-298.85 | Статус: | не определен законодательством | Название рус.: | Альбом I. Общая пояснительная записка. Архитектурно-строительные решения. Производство работ | Дата добавления в базу: | 01.09.2013 | Дата актуализации: | 05.05.2017 | Дата введения: | 18.07.1985 | Оглавление: | Титульный лист Содержание альбома А-II,III-100-298.85-ПЗ-1 Общая пояснительная записка А-II,III-100-298.85-АС-1 Общие данные (начало) А-II,III-100-298.85-АС-2 Общие данные (окончание) А-II,III-100-298.85-АС-3 План на отм. -2.370(-1.000) А-II,III-100-298.85-АС-4 Разрезы 1-1…3-3 заглубленного убежища. Сечения а-а, б-б А-II,III-100-298.85-АС-5 Разрезы 1-1…3-3 полузаглубленного убежища. Сечения а-а, б-б А-II,III-100-298.85-АС-6 Фрагмент 1 А-II,III-100-298.85-АС-7 Фрагмент 1. Разрез 1-1. Вид А А-II,III-100-298.85-АС-8 фрагмент 1. Узел 1. разрез 2-2…7-7 А-II,III-100-298.85-АС-9 Фрагмент 2. Разрезы 1-1…9-9. Узлы 1…5 А-II,III-100-298.85-АС-10 Монолитный участок Ум1. Строительные размеры. Армирование А-II,III-100-298.85-АС-11 Монолитный участок Ум1. Армирование. Каркасы. Сетки А-II,III-100-298.85-АС-12 План размещения закладных. Фрагмент 3. Виды А..Е. Разрезы 1-1…7-7 А-II,III-100-298.85-АС-13 Гидроизоляция. Дренаж. План. Разрез 1-1. Узлы 1, 2. Варианты дренажа А-II,III-100-298.85-АС-14 КПК1…КПК8.МН А-II,III-100-298.85-АС-15 Нары. Разрезы 1-1, 2-2. Щиты Щ1, Щ2. Рама Р1 А-II,III-100-298.85-АС-16 Скамья. Подставка под выносную тару. План. Разрезы 1-1…3-3. Щит Щ3. Рама Р2 А-II,III-100-298.85-АС-17 Ферма Фм 1 (Фм 2) А-II,III-100-298.85-АС-18 Ферма Фм 3 (Фм 4) А-II,III-100-298.85-АС-19 Установка двери защитно-герметической металлической распашной Ду-I-9 А-II,III-100-298.85-АС-20 Установка дверного блока БД60х160-0,6 и двери герметической ГД60х160-0,1 А-II,III-100-298.85-ПР-1 Общие данные А-II,III-100-298.85-ПР-2 Убежище заглубленное. Схема отрывки котлована А-II,III-100-298.85-ПР-3 Убежище заглубленное. Схема монтажа убежища А-II,III-100-298.85-ПР-4 Схемы строповки элементов А-II,III-100-298.85-Пр-5 Убежище заглубленное. График возведения убежища | Разработан: | Проектная организация МО
| Утверждён: | 18.07.1985 Управление ГО СССР (235/11/1949)
| Расположен в: |
|
                           
|