Информационная система
«Ёшкин Кот»

Скачать базу одним архивом
Скачать обновления
История создания базы
Карта сайта

Скачать Типовой проект 284-3-49.83 Альбом III. Внутренний водопровод и канализация. Отопление и вентиляция. Электроосвещение и электрооборудование. Связь и сигнализация. Автоматизация санитарно-технических систем

Дата актуализации: 10.08.2017

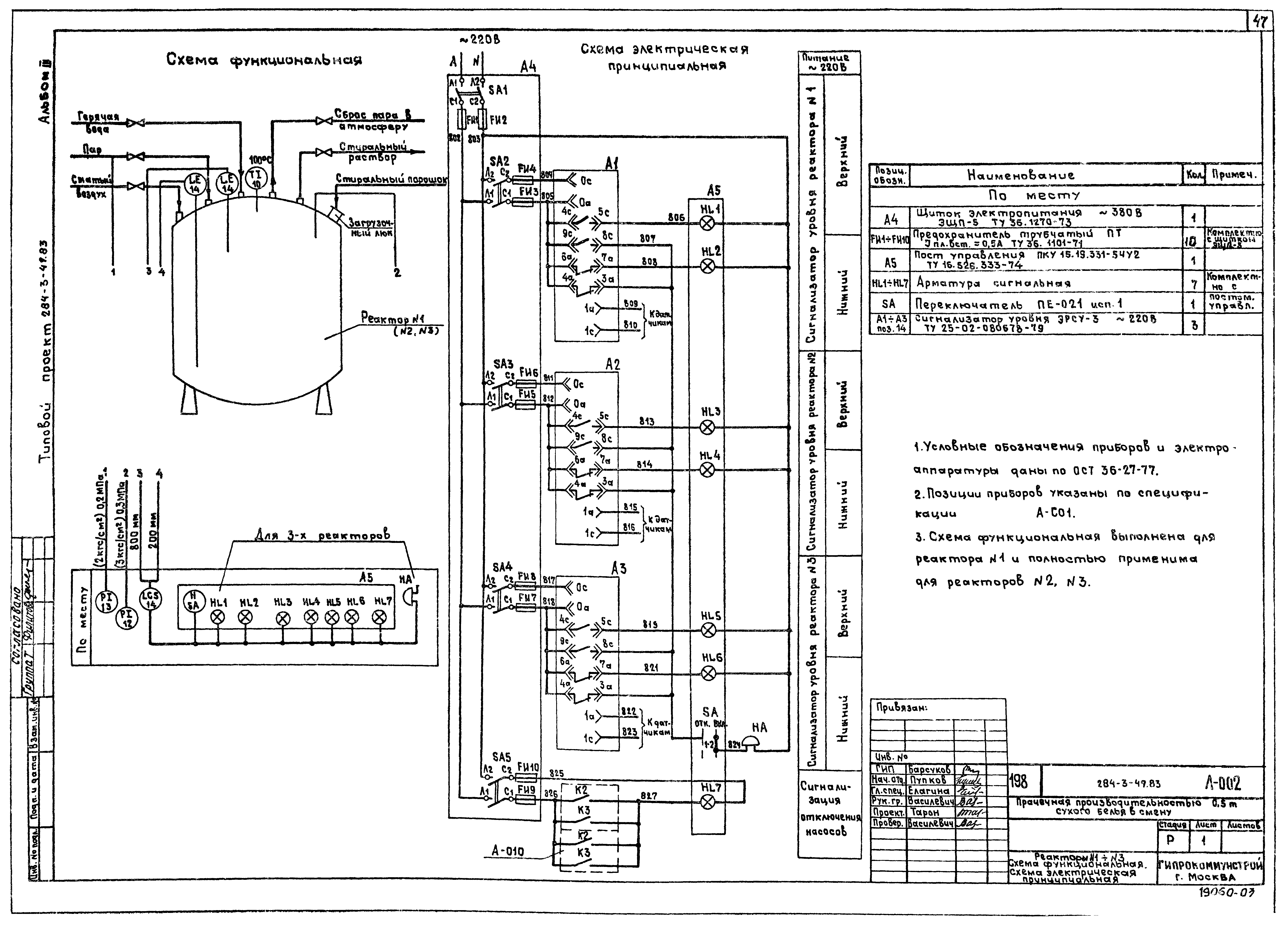
Типовой проект 284-3-49.83

Альбом III. Внутренний водопровод и канализация. Отопление и вентиляция. Электроосвещение и электрооборудование. Связь и сигнализация. Автоматизация санитарно-технических систем

Обозначение: Типовой проект 284-3-49.83
Обозначение англ: 284-3-49.83
Статус:действует
Название рус.:Альбом III. Внутренний водопровод и канализация. Отопление и вентиляция. Электроосвещение и электрооборудование. Связь и сигнализация. Автоматизация санитарно-технических систем
Дата добавления в базу:01.09.2013
Дата актуализации:05.05.2017
Дата введения:10.07.1984
Оглавление:Обложка
Титульный лист
Содержание альбома
Внутренний водопровод и канализация
Отопление и вентиляция
Тепловой пункт
Воздухоснабжение
Электроосвещение
Электрооборудование
Связь и сигнализация
Автоматизация санитарно-технических систем
Разработан: Гипрокоммунстрой
Утверждён:18.02.1983 Минжилкомхоз РСФСР (Russian Federation Minzhilkomkhoz 3-ТД)
Расположен в:Техническая документация Строительство Справочные документы Типовые строительные конструкции, изделия и узлы Общероссийский строительный каталог Промышленные предприятия, здания и сооружения Предприятия, здания и сооружения промышленности и электроэнергетики Промышленность легкая и полиграфическая, кинематография, предприятия бытового обслуживания населения (промышленного типа) Предприятия по стирке белья и химической чистке одежды
Типовой проект 284-3-49.83Типовой проект 284-3-49.83Типовой проект 284-3-49.83Типовой проект 284-3-49.83Типовой проект 284-3-49.83Типовой проект 284-3-49.83Типовой проект 284-3-49.83Типовой проект 284-3-49.83Типовой проект 284-3-49.83Типовой проект 284-3-49.83Типовой проект 284-3-49.83Типовой проект 284-3-49.83Типовой проект 284-3-49.83Типовой проект 284-3-49.83Типовой проект 284-3-49.83Типовой проект 284-3-49.83Типовой проект 284-3-49.83Типовой проект 284-3-49.83Типовой проект 284-3-49.83Типовой проект 284-3-49.83Типовой проект 284-3-49.83Типовой проект 284-3-49.83Типовой проект 284-3-49.83Типовой проект 284-3-49.83Типовой проект 284-3-49.83Типовой проект 284-3-49.83Типовой проект 284-3-49.83Типовой проект 284-3-49.83Типовой проект 284-3-49.83Типовой проект 284-3-49.83Типовой проект 284-3-49.83Типовой проект 284-3-49.83Типовой проект 284-3-49.83Типовой проект 284-3-49.83Типовой проект 284-3-49.83Типовой проект 284-3-49.83Типовой проект 284-3-49.83Типовой проект 284-3-49.83Типовой проект 284-3-49.83Типовой проект 284-3-49.83Типовой проект 284-3-49.83Типовой проект 284-3-49.83Типовой проект 284-3-49.83Типовой проект 284-3-49.83Типовой проект 284-3-49.83Типовой проект 284-3-49.83Типовой проект 284-3-49.83Типовой проект 284-3-49.83Типовой проект 284-3-49.83Типовой проект 284-3-49.83Типовой проект 284-3-49.83Типовой проект 284-3-49.83Типовой проект 284-3-49.83Типовой проект 284-3-49.83Типовой проект 284-3-49.83Типовой проект 284-3-49.83Типовой проект 284-3-49.83Типовой проект 284-3-49.83Типовой проект 284-3-49.83Типовой проект 284-3-49.83Типовой проект 284-3-49.83Типовой проект 284-3-49.83Типовой проект 284-3-49.83

© 2013 Ёшкин Кот :-) Карта сайта