Информационная система
«Ёшкин Кот»

Скачать базу одним архивом
Скачать обновления
История создания базы
Карта сайта

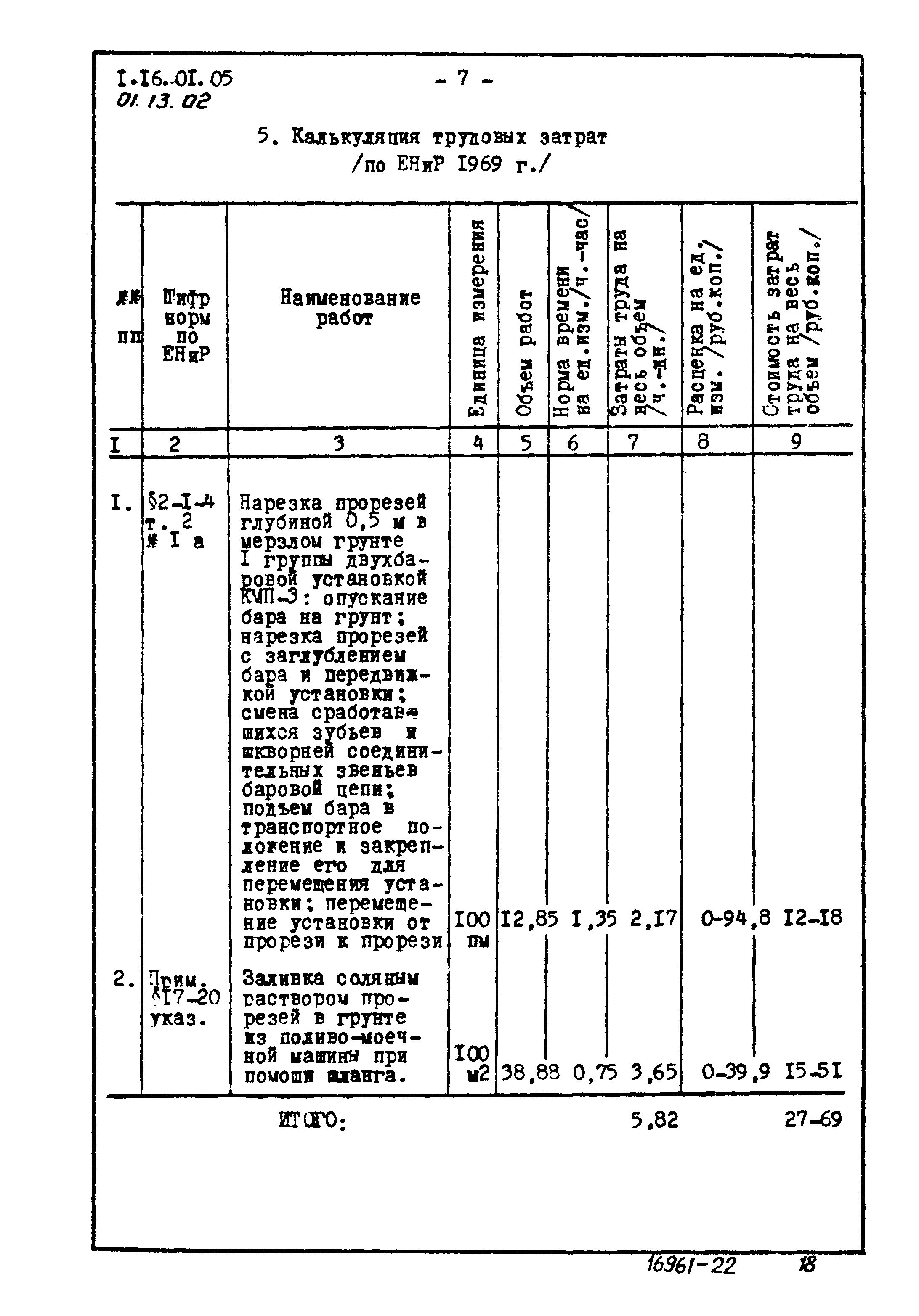
Скачать ТТК 01.13.02 Размораживание грунта раствором поваренной соли

Дата актуализации: 10.08.2017

ТТК 01.13.02

Размораживание грунта раствором поваренной соли

Обозначение: ТТК 01.13.02
Обозначение англ: 01.13.02
Статус:не установлен срок действия
Название рус.:Размораживание грунта раствором поваренной соли
Дата добавления в базу:01.09.2013
Дата актуализации:05.05.2017
Дата введения:15.12.1970
Область применения:Технологическая карта применяется при проектировании, организации и производстве работ по размораживанию грунта раствором поваренной соли.
Оглавление:1. Область применения
2. Технико-экономические показатели
3. Технология и организация строительного процесса
4. Организация и методы труда рабочих
5. Материально-технические ресурсы
   1. Основные материалы и полуфабрикаты
   2. Машины
   3. Эксплуатационные материалы
Разработан: Центральный институт Оргтяжстрой Минтяжстроя СССР
Утверждён:03.12.1970 Минтяжстрой СССР (USSR Mintyazhstroy 20-2-11/1297)
03.12.1970 Минпромстрой СССР (USSR Minpromstroy 20-2-11/1297)
03.12.1970 Минстрой СССР (USSR Minstroy 20-2-11/1297)
Расположен в:Техническая документация Строительство Справочные документы Технологические карты Земляные работы
Нормативные ссылки:
ТТК 01.13.02ТТК 01.13.02ТТК 01.13.02ТТК 01.13.02ТТК 01.13.02ТТК 01.13.02ТТК 01.13.02ТТК 01.13.02ТТК 01.13.02ТТК 01.13.02ТТК 01.13.02

© 2013 Ёшкин Кот :-) Карта сайта