Информационная система
«Ёшкин Кот»

Скачать базу одним архивом
Скачать обновления
История создания базы
Карта сайта

Скачать Типовой проект 254-9-65 Альбом I. Архитектурно-строительная часть. Отопление и вентиляция. Водопровод и канализация. Технология. Электрооборудование. КИП и автоматика. Слаботочные устройства и пожарная сигнализация

Дата актуализации: 10.08.2017

Типовой проект 254-9-65

Альбом I. Архитектурно-строительная часть. Отопление и вентиляция. Водопровод и канализация. Технология. Электрооборудование. КИП и автоматика. Слаботочные устройства и пожарная сигнализация

Обозначение: Типовой проект 254-9-65
Обозначение англ: 254-9-65
Статус:не определен законодательством
Название рус.:Альбом I. Архитектурно-строительная часть. Отопление и вентиляция. Водопровод и канализация. Технология. Электрооборудование. КИП и автоматика. Слаботочные устройства и пожарная сигнализация
Дата добавления в базу:01.09.2013
Дата актуализации:05.05.2017
Дата введения:01.10.1980
Оглавление:Чертежи основного комплекта марки АС
   Общие данные
   Лист привязки
   Планы. Фасады. Разрез 1-1. Узлы и детали кровли (Основное решение)
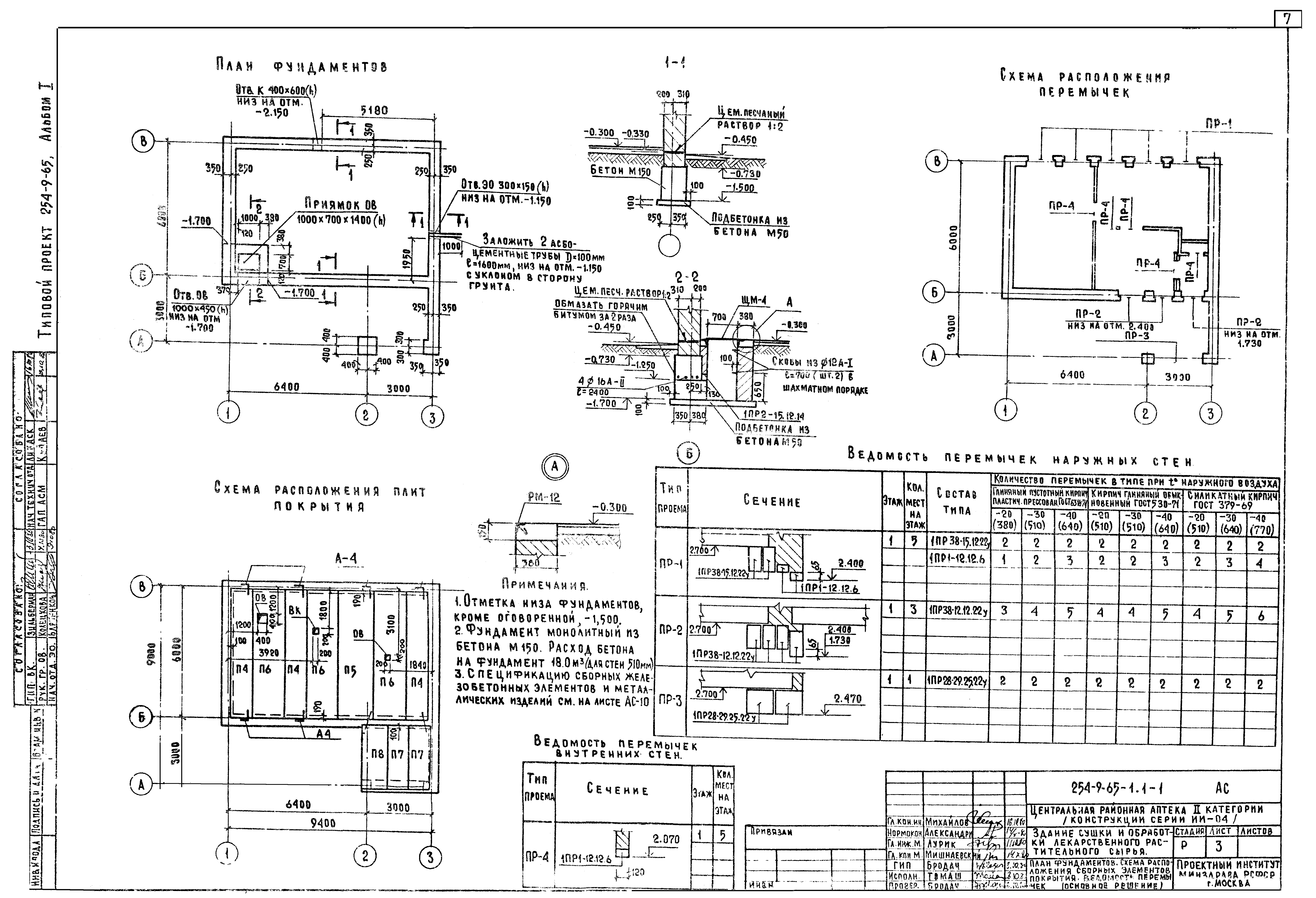
   План фундаментов. Схема расположения сборных элементов покрытия. Ведомость перемычек (Основное решение)
   Планы. Фасады. Разрез 1-1. Узлы и детали кровли (Вариант с подвалом)
   План подвала. Разрезы (Вариант с подвалом)
   Схемы расположения сборных элементов фундаментов, перекрытия, стен (Вариант с подвалом)
   Развертки стен (Вариант с подвалом)
   Схема раскладки сеток в перекрытии. План с расположением закладных деталей и отверстий (Вариант с подвалом)
   Схема расположения сборных элементов покрытия. Ведомость перемычек (Вариант с подвалом)
   Спецификация (Основное решение)
   Спецификация (Вариант с подвалом)
Чертежи основного комплекта марки ТХ
   План 1 этажа. Разрез А-А. Спецификация (Основное решение и вариант с подвалом)
Чертежи основного комплекта марки ОВ
   Характеристика отопительно-вентиляционных систем. Сводная спецификация. Основные показатели
   Отопление и вентиляция. Планы и схемы (Основное решение и вариант с подвалом)
Чертежи основного комплекта марки ВК
   Водопровод и канализация (Основное решение)
   Водопровод и канализация (Вариант с подвалом)
   Водопровод и канализация. Спецификация (Вариант с подвалом)
Чертежи основного комплекта марки ЭО
   Сводная спецификация
   Расчетная схема распределительных сетей
   Планы осветительных и силовых сетей (Основное решение и вариант с подвалом)
Чертежи основного комплекта марки УС
   Слаботочные устройства и пожарная сигнализация (Основное решение и вариант с подвалом)
Чертежи основного комплекта марки ЭА
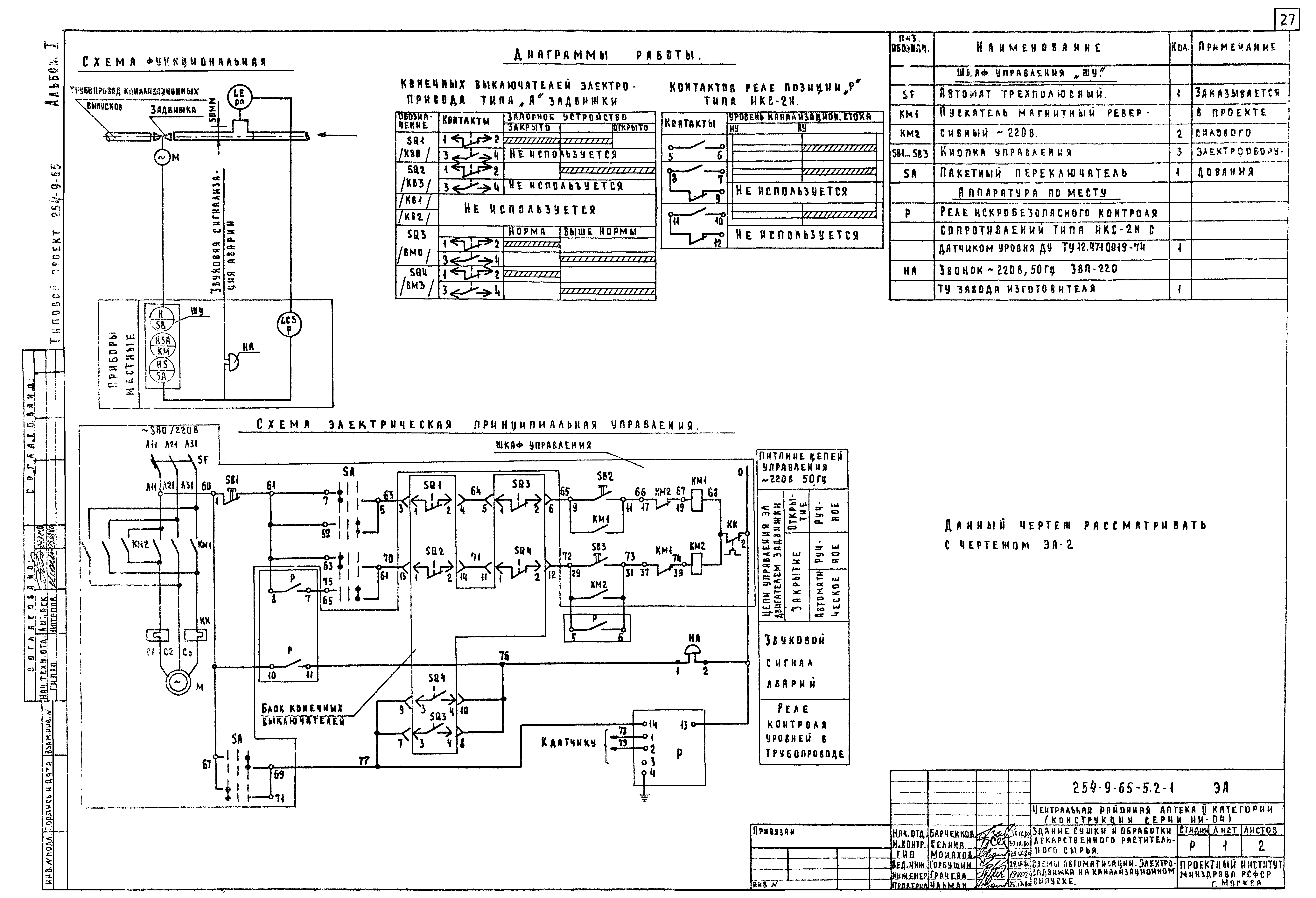
   Схемы автоматизации. Электрозадвижка на канализационном выпуске
   Схемы внешних проводок. План подвала. Электрозадвижка на канализационном выпуске
Разработан: Проектный институт Минздрава РСФСР
Утверждён:15.11.1979 Госстрой РСФСР (Russian Federation Gosstroy 71)
Расположен в:Техническая документация Строительство Справочные документы Типовые строительные конструкции, изделия и узлы Общероссийский строительный каталог Защитные сооружения гражданской обороны Типовые проекты защитных сооружений гражданской обороны для жилищно-гражданского строительства Для строительства в городах и поселках городского типа Встроенные помещения, приспосабливаемые под противорадиационные укрытия в общественных зданиях Противорадиационные укрытия в лечебно-профилактических учреждениях Общественные здания в городах и поселках городского типа Лечебно-профилактические учреждения Аптеки
Типовой проект 254-9-65Типовой проект 254-9-65Типовой проект 254-9-65Типовой проект 254-9-65Типовой проект 254-9-65Типовой проект 254-9-65Типовой проект 254-9-65Типовой проект 254-9-65Типовой проект 254-9-65Типовой проект 254-9-65Типовой проект 254-9-65Типовой проект 254-9-65Типовой проект 254-9-65Типовой проект 254-9-65Типовой проект 254-9-65Типовой проект 254-9-65Типовой проект 254-9-65Типовой проект 254-9-65Типовой проект 254-9-65Типовой проект 254-9-65Типовой проект 254-9-65Типовой проект 254-9-65Типовой проект 254-9-65Типовой проект 254-9-65Типовой проект 254-9-65Типовой проект 254-9-65Типовой проект 254-9-65Типовой проект 254-9-65Типовой проект 254-9-65Типовой проект 254-9-65

© 2013 Ёшкин Кот :-) Карта сайта