Информационная система
«Ёшкин Кот»

Скачать базу одним архивом
Скачать обновления
История создания базы
Карта сайта

Скачать Типовой проект 503-7-14.88 Альбом 4. Силовое электрооборудование. Электрическое освещение

Дата актуализации: 10.08.2017

Типовой проект 503-7-14.88

Альбом 4. Силовое электрооборудование. Электрическое освещение

Обозначение: Типовой проект 503-7-14.88
Обозначение англ: 503-7-14.88
Статус:не определен законодательством
Название рус.:Альбом 4. Силовое электрооборудование. Электрическое освещение
Дата добавления в базу:01.09.2013
Дата актуализации:05.05.2017
Дата введения:15.09.1988
Оглавление:Обложка
Титульный лист
Содержание альбома
Чертежи основного комплекта ЭМ
   Общие данные
   Щ1. Ввод. Схема электрическая принципиальная
   Схема расположения электрооборудования
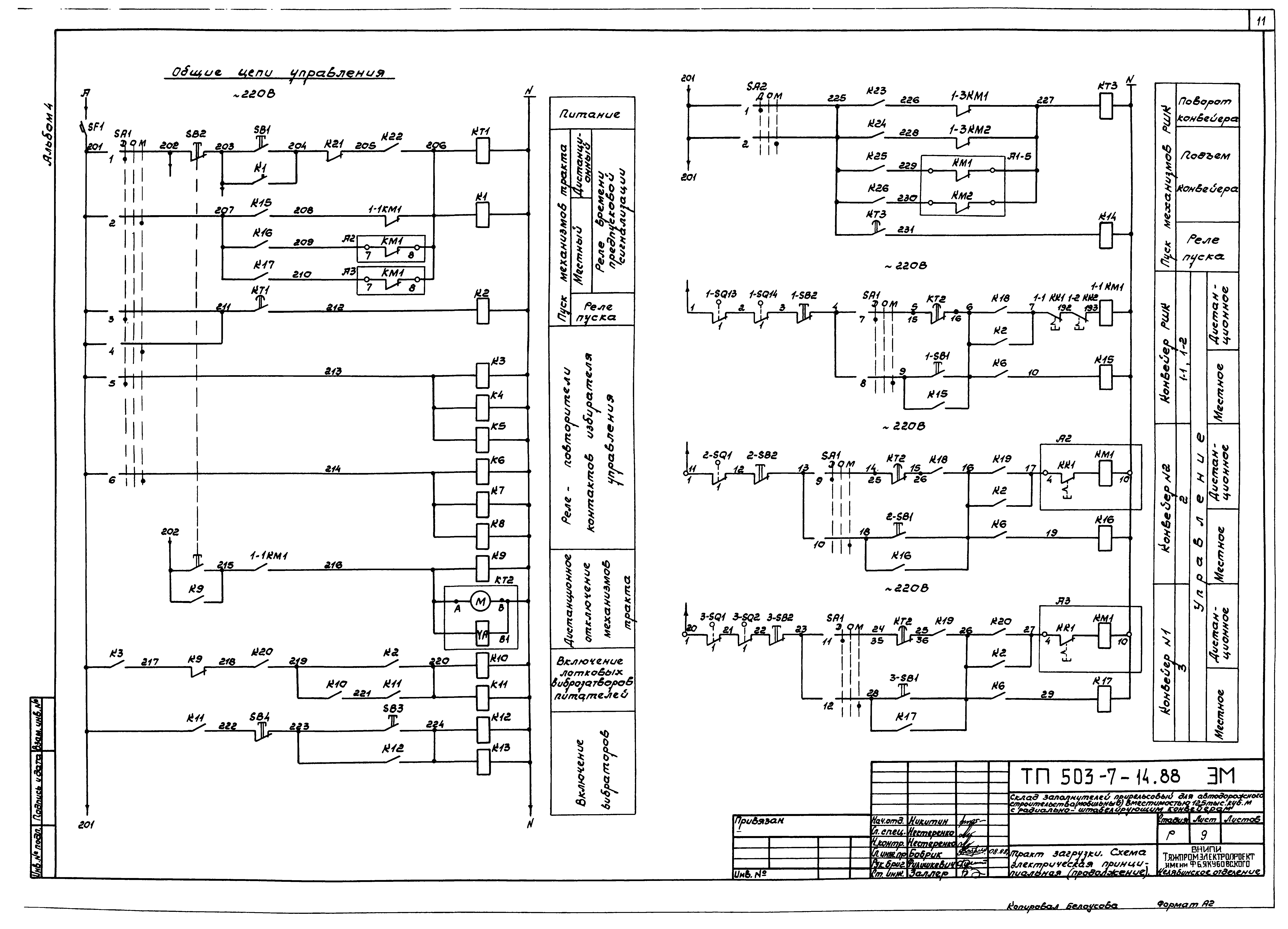
   Тракт загрузки. Схема электрическая принципиальная
   Вибромашина накладная. Схема электрическая принципиальная
   Виброразгрузчик. Схема электрическая принципиальная
   Комкорушители. Схема электрическая принципиальная
   Приточная система П1. Схема электрическая принципиальная
   Дренажный насос. Схема электрическая принципиальная
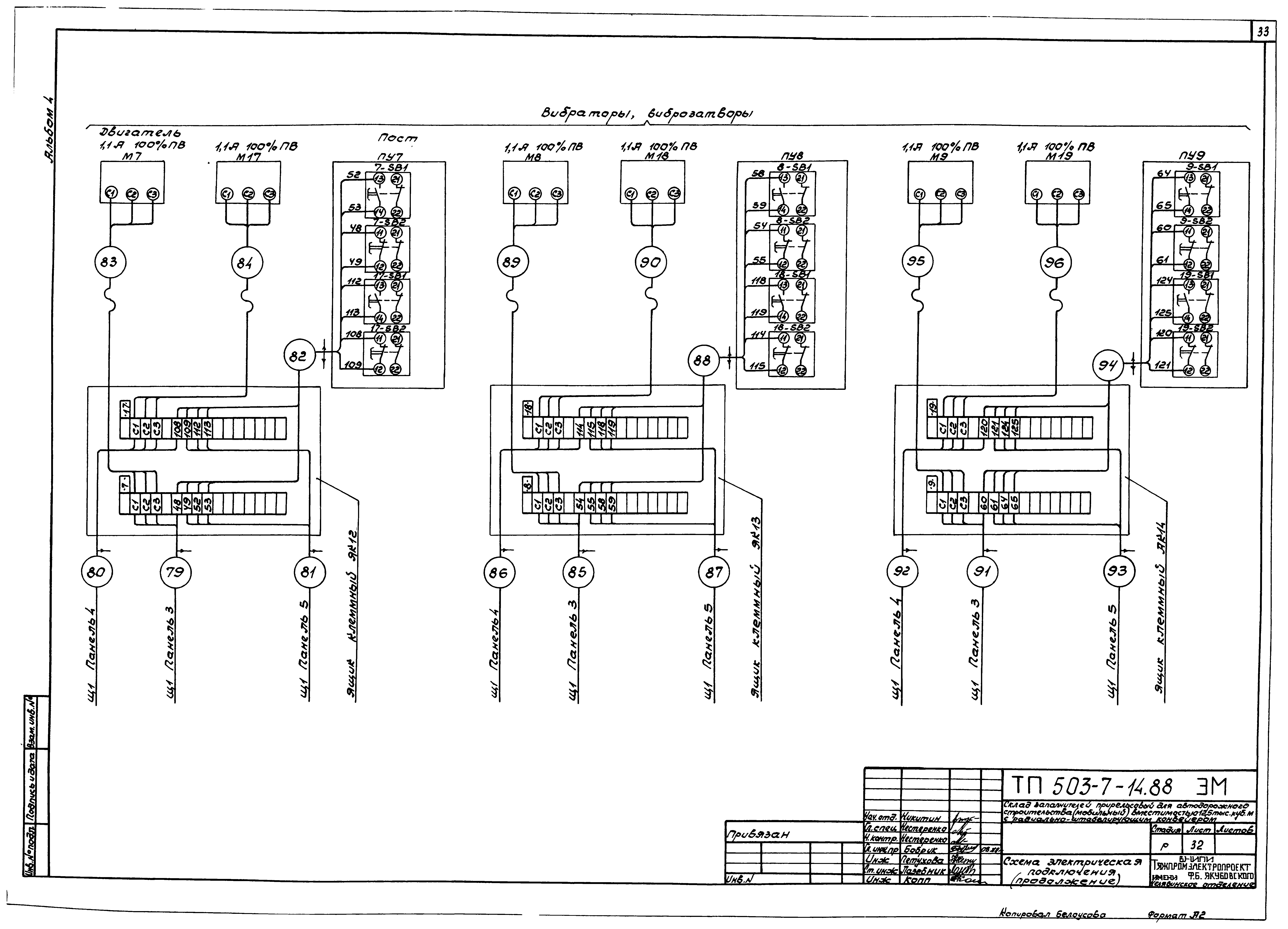
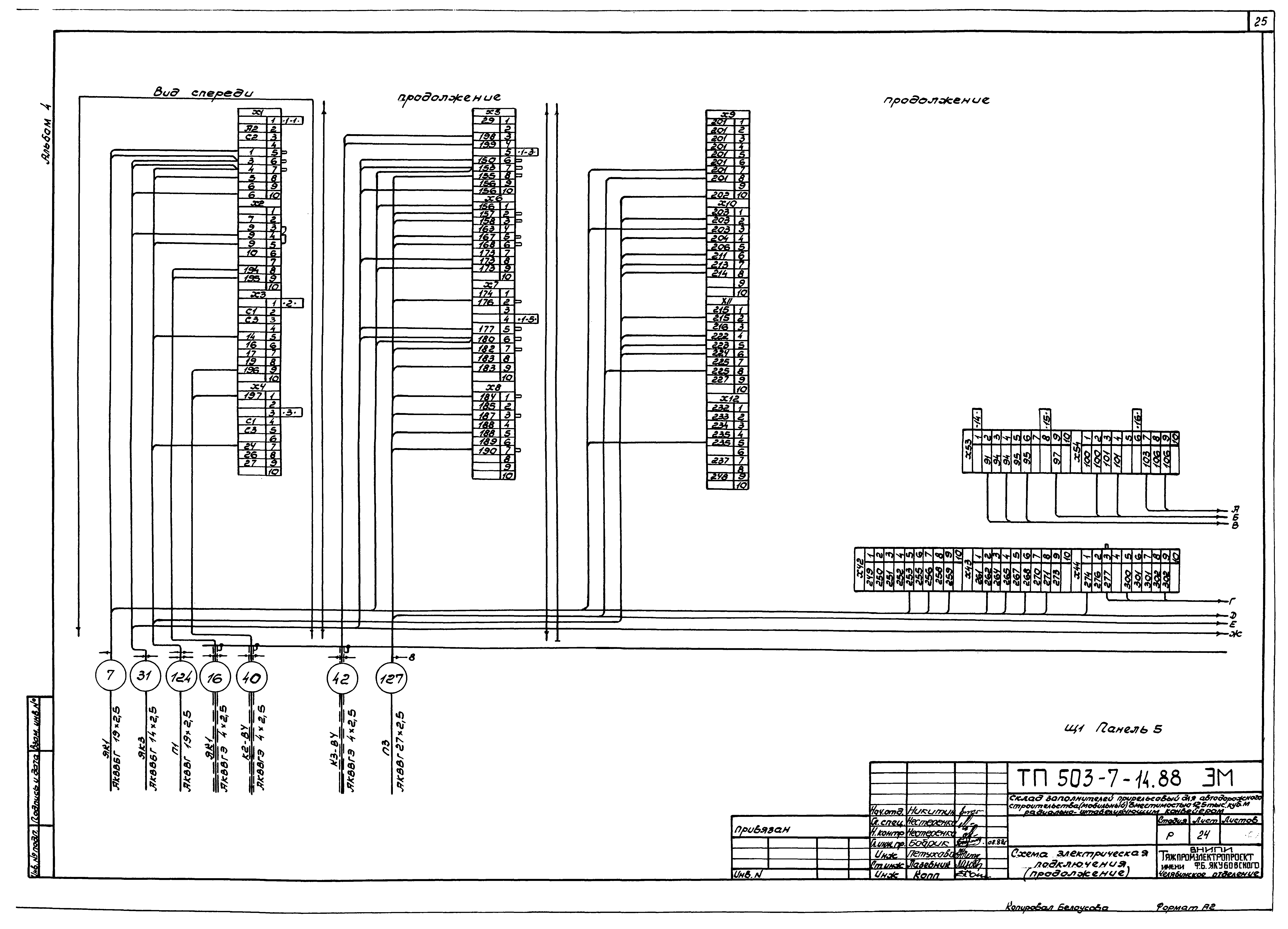
   Схема электрическая подключения
   Кабельный журнал
   ЭП, ПУ. Установка оборудования. Прокладка кабелей. Заземление
   Оси А - Б, 1 - 4. Отм. - 3.600. Ленточный конвейер №1. Установка оборудования. Прокладка кабелей
   Оси А - Б, 1 - 4. Отм. 0.000; 5.500. Ленточный конвейер №2. Установка оборудования. Прокладка кабелей
   Радиально-штабелирующий конвейер. Установка оборудования. Прокладка кабелей
   Заземление
   Спецификация к листам 40 - 44
Чертежи ЭМ.ВР, прилагаемые к основному комплекту ЭМ
   Ведомость объемов электромонтажных работ
Чертежи ЭМ.И, прилагаемые к основному комплекту ЭМ
   Ведомость изделий МЭЗ
   Ящики клеменные 1ЯП, 2ЯП
Чертежи основного комплекта ЭО
   Общие данные
   План расположения на отметках 0.300; 0.600
   План на отметке - 3.600
   План площадок на отметке 6.000. Разрез 1-1
   Электропомещение ПУ. Планы расположения
   Открытый склад. План расположения
Чертежи ЭО.ВР, прилагаемые к основному комплекту ЭО
   Ведомость объемов электромонтажных работ
Чертежи ЭО.И, прилагаемые к основному комплекту ЭО
   Ведомость конструкций и деталей, подлежащих изготовлению в МЭЗ
   Конструкция для установки трансформатора ОСОВ-0,25 на строительном основании
   Установка ящика ЯТП-0,25 на конструкции
   Концевое крепление троса к металлическому основанию
   Конструкция для установки АП50Б на строительном основании
   Установка щитка ЯОУ-8501 - 8504 на строительном основании
   Установка кронштейна со светильником с лампой накаливания на строительном основании
   Установка прожектора ПКН - 1000А на конструкции
   Стойка К987 со светильником с лампой накаливания для установки на вибрирующем ограждении
   Кронштейн для крепления светильника СЗЛ на колонне или стене
   Коробка с выключателем
   Коробка со штепсельной розеткой
Разработан: Тяжпромэлектропроект им. Ф.Б. Якубовского
Утверждён:04.12.1986 Госстрой СССР (Государственный комитет Совета Министров СССР по делам строительства) (USSR Gosstroy АЧ-89)
Расположен в:Техническая документация Строительство Справочные документы Типовые строительные конструкции, изделия и узлы Общероссийский строительный каталог Промышленные предприятия, здания и сооружения Предприятия, здания и сооружения складские Склады строительных материалов и изделий
Типовой проект 503-7-14.88Типовой проект 503-7-14.88Типовой проект 503-7-14.88Типовой проект 503-7-14.88Типовой проект 503-7-14.88Типовой проект 503-7-14.88Типовой проект 503-7-14.88Типовой проект 503-7-14.88Типовой проект 503-7-14.88Типовой проект 503-7-14.88Типовой проект 503-7-14.88Типовой проект 503-7-14.88Типовой проект 503-7-14.88Типовой проект 503-7-14.88Типовой проект 503-7-14.88Типовой проект 503-7-14.88Типовой проект 503-7-14.88Типовой проект 503-7-14.88Типовой проект 503-7-14.88Типовой проект 503-7-14.88Типовой проект 503-7-14.88Типовой проект 503-7-14.88Типовой проект 503-7-14.88Типовой проект 503-7-14.88Типовой проект 503-7-14.88Типовой проект 503-7-14.88Типовой проект 503-7-14.88Типовой проект 503-7-14.88Типовой проект 503-7-14.88Типовой проект 503-7-14.88Типовой проект 503-7-14.88Типовой проект 503-7-14.88Типовой проект 503-7-14.88Типовой проект 503-7-14.88Типовой проект 503-7-14.88Типовой проект 503-7-14.88Типовой проект 503-7-14.88Типовой проект 503-7-14.88Типовой проект 503-7-14.88Типовой проект 503-7-14.88Типовой проект 503-7-14.88Типовой проект 503-7-14.88Типовой проект 503-7-14.88Типовой проект 503-7-14.88Типовой проект 503-7-14.88Типовой проект 503-7-14.88Типовой проект 503-7-14.88Типовой проект 503-7-14.88Типовой проект 503-7-14.88Типовой проект 503-7-14.88Типовой проект 503-7-14.88Типовой проект 503-7-14.88Типовой проект 503-7-14.88Типовой проект 503-7-14.88Типовой проект 503-7-14.88Типовой проект 503-7-14.88Типовой проект 503-7-14.88Типовой проект 503-7-14.88Типовой проект 503-7-14.88Типовой проект 503-7-14.88Типовой проект 503-7-14.88Типовой проект 503-7-14.88Типовой проект 503-7-14.88

© 2013 Ёшкин Кот :-) Карта сайта