Информационная система
«Ёшкин Кот»

Скачать базу одним архивом
Скачать обновления
История создания базы
Карта сайта

Скачать Серия ОВ-03-31 Бойлерные установки для центральных систем горячего водоснабжения. Пароводяные подогревательные агрегаты. Рабочие чертежи

Дата актуализации: 10.08.2017

Серия ОВ-03-31

Бойлерные установки для центральных систем горячего водоснабжения. Пароводяные подогревательные агрегаты. Рабочие чертежи

Обозначение: Серия ОВ-03-31
Обозначение англ: Series ОВ-03-31
Статус:не действует
Название рус.:Бойлерные установки для центральных систем горячего водоснабжения. Пароводяные подогревательные агрегаты. Рабочие чертежи
Дата добавления в базу:01.09.2013
Дата актуализации:05.05.2017
Дата введения:01.07.1987
Оглавление:Титульный лист
Содержание альбома
Пояснительная записка
Пароводяной подогревательный агрегат поверхностью нагрева 1,37 кв. м (Общий вид)
Пароводяной подогревательный агрегат поверхностью нагрева 1,37 кв. м (Узлы)
Пароводяной подогревательный агрегат поверхностью нагрева 1,37; 2,09; 3,41 кв. м (Детали)
Пароводяной подогревательный агрегат поверхностью нагрева 1,37 кв. м (Детали)
Пароводяной подогревательный агрегат поверхностью нагрева 1,37; 3,41; 4,93 кв. м (Линия конденсата)
Пароводяной подогревательный агрегат поверхностью нагрева 1,37 кв. м (Выход воды)
Пароводяной подогревательный агрегат поверхностью нагрева 1,37 кв. м (Рама)
Пароводяной подогревательный агрегат поверхностью нагрева 1,37 кв. м (Присоединение регулятора)
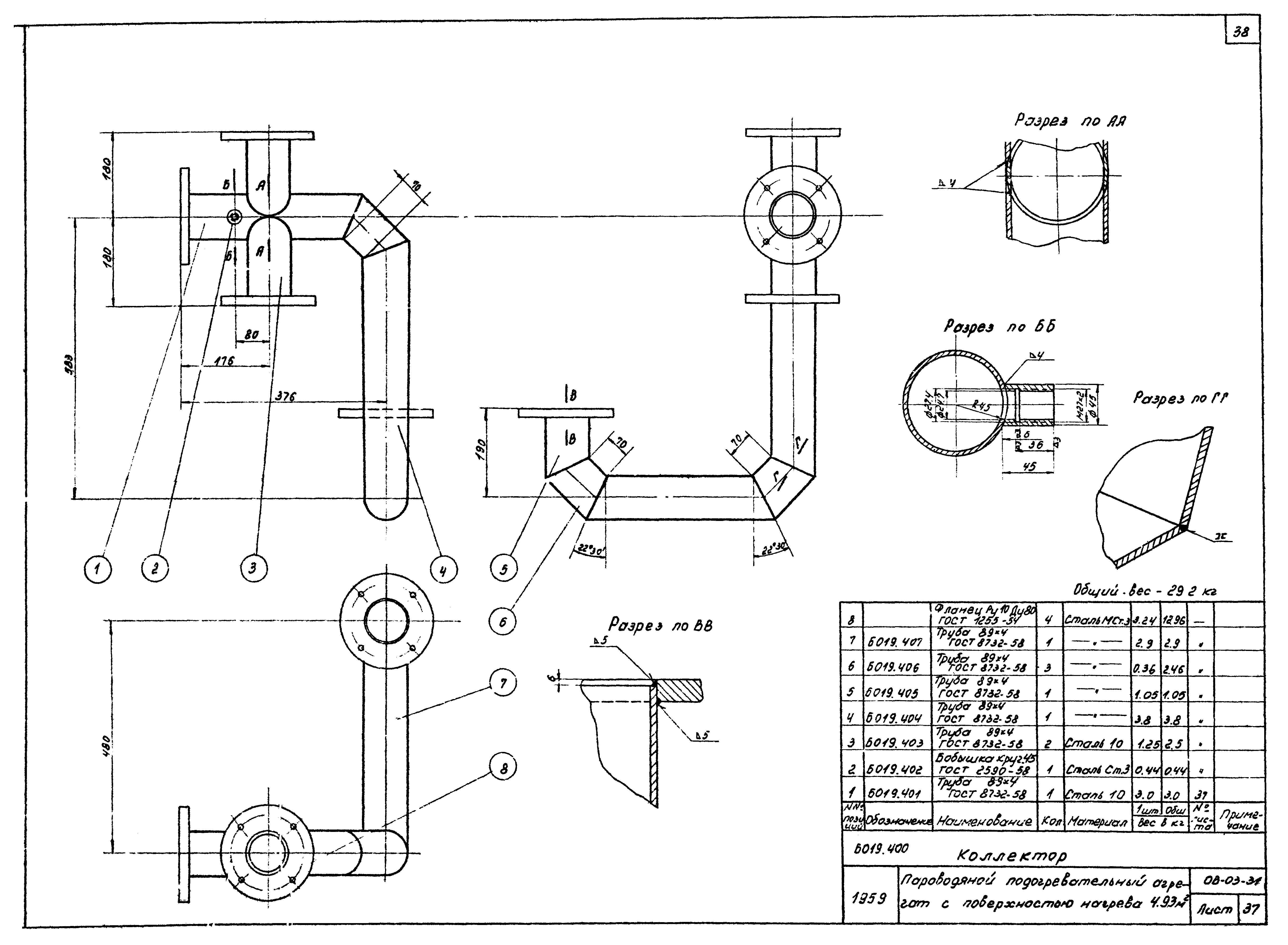
Пароводяной подогревательный агрегат поверхностью нагрева 1,37 кв. м (Коллектор)
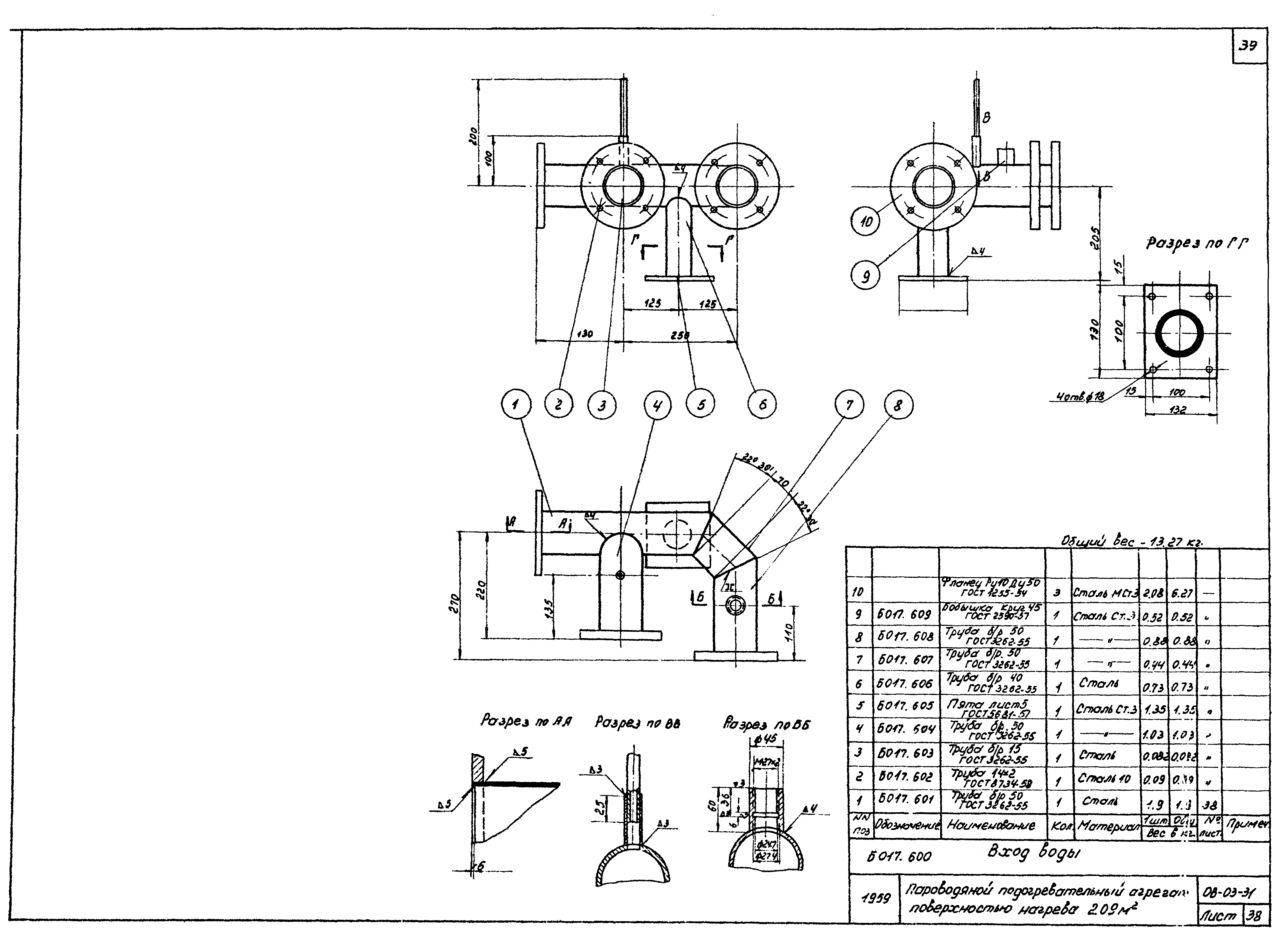
Пароводяной подогревательный агрегат поверхностью нагрева 1,37 кв. м (Вход воды)
Пароводяной подогревательный агрегат поверхностью нагрева 1,37 кв. м (Детали)
Пароводяные подогревательные агрегаты поверхностью нагрева 2,09; 3,41; 4,93 кв. м (Общий вид)
Пароводяной подогревательный агрегат поверхностью нагрева 2,09 кв. м (Общий вид)
Пароводяной подогревательный агрегат поверхностью нагрева 3,41 кв. м (Общий вид)
Пароводяной подогревательный агрегат поверхностью нагрева 4,93 кв. м (Общий вид)
Пароводяной подогревательный агрегат поверхностью нагрева 2,09 кв. м (Выход воды)
Пароводяной подогревательный агрегат поверхностью нагрева 4,93 кв. м (Выход воды)
Пароводяные подогревательные агрегаты поверхностью нагрева 2,09; 3,41; 4,93 кв. м (Рама)
Пароводяной подогревательный агрегат поверхностью нагрева 2,09 кв. м (Присоединение регулятора)
Пароводяной подогревательный агрегат поверхностью нагрева 3,41 кв. м (Присоединение регулятора)
Пароводяной подогревательный агрегат поверхностью нагрева 4,93 кв. м (Присоединение регулятора)
Пароводяные подогревательные агрегаты поверхностью нагрева 2,09; 4,93 кв. м (Узлы)
Пароводяной подогревательный агрегат поверхностью нагрева 4,93 кв. м (Узлы)
Пароводяной подогревательный агрегат поверхностью нагрева 2,09 кв. м (Коллектор)
Пароводяной подогревательный агрегат поверхностью нагрева 4,93 кв. м (Коллектор)
Пароводяной подогревательный агрегат поверхностью нагрева 4,93 кв. м (Детали)
Пароводяной подогревательный агрегат поверхностью нагрева 2,09 кв. м (Коллектор)
Пароводяной подогревательный агрегат поверхностью нагрева 4,93 кв. м (Коллектор)
Пароводяной подогревательный агрегат поверхностью нагрева 2,09 кв. м (Вход воды)
Виброизолирующее основание для насоса типа 1 1/2 К-6б
Теплотехнический контроль и автоматическое регулирование
Противокоррозионная установка с магномассовыми фильтрами Дв = 1000 мм
Разработан: Сантехпроект Госстроя СССР
Утверждён:12.12.1959 ГПИ Сантехпроект (445)
Расположен в:Техническая документация Строительство Справочные документы Типовые строительные конструкции, изделия и узлы Общероссийский строительный каталог Строительные конструкции, изделия и узлы зданий и сооружений для всех видов строительства Инженерное оборудование Инженерное оборудование; изделия и узлы инженерного оборудования зданий и сооружений Теплоснабжение Водоподогреватели, баки, воздухосборники
Серия ОВ-03-31Серия ОВ-03-31Серия ОВ-03-31Серия ОВ-03-31Серия ОВ-03-31Серия ОВ-03-31Серия ОВ-03-31Серия ОВ-03-31Серия ОВ-03-31Серия ОВ-03-31Серия ОВ-03-31Серия ОВ-03-31Серия ОВ-03-31Серия ОВ-03-31Серия ОВ-03-31Серия ОВ-03-31Серия ОВ-03-31Серия ОВ-03-31Серия ОВ-03-31Серия ОВ-03-31Серия ОВ-03-31Серия ОВ-03-31Серия ОВ-03-31Серия ОВ-03-31Серия ОВ-03-31Серия ОВ-03-31Серия ОВ-03-31Серия ОВ-03-31Серия ОВ-03-31Серия ОВ-03-31Серия ОВ-03-31Серия ОВ-03-31Серия ОВ-03-31Серия ОВ-03-31Серия ОВ-03-31Серия ОВ-03-31Серия ОВ-03-31Серия ОВ-03-31Серия ОВ-03-31Серия ОВ-03-31Серия ОВ-03-31Серия ОВ-03-31Серия ОВ-03-31Серия ОВ-03-31Серия ОВ-03-31Серия ОВ-03-31Серия ОВ-03-31Серия ОВ-03-31Серия ОВ-03-31Серия ОВ-03-31Серия ОВ-03-31

© 2013 Ёшкин Кот :-) Карта сайта