| ||||||||||||||||||||||||||||||
Скачать Серия ИИ-04-15 Выпуск 0-1. Указания по применению изделий. Монтажные узлыДата актуализации: 10.08.2017
|
| Обозначение: | Серия ИИ-04-15 |
| Обозначение англ: | Series ИИ-04-15 |
| Статус: | не действует |
| Название рус.: | Выпуск 0-1. Указания по применению изделий. Монтажные узлы |
| Дата добавления в базу: | 01.09.2013 |
| Дата актуализации: | 05.05.2017 |
| Дата введения: | 01.01.1977 |
| Дата окончания срока действия: | 01.04.1981 |
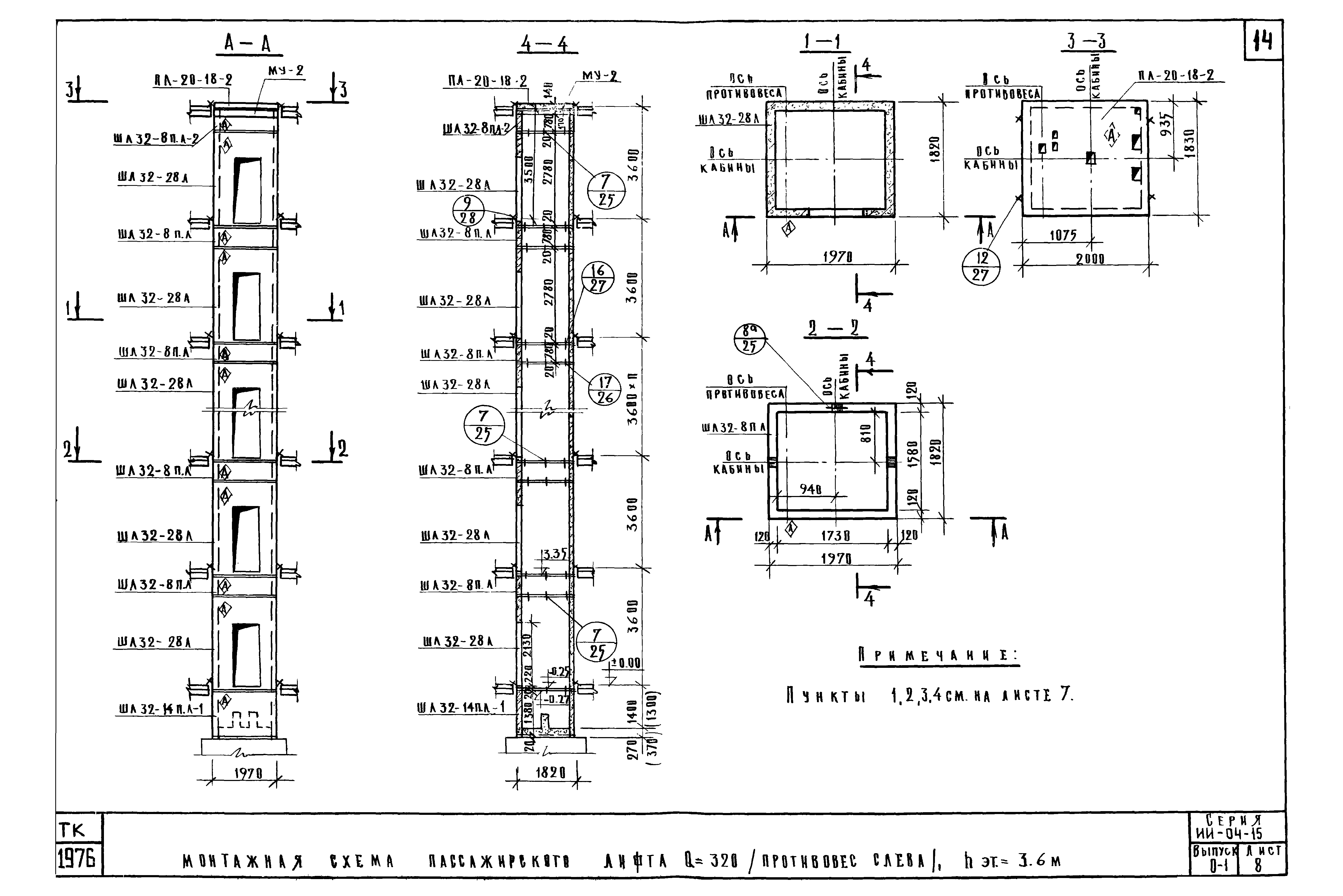
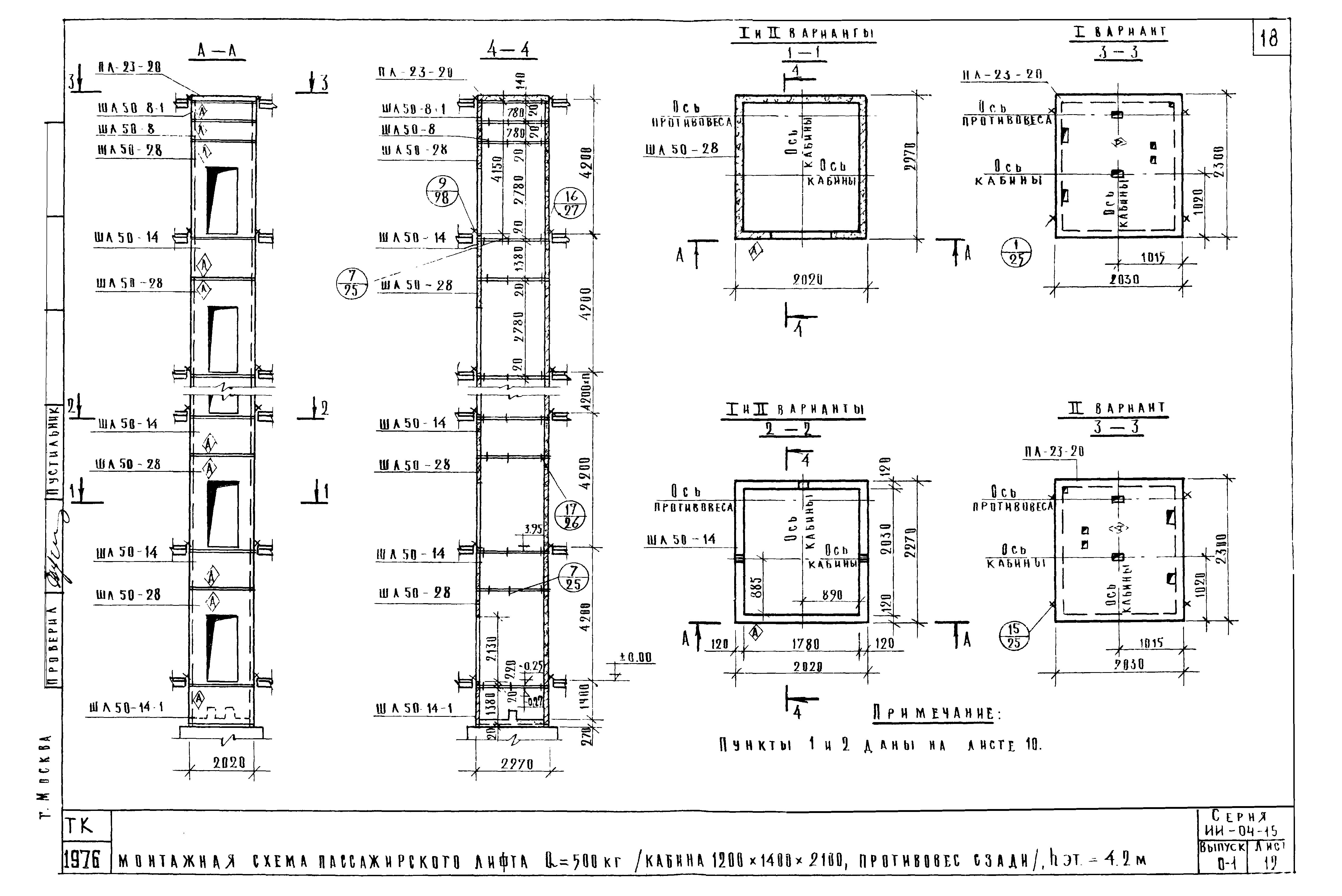
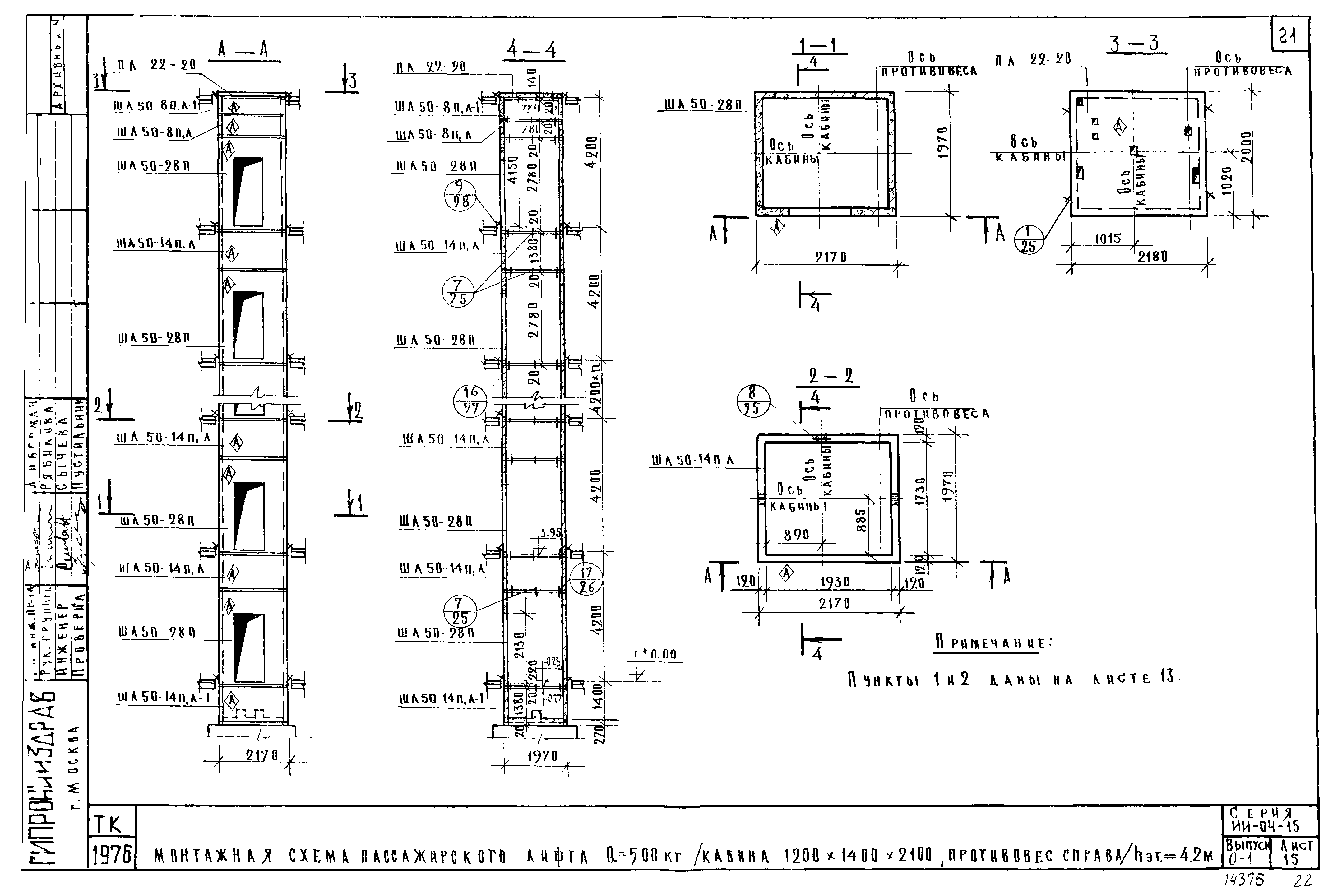
| Оглавление: | Содержание Пояснительная записка Монтажная схема пассажирского лифта Q = 320 кг (противовес сзади), h этажа = 3,3 м Монтажная схема пассажирского лифта Q = 320 кг (противовес сзади), h этажа = 3,6 м Монтажная схема пассажирского лифта Q = 320 кг (противовес сзади), h этажа = 4,2 м Монтажная схема пассажирского лифта Q = 320 кг (противовес справа), h этажа = 3,3 м Монтажная схема пассажирского лифта Q = 320 кг (противовес справа), h этажа = 3,6 м Монтажная схема пассажирского лифта Q = 320 кг (противовес справа), h этажа = 4,2 м Монтажная схема пассажирского лифта Q = 320 кг (противовес слева), h этажа = 3,3 м Монтажная схема пассажирского лифта Q = 320 кг (противовес слева), h этажа = 3,6 м Монтажная схема пассажирского лифта Q = 320 кг (противовес слева), h этажа = 4,2 м Монтажная схема пассажирского лифта Q = 500 кг (кабина 1200х1400х2100, противовес сзади), h этажа = 3,3 м Монтажная схема пассажирского лифта Q = 500 кг (кабина 1200х1400х2100, противовес сзади), h этажа = 3,6 м Монтажная схема пассажирского лифта Q = 500 кг (кабина 1200х1400х2100, противовес сзади), h этажа = 4,2 м Монтажная схема пассажирского лифта Q = 500 кг (кабина 1200х1400х2100, противовес справа), h этажа = 3,3 м Монтажная схема пассажирского лифта Q = 500 кг (кабина 1200х1400х2100, противовес справа), h этажа = 3,6 м Монтажная схема пассажирского лифта Q = 500 кг (кабина 1200х1400х2100, противовес справа), h этажа = 4,2 м Монтажная схема пассажирского лифта Q = 500 кг (кабина 1200х1400х2100, противовес слева), h этажа = 3,3 м Монтажная схема пассажирского лифта Q = 500 кг (кабина 1200х1400х2100, противовес слева), h этажа = 3,6 м Монтажная схема пассажирского лифта Q = 500 кг (кабина 1200х1400х2100, противовес слева), h этажа = 4,2 м Монтажная схема больничного лифта Q = 500 кг (кабина 1500х2500х2100, противовес справа), h этажа = 3,3 м Монтажная схема больничного лифта Q = 500 кг (кабина 1500х2500х2100, противовес справа), h этажа = 3,6 м Монтажная схема больничного лифта Q = 500 кг (кабина 1500х2500х2100, противовес справа), h этажа = 4,2 м Монтажная схема больничного лифта Q = 500 кг (кабина 1500х2500х2100, противовес слева), h этажа = 3,3 м Монтажная схема больничного лифта Q = 500 кг (кабина 1500х2500х2100, противовес слева), h этажа = 3,6 м Монтажная схема больничного лифта Q = 500 кг (кабина 1500х2500х2100, противовес слева), h этажа = 4,2 м Узлы 1, 2, 7, 8, 8а, 13, 15 Узлы 3, 4, 10, 11, 17 Узлы 5, 6, 12, 14, 16 Узлы крепления лифтовых шахт к перекрытиям Монолитные железобетонные участки МУ-1, МУ-2 Монолитные железобетонные участки МУ-3, МУ-4 Монолитный железобетонный участок МУ-5 |
| Разработан: | ГипроНИИздрав Минздрава СССР |
| Утверждён: | 30.11.1976 Госгражданстрой (Gosgrazhdanstroy 257) |
| Расположен в: | |
| Чем заменён: |






































