Скачать Типовой проект 254-3-27 Альбом VI. Узлы. Узлы общестроительных решений, монтажные узлы и детали санитарно-техническиеДата актуализации: 10.08.2017 Типовой проект 254-3-27
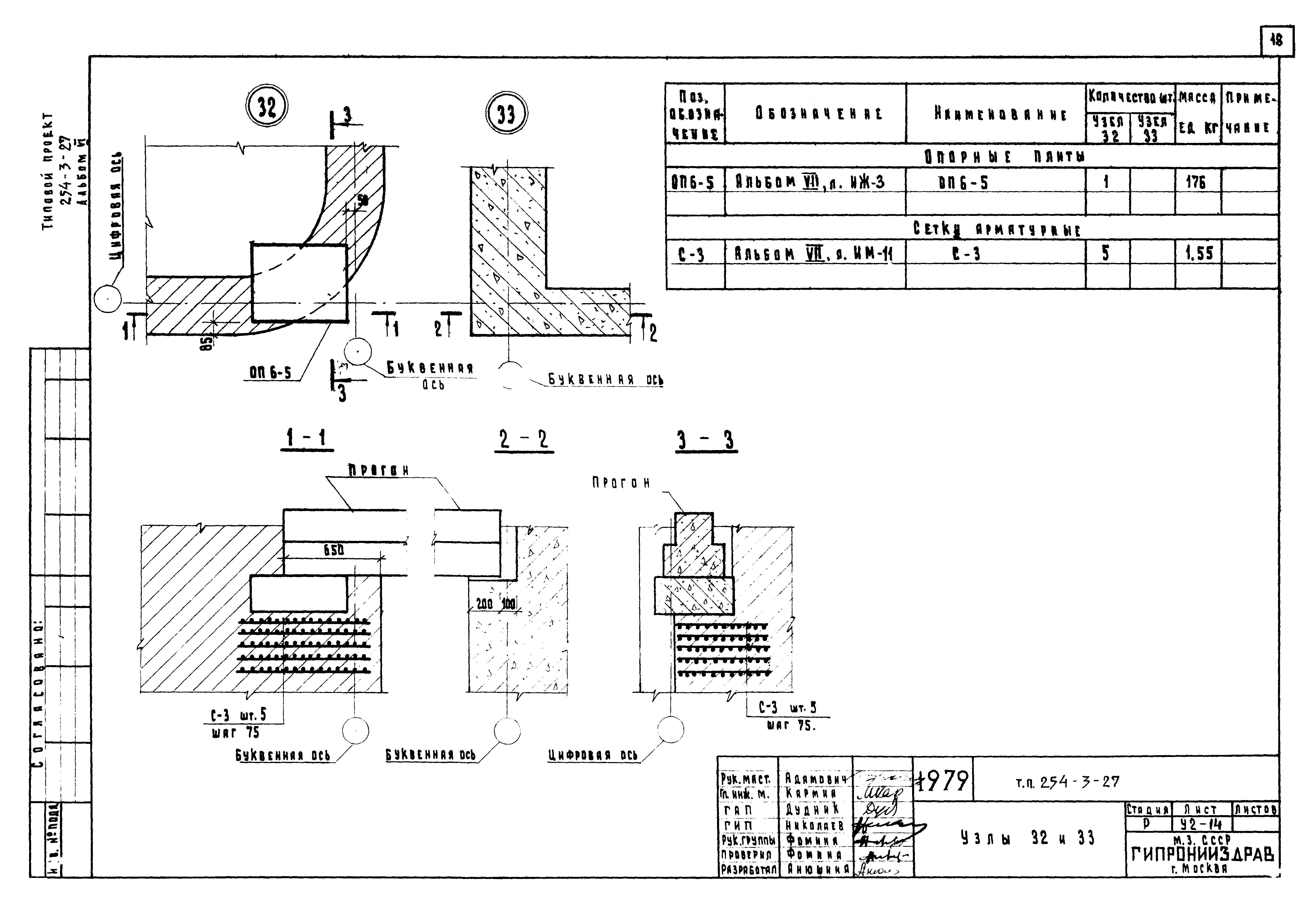
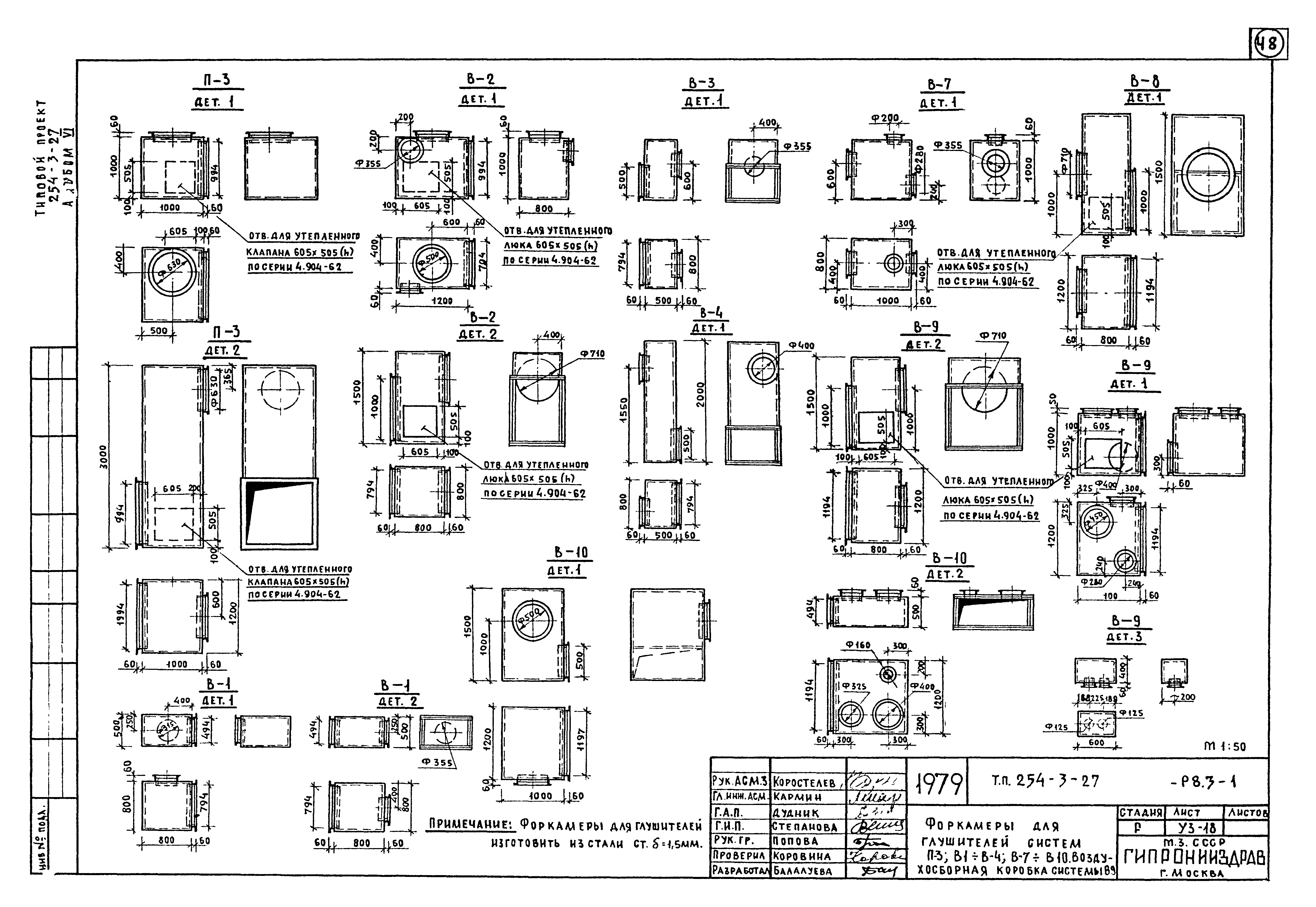
Альбом VI. Узлы. Узлы общестроительных решений, монтажные узлы и детали санитарно-техническиеОбозначение: | Типовой проект 254-3-27 | Обозначение англ: | 254-3-27 | Статус: | не определен законодательством | Название рус.: | Альбом VI. Узлы. Узлы общестроительных решений, монтажные узлы и детали санитарно-технические | Дата добавления в базу: | 01.09.2013 | Дата актуализации: | 05.05.2017 | Дата введения: | 30.06.2003 | Оглавление: | Обложка Титульный лист Содержание альбома VI Чертежи основного комплекта Р8.2-1 Заглавный лист Узлы 1 и 2 Узлы 3 и 4 Узлы 5 и 6 Узлы 7 и 8 Узлы 9 и 10 Узлы 11 и 12 Узлы 13 и 14 Узлы 15 и 16 Узлы 17 - 19; 25 - 29 Узлы 20, 21 Узлы 22, 23, 24 Узлы 30, 31 Узлы 32, 33 Узел 34 Узлы 35 и 36 Узлы 37, 38 Узел 39 Узел 40 Вентиляционные шахты №1, 2, 3 Металлический зонт над вентшахтами №1, 2, 3 Установка фундаментных плит под вентиляторы Щиты деревянные Щ-1, Щ-2 Люк монтажный 800х800 Люк монтажный 1200х800 Чертежи основного комплекта Р8.3-1 Ведомость чертежей комплекта Р8.3-1 Железобетонные отопительные панели. Указания по изготовлению Железобетонные отопительные панели. Указания по монтажу и установке Железобетонные отопительные панели со сварными регистрами. Технические данные при двухтрубной системе отопления Железобетонные отопительные панели со сварными регистрами. Подоконная панель ПГ-1,0; ПГ-1,5; ПГ-2,0; ПГ-2,5; ПГ-3,0 Железобетонные отопительные панели со сварными регистрами. Перегородочная панель ПВ-0,8; ПВ-1,3; ПВ-2,4 Железобетонные отопительные панели со сварными регистрами. Перегородочная панель ПВ-1,3; ПВ-0,8; ПВ-2,4. Деталь Д-3 Железобетонные отопительные панели со сварными регистрами. Установка подоконной отопительной панели ПГ при двухтрубной системе отопления у наружной стены Железобетонные отопительные панели со сварными регистрами. Узлы I и II Железобетонные отопительные панели со сварными регистрами. Детали Д-1 и Д-2 Воздухосборники. Общий вид Гильзы и вставки для технических термометров Скобы и упоры для неподвижных опор под трубопроводы ДУ15 - 150 Воздухоприемная коробка с герметическим люком Размещение лючков для измерения давления воздушных потоков систем вентиляции. Конструкция лючков. Спецификации Звено асбестоцементных воздуховодов. План. Узлы I, II. Спецификация Звено асбестоцементных воздуховодов. Примечания. Узел III Форкамеры для глушителей систем П1, П2 Форкамеры для глушителей систем П3, В1, В4, В7 - В10. Воздухосборная коробка системы В9 | Разработан: | ГипроНИИздрав Минздрава СССР
| Утверждён: | 17.12.1977 Министерство здравоохранения СССР (USSR Ministry of Health Care 1112)
| Расположен в: |
|
                                              
|