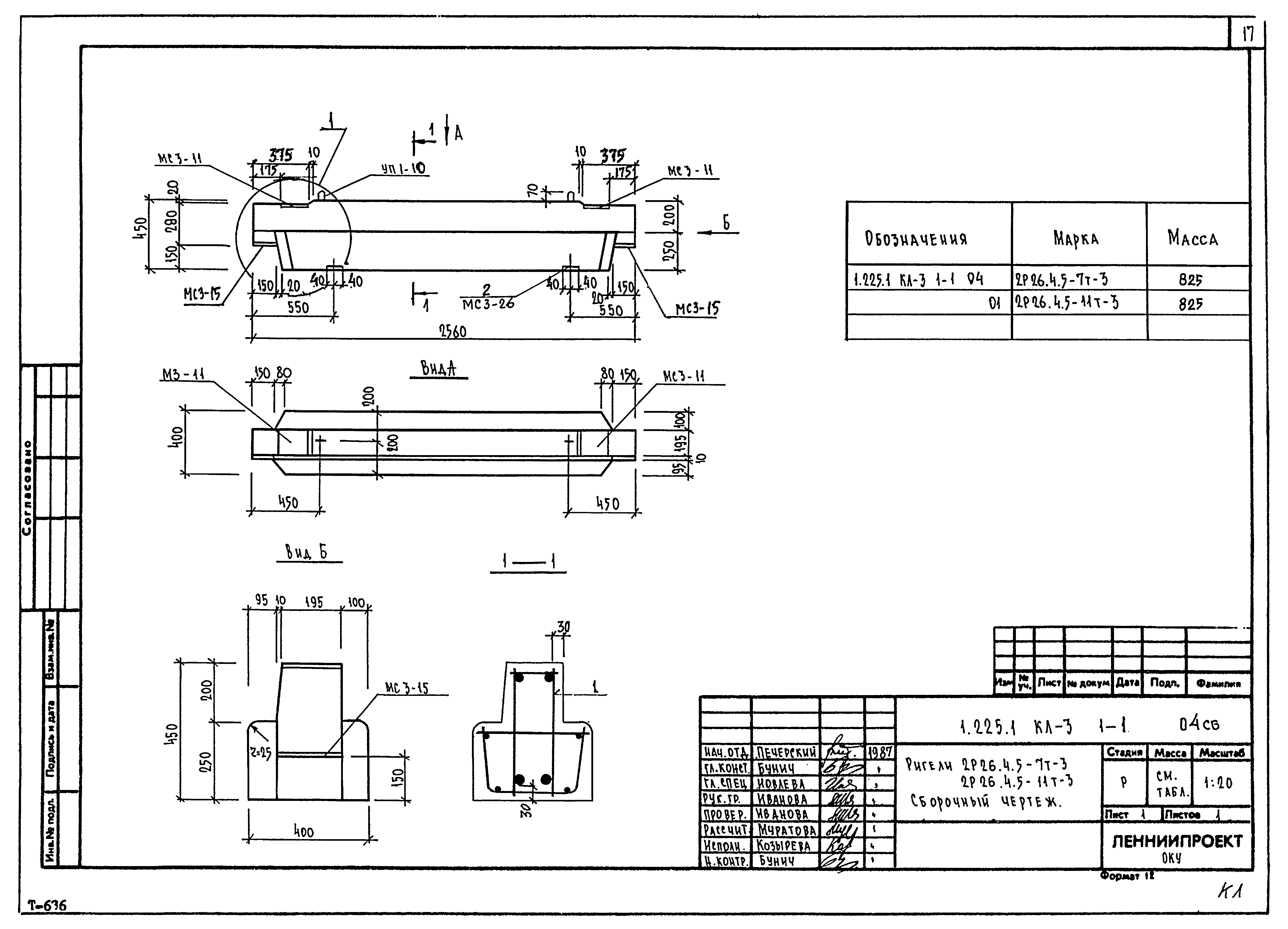
Скачать Серия 1.225.1 КЛ-3 Выпуск 1-1. Ригели длиной 2560; 3760; 4060 мм с нагрузками 7,2; 11,0 тс/м с арматурной из стали класса АIIIДата актуализации: 10.08.2017 Серия 1.225.1 КЛ-3
Выпуск 1-1. Ригели длиной 2560; 3760; 4060 мм с нагрузками 7,2; 11,0 тс/м с арматурной из стали класса АIIIОбозначение: | Серия 1.225.1 КЛ-3 | Обозначение англ: | Series 1.225.1 КЛ-3 | Статус: | действует | Название рус.: | Выпуск 1-1. Ригели длиной 2560; 3760; 4060 мм с нагрузками 7,2; 11,0 тс/м с арматурной из стали класса АIII | Дата добавления в базу: | 01.09.2013 | Дата актуализации: | 05.05.2017 | Разработан: | Ленниипроект
| Утверждён: | 18.06.1987 Ленниипроект (52-у)
| Расположен в: |
|
                                  
|