Информационная система
«Ёшкин Кот»

Скачать базу одним архивом
Скачать обновления
История создания базы
Карта сайта

Скачать Типовой проект 816-178 Альбом II. Электротехническая часть

Дата актуализации: 10.08.2017

Типовой проект 816-178

Альбом II. Электротехническая часть

Обозначение: Типовой проект 816-178
Обозначение англ: 816-178
Статус:действует
Название рус.:Альбом II. Электротехническая часть
Дата добавления в базу:01.09.2013
Дата актуализации:05.05.2017
Дата введения:01.11.1975
Оглавление:Титульный лист
Перечень листов
Электроснабжение
   Заглавный лист, общие примечания, спецификация, условные обозначения, перечень листов марки "ЭС" и "ЭС-О"
   План расположения оборудования ТП в осях 1-2; Б-Б/2; разрезы I-I; II-II. План контура заземления ТП М1:400
   Опросные листы на камеры КСО-366 и на КТП-400 6/10/1.4/0.23 кВ-111
Электрооборудование
   Заглавный лист. Общие примечания и перечень листов марки "ЭЛ"
   План магистральных сетей, троллейных линий и контура заземления М1:200
   Расчетная схема сети электроосвещения ЩО-4
   План сети электроосвещения на отм. 4.300 в осях 1-2, А-В, на отм. 3.600 в осях 12-13, А-Б. Расчетные схемы сети электроосвещения ЩО-1, ЩО-2, ЩО-3, ЩАО
   Спецификация сети электроосвещения
   План сети силового электрооборудования в осях Б - В; 1 - 7
   План сети силового электрооборудования в осях Б - В; 7 - 13
   План сети силового электрооборудования в осях А - Б; 1 - 7, в осях А - Б; 1 - 2 на отм. 3.600
   План сети силового электрооборудования в осях А - Б; 7 - 13, в осях 12 - 13; А - Б на отм. 3.600
   Расчетная схема сети силового электрооборудования ШР-1
   Расчетные схемы сети силового электрооборудования ШР-2; ШР-9
   Расчетная схема сети силового электрооборудования ШР-3, токоприемников №149 - 152
   Расчетная схема сети силового электрооборудования ШР-4
   Расчетные схемы сети силового электрооборудования ШР-8, ШР-5
   Расчетные схемы сети силового электрооборудования ШР-6, ШР-7
   Расчетная схема сети силового электрооборудования ШР-10
   Спецификация на основные материалы и оборудование сети силового электрооборудования
   Грозозащита М1:200
Связь и сигнализация
   Заглавный лист. Примечания. Условные обозначения и спецификация
   План сетей слаботочных устройств на отм. 0.000
Автоматизация
   Общие пояснения и перечень листов марки "АВ"
   Ворота. Принципиальная электрическая схема
   Ворота. Щит управления 1ЩУВ. Общий вид
   Ворота. Щит управления 1ЩУВ. Монтажно-коммутационная схема
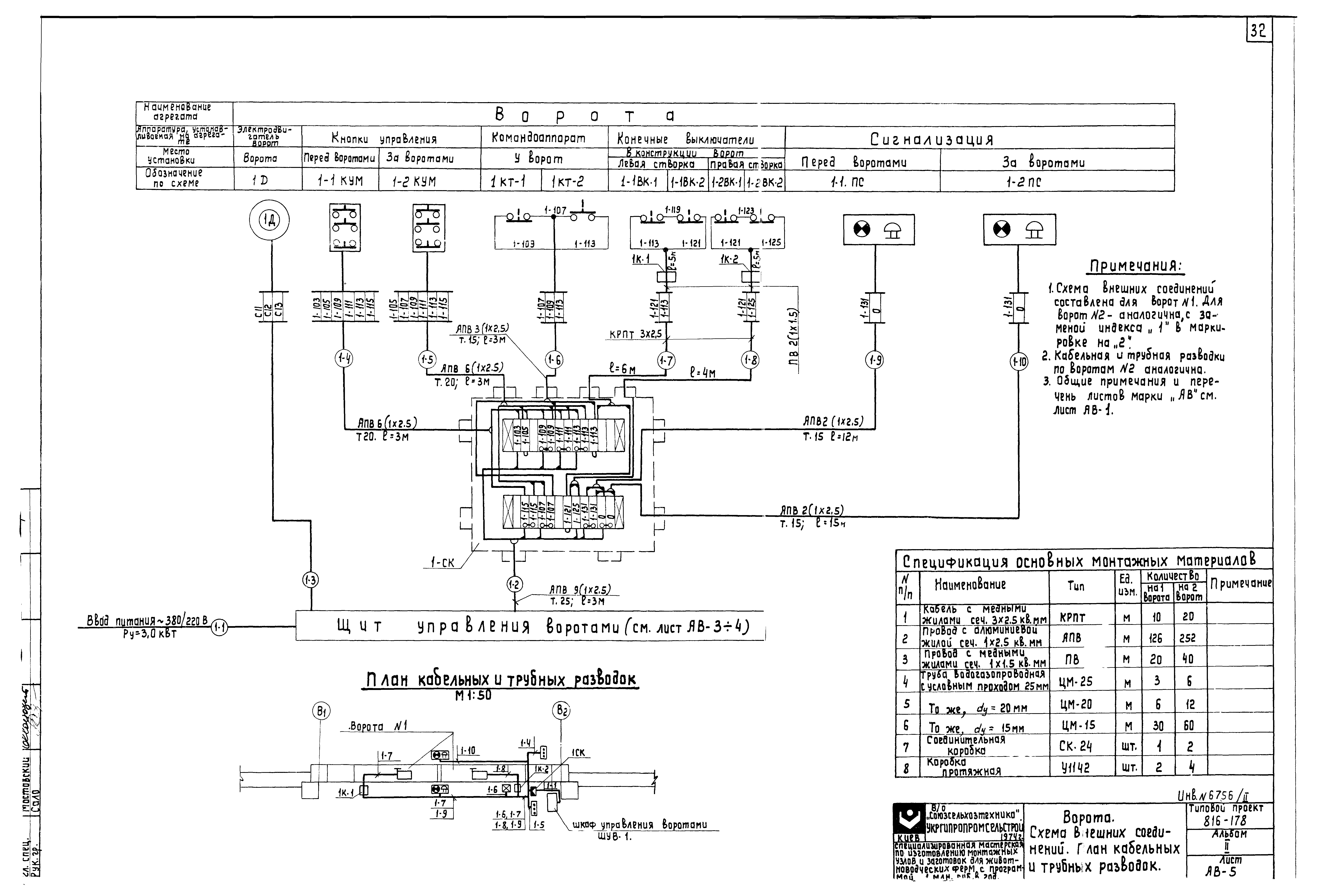
   Ворота. Схема внешних соединений. План кабельных и трубных разводок
   Отопительные агрегаты. Принципиальная технологическая схема автоматизации и электрическая схема управления
   Отопительные агрегаты. Щит управления 1ЩУО. Общий вид и МКС. Схема внешних соединений
   Приточные системы. Принципиальная технологическая схема автоматизации ПС-1
   Приточные системы. Принципиальная электрическая схема управления приточным вентилятором ПС-1
   Приточные системы. Принципиальная электрическая схема регулирования температуры ПС-1
   Приточные системы. Щит управления 1ЩУП. Общий вид
   Приточные системы. Щит управления 1ЩУП. Монтажно-коммутационная схема
   Приточные системы. Схема внешних соединений ПС-1
   Компрессорная. Принципиальная технологическая схема автоматизации и принципиальная электрическая схема управления
   Компрессорная. Щит управления компрессором 1ЩУ. Общий вид
   Компрессорная. Щит управления компрессором 1ЩУ. Монтажно-коммутационная схема
   Компрессорная. Схема внешних соединений
   Линия окраски. Принципиальная электрическая схема управления
   Линия окраски. Щит управления ЩЛО. Общий вид
   Линия окраски. Щит управления ЩЛО. Монтажно-коммутационная схема
   Линия окраски. Схема внешних соединений
   Принципиальная электрическая схема и шкаф управления блокируемыми механизмами
   Кабельный журнал
   Планы кабельных и трубных разводок на отм. 0.000, 3.000 и 4.200
   Сводная спецификация
   Принципиальная электрическая схема и схема внешних соединений управления пожарной задвижкой (для варианта мастерской в облегченных конструкциях)
   Щит управления пожарной задвижкой. Общий вид. Монтажно-коммутационная схема (для варианта мастерской в облегченных конструкциях)
Разработан: Укргипропромсельстрой
Утверждён:29.01.1975 Союзсельхозтехника (1)
Расположен в:Техническая документация Строительство Справочные документы Типовые строительные конструкции, изделия и узлы Общероссийский строительный каталог Сельскохозяйственные предприятия, здания и сооружения Предприятия, здания и сооружения по ремонту, техническому обслуживанию, хранению и обеспечению горюче-смазочными материалами сельхозтехники Мастерские отделений хозяйств
Типовой проект 816-178Типовой проект 816-178Типовой проект 816-178Типовой проект 816-178Типовой проект 816-178Типовой проект 816-178Типовой проект 816-178Типовой проект 816-178Типовой проект 816-178Типовой проект 816-178Типовой проект 816-178Типовой проект 816-178Типовой проект 816-178Типовой проект 816-178Типовой проект 816-178Типовой проект 816-178Типовой проект 816-178Типовой проект 816-178Типовой проект 816-178Типовой проект 816-178Типовой проект 816-178Типовой проект 816-178Типовой проект 816-178Типовой проект 816-178Типовой проект 816-178Типовой проект 816-178Типовой проект 816-178Типовой проект 816-178Типовой проект 816-178Типовой проект 816-178Типовой проект 816-178Типовой проект 816-178Типовой проект 816-178Типовой проект 816-178Типовой проект 816-178Типовой проект 816-178Типовой проект 816-178Типовой проект 816-178Типовой проект 816-178Типовой проект 816-178Типовой проект 816-178Типовой проект 816-178Типовой проект 816-178Типовой проект 816-178Типовой проект 816-178Типовой проект 816-178Типовой проект 816-178Типовой проект 816-178Типовой проект 816-178Типовой проект 816-178Типовой проект 816-178Типовой проект 816-178Типовой проект 816-178Типовой проект 816-178Типовой проект 816-178Типовой проект 816-178Типовой проект 816-178Типовой проект 816-178Типовой проект 816-178

© 2013 Ёшкин Кот :-) Карта сайта