Информационная система
«Ёшкин Кот»

Скачать базу одним архивом
Скачать обновления
История создания базы
Карта сайта

Скачать Типовой проект 801-2-17 Альбом II. Технологические чертежи. Внутренние водопровод и канализация. Отопление и вентиляция. Электротехнические чертежи. Автоматизация отопления и вентиляции. Связь и сигнализация

Дата актуализации: 10.08.2017

Типовой проект 801-2-17

Альбом II. Технологические чертежи. Внутренние водопровод и канализация. Отопление и вентиляция. Электротехнические чертежи. Автоматизация отопления и вентиляции. Связь и сигнализация

Обозначение: Типовой проект 801-2-17
Обозначение англ: 801-2-17
Статус:действует
Название рус.:Альбом II. Технологические чертежи. Внутренние водопровод и канализация. Отопление и вентиляция. Электротехнические чертежи. Автоматизация отопления и вентиляции. Связь и сигнализация
Дата добавления в базу:01.09.2013
Дата актуализации:05.05.2017
Дата введения:15.05.1981
Оглавление:Содержание
Основной комплект марки ТХ
   Общие данные
   Размещение технологического оборудования. План. Разрез (вариант со стоечно-балочным каркасом)
   Размещение технологического оборудования. Разрезы. Узлы (вариант со стоечно-балочным каркасом)
   Размещение технологического оборудования. План. Разрез (вариант с рамным каркасом)
   Размещение технологического оборудования. Разрезы. Узлы (вариант с рамным каркасом)
Основной комплект марки ВК
   Общие данные
   План на отм. 0.000. Схемы систем ВО, Т31
Основной комплект марки ОВ
   Общие данные
   План на отм. 0.000. Разрез 1-1
   Схемы систем П1, П2. Схемы системы теплоснабжения установок П1, П2, узлов управления
   Установка системы П1
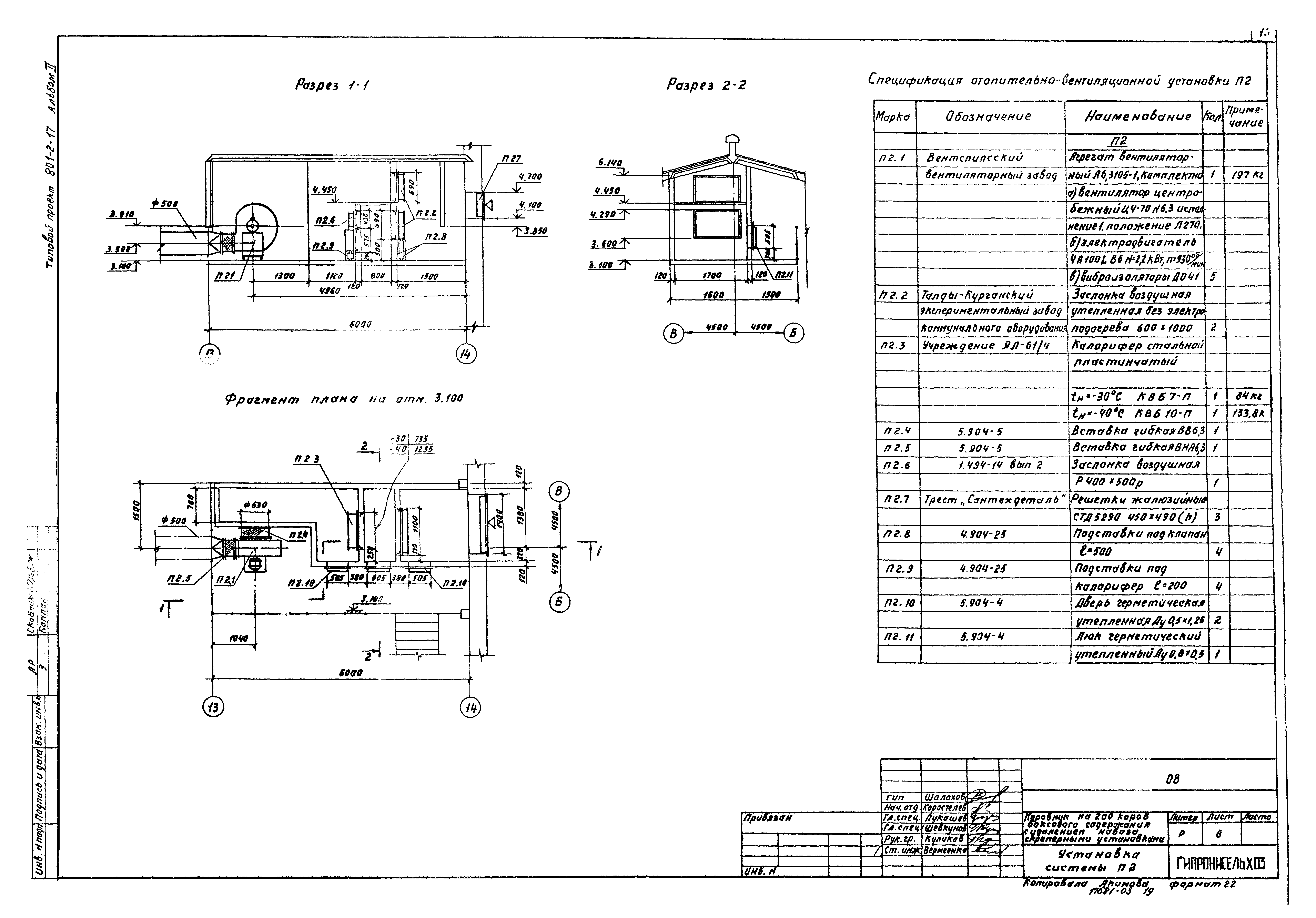
   Установка системы П2
   Узлы крепления воздуховода из полиэтиленовой пленки
   Детали воздуховода из полиэтиленовой пленки
Основной комплект марки Э (для tн = минус 16 градусов Цельсия)
   Общие данные
   План электросети. Расчетная схема электросети 380/220 В
Основной комплект марки Э (для tн = минус 30, минус 40 градусов Цельсия)
   Общие данные
   План электросети. Расчетная схема электросети 380/220 В
Основной комплект марки АОВ
   Общие данные
   Приточные системы П1 и П2. Схемы функциональная и электрическая принципиальная
   Приточные системы П1 и П2. Схема внешних проводок. План расположения на отм. 3.100
Основной комплект марки СС
   Общие данные. План с сетями связи
Разработан: ГипроНИсельхоз (Институт Гипронисельхоз )
Утверждён:21.04.1981 Минсельхоз СССР (USSR Minselkhoz 32)
Расположен в:Техническая документация Строительство Справочные документы Типовые строительные конструкции, изделия и узлы Общероссийский строительный каталог Сельскохозяйственные предприятия, здания и сооружения Предприятия, здания и сооружения для крупного рогатого скота Здания и сооружения Производство молока и выращивание нетелей Коровники
Типовой проект 801-2-17Типовой проект 801-2-17Типовой проект 801-2-17Типовой проект 801-2-17Типовой проект 801-2-17Типовой проект 801-2-17Типовой проект 801-2-17Типовой проект 801-2-17Типовой проект 801-2-17Типовой проект 801-2-17Типовой проект 801-2-17Типовой проект 801-2-17Типовой проект 801-2-17Типовой проект 801-2-17Типовой проект 801-2-17Типовой проект 801-2-17Типовой проект 801-2-17Типовой проект 801-2-17Типовой проект 801-2-17Типовой проект 801-2-17Типовой проект 801-2-17Типовой проект 801-2-17Типовой проект 801-2-17Типовой проект 801-2-17Типовой проект 801-2-17Типовой проект 801-2-17Типовой проект 801-2-17Типовой проект 801-2-17Типовой проект 801-2-17Типовой проект 801-2-17Типовой проект 801-2-17Типовой проект 801-2-17

© 2013 Ёшкин Кот :-) Карта сайта