Скачать Типовые материалы для проектирования 407-03-415.86 Альбом VII. Релейная защита, управление и автоматика КТПБ по схеме 110-5. Сторона 110 кВ. Дистанционная защита ЭП3-1636 (на выпрямленном оперативном токе)Дата актуализации: 10.08.2017 Типовые материалы для проектирования 407-03-415.86
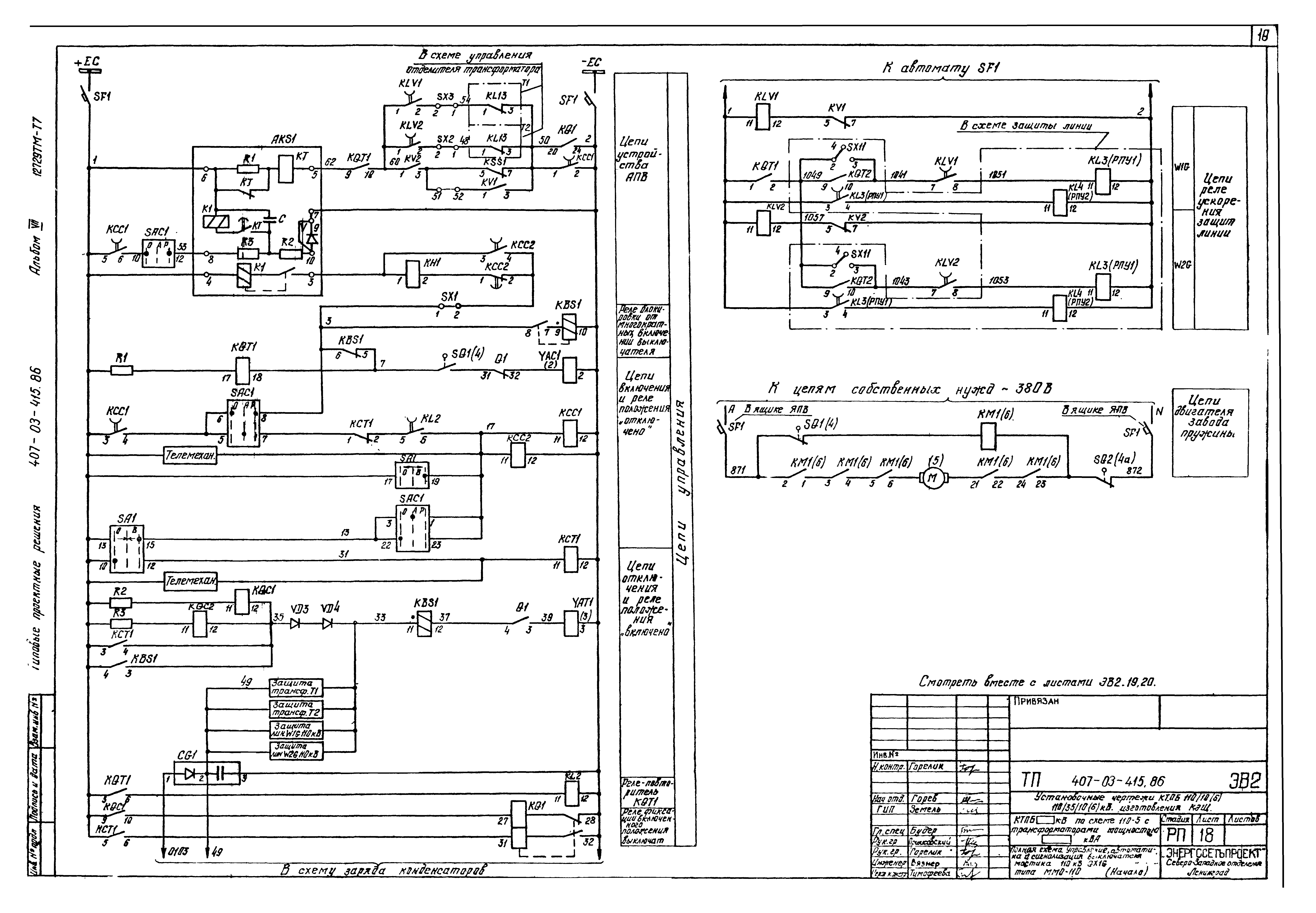
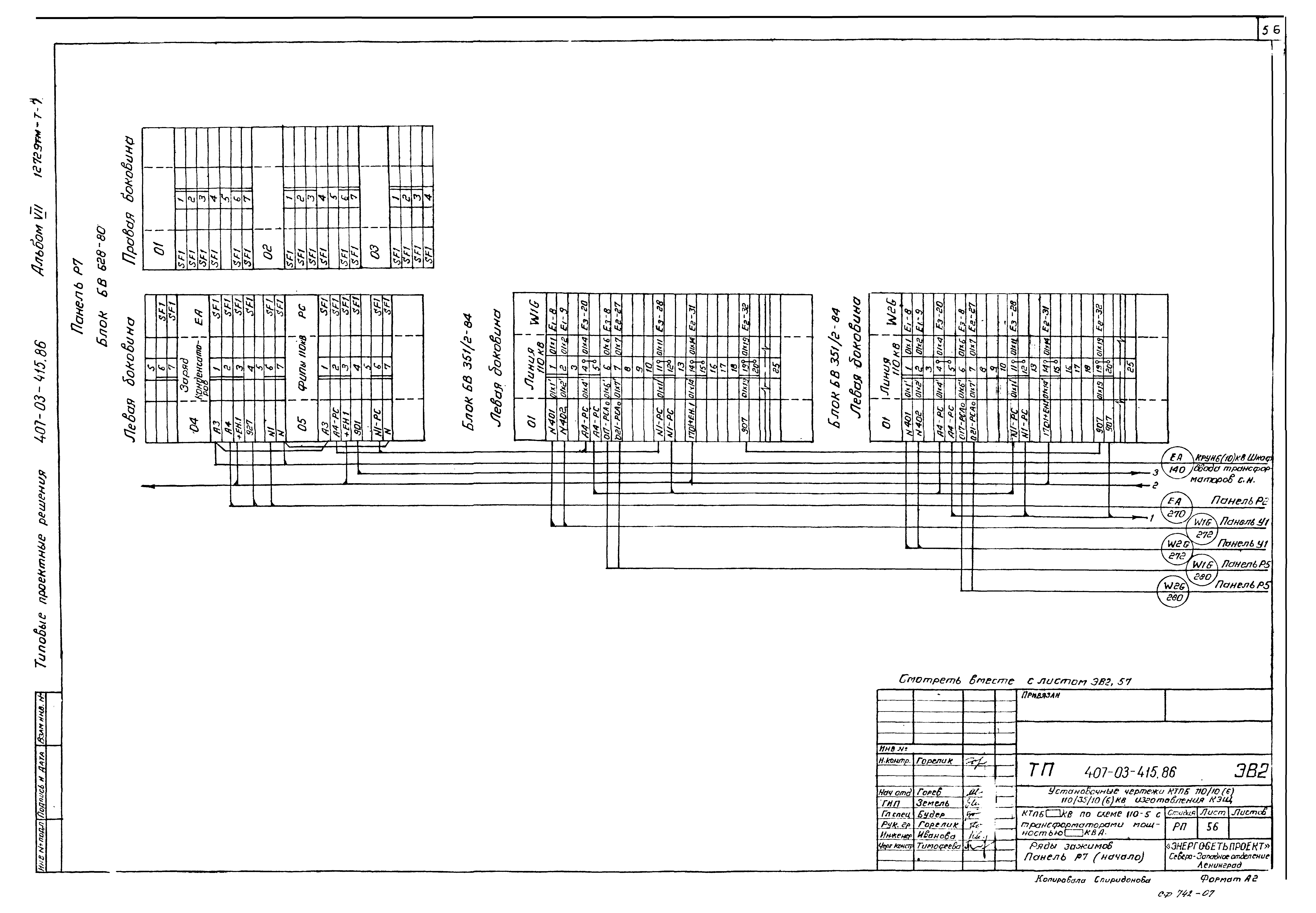
Альбом VII. Релейная защита, управление и автоматика КТПБ по схеме 110-5. Сторона 110 кВ. Дистанционная защита ЭП3-1636 (на выпрямленном оперативном токе)Обозначение: | Типовые материалы для проектирования 407-03-415.86 | Обозначение англ: | 407-03-415.86 | Статус: | cправочные материалы, мп, тпр | Название рус.: | Альбом VII. Релейная защита, управление и автоматика КТПБ по схеме 110-5. Сторона 110 кВ. Дистанционная защита ЭП3-1636 (на выпрямленном оперативном токе) | Дата добавления в базу: | 01.09.2013 | Дата актуализации: | 05.05.2017 | Дата введения: | 27.06.1986 | Оглавление: | Общие данные Схема расположения НКУ Электрическая схема соединений сигнально-оперативных шинок Общий вид. Панель У1 с мнемонической схемой Линии 110 кВ W1G, W2G. Схема распределения защит, автоматики и измерительных приборов по трансформаторам тока Полная схема. Защита линий 110 кВ W1G (W2G) Линия 110 кВ W1G (W2G). Индикатор фиксирующий ЛИФП-1А. Цепи подключения. Схема полная Линия 110 кВ W1G (W2G). Индикатор фиксирующий ЛИФП-1В. Цепи подключения. Схема полная Полная схема. Цепи питания и сигнализации индикаторов фиксирующих линий 110 кВ W1G, W2G Полная схема. Управление, автоматика и сигнализация выключателя мостика 110 кВ Qх1G типа ВМТ-110Б Полная схема. Управление, автоматика и сигнализация выключателя мостика 110 кВ Qх1G типа ММО-110 Полная схема. УРОВ 110 кВ выключателя мостика Qх1G Полная схема. Трансформаторы напряжения 110 кВ TV1G, TV2G Полная схема. Питание оперативных цепей Полная схема. Контроль изоляции цепей выпрямленного тока и устройства мигающего света Полная схема. Схема зарядки конденсаторов Полная схема. Оперативная блокировка разъединителей Полная схема. Центральная сигнализация элементов 110 кВ Ряды зажимов. Панель У1 Ряды зажимов. Панель У2. Вариант передачи 2-х сигналов Ряды зажимов. Панель У2. Вариант передачи индивидуальных сигналов Ряды зажимов. Панель Р1 Ряды зажимов. Панель Р2. Выключатель типа ВМТ-110 2-х обмоточный трансформатор Ряды зажимов. Панель Р2. Выключатель типа ВМТ-110 3-х обмоточный трансформатор Ряды зажимов. Панель Р2. Выключатель типа ММО-110 2-х обмоточный трансформатор Ряды зажимов. Панель Р2. Выключатель типа ММО-110 3-х обмоточный трансформатор Ряды зажимов. Панель Р3 Ряды зажимов. Панель Р4 (Р6) 2-х обмоточный трансформатор Ряды зажимов. Панель Р4 (Р6) 3-х обмоточный трансформатор Ряды зажимов. Панель Р5 2-х обмоточный трансформатор с двумя выключателями на вводе НН Ряды зажимов. Панель Р5 3-х обмоточный трансформатор с двумя выключателями на вводе НН Ряды зажимов. Панель Р7 Монтажная схема. Ячейка выключателя мостика 110 кВ Qх1G типа ВМТ-110 Монтажная схема ОРУ 110 кВ. Шкаф выключателя мостика 110 кВ Qх1G типа ВМТ-110 Монтажная схема. Ячейка выключателя мостика 110 кВ Qх1G типа ММО-110 Монтажная схема ОРУ 110 кВ. Шкаф выключателя мостика 110 кВ Qх1G типа ММО-110 Монтажная схема ОРУ 110 кВ. Ремонтная перемычка. Шкаф KQS1. Выключатель типа ВМТ-110 Монтажная схема ОРУ 110 кВ. Ремонтная перемычка. Шкаф KQS1. Выключатель типа ММО-110 Монтажная схема. Ячейка трансформатора напряжения 110 кВ TV1G (TV2G) Монтажная схема. Подключение кабелей к блокам питания UGV1, UGV2 | Разработан: | Северо-западное отделение института Энергосетьпроект
| Утверждён: | 27.06.1986 Минэнерго СССР (USSR Minenergo 18)
| Расположен в: |
|
                                                                  
|