| ||||||||||||||||||||||||||
Скачать Серия ИИ-04-6 Выпуск 8п. Часть II. Диаграммы жесткости нулевого цикла. Арматурные изделия. Рабочие чертежиДата актуализации: 10.08.2017
|
| Обозначение: | Серия ИИ-04-6 |
| Обозначение англ: | Series ИИ-04-6 |
| Статус: | заменен |
| Название рус.: | Выпуск 8п. Часть II. Диаграммы жесткости нулевого цикла. Арматурные изделия. Рабочие чертежи |
| Дата добавления в базу: | 01.09.2013 |
| Дата актуализации: | 05.05.2017 |
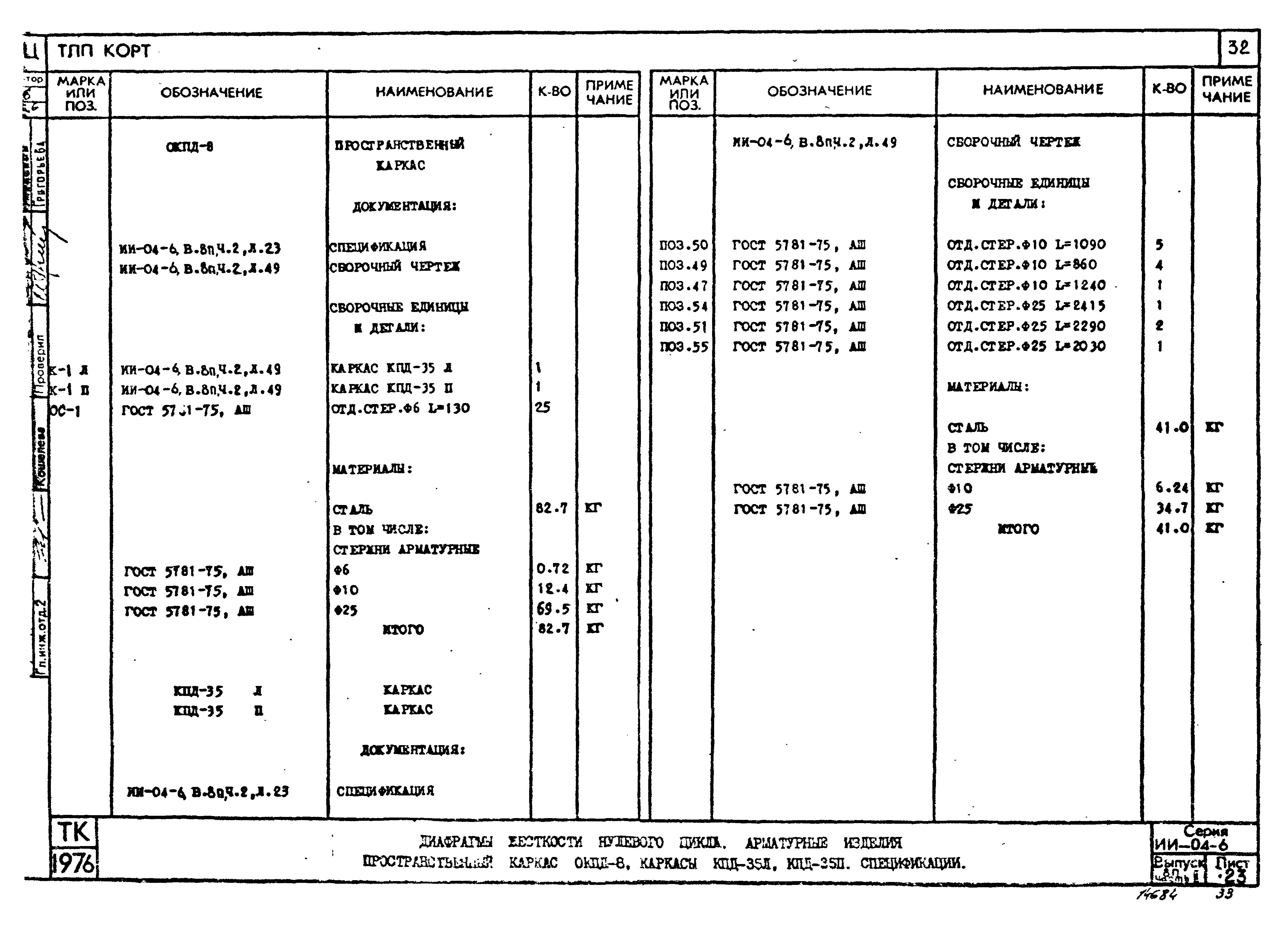
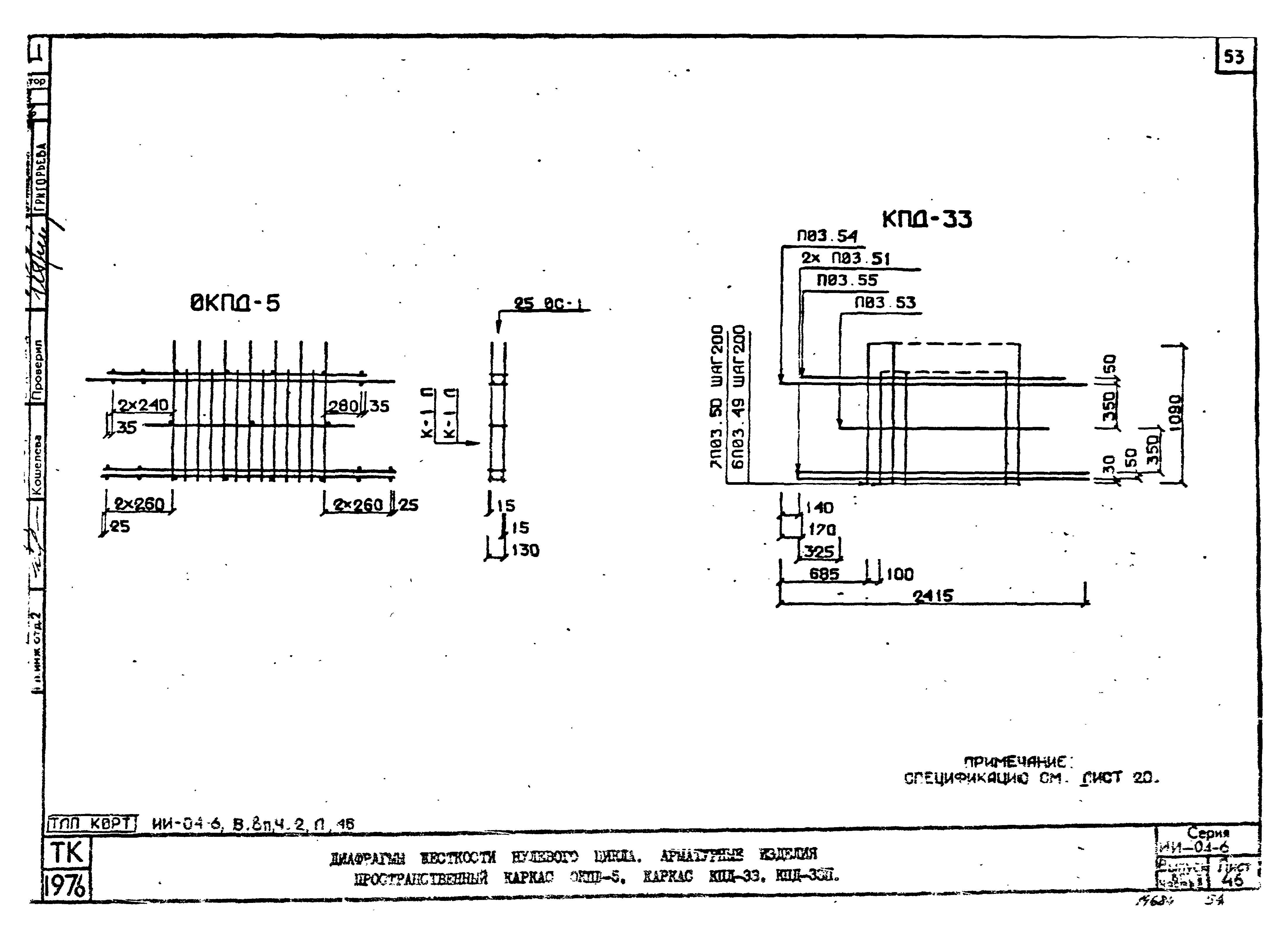
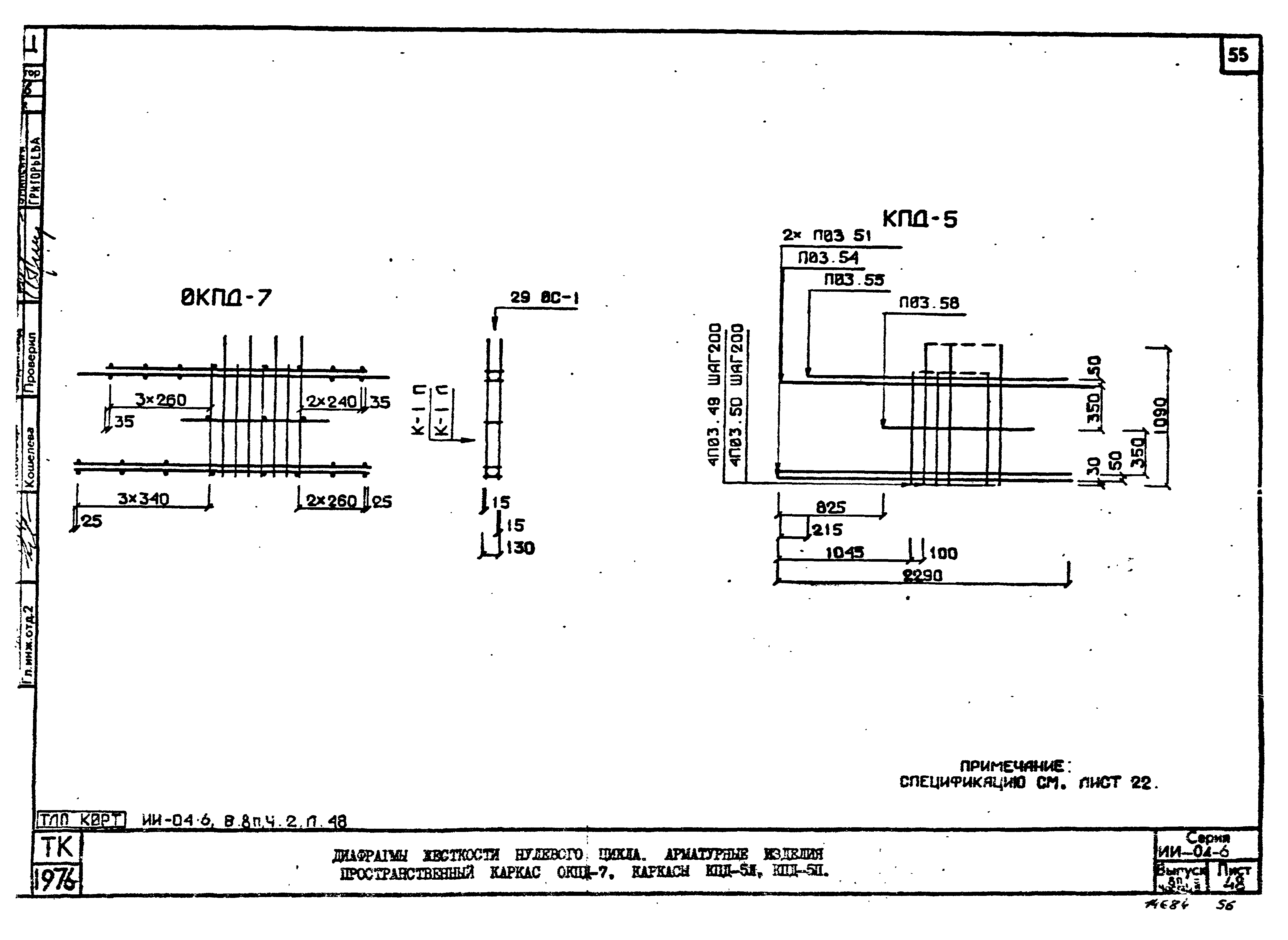
| Оглавление: | Перечень серий и выпусков Содержание выпуска Пояснительная записка Диафрагмы жесткости нулевого цикла. Арматурные изделия. Сетки СПД-1, СПД-3. Спецификации Диафрагмы жесткости нулевого цикла. Арматурные изделия. Сетки СПД-4, СПД-6. Спецификации Диафрагмы жесткости нулевого цикла. Арматурные изделия. Сетки СПД-7, СПД-8. Спецификации Диафрагмы жесткости нулевого цикла. Арматурные изделия. Каркасы КПД-1, КПД-3, закладная деталь ЗД-1. Спецификации Диафрагмы жесткости нулевого цикла. Арматурные изделия. Каркасы КПД-2, КПД-4, КПД-6. Спецификации Диафрагмы жесткости нулевого цикла. Арматурные изделия. Каркасы КПД-8, КПД-9, КПД-10. Спецификации Диафрагмы жесткости нулевого цикла. Арматурные изделия. Каркасы КПД-11, КПД-12. Спецификации Диафрагмы жесткости нулевого цикла. Арматурные изделия. Каркасы КПД-14, КПД-15. Спецификации Диафрагмы жесткости нулевого цикла. Арматурные изделия. Каркасы КПД-17, КПД-19, КПД-21. Спецификации Диафрагмы жесткости нулевого цикла. Арматурные изделия. Каркасы КПД-18, КПД-20, КПД-22. Спецификации Диафрагмы жесткости нулевого цикла. Арматурные изделия. Сетки СПД-11Л; СПД-11П; СПД-15Л; СПД-15П. Спецификации Диафрагмы жесткости нулевого цикла. Арматурные изделия. Сетки СПД-5; СПД-13Л; СПД-13П; СПД14Л; СПД-14П. Спецификации Диафрагмы жесткости нулевого цикла. Арматурные изделия. Сетки СПД-2; СПД-9Л; СПД-9П; СПД-12Л; СПД-12П. Спецификации Диафрагмы жесткости нулевого цикла. Арматурные изделия. Каркасы КПД-23, КПД-24; КПД-25. Спецификации Диафрагмы жесткости нулевого цикла. Арматурные изделия. Каркасы КПД-7, КПД-26; КПД-27. Спецификации Диафрагмы жесткости нулевого цикла. Арматурные изделия. Пространственный каркас ОКПД-1. Каркас КПД-29. Спецификации Диафрагмы жесткости нулевого цикла. Арматурные изделия. Пространственный каркас ОКПД-2. Каркас КПД-30. Спецификации Диафрагмы жесткости нулевого цикла. Арматурные изделия. Пространственный каркас ОКПД-3. Каркас КПД-31. Спецификации Диафрагмы жесткости нулевого цикла. Арматурные изделия. Пространственный каркас ОКПД-4. Каркас КПД-32. Спецификации Диафрагмы жесткости нулевого цикла. Арматурные изделия. Пространственный каркас ОКПД-5. Каркас КПД-33Л; КПД-33П. Спецификации Диафрагмы жесткости нулевого цикла. Арматурные изделия. Пространственный каркас ОКПД-6. Каркас КПД-34. Спецификации Диафрагмы жесткости нулевого цикла. Арматурные изделия. Пространственный каркас ОКПД-7. Каркас КПД-5Л; КПД-5П. Спецификации Диафрагмы жесткости нулевого цикла. Арматурные изделия. Пространственный каркас ОКПД-8. Каркас КПД-35Л; КПД-35П. Спецификации Диафрагмы жесткости нулевого цикла. Арматурные изделия. Пространственный каркас ОКПД-9. Каркас КПД-28. Спецификации Диафрагмы жесткости нулевого цикла. Арматурные изделия. Сетка СПД-10, каркасы КПД-13; КПД-16. Спецификации Диафрагмы жесткости нулевого цикла. Арматурные изделия. Каркас КПД-36, пространственный каркас ОКПД-10; каркасы КПД-37Л; КПД-37П. Спецификации Диафрагмы жесткости нулевого цикла. Арматурные изделия. Сетки СПД-1, СПД-3 Диафрагмы жесткости нулевого цикла. Арматурные изделия. Сетки СПД-4, СПД-6 Диафрагмы жесткости нулевого цикла. Арматурные изделия. Сетки СПД-7, СПД-8 Диафрагмы жесткости нулевого цикла. Арматурные изделия. Каркасы КПД-1, КПД-3. Закладная деталь ЗД-1. Каркасы КПД-2; КПД-4; КПД-6. Каркасы КПД-8; КПД-9; КПД-10 Диафрагмы жесткости нулевого цикла. Арматурные изделия. Каркасы КПД-11, КПД-12 Диафрагмы жесткости нулевого цикла. Арматурные изделия. Каркасы КПД-14, КПД-15 Диафрагмы жесткости нулевого цикла. Арматурные изделия. Каркасы КПД-17, КПД-19; КПД-21 Диафрагмы жесткости нулевого цикла. Арматурные изделия. Каркасы КПД-18, КПД-20; КПД-22 Диафрагмы жесткости нулевого цикла. Арматурные изделия. Сетки СПД-11Л; СПД-11П; СПД-15Л; СПД-15П Диафрагмы жесткости нулевого цикла. Арматурные изделия. Сетки СПД-5; СПД-13Л; СПД-13П; СПД-14Л; СПЛ-14П Диафрагмы жесткости нулевого цикла. Арматурные изделия. Сетки СПД-2; СПД-9Л; СПД-9П; СПД-12Л; СПД-12П Диафрагмы жесткости нулевого цикла. Арматурные изделия. Каркасы КПД-23, КПД-24; КПД-25.Каркасы КПД-7, КПД-26; КПД-27 Диафрагмы жесткости нулевого цикла. Арматурные изделия. Пространственный каркас ОКПД-1. Каркас КПД-29 Диафрагмы жесткости нулевого цикла. Арматурные изделия. Пространственный каркас ОКПД-2. Каркас КПД-30 Диафрагмы жесткости нулевого цикла. Арматурные изделия. Пространственный каркас ОКПД-3. Каркас КПД-31 Диафрагмы жесткости нулевого цикла. Арматурные изделия. Пространственный каркас ОКПД-4. Каркас КПД-32 Диафрагмы жесткости нулевого цикла. Арматурные изделия. Пространственный каркас ОКПД-5. Каркас КПД-33Л; КПД-33П Диафрагмы жесткости нулевого цикла. Арматурные изделия. Пространственный каркас ОКПД-6. Каркас КПД-34 Диафрагмы жесткости нулевого цикла. Арматурные изделия. Пространственный каркас ОКПД-7. Каркас КПД-5Л; КПД-5П Диафрагмы жесткости нулевого цикла. Арматурные изделия. Пространственный каркас ОКПД-8. Каркас КПД-35Л; КПД-35П Диафрагмы жесткости нулевого цикла. Арматурные изделия. Пространственный каркас ОКПД-9. Каркас КПД-28 Диафрагмы жесткости нулевого цикла. Арматурные изделия. Сетка СПД-10, каркасы КПД-13; КПД-16; КПД-36 Диафрагмы жесткости нулевого цикла. Арматурные изделия. Пространственный каркас ОКПД-10. Каркасы КПД-37Л; КПД-37П Диафрагмы жесткости нулевого цикла. Арматурные изделия. Пространственные каркасы ОКПД-21 - ОКПД-26 Диафрагмы жесткости нулевого цикла. Арматурные изделия. Пространственные каркасы ОКПД-27 - ОКПД-32 Диафрагмы жесткости нулевого цикла. Арматурные изделия. Каркасы КПД-41 - КПД-43; КПД-45; КПД-47; КПД-49; КПД-51. Закладная деталь ПМС-1 Диафрагмы жесткости нулевого цикла. Арматурные изделия. Каркасы КПД-42; КПД-44; КПД-46; КПД-48; КПД-50; КПД-52 - КПД-58 Диафрагмы жесткости нулевого цикла. Арматурные изделия. Пространственные каркасы ОКПД-21; ОКПД-22; ОКПД-23. Спецификация Диафрагмы жесткости нулевого цикла. Арматурные изделия. Пространственные каркасы ОКПД-25; ОКПД-26; ОКПД-27. Спецификация Диафрагмы жесткости нулевого цикла. Арматурные изделия. Пространственные каркасы ОКПД-28; ОКПД-29; ОКПД-30. Спецификация Диафрагмы жесткости нулевого цикла. Арматурные изделия. Пространственные каркасы ОКПД-31; ОКПД-32. Спецификация Диафрагмы жесткости нулевого цикла. Арматурные изделия. Каркасы КПД-41; КПД-42; КПД-43; КПД-44. Спецификации Диафрагмы жесткости нулевого цикла. Арматурные изделия. Каркасы КПД-45; КПД-46; КПД-47; КПД-48. Спецификации Диафрагмы жесткости нулевого цикла. Арматурные изделия. Каркасы КПД-49; КПД-50; КПД-51. Спецификации Диафрагмы жесткости нулевого цикла. Арматурные изделия. Каркасы КПД-52; КПД-53; КПД-54. Спецификации Диафрагмы жесткости нулевого цикла. Арматурные изделия. Каркасы КПД-55; КПД-56; КПД-58. Спецификации |
| Разработан: | КиевЗНИИЭП |
| Утверждён: | 22.04.1977 Государственный комитет по гражданскому строительству и архитектуре при Госстрое СССР (79) |
| Расположен в: | |
| Чем заменён: |









































































