Скачать Типовые проектные решения 402-11-0154.89 Альбом 1. Пояснительная записка. Архитектурно-строительные решенияДата актуализации: 10.08.2017 Типовые проектные решения 402-11-0154.89
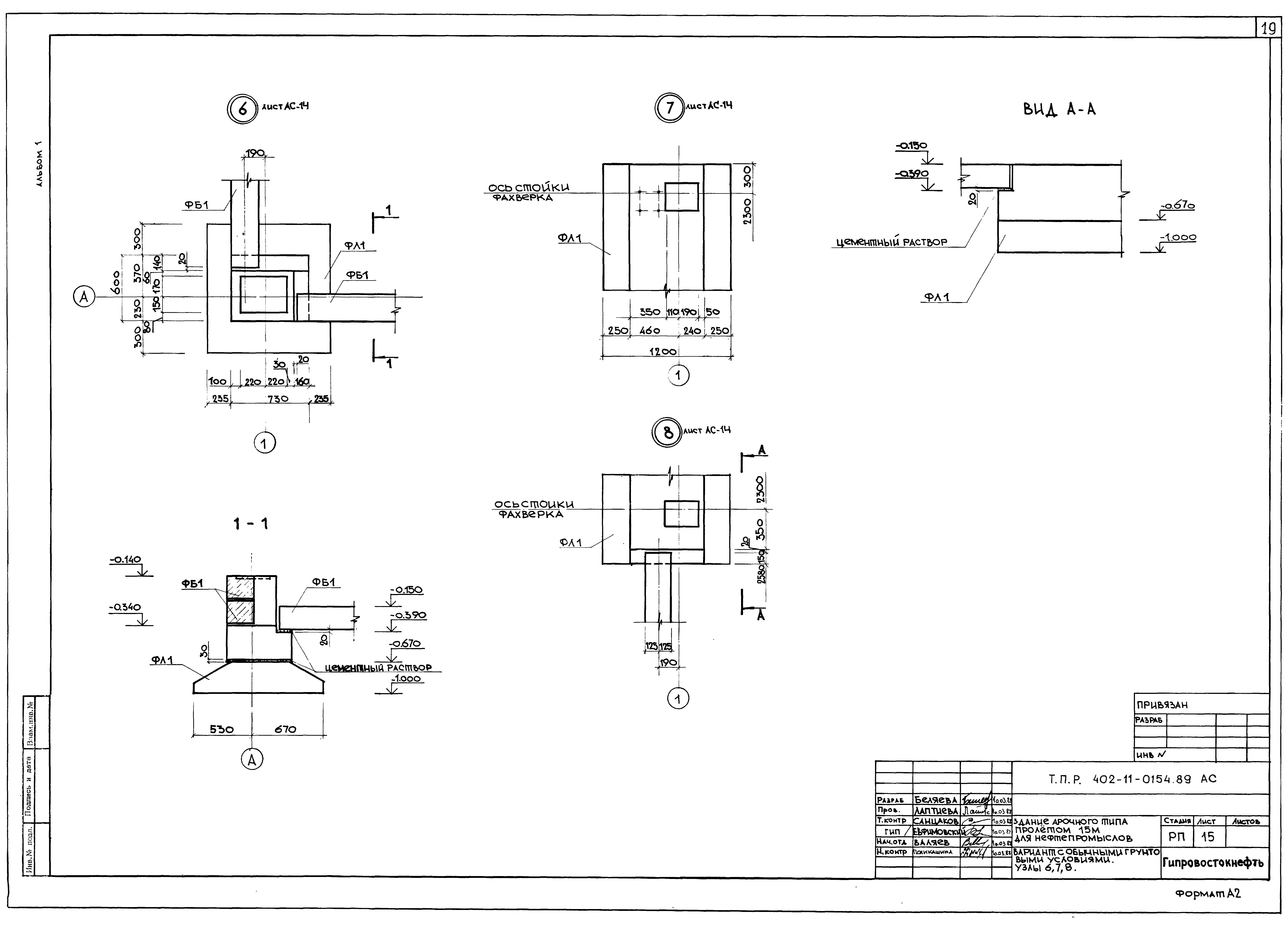
Альбом 1. Пояснительная записка. Архитектурно-строительные решенияОбозначение: | Типовые проектные решения 402-11-0154.89 | Обозначение англ: | 402-11-0154.89 | Статус: | cправочные материалы, мп, тпр | Название рус.: | Альбом 1. Пояснительная записка. Архитектурно-строительные решения | Дата добавления в базу: | 01.09.2013 | Дата актуализации: | 05.05.2017 | Дата введения: | 11.11.1988 | Оглавление: | Пояснительная записка Общие данные Холодный вариант. План. Разрез 1-1 Фасад 1 - 11; 11 - 1. Фасад А-Б; Б-А Схема расположения прогонов. Вид А. Узел 4. Узел 5 Холодный вариант. Наружная обшивка покрытия. Вид А Холодный вариант. Узлы 1 - 3; 6 - 8 Утепленный вариант. План. Разрез 1-1 Утепленный вариант. Наружная обшивка покрытия. Вид А Утепленный вариант. Узлы 9 - 11; 14 - 16 Вариант с пучинистыми грунтами. План свайного поля Вариант с пучинистыми грунтами. Узлы 2, 3, 4 Вариант с пучинистыми грунтами. Ростверки РСМ1, РСМ2, РСМ3 Закладные детали МН1, МН2, МН3. Каркас КР1 Вариант с обычными грунтовыми условиями. Схема расположения фундаментных подушек. Схема расположения элементов фундаментов Вариант с обычными грунтовыми условиями. Узлы 6, 7, 8 Вариант с обычными грунтовыми условиями. Фундаменты Ф-1, Ф-2, Ф-3 | Разработан: | Гипровостокнефть Миннефтепрома (Giprovostokneft, Minnefteprom )
| Утверждён: | 11.11.1988 Миннефтепром СССР (196 "Э")
| Расположен в: |
|
                   
|