Информационная система
«Ёшкин Кот»

Скачать базу одним архивом
Скачать обновления
История создания базы
Карта сайта

Скачать Альбом ОВ-02-151 Выпуск II. Рабочие чертежи

Дата актуализации: 10.08.2017

Альбом ОВ-02-151

Выпуск II. Рабочие чертежи

Обозначение: Альбом ОВ-02-151
Обозначение англ: ОВ-02-151
Статус:не действует
Название рус.:Выпуск II. Рабочие чертежи
Дата добавления в базу:01.09.2013
Дата актуализации:05.05.2017
Дата введения:01.08.1990
Оглавление:Титульный лист
Содержание альбома
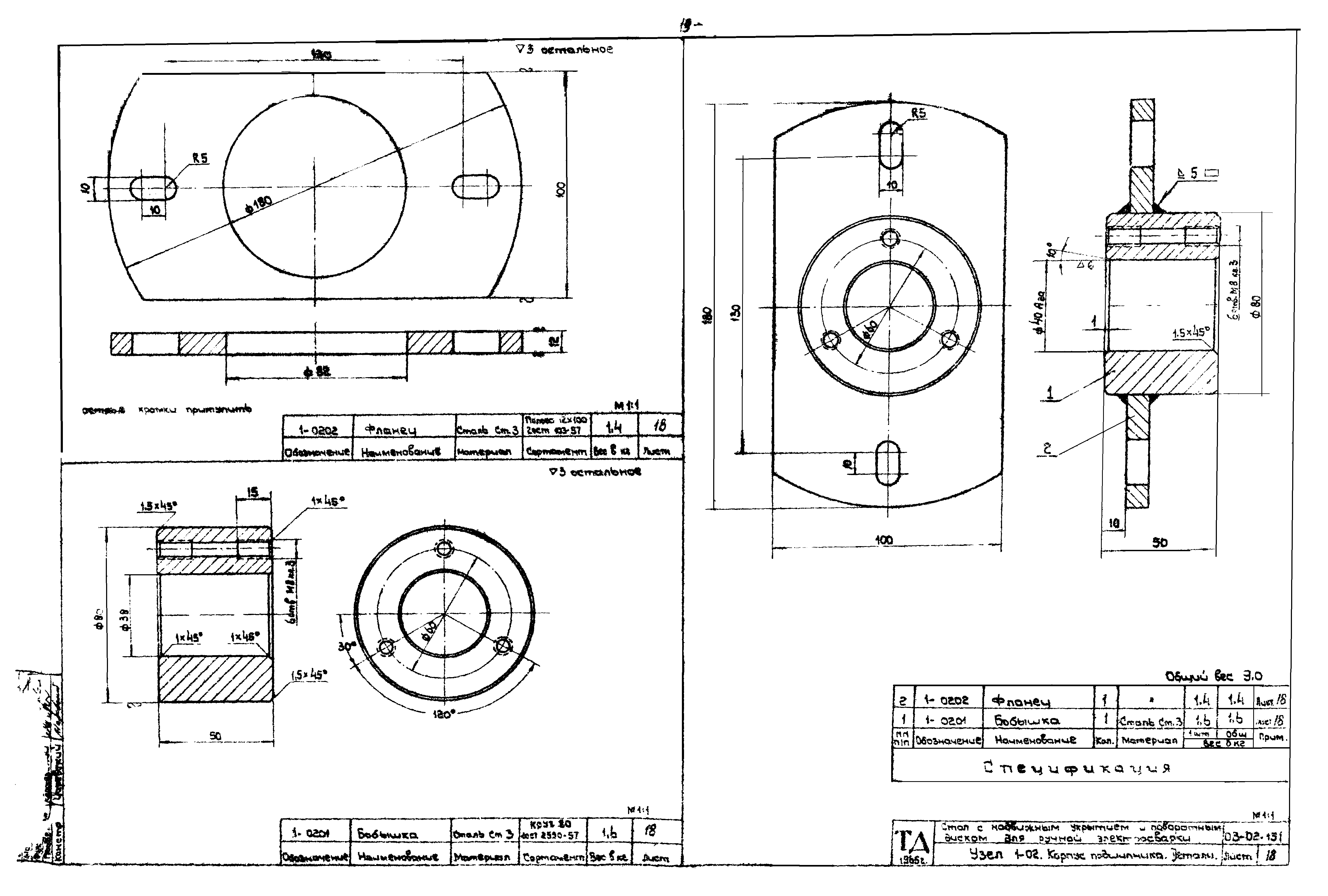
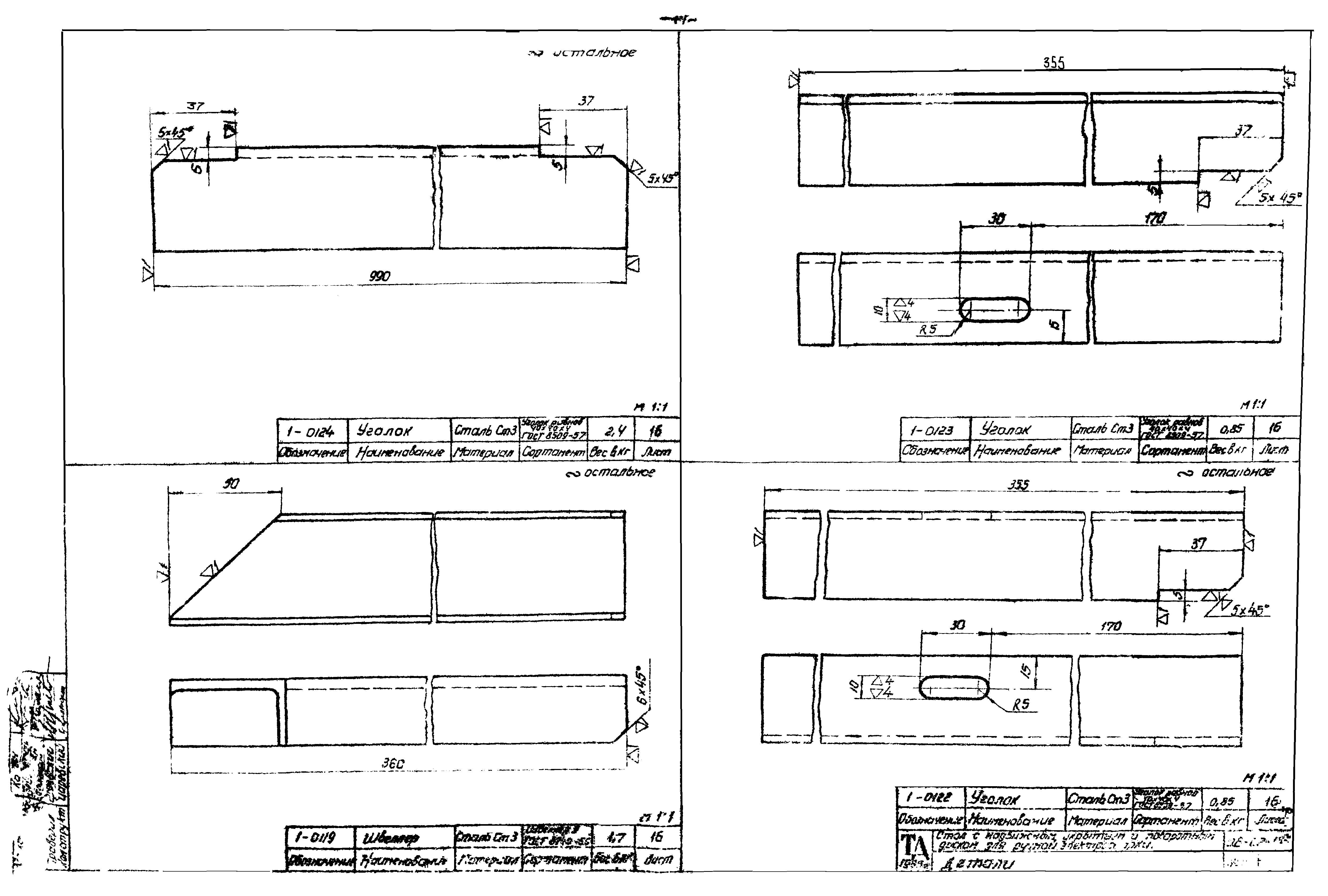
Стол с надвижным укрытием и поворотным диском для ручной сварки. Общий вид 1-00
Стол с надвижным укрытием и поворотным диском для ручной сварки. Узлы и детали
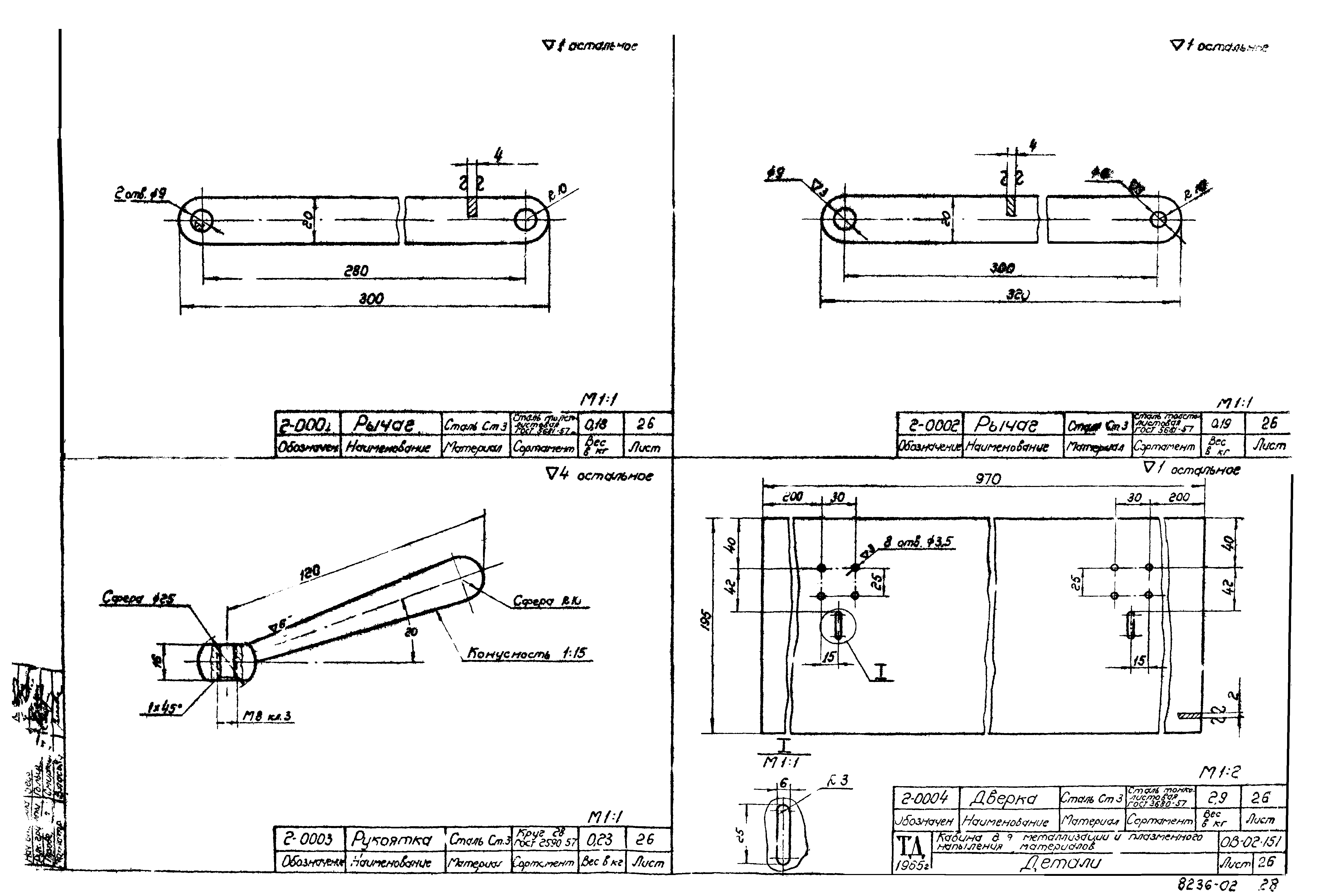
Кабина для металлизации плазменного напыления материалов. Общий вид 2-00
Кабина для металлизации плазменного напыления материалов. Узлы и детали
Стол с отсосом к установке АСШ-2. Общий вид 3-00
Стол с отсосом к установке АСШ-2. Узлы и детали
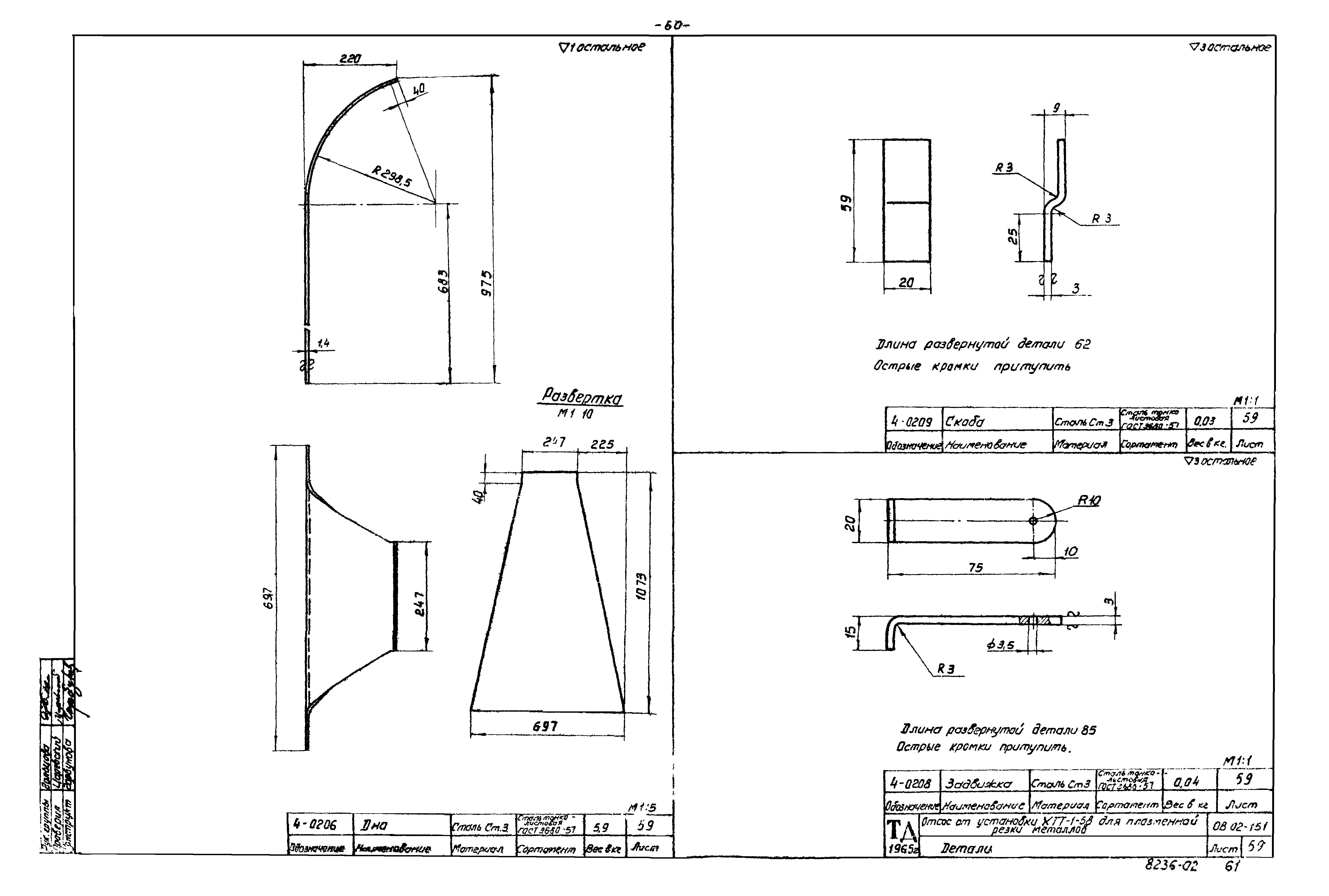
Отсос от установки ХТТ-1-58 для плазменной резки металлов. Общий вид 4-00
Отсос от установки ХТТ-1-58 для плазменной резки металлов. Узлы и детали
Сборочный стол с укрытием для кислородно-ацетиленовой сварки. Общий вид 5-00
Сборочный стол с укрытием для кислородно-ацетиленовой сварки. Узлы и детали
Отсос от автомата АДОБ-300 со следящим устройством. Общий вид 6-00
Отсос от автомата АДОБ-300 со следящим устройством. Узлы и детали
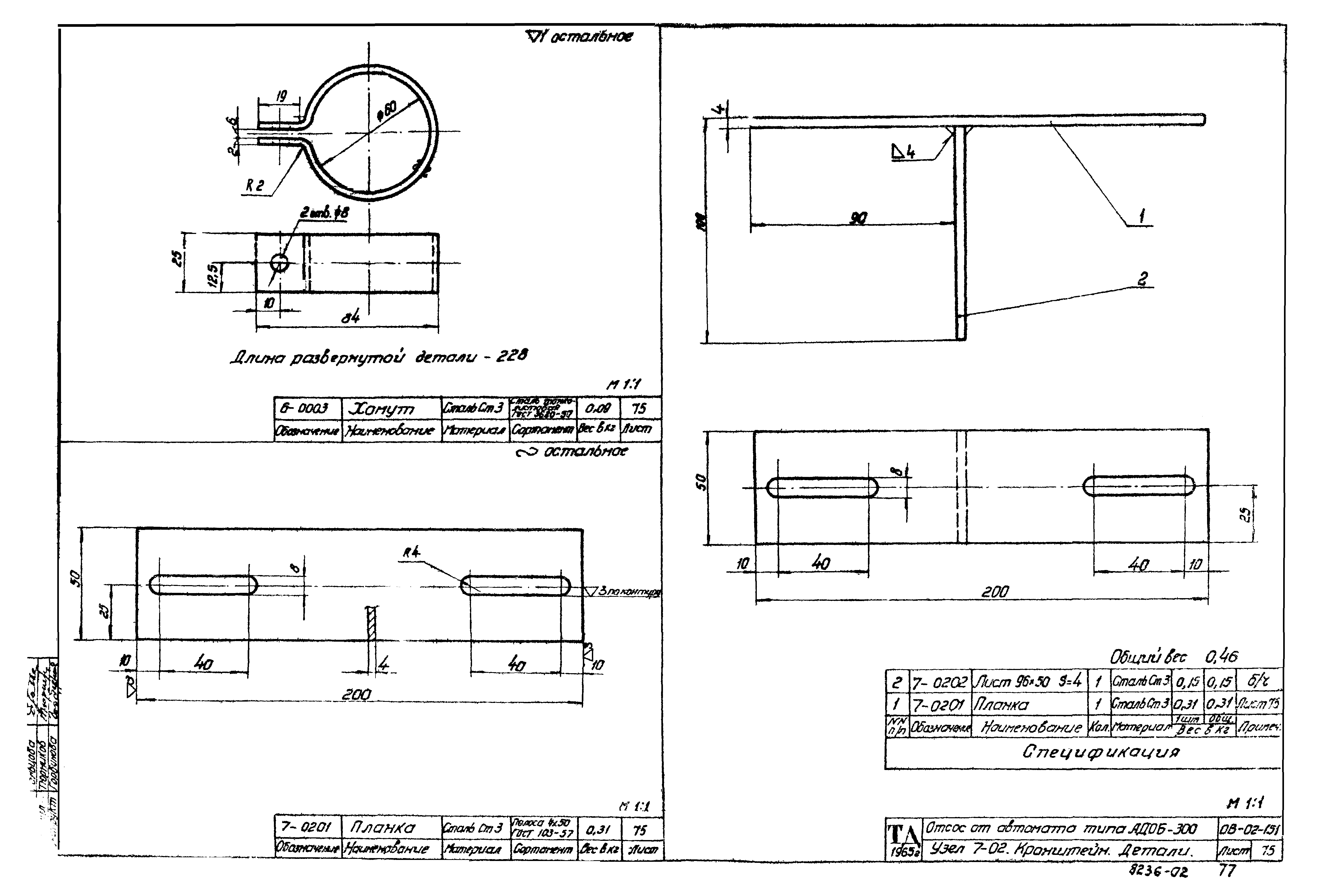
Отсос от автомата АДОБ-300. Общий вид 7-00
Отсос от автомата АДОБ-300. Узлы и детали
Отсос от головки типа КДС-1000 для сварки продольного наружного шва круглых патрубков. Общий вид 8-00
Отсос от головки типа КДС-1000 для сварки продольного наружного шва круглых патрубков. Узлы и детали
Отсос от головки полуавтомата типа ПЗШМ-500, установленной на подъемной поворотной консоли. Общий вид 9-00
Отсос от головки полуавтомата типа ПЗШМ-500, установленной на подъемной поворотной консоли. Узлы и детали
Отсос от установки для сварки угольным электродом круговых торцевых швов. Общий вид 10-00
Отсос от установки для сварки угольным электродом круговых торцевых швов. Узлы и детали
Отсос от машины для точечной сварки МТП-75. Общий вид 11-00
Отсос от машины для точечной сварки МТП-75. Узлы и детали
Отсос от машины для точечной сварки типа АТП-10; МТП-25-м. Общий вид 12-00
Отсос от машины для точечной сварки типа АТП-10; МТП-25-м. Узлы и детали
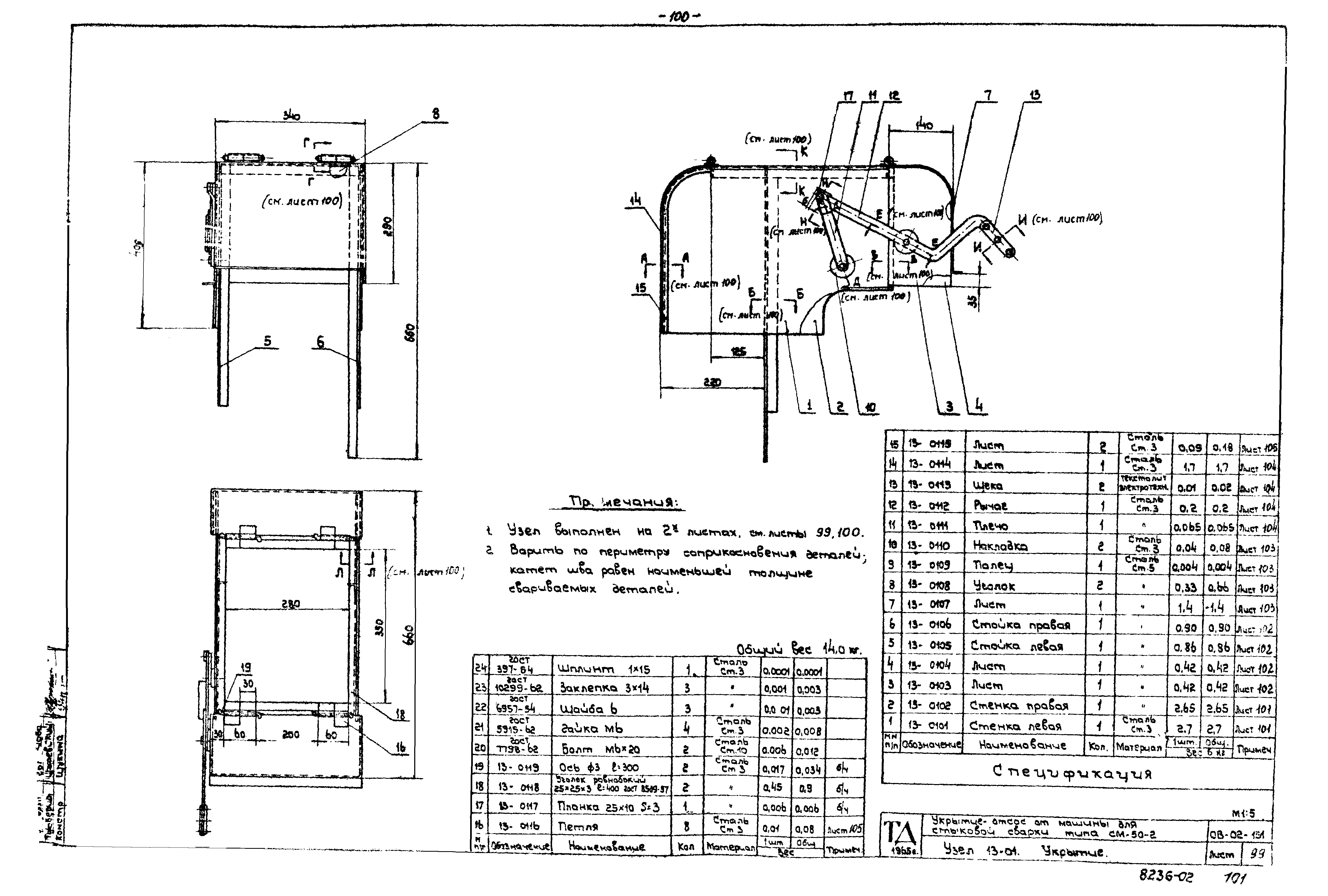
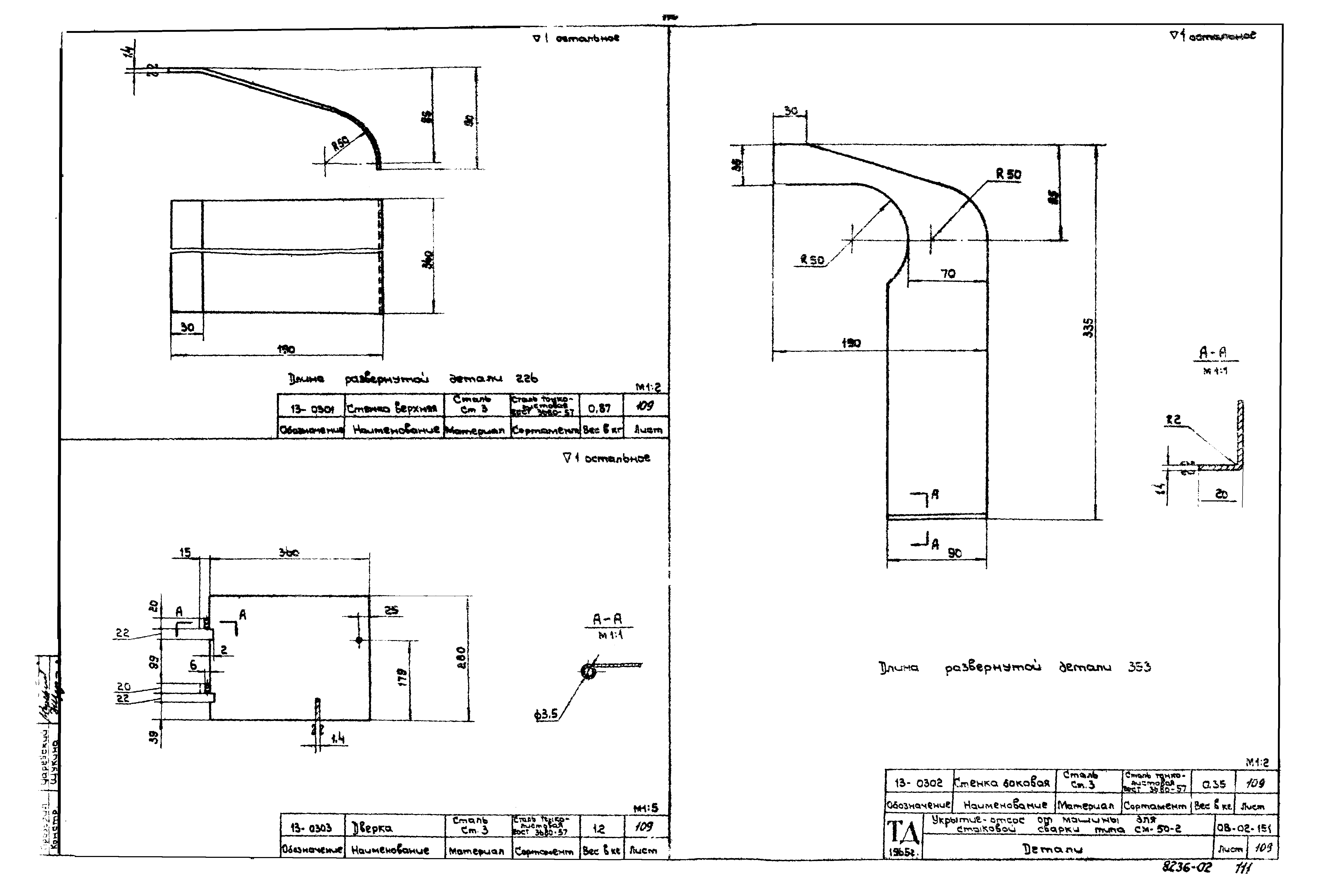
Укрытие-отсос от машины для стыковой сварки типа СМ-50-2. Общий вид 13-00
Укрытие-отсос от машины для стыковой сварки типа СМ-50-2. Узлы и детали
Отсос от машины сварки трением типа МФ-327. Общий вид 14-00
Отсос от машины сварки трением типа МФ-327. Узлы и детали
Укрытие-отсос от машины типа МСМУ-150 для стыковой сварки. Общий вид 15-00
Укрытие-отсос от машины типа МСМУ-150 для стыковой сварки. Узлы и детали
Отсос к автомату АДК-500-6 для сварки в среде углекислого газа. Общий вид 16-00
Отсос к автомату АДК-500-6 для сварки в среде углекислого газа. Узлы и детали
Камера для резки цветного металла и нержавеющих сталей на АСШ-2. Общий вид 17-00
Камера для резки цветного металла и нержавеющих сталей на АСШ-2. Узлы и детали
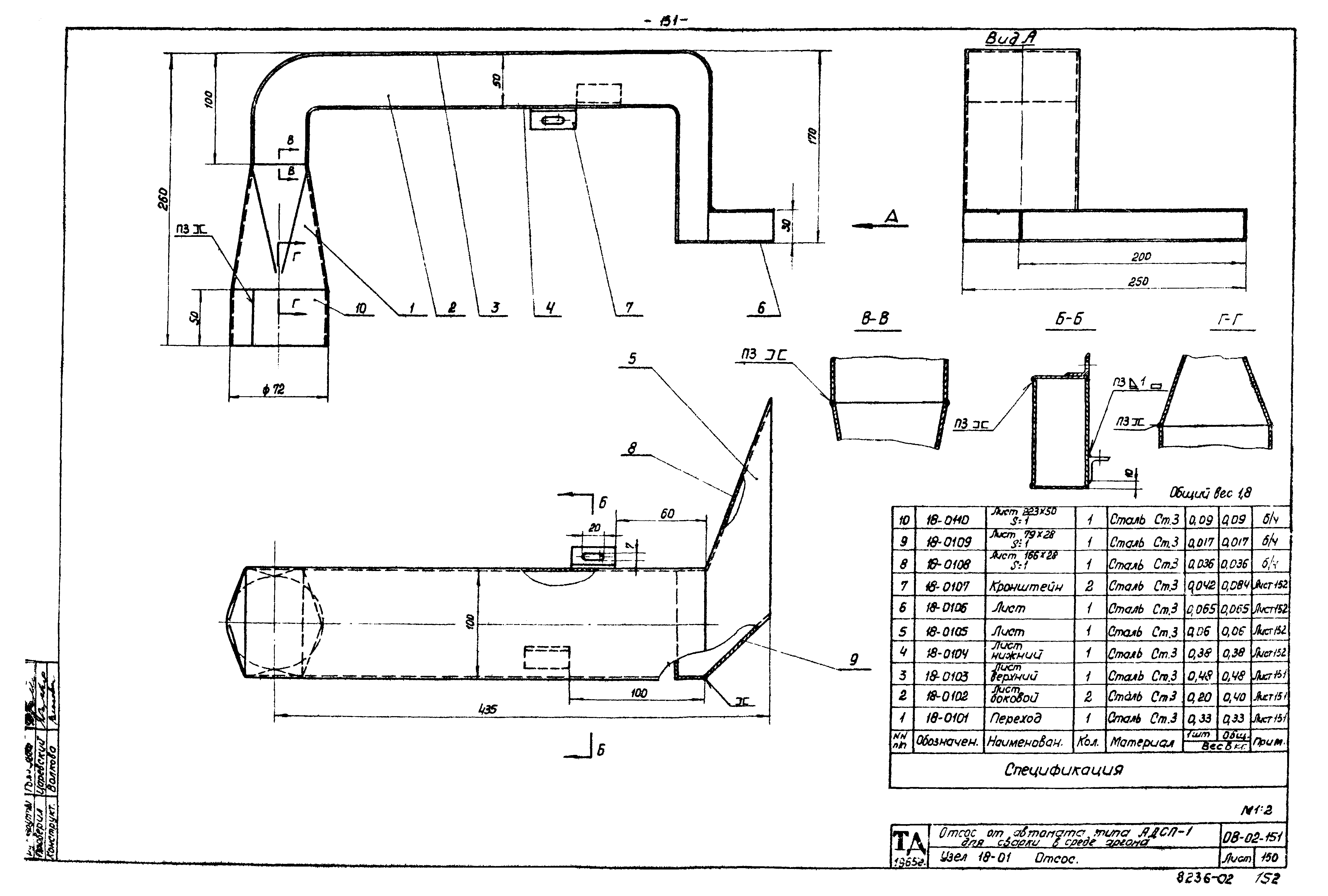
Отсос от автомата типа АДСП-1 для сварки в среде аргона. Общий вид 18-00
Отсос от автомата типа АДСП-1 для сварки в среде аргона. Узлы и детали
Отсос от автомата типа АДС-1000-3 при сварке круговых швов. Общий вид 19-00
Отсос от автомата типа АДС-1000-3 при сварке круговых швов. Узлы и детали
Отсос от автомата типа АДС-1000-3 при сварке внутреннего шва. Общий вид 20-00
Отсос от автомата типа АДС-1000-3 при сварке внутреннего шва. Узлы и детали
Отсос к автомату АБС при наплавке деталей под слоем флюса. Общий вид 21-00
Отсос к автомату АБС при наплавке деталей под слоем флюса. Узлы и детали
Разработан: Проектпромвентиляция
Утверждён:13.11.1965 Проектпромвентиляция (47)
Расположен в:Техническая документация Строительство Справочные документы Типовые строительные конструкции, изделия и узлы Общероссийский строительный каталог Строительные конструкции, изделия и узлы зданий и сооружений для всех видов строительства Инженерное оборудование Инженерное оборудование; изделия и узлы инженерного оборудования зданий и сооружений Оборудование производственных зданий
Альбом ОВ-02-151Альбом ОВ-02-151Альбом ОВ-02-151Альбом ОВ-02-151Альбом ОВ-02-151Альбом ОВ-02-151Альбом ОВ-02-151Альбом ОВ-02-151Альбом ОВ-02-151Альбом ОВ-02-151Альбом ОВ-02-151Альбом ОВ-02-151Альбом ОВ-02-151Альбом ОВ-02-151Альбом ОВ-02-151Альбом ОВ-02-151Альбом ОВ-02-151Альбом ОВ-02-151Альбом ОВ-02-151Альбом ОВ-02-151Альбом ОВ-02-151Альбом ОВ-02-151Альбом ОВ-02-151Альбом ОВ-02-151Альбом ОВ-02-151Альбом ОВ-02-151Альбом ОВ-02-151Альбом ОВ-02-151Альбом ОВ-02-151Альбом ОВ-02-151Альбом ОВ-02-151Альбом ОВ-02-151Альбом ОВ-02-151Альбом ОВ-02-151Альбом ОВ-02-151Альбом ОВ-02-151Альбом ОВ-02-151Альбом ОВ-02-151Альбом ОВ-02-151Альбом ОВ-02-151Альбом ОВ-02-151Альбом ОВ-02-151Альбом ОВ-02-151Альбом ОВ-02-151Альбом ОВ-02-151Альбом ОВ-02-151Альбом ОВ-02-151Альбом ОВ-02-151Альбом ОВ-02-151Альбом ОВ-02-151Альбом ОВ-02-151Альбом ОВ-02-151Альбом ОВ-02-151Альбом ОВ-02-151Альбом ОВ-02-151Альбом ОВ-02-151Альбом ОВ-02-151Альбом ОВ-02-151Альбом ОВ-02-151Альбом ОВ-02-151Альбом ОВ-02-151Альбом ОВ-02-151Альбом ОВ-02-151Альбом ОВ-02-151Альбом ОВ-02-151Альбом ОВ-02-151Альбом ОВ-02-151Альбом ОВ-02-151Альбом ОВ-02-151Альбом ОВ-02-151Альбом ОВ-02-151Альбом ОВ-02-151Альбом ОВ-02-151Альбом ОВ-02-151Альбом ОВ-02-151Альбом ОВ-02-151Альбом ОВ-02-151Альбом ОВ-02-151Альбом ОВ-02-151Альбом ОВ-02-151Альбом ОВ-02-151Альбом ОВ-02-151Альбом ОВ-02-151Альбом ОВ-02-151Альбом ОВ-02-151Альбом ОВ-02-151Альбом ОВ-02-151Альбом ОВ-02-151Альбом ОВ-02-151Альбом ОВ-02-151Альбом ОВ-02-151Альбом ОВ-02-151Альбом ОВ-02-151Альбом ОВ-02-151Альбом ОВ-02-151Альбом ОВ-02-151Альбом ОВ-02-151Альбом ОВ-02-151Альбом ОВ-02-151Альбом ОВ-02-151Альбом ОВ-02-151Альбом ОВ-02-151Альбом ОВ-02-151Альбом ОВ-02-151Альбом ОВ-02-151Альбом ОВ-02-151Альбом ОВ-02-151Альбом ОВ-02-151Альбом ОВ-02-151Альбом ОВ-02-151Альбом ОВ-02-151Альбом ОВ-02-151Альбом ОВ-02-151Альбом ОВ-02-151Альбом ОВ-02-151Альбом ОВ-02-151Альбом ОВ-02-151Альбом ОВ-02-151Альбом ОВ-02-151Альбом ОВ-02-151Альбом ОВ-02-151Альбом ОВ-02-151Альбом ОВ-02-151Альбом ОВ-02-151Альбом ОВ-02-151Альбом ОВ-02-151Альбом ОВ-02-151Альбом ОВ-02-151Альбом ОВ-02-151Альбом ОВ-02-151Альбом ОВ-02-151Альбом ОВ-02-151Альбом ОВ-02-151Альбом ОВ-02-151Альбом ОВ-02-151Альбом ОВ-02-151Альбом ОВ-02-151Альбом ОВ-02-151Альбом ОВ-02-151Альбом ОВ-02-151Альбом ОВ-02-151Альбом ОВ-02-151Альбом ОВ-02-151Альбом ОВ-02-151Альбом ОВ-02-151Альбом ОВ-02-151Альбом ОВ-02-151Альбом ОВ-02-151Альбом ОВ-02-151Альбом ОВ-02-151Альбом ОВ-02-151Альбом ОВ-02-151Альбом ОВ-02-151Альбом ОВ-02-151Альбом ОВ-02-151Альбом ОВ-02-151Альбом ОВ-02-151Альбом ОВ-02-151Альбом ОВ-02-151Альбом ОВ-02-151Альбом ОВ-02-151Альбом ОВ-02-151Альбом ОВ-02-151Альбом ОВ-02-151Альбом ОВ-02-151Альбом ОВ-02-151Альбом ОВ-02-151Альбом ОВ-02-151Альбом ОВ-02-151Альбом ОВ-02-151Альбом ОВ-02-151Альбом ОВ-02-151Альбом ОВ-02-151

© 2013 Ёшкин Кот :-) Карта сайта