Скачать Типовые материалы для проектирования 407-03-617.91 Альбом 2. Строительные конструкцииДата актуализации: 10.08.2017 Типовые материалы для проектирования 407-03-617.91
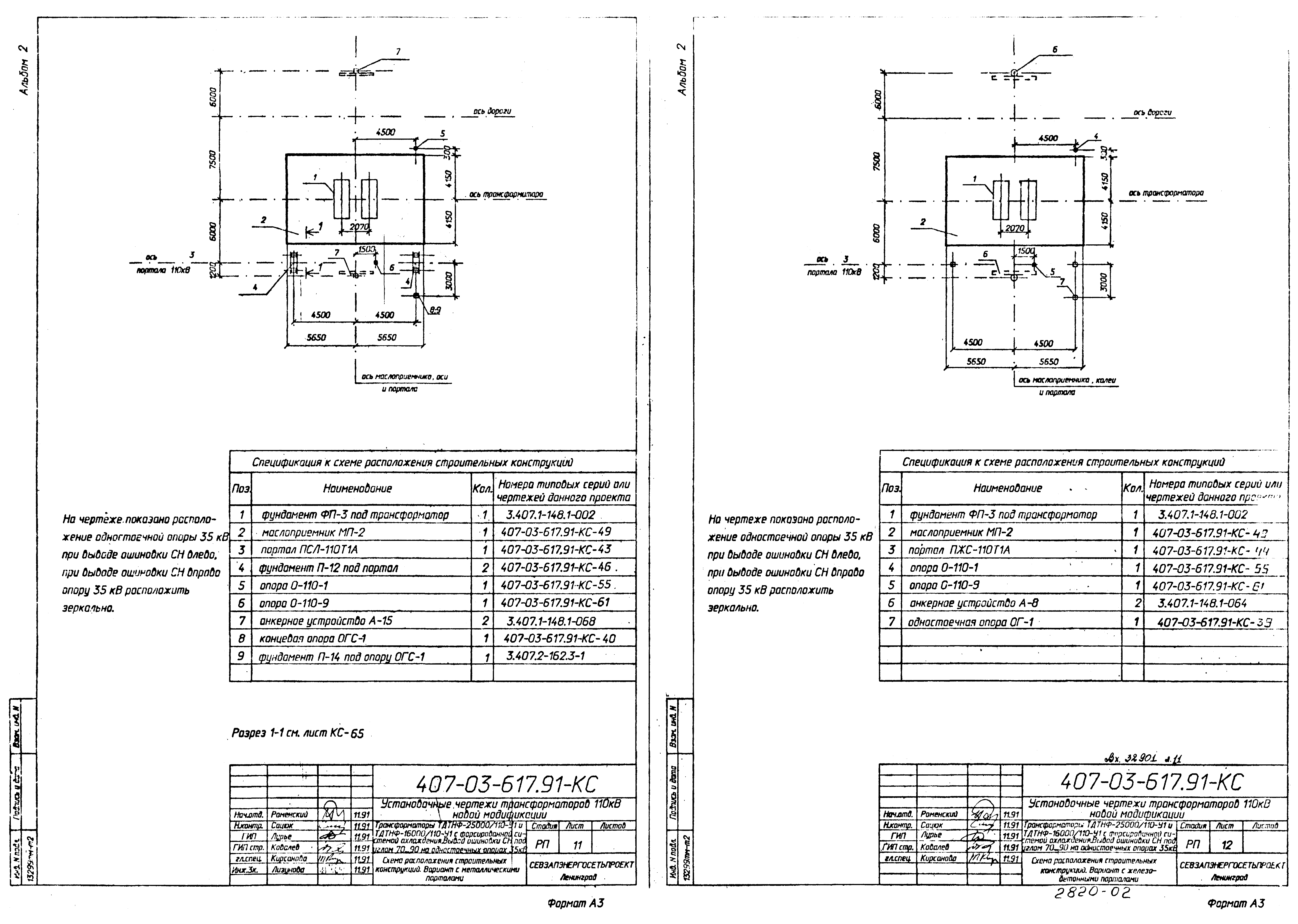
Альбом 2. Строительные конструкцииОбозначение: | Типовые материалы для проектирования 407-03-617.91 | Обозначение англ: | 407-03-617.91 | Статус: | cправочные материалы, мп, тпр | Название рус.: | Альбом 2. Строительные конструкции | Дата добавления в базу: | 01.09.2013 | Дата актуализации: | 05.05.2017 | Дата введения: | 28.11.1991 | Оглавление: | ПЗ Пояснительная записка КС Конструкции строительные Трансформатор ТДТНФ-40000/110-У1 с форсированной системой охлаждения. Вывод ошиновки СН под углом 0 - 20 градусов. Схема расположения строительных конструкций. Вариант с металлическими порталами Трансформатор ТДТНФ-40000/110-У1 с форсированной системой охлаждения. Вывод ошиновки СН под углом 0 - 20 градусов. Схема расположения строительных конструкций. Вариант с железобетонными порталами Трансформатор ТДТНФ-40000/110-У1 с форсированной системой охлаждения. Вывод ошиновки СН под углом 70 - 90 градусов на ячейковых порталах 35 кВ. Схема расположения строительных конструкций. Вариант с металлическими порталами Трансформатор ТДТНФ-40000/110-У1 с форсированной системой охлаждения. Вывод ошиновки СН под углом 70 - 90 градусов на ячейковых порталах 35 кВ. Схема расположения строительных конструкций. Вариант с железобетонными порталами Трансформатор ТДТНФ-40000/110-У1 с форсированной системой охлаждения. Вывод ошиновки СН под углом 70 - 90 градусов на одностоечных опорах 35 кВ. Схема расположения строительных конструкций. Вариант с металлическими порталами Трансформатор ТДТНФ-40000/110-У1 с форсированной системой охлаждения. Вывод ошиновки СН под углом 70 - 90 градусов на одностоечных опорах 35 кВ. Схема расположения строительных конструкций. Вариант с железобетонными порталами Трансформатор ТДТНФ-25000/110-У1 и ТДТНФ-16000/110-У1 с форсированной системой охлаждения. Вывод ошиновки СН под углом 0 - 20 градусов. Схема расположения строительных конструкций. Вариант с металлическими порталами Трансформатор ТДТНФ-25000/110-У1 и ТДТНФ-16000/110-У1 с форсированной системой охлаждения. Вывод ошиновки СН под углом 0 - 20 градусов. Схема расположения строительных конструкций. Вариант с железобетонными порталами Трансформатор ТДТНФ-25000/110-У1 и ТДТНФ-16000/110-У1 с форсированной системой охлаждения. Вывод ошиновки СН под углом 70 - 90 градусов на ячейковых порталах 35 кВ. Схема расположения строительных конструкций. Вариант с металлическими порталами Трансформатор ТДТНФ-25000/110-У1 и ТДТНФ-16000/110-У1 с форсированной системой охлаждения. Вывод ошиновки СН под углом 70 - 90 градусов на ячейковых порталах 35 кВ. Схема расположения строительных конструкций. Вариант с железобетонными порталами Трансформатор ТДТНФ-25000/110-У1 и ТДТНФ-16000/110-У1 с форсированной системой охлаждения. Вывод ошиновки СН под углом 70 - 90 градусов на одностоечных опорах 35 кВ. Схема расположения строительных конструкций. Вариант с металлическими порталами Трансформатор ТДТНФ-25000/110-У1 и ТДТНФ-16000/110-У с форсированной системой охлаждения. Вывод ошиновки СН под углом 70 - 90 градусов на одностоечных опорах 35 кВ. Схема расположения строительных конструкций. Вариант с железобетонными порталами Трансформатор ТДТНФ-63000/110-У1 с форсированной системой охлаждения. Вывод ошиновки СН под углом 0 - 20 градусов. Схема расположения строительных конструкций. Вариант с металлическими порталами Трансформатор ТДТНФ-63000/110-У1 с форсированной системой охлаждения. Вывод ошиновки СН под углом 0 - 20 градусов. Схема расположения строительных конструкций. Вариант с железобетонными порталами Трансформатор ТДТНФ-63000/110-У1 с форсированной системой охлаждения. Вывод ошиновки СН под углом 70 - 90 градусов на ячейковых порталах 35 кВ. Схема расположения строительных конструкций. Вариант с металлическими порталами Трансформатор ТДТНФ-63000/110-У1 с форсированной системой охлаждения. Вывод ошиновки СН под углом 70 - 90 градусов на ячейковых порталах 35 кВ. Схема расположения строительных конструкций. Вариант с железобетонными порталами Трансформатор ТДТНФ-63000/110-У1 с форсированной системой охлаждения. Вывод ошиновки СН под углом 70 - 90 градусов на одностоечных опорах 35 кВ. Схема расположения строительных конструкций. Вариант с металлическими порталами Трансформатор ТДТНФ-63000/110-У1 с форсированной системой охлаждения. Вывод ошиновки СН под углом 70 - 90 градусов на одностоечных опорах 35 кВ. Схема расположения строительных конструкций. Вариант с железобетонными порталами Трансформаторы ТДТН-10000; 16000; 25000/110-У1 со сниженной мощностью обмоток СН и НН. Вывод ошиновки СН под углом 0 - 20 градусов. Схема расположения строительных конструкций. Вариант с металлическими порталами Трансформаторы ТДТН-10000; 16000; 25000/110-У1 со сниженной мощностью обмоток СН и НН. Вывод ошиновки СН под углом 0 - 20 градусов. Схема расположения строительных конструкций. Вариант с железобетонными порталами Трансформаторы ТДТН-10000; 16000; 25000/110-У1 со сниженной мощностью обмоток СН и НН. Вывод ошиновки СН под углом 70 - 90 градусов на ячейковых порталах 35 кВ. Схема расположения строительных конструкций. Вариант с металлическими порталами Трансформаторы ТДТН-10000; 16000; 25000/110-У1 со сниженной мощностью обмоток СН и НН. Вывод ошиновки СН под углом 70 - 90 градусов на ячейковых порталах 35 кВ. Схема расположения строительных конструкций. Вариант с железобетонными порталами Трансформаторы ТДТН-10000; 16000; 25000/110-У1 со сниженной мощностью обмоток СН и НН. Вывод ошиновки СН под углом 70 - 90 градусов на одностоечных опорах 35 кВ. Схема расположения строительных конструкций. Вариант с металлическими порталами Трансформаторы ТДТН-10000; 16000; 25000/110-У1 со сниженной мощностью обмоток СН и НН. Вывод ошиновки СН под углом 70 - 90 градусов на одностоечных опорах 35 кВ. Схема расположения строительных конструкций. Вариант с железобетонными порталами Трансформатор ТДТН-40000/110-У1 со сниженной мощностью обмоток СН и НН. Вывод ошиновки СН под углом 0 - 20 градусов. Схема расположения строительных конструкций. Вариант с металлическими порталами Трансформатор ТДТН-40000/110-У1 со сниженной мощностью обмоток СН и НН. Вывод ошиновки СН под углом 0 - 20 градусов. Схема расположения строительных конструкций. Вариант с железобетонными порталами Трансформатор ТДТН-40000/110-У1 со сниженной мощностью обмоток СН и НН. Вывод ошиновки СН под углом 70 - 90 градусов на ячейковых порталах 35 кВ. Схема расположения строительных конструкций. Вариант с металлическими порталами Трансформатор ТДТН-40000/110-У1 со сниженной мощностью обмоток СН и НН. Вывод ошиновки СН под углом 70 - 90 градусов на ячейковых порталах 35 кВ. Схема расположения строительных конструкций. Вариант с железобетонными порталами Трансформатор ТДТН-40000/110-У1 со сниженной мощностью обмоток СН и НН. Вывод ошиновки СН под углом 70 - 90 градусов на одностоечных опорах 35 кВ. Схема расположения строительных конструкций. Вариант с металлическими порталами Трансформатор ТДТН-40000/110-У1 со сниженной мощностью обмоток СН и НН. Вывод ошиновки СН под углом 70 - 90 градусов на одностоечных опорах 35 кВ. Схема расположения строительных конструкций. Вариант с железобетонными порталами Трансформатор ТРНДЦН-25000/16000/110-У1. Схема расположения строительных конструкций. Вариант с металлическими порталами Трансформатор ТРНДЦН-25000/16000/110-У1. Схема расположения строительных конструкций. Вариант с железобетонными порталами Трансформатор ТРНДЦН-40000/25000/110-У1. Схема расположения строительных конструкций. Вариант с металлическими порталами Трансформатор ТРНДЦН-40000/25000/110-У1. Схема расположения строительных конструкций. Вариант с железобетонными порталами Трансформатор ТНДЦН-25000/16000/110-У1. Схема расположения строительных конструкций. Вариант с металлическими порталами Трансформатор ТНДЦН-25000/16000/110-У1. Схема расположения строительных конструкций. Вариант с железобетонными порталами Трансформатор ТРНДЦН-63000/40000/110-У1. Схема расположения строительных конструкций. Вариант с металлическими порталами Трансформатор ТРНДЦН-63000/40000/110-У1. Схема расположения строительных конструкций. Вариант с железобетонными порталами Схема расположения элементов концевой опоры 35 кВ ОГ-1 Схема расположения элементов концевой опоры 35 кВ ОГС-1 Схема расположения элементов трансформаторного портала ПСЛ-110Т1 Схема расположения элементов трансформаторного портала ПСТ-110Т1 Трансформаторные порталы ПСЛ-110Т1А - ПСЛ-110Т1Е, ПСТ-110Т1А - ПСТ-110Т1Е. Схемы расположения дополнительных элементов к порталам Схема расположения элементов трансформаторного портала ПЖС-110Т1 Трансформаторные порталы ПЖС-110Т1А - ПЖС-110Т1Е. Схемы расположения дополнительных элементов к порталам Схема расположения элементов фундаментов П-12, П-13 Схема расположения элементов фундаментов С-17 Схема расположения элементов маслоприемника МП-1 Схема расположения элементов маслоприемника МП-2 Схема расположения элементов маслоприемника МП-3 Устройство для создания уклона трансформаторов Маслоприемники. Узлы I - V Схема расположения элементов анкерного устройства А-21, А-22 Схема расположения элементов анкерного устройства А-23, А-24 Однополюсной заземлитель ЗОН-110м-IIУХЛ с разрядником РВС-35 - РВС-15 или РВС-35 РВМ-20. Вариант 1. Схема расположения элементов опоры О-110-1; О-110-2 Однополюсной заземлитель ЗОН-110м-IУХЛ1 с разрядником РВС-35 - РВС-15 или РВМ-35 РВМ-20. Вариант 2. Схема расположения элементов опоры О-110-3; О-110-4 Разрядник РВС-35 и шкаф зажимов ШЗВ. Схема расположения элементов опоры О-110-5 Групповое охлаждающее устройство (ГОУ). Схема расположения элементов опоры О-110-6 Разрядник РВС-35, шкаф зажимов ШЗВ и шкаф дутья ШД-2. Схема расположения элементов опоры О-110-7 Шкаф зажимов ШЗВ и шкаф ШАОТ-НДЦ. Схема расположения элементов опоры О-110-8 Разрядник РВС-35, шкаф зажимов ШЗВ и шкаф ШАОТ-НДЦ. Схема расположения элементов опоры О-110-9 Узел установки шкафов ШЗВ и ШАОТ-НДЦ на стойке шинного моста Опоры О-110-1 - О-110-5, 7 ,9. Таблица вариантов железобетонных элементов Типы закрепления опор под оборудование в грунте Разрез 1-1 КС.И Строительные изделия Изделие МР-1 - МР-3 Изделие АМ-3 Изделие АМ-4 Изделие АМ-5 Изделие МК-5 Изделие АМ-6, АМ-7 Изделие МР-13 Изделие МР-23 Изделие МР-24 Изделие МР-25 Изделие МР-26 Изделие М-1 Изделие М-2, М-15 Изделие М-4, М-6, М-9 Изделие М-7 Изделие М-8 Изделие М-10 Изделие М-16 Изделие М-17, М-18 Изделие М-19 Изделие М-20 Изделие М-3 | Разработан: | Севзапэнергосетьпроект
| Утверждён: | 28.11.1991 Минэнерго СССР (USSR Minenergo 48)
| Расположен в: |
|
                                                
|