Информационная система
«Ёшкин Кот»

Скачать базу одним архивом
Скачать обновления
История создания базы
Карта сайта

Скачать Серия 4.905-11 Выпуск 6. Установка 2-х счетчиков газа ротационных типа РГ УС-2. Рабочие чертежи

Дата актуализации: 10.08.2017

Серия 4.905-11

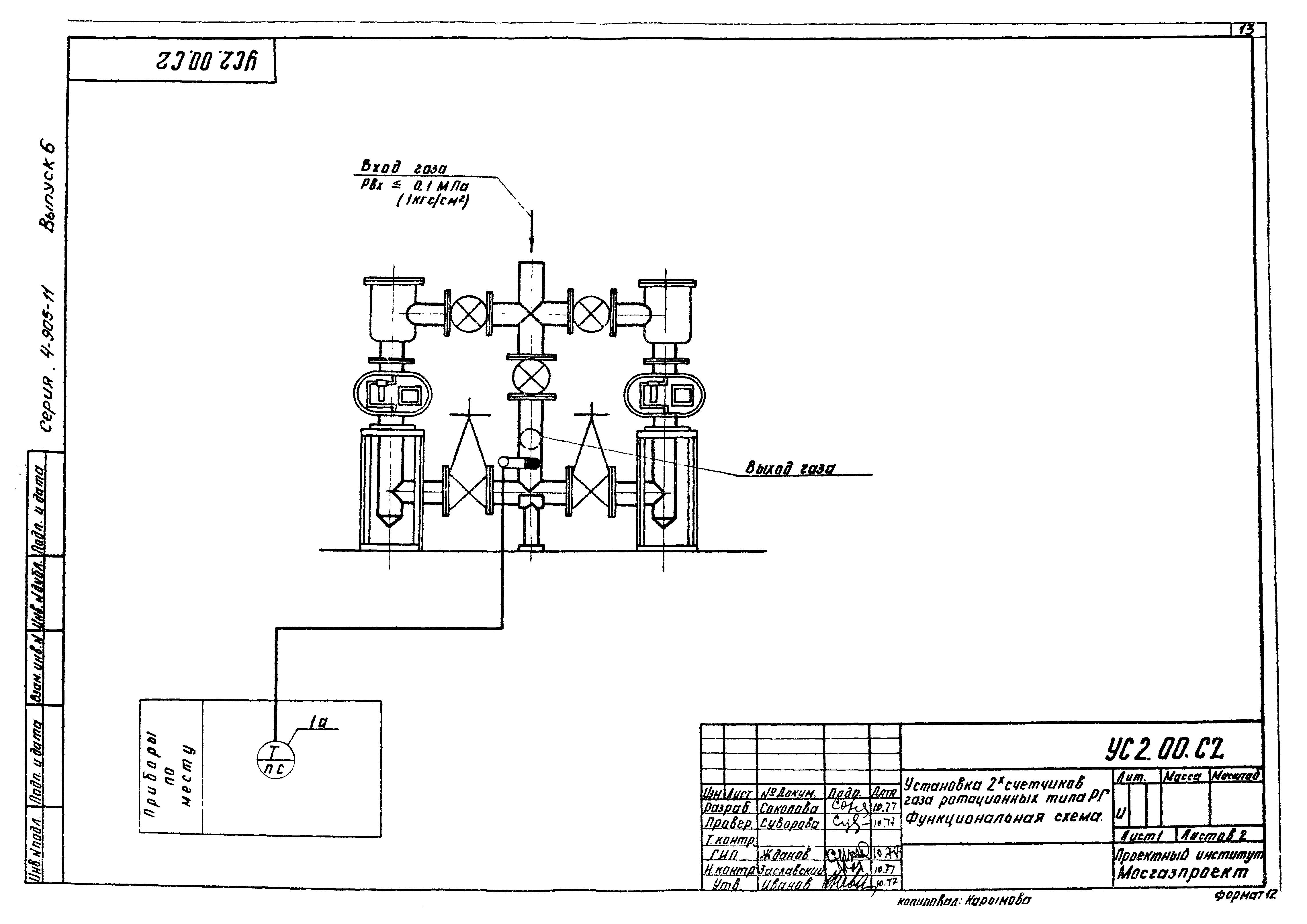
Выпуск 6. Установка 2-х счетчиков газа ротационных типа РГ УС-2. Рабочие чертежи

Обозначение: Серия 4.905-11
Обозначение англ: Series 4.905-11
Статус:заменен
Название рус.:Выпуск 6. Установка 2-х счетчиков газа ротационных типа РГ УС-2. Рабочие чертежи
Дата добавления в базу:01.09.2013
Дата актуализации:05.05.2017
Дата введения:01.06.1985
Оглавление:Титульный лист
Содержание
УС.2.00 Спецификация
УС.2.00 СБ Сборочный чертеж
УС.2.00 Д Рекомендации по выбору, расчету, изготовлению и монтажу
УС.2.00 ВП Ведомость покупных изделий
УС.2.00 С2 Функциональная схема
УС.2.00.01.00 Крестовина входная
УС.2.00.01.01 Труба
УС.2.00.01.00 СБ Крестовина входная
УС.2.00.01.02 Труба
УС.2.00.03.02 Труба
УС.2.00.02.00 Тройник-ревизия
УС.2.00.02.01 Корпус
УС.2.00.02.00 СБ Тройник-ревизия
УС.2.00.02.02 Прокладка
УС.2.00.03.01 Заглушка
УС.2.00.03.00 Тройник
УС.2.00.03.00 СБ Тройник
УС.2.00.04.00 Крестовина входная
УС.2.00.04.00 СБ Крестовина входная
УС.2.00.04.01 Труба
УС.2.00.04.02 Бобышка
УС.2.00.05.00 Подставка под счетчик
УС.2.00.05.00 СБ Подставка под счетчик
УС.2.00.05.01 Уголок
УС.2.00.07 Болт анкерный
УС.2.00.06.00 Подставка
УС.2.00.06.00 СБ Подставка
УС.2.00.08.00 Секция ограждения
УС.2.00.08.00 СБ Секция ограждения
УС.2.00.08.01 Уголок
УС.2.00.08.02 Планка
Разработан: Мосгазпроект
Утверждён:12.05.1978 МЖКХ РСФСР
Расположен в:Техническая документация Строительство Справочные документы Типовые строительные конструкции, изделия и узлы Общероссийский строительный каталог Строительные конструкции, изделия и узлы зданий и сооружений для всех видов строительства Инженерное оборудование Инженерное оборудование; изделия и узлы инженерного оборудования зданий и сооружений Установки газоснабжения
Чем заменён:
Серия 4.905-11Серия 4.905-11Серия 4.905-11Серия 4.905-11Серия 4.905-11Серия 4.905-11Серия 4.905-11Серия 4.905-11Серия 4.905-11Серия 4.905-11Серия 4.905-11Серия 4.905-11Серия 4.905-11Серия 4.905-11Серия 4.905-11Серия 4.905-11Серия 4.905-11Серия 4.905-11Серия 4.905-11Серия 4.905-11Серия 4.905-11Серия 4.905-11Серия 4.905-11Серия 4.905-11Серия 4.905-11Серия 4.905-11Серия 4.905-11Серия 4.905-11Серия 4.905-11Серия 4.905-11Серия 4.905-11Серия 4.905-11Серия 4.905-11

© 2013 Ёшкин Кот :-) Карта сайта