Информационная система
«Ёшкин Кот»

Скачать базу одним архивом
Скачать обновления
История создания базы
Карта сайта

Скачать Серия 1.133-1 Выпуск 2. Стеновые легкобетонные блоки толщиной 50 см для жилых зданий высотой 5 - 9 этажей

Дата актуализации: 10.08.2017

Серия 1.133-1

Выпуск 2. Стеновые легкобетонные блоки толщиной 50 см для жилых зданий высотой 5 - 9 этажей

Обозначение: Серия 1.133-1
Обозначение англ: Series 1.133-1
Статус:заменен
Название рус.:Выпуск 2. Стеновые легкобетонные блоки толщиной 50 см для жилых зданий высотой 5 - 9 этажей
Дата добавления в базу:01.09.2013
Дата актуализации:05.05.2017
Дата введения:01.11.1981
Область применения:В альбом включены рабочие чертежи крупных блоков наружных стен толщиной 50 см, предназначенные для изготовления этих блоков предприятиями строительной промышленности и применения в строительстве 5-9-этажных жилых зданий
Оглавление:Содержание
Пояснительная записка
Простеночный блок НБ-9.22.5-1 (НБ-9.22.5-2)
Простеночный блок НБ-12.22.5-1 (НБ-12.22.5-2)
Простеночный блок НБ-12.22.5-5 (НБ-12.22.5-6)
Простеночный блок НБ-15.22.5-1 (НБ-15.22.5-2)
Простеночный блок НБ-15.22.5-3 (НБ-15.22.5-4)
Простеночный блок НБ-15.22.5-5 (НБ-15.22.5-6)
Простеночный блок НБ-18.22.5-1 (НБ-18.22.5-2)
Простеночный блок НБ-18.22.5-5 (НБ-18.22.5-6)
Простеночный блок угловой НБУ-7.22.5-1
Простеночный блок угловой НБУ-11.22.5-1 (НБУ-11.22.5-2)
Простеночный блок угловой НБУ-16.22.5-1 (НБУ-16.22.5-2)
Простеночный блок температурного шва НБУ-7/7.22.5-3 (НБУ-7/7.22.5-4)
Простеночный блок температурного шва НБУ-9/7.22.5-3 (НБУ-9/7.22.5-4)
Перемычечный блок НБ-24.6.5П
Перемычечный блок НБ-24.6.5П. Армирование
Перемычечный блок НБ-27.6.5П
Перемычечный блок НБ-27.6.5П. Армирование
Перемычечный блок НБ-30.6.5П
Перемычечный блок НБ-30.6.5П. Армирование
Перемычечный блок НБ-33.6.5П
Перемычечный блок НБ-33.6.5П. Армирование
Перемычечный блок НБ-36.6.5П
Перемычечный блок НБ-36.6.5П. Армирование
Перемычечный блок НБ-24.4.5П
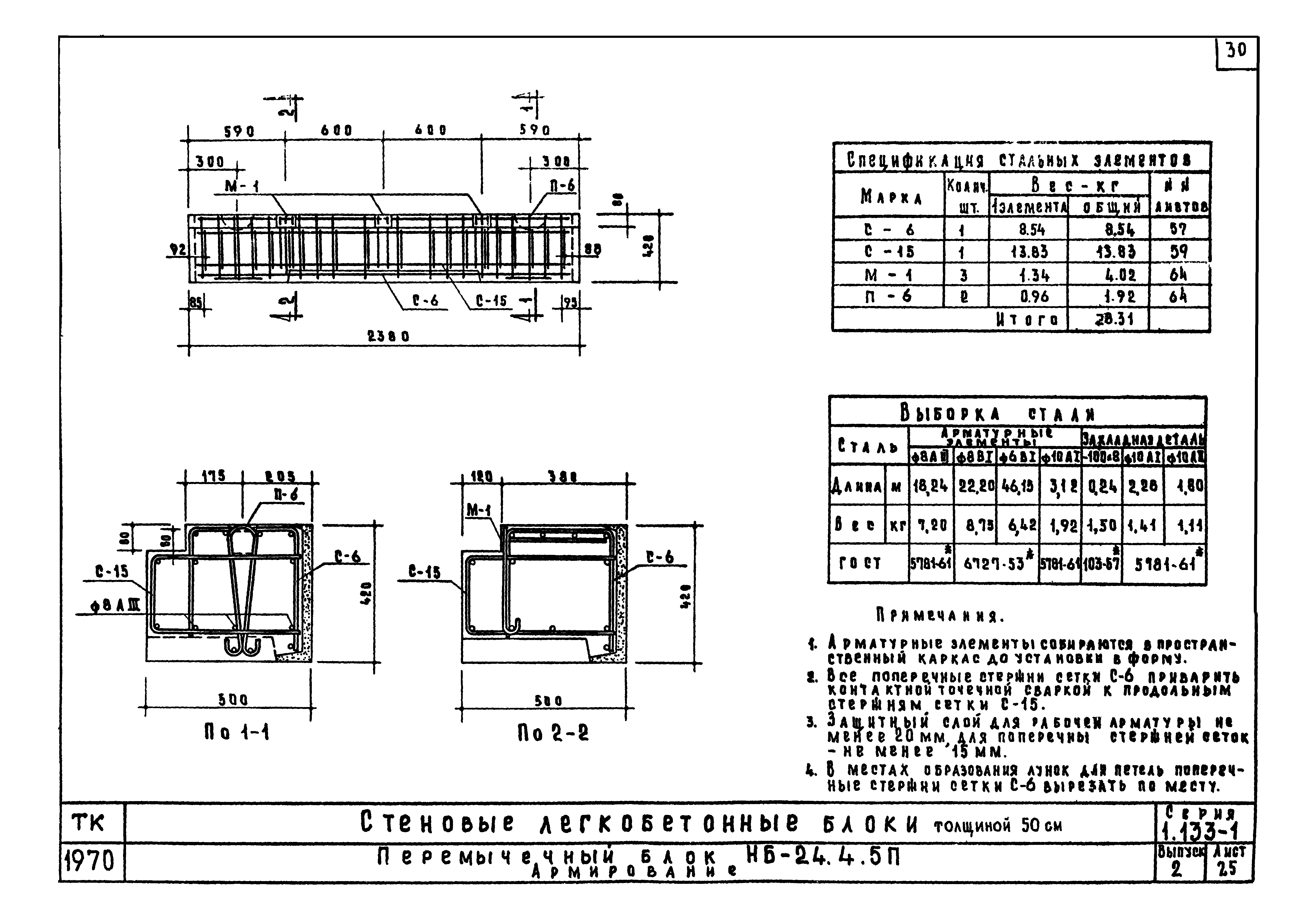
Перемычечный блок НБ-24.4.5П. Армирование
Перемычечный блок НБ-27.4.5П
Перемычечный блок НБ-27.4.5П. Армирование
Перемычечный блок НБ-33.4.5П
Перемычечный блок НБ-33.4.5П. Армирование
Перемычечный блок НБ-36.4.5Пл
Перемычечный блок НБ-36.4.5Пл. Армирование
Перемычечный блок НБ-36.4.5П
Перемычечный блок НБ-36.4.5П. Армирование
Поясной блок НБ-21.6.5
Поясной блок НБ-21.6.5. Армирование
Поясной блок угловой НБУ-13.6.5Л
Поясной блок угловой НБУ-13.6.5
Поясные блоки угловые НБУ-13.6.5Л; НБУ-13.6.5. Армирование
Поясной блок угловой НБУ-29.6.5Л
Поясной блок угловой НБУ-29.6.5Л. Армирование
Поясной блок угловой НБУ-29.6.5
Поясной блок угловой НБУ-29.6.5. Армирование
Подоконный блок НБО-12.8.4
Подоконный блок НБО-12.11.5
Подоконный блок НБО-15.11.4
Подоконный блок НБД-12.8.4
Парапетный блок НБП-18.12.5
Парапетный блок НБП-24.12.5
Парапетный блок угловой НБПУ-16.12.5Л
Парапетный блок угловой НБПУ-16.12.5
Детали устройства шпонки
Детали
Схема опирания и загружения при испытании. Контрольные нагрузки для перемычечных блоков НБ-24.6.5П, НБ-27.6.5-П, НБ-30.6.5П, НБ-33.6.5П, НБ-36.6.5П
Схема опирания и загружения при испытании. Контрольные нагрузки для перемычечных блоков НБ-24.4.5П, НБ-27.4.5-П, НБ-33.4.5П, НБ-36.4.5Пл, НБ-36.4.5П
Сварные сетки С-1, С-2, С-3
Сварные сетки С-4, С-5
Сварные сетки С-6, С-7, С-8, С-9
Сварные сетки С-10, С-11, С-12
Сварные сетки С-13, С-14, С-15
Сварные сетки С-16, С-17, С-18
Сварные сетки С-19, С-20Л, С-20
Сварные сетки С-21, С-22Л, С-22
Сварные сетки С-23Л, С-23, С-24Л, С-24
Закладные детали М-1; М-2. Петли П-1 - П-10
Конструкция простеночных блоков при применении подкосов во время монтажа стен
Конструкция простеночных блоков угловых при применении подкосов во время монтажа стен
Петли П1-5, П2-5, П3-5, П1-5а, П1-5б, П2-5а, П3-5а
Разработан: ЦНИИСК им. В.А. Кучеренко
ЦНИИЭП жилища
Утверждён:06.10.1971 Государственный комитет по гражданскому строительству и архитектуре при Госстрое СССР (178)
Расположен в:Техническая документация Строительство Справочные документы Типовые строительные конструкции, изделия и узлы Общероссийский строительный каталог Строительные конструкции, изделия и узлы зданий и сооружений для всех видов строительства Конструкции, изделия и узлы зданий Конструкции нулевого цикла Цокольные панели и блоки стен подвалов
Чем заменён:
Нормативные ссылки:
Серия 1.133-1Серия 1.133-1Серия 1.133-1Серия 1.133-1Серия 1.133-1Серия 1.133-1Серия 1.133-1Серия 1.133-1Серия 1.133-1Серия 1.133-1Серия 1.133-1Серия 1.133-1Серия 1.133-1Серия 1.133-1Серия 1.133-1Серия 1.133-1Серия 1.133-1Серия 1.133-1Серия 1.133-1Серия 1.133-1Серия 1.133-1Серия 1.133-1Серия 1.133-1Серия 1.133-1Серия 1.133-1Серия 1.133-1Серия 1.133-1Серия 1.133-1Серия 1.133-1Серия 1.133-1Серия 1.133-1Серия 1.133-1Серия 1.133-1Серия 1.133-1Серия 1.133-1Серия 1.133-1Серия 1.133-1Серия 1.133-1Серия 1.133-1Серия 1.133-1Серия 1.133-1Серия 1.133-1Серия 1.133-1Серия 1.133-1Серия 1.133-1Серия 1.133-1Серия 1.133-1Серия 1.133-1Серия 1.133-1Серия 1.133-1Серия 1.133-1Серия 1.133-1Серия 1.133-1Серия 1.133-1Серия 1.133-1Серия 1.133-1Серия 1.133-1Серия 1.133-1Серия 1.133-1Серия 1.133-1Серия 1.133-1Серия 1.133-1Серия 1.133-1Серия 1.133-1Серия 1.133-1Серия 1.133-1Серия 1.133-1Серия 1.133-1Серия 1.133-1Серия 1.133-1Серия 1.133-1Серия 1.133-1Серия 1.133-1Серия 1.133-1

© 2013 Ёшкин Кот :-) Карта сайта