Информационная система
«Ёшкин Кот»

Скачать базу одним архивом
Скачать обновления
История создания базы
Карта сайта

Скачать Серия 1.133-1 Выпуск 1. Стеновые легкобетонные блоки толщиной 40 см для жилых зданий высотой 5 - 9 этажей

Дата актуализации: 10.08.2017

Серия 1.133-1

Выпуск 1. Стеновые легкобетонные блоки толщиной 40 см для жилых зданий высотой 5 - 9 этажей

Обозначение: Серия 1.133-1
Обозначение англ: Series 1.133-1
Статус:заменен
Название рус.:Выпуск 1. Стеновые легкобетонные блоки толщиной 40 см для жилых зданий высотой 5 - 9 этажей
Дата добавления в базу:01.09.2013
Дата актуализации:05.05.2017
Дата введения:01.11.1981
Область применения:В альбом включены рабочие чертежи крупных блоков наружных стен толщиной 40 см, предназначенные для изготовления этих блоков предприятиями строительной промышленности и применения в строительстве 5-9-этажных жилых зданий
Оглавление:Содержание
Пояснительная записка
Простеночный блок НБ-9.22.4-1
Простеночный блок НБ-12.22.4-1
Простеночный блок НБ-12.22.4-5
Простеночный блок НБ-15.22.4-1
Простеночный блок НБ-15.22.4-3
Простеночный блок НБ-15.22.4-5
Простеночный блок НБ-18.22.4-1
Простеночный блок НБ-18.22.4-5
Простеночный блок угловой НБУ-10.22.4-1
Простеночный блок угловой НБУ-15.22.4-1
Простеночный блок угловой НБУ-8.22.4-1
Простеночный блок температурного шва НБУ-7/6.22.4-3
Простеночный блок температурного шва НБУ-9/6.22.4-3
Перемычечный блок НБ-24.6.4П
Перемычечный блок НБ-24.6.4П. Армирование
Перемычечный блок НБ-27.6.4П
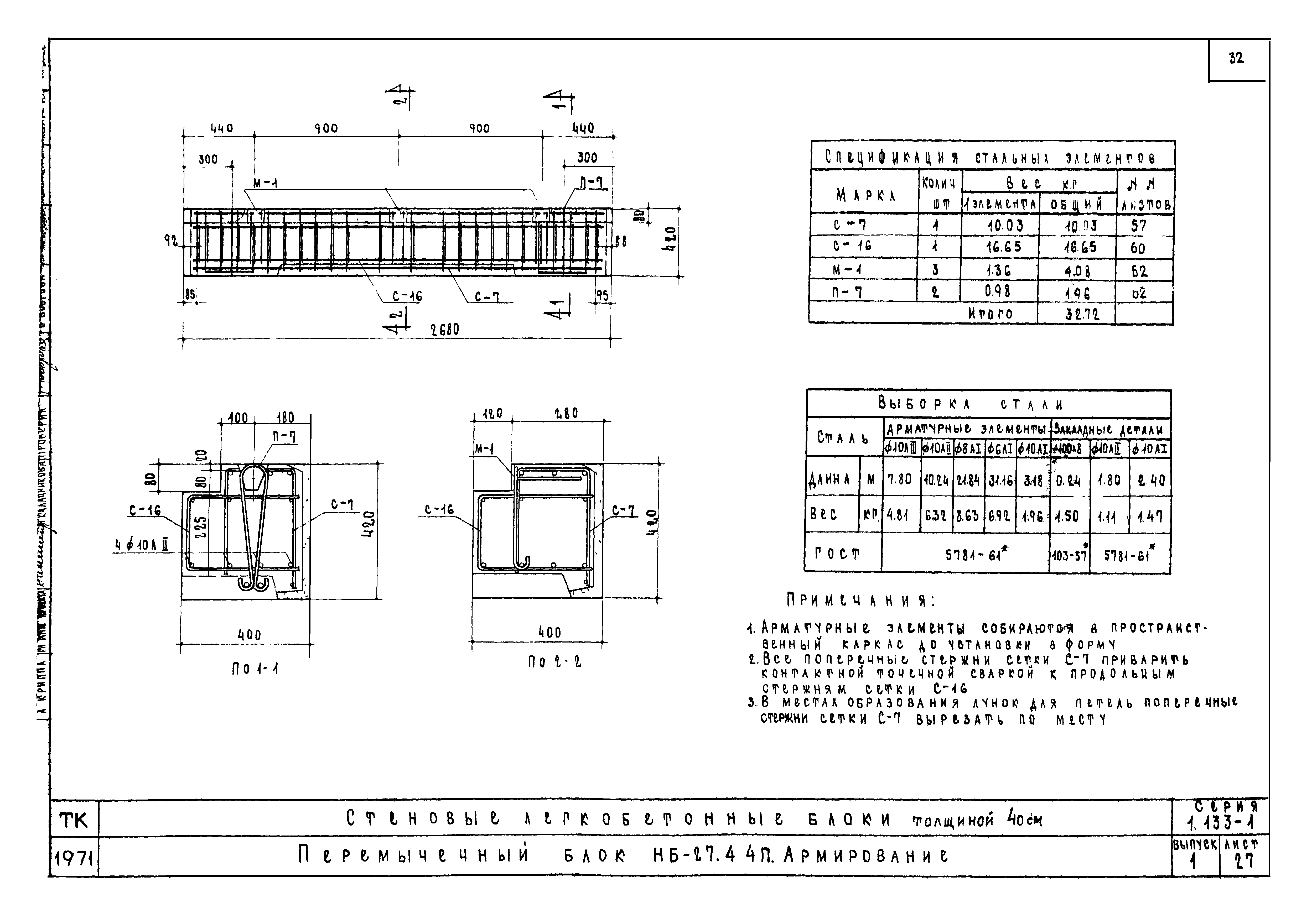
Перемычечный блок НБ-27.6.4П. Армирование
Перемычечный блок НБ-30.6.4П
Перемычечный блок НБ-30.6.4П. Армирование
Перемычечный блок НБ-33.6.4П
Перемычечный блок НБ-33.6.4П. Армирование
Перемычечный блок НБ-36.6.4П
Перемычечный блок НБ-36.6.4П. Армирование
Перемычечный блок НБ-24.4.4П
Перемычечный блок НБ-24.4.4П. Армирование
Перемычечный блок НБ-27.4.4П
Перемычечный блок НБ-27.4.4П. Армирование
Перемычечный блок НБ-33.4.4П
Перемычечный блок НБ-33.4.4П. Армирование
Перемычечный блок НБ-36.4.4Пл
Перемычечный блок НБ-36.4.4Пл. Армирование
Перемычечный блок НБ-36.4.4П
Перемычечный блок НБ-36.4.4П. Армирование
Поясной блок НБ-21.6.4
Поясной блок НБ-21.6.4. Армирование
Поясной блок угловой НБУ-12.6.4Л
Поясной блок угловой НБУ-12.6.4
Поясные блоки угловые НБУ-12.6.4Л и НБУ-12.6.4. Армирование
Поясной блок угловой НБУ-28.6.4Л
Поясной блок угловой НБУ-28.6.4Л. Армирование
Поясной блок угловой НБУ-28.6.4
Поясной блок угловой НБУ-28.6.4. Армирование
Подоконный блок НБО-12.8.3
Подоконный блок НБО-12.11.4
Подоконный блок НБО-15.11.3
Подоконный блок НБД-12.8.3
Парапетный блок НБП-18.12.4
Парапетный блок НБП-24.12.4
Парапетный блок угловой НБПУ-15.12.4Л
Парапетный блок угловой НБПУ-15.12.4
Детали устройства шпонки
Детали
Схема опирания и загружения при испытании. Контрольные нагрузки для перемычечных блоков НБ-24.6.4П, НБ-27.6.4П, НБ-30.6.4П, НБ-33.6.4П, НБ-36.6.4П
Схема опирания и загружения при испытании. Контрольные нагрузки для перемычечных блоков НБ-24.4.4П, НБ-27.4.4П, НБ-33.4.4П, НБ-36.4.4Пл, НБ-36.4.4П
Сварные сетки С-1; С-2; С-3
Сварные сетки С-4; С-5
Сварные сетки С-6; С-7; С-8; С-9
Сварные сетки С-10; С-11; С-12
Сварные сетки С-13; С-14; С-15
Сварные сетки С-16; С-17; С-18
Сварные сетки С-19; С-20Л; С-20
Сварные сетки С-21; С-22Л; С-22. Закладные детали М-1; М-2. петли с П-1 по П-10, П-12, П-13
Сварные сетки С-23Л; С-23; С-24Л; С-24
Конструкция простеночных блоков при применении подкосов во время монтажа стен
Конструкция простеночных блоков угловых при применении подкосов во время монтажа стен
Петли П1-4, П2-4, П3-4, П1-4а, П2-4а, П3-4а, П12-4а
Разработан: ЦНИИСК им. В.А. Кучеренко
ЦНИИЭП жилища
Утверждён:06.10.1971 Государственный комитет по гражданскому строительству и архитектуре при Госстрое СССР (178)
Расположен в:Техническая документация Строительство Справочные документы Типовые строительные конструкции, изделия и узлы Общероссийский строительный каталог Строительные конструкции, изделия и узлы зданий и сооружений для всех видов строительства Конструкции, изделия и узлы зданий Конструкции нулевого цикла Цокольные панели и блоки стен подвалов
Чем заменён:
Нормативные ссылки:
Серия 1.133-1Серия 1.133-1Серия 1.133-1Серия 1.133-1Серия 1.133-1Серия 1.133-1Серия 1.133-1Серия 1.133-1Серия 1.133-1Серия 1.133-1Серия 1.133-1Серия 1.133-1Серия 1.133-1Серия 1.133-1Серия 1.133-1Серия 1.133-1Серия 1.133-1Серия 1.133-1Серия 1.133-1Серия 1.133-1Серия 1.133-1Серия 1.133-1Серия 1.133-1Серия 1.133-1Серия 1.133-1Серия 1.133-1Серия 1.133-1Серия 1.133-1Серия 1.133-1Серия 1.133-1Серия 1.133-1Серия 1.133-1Серия 1.133-1Серия 1.133-1Серия 1.133-1Серия 1.133-1Серия 1.133-1Серия 1.133-1Серия 1.133-1Серия 1.133-1Серия 1.133-1Серия 1.133-1Серия 1.133-1Серия 1.133-1Серия 1.133-1Серия 1.133-1Серия 1.133-1Серия 1.133-1Серия 1.133-1Серия 1.133-1Серия 1.133-1Серия 1.133-1Серия 1.133-1Серия 1.133-1Серия 1.133-1Серия 1.133-1Серия 1.133-1Серия 1.133-1Серия 1.133-1Серия 1.133-1Серия 1.133-1Серия 1.133-1Серия 1.133-1Серия 1.133-1Серия 1.133-1Серия 1.133-1Серия 1.133-1Серия 1.133-1Серия 1.133-1Серия 1.133-1Серия 1.133-1Серия 1.133-1

© 2013 Ёшкин Кот :-) Карта сайта