Информационная система
«Ёшкин Кот»

Скачать базу одним архивом
Скачать обновления
История создания базы
Карта сайта

Скачать Типовой проект 902-1-150.1.88 Альбом 2. Технология производства. Внутренний водопровод и канализация. Отопление и вентиляция (из ТП 902-1-148.88)

Дата актуализации: 10.08.2017

Типовой проект 902-1-150.1.88

Альбом 2. Технология производства. Внутренний водопровод и канализация. Отопление и вентиляция (из ТП 902-1-148.88)

Обозначение: Типовой проект 902-1-150.1.88
Обозначение англ: 902-1-150.1.88
Статус:не определен законодательством
Название рус.:Альбом 2. Технология производства. Внутренний водопровод и канализация. Отопление и вентиляция (из ТП 902-1-148.88)
Дата добавления в базу:01.09.2013
Дата актуализации:05.05.2017
Дата введения:15.09.1988
Оглавление:Технология производства ТХ
Общие данные
План подземной части
Разрез 1-1
Разрез 2-2
План приемного резервуара. Разрез 3-3
Схема узла подводящего коллектора. Схема системы 1К1Н
План машинного зала с системой В3. Схема систем 1В3, 1К13, 1К13Н
Внутренний водопровод и канализация ВК
Общие данные. План на отм. 0.000. Схемы систем В1, К1, Т3
Отопление и вентиляция ОВ
Общие данные
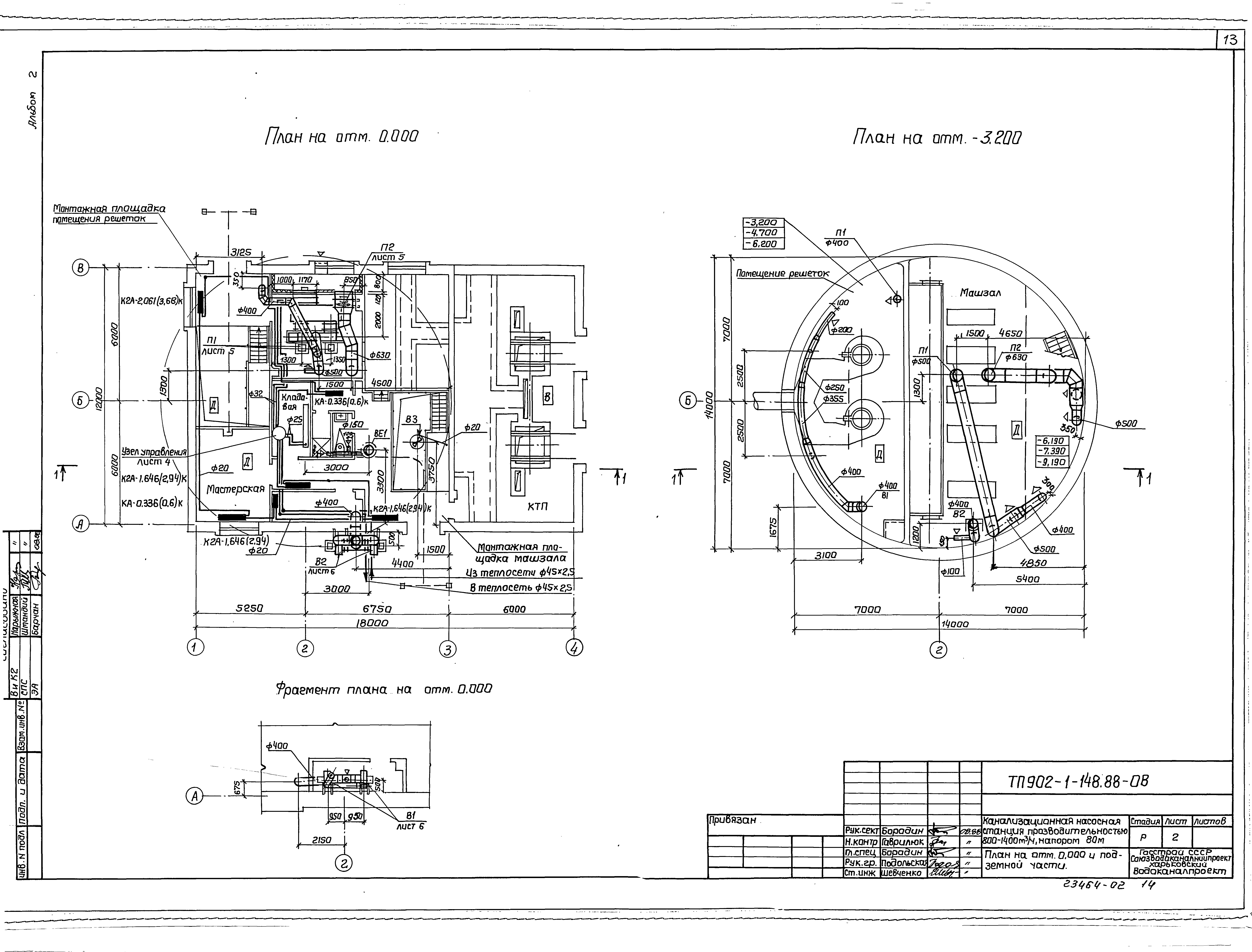
План на отм. 0.000 и подземной части
Разрез 1-1. Схемы систем П1, П2, В1, В2, ВЕ1
Схемы системы отопления, теплоснабжения водоподогревателя, установки П1. Узел управления
Установки систем П1, П2
Установки систем В1, В2
Разработан: Харьковский Водоканалпроект
Утверждён:08.07.1986 Госстрой СССР (Государственный комитет Совета Министров СССР по делам строительства) (USSR Gosstroy 20)
Расположен в:Техническая документация Строительство Справочные документы Типовые строительные конструкции, изделия и узлы Общероссийский строительный каталог Промышленные предприятия, здания и сооружения Здания и сооружения санитарно-технические Канализация Станции насосные Станции насосные для перекачки бытовых сточных вод
Типовой проект 902-1-150.1.88Типовой проект 902-1-150.1.88Типовой проект 902-1-150.1.88Типовой проект 902-1-150.1.88Типовой проект 902-1-150.1.88Типовой проект 902-1-150.1.88Типовой проект 902-1-150.1.88Типовой проект 902-1-150.1.88Типовой проект 902-1-150.1.88Типовой проект 902-1-150.1.88Типовой проект 902-1-150.1.88Типовой проект 902-1-150.1.88Типовой проект 902-1-150.1.88Типовой проект 902-1-150.1.88Типовой проект 902-1-150.1.88Типовой проект 902-1-150.1.88Типовой проект 902-1-150.1.88Типовой проект 902-1-150.1.88

© 2013 Ёшкин Кот :-) Карта сайта