Информационная система
«Ёшкин Кот»

Скачать базу одним архивом
Скачать обновления
История создания базы
Карта сайта

Скачать Серия ИИ-04-5 Выпуск 21. Стеновые панели из легких бетонов толщиной 400 мм. Опалубочные и арматурные чертежи. Рабочие чертежи

Дата актуализации: 10.08.2017

Серия ИИ-04-5

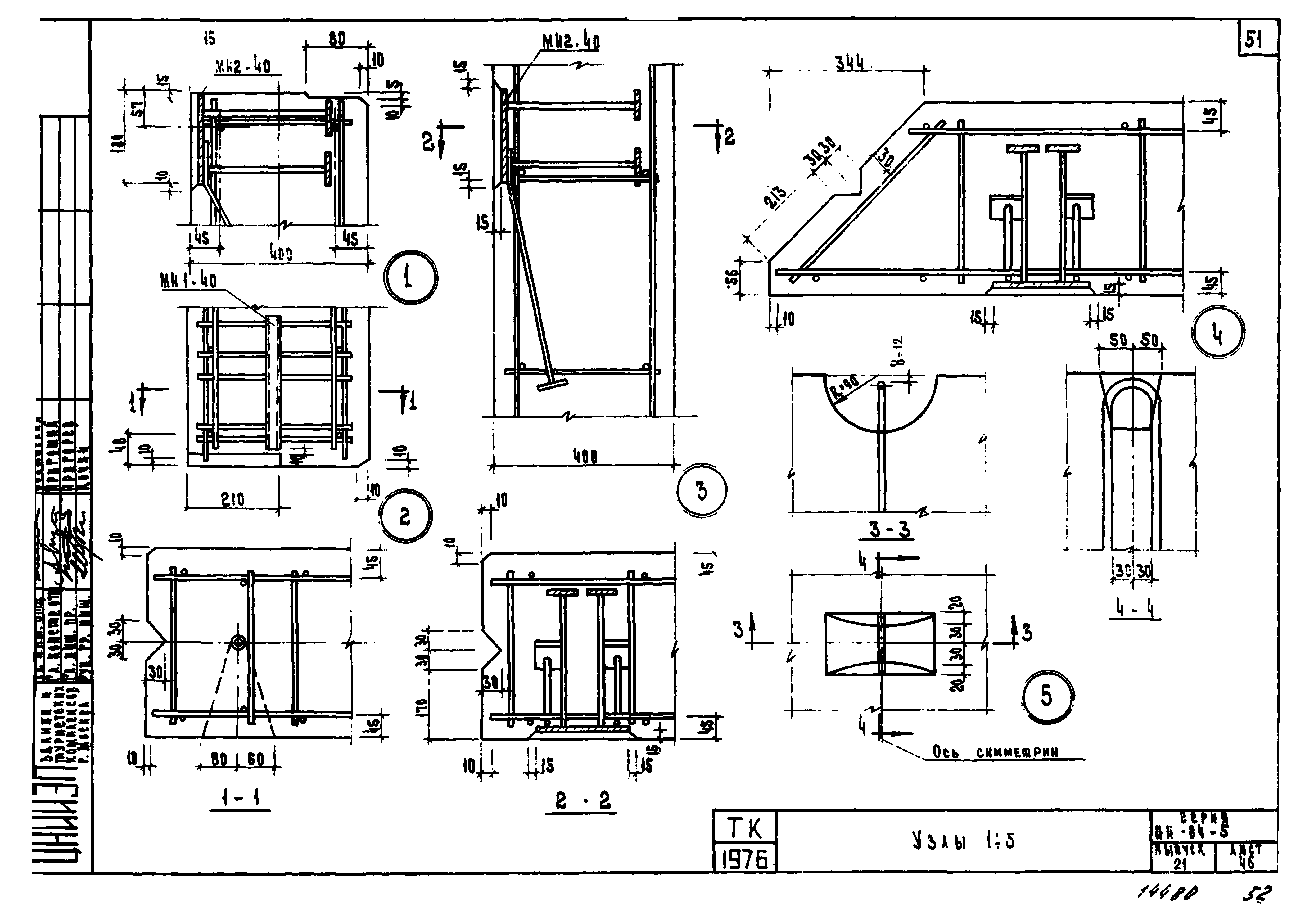
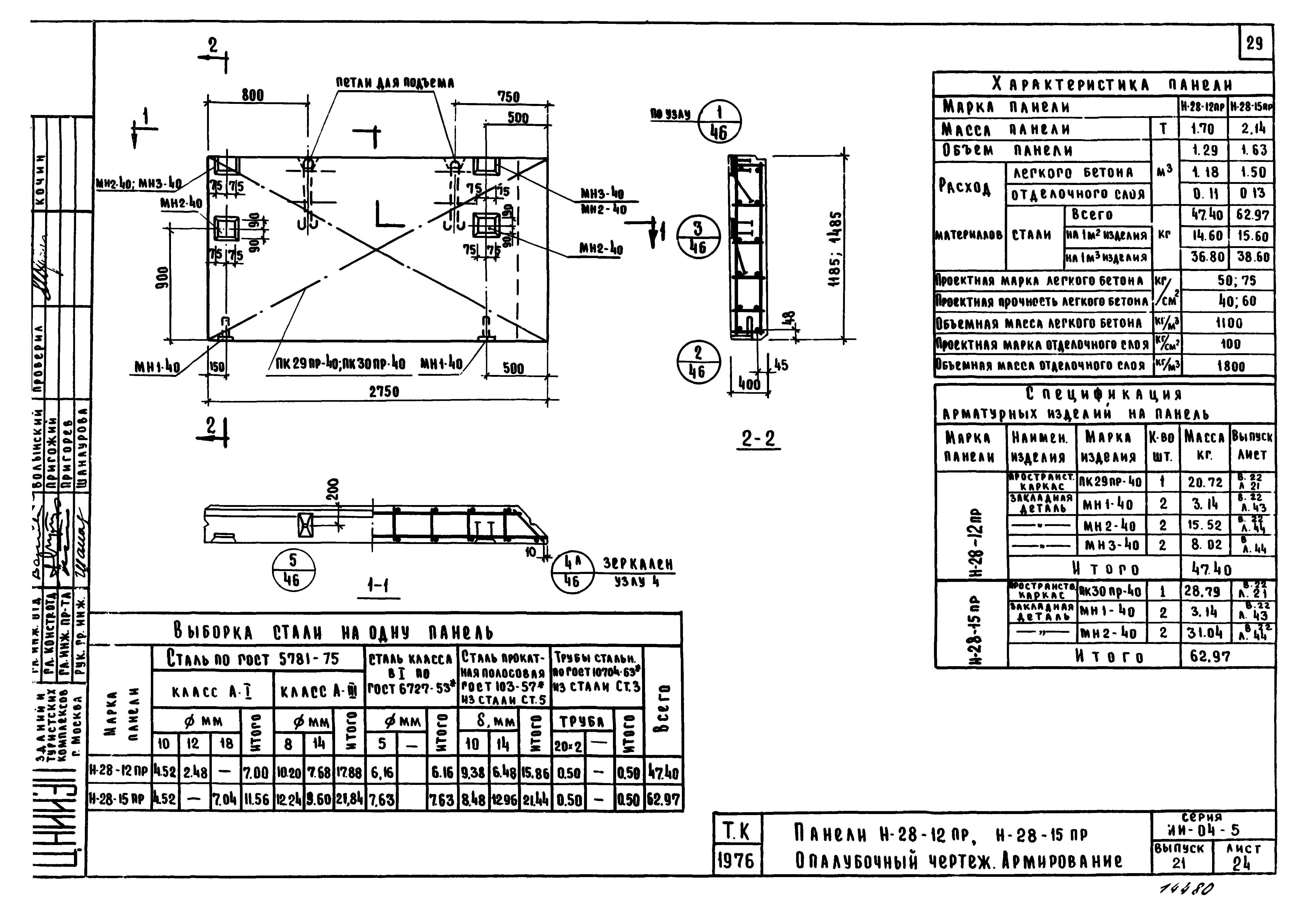
Выпуск 21. Стеновые панели из легких бетонов толщиной 400 мм. Опалубочные и арматурные чертежи. Рабочие чертежи

Обозначение: Серия ИИ-04-5
Обозначение англ: Series ИИ-04-5
Статус:не действует
Название рус.:Выпуск 21. Стеновые панели из легких бетонов толщиной 400 мм. Опалубочные и арматурные чертежи. Рабочие чертежи
Дата добавления в базу:01.09.2013
Дата актуализации:05.05.2017
Дата введения:01.06.1977
Дата окончания срока действия:01.04.1982
Разработан: НИИЖБ Госстроя СССР
ЦНИИЭП торгово-бытовых зданий и туристских комплексов
Утверждён:28.03.1977 Государственный комитет по гражданскому строительству и архитектуре при Госстрое СССР (56)
Расположен в:Техническая документация Строительство Справочные документы Типовые строительные конструкции, изделия и узлы Общероссийский строительный каталог Строительные конструкции, изделия и узлы зданий и сооружений для всех видов строительства Конструкции, изделия и узлы зданий Несущие конструкции двухэтажных и многоэтажных зданий Каркасные здания
Чем заменён:
Серия ИИ-04-5Серия ИИ-04-5Серия ИИ-04-5Серия ИИ-04-5Серия ИИ-04-5Серия ИИ-04-5Серия ИИ-04-5Серия ИИ-04-5Серия ИИ-04-5Серия ИИ-04-5Серия ИИ-04-5Серия ИИ-04-5Серия ИИ-04-5Серия ИИ-04-5Серия ИИ-04-5Серия ИИ-04-5Серия ИИ-04-5Серия ИИ-04-5Серия ИИ-04-5Серия ИИ-04-5Серия ИИ-04-5Серия ИИ-04-5Серия ИИ-04-5Серия ИИ-04-5Серия ИИ-04-5Серия ИИ-04-5Серия ИИ-04-5Серия ИИ-04-5Серия ИИ-04-5Серия ИИ-04-5Серия ИИ-04-5Серия ИИ-04-5Серия ИИ-04-5Серия ИИ-04-5Серия ИИ-04-5Серия ИИ-04-5Серия ИИ-04-5Серия ИИ-04-5Серия ИИ-04-5Серия ИИ-04-5Серия ИИ-04-5Серия ИИ-04-5Серия ИИ-04-5Серия ИИ-04-5Серия ИИ-04-5Серия ИИ-04-5Серия ИИ-04-5Серия ИИ-04-5Серия ИИ-04-5Серия ИИ-04-5Серия ИИ-04-5Серия ИИ-04-5Серия ИИ-04-5Серия ИИ-04-5Серия ИИ-04-5Серия ИИ-04-5

© 2013 Ёшкин Кот :-) Карта сайта