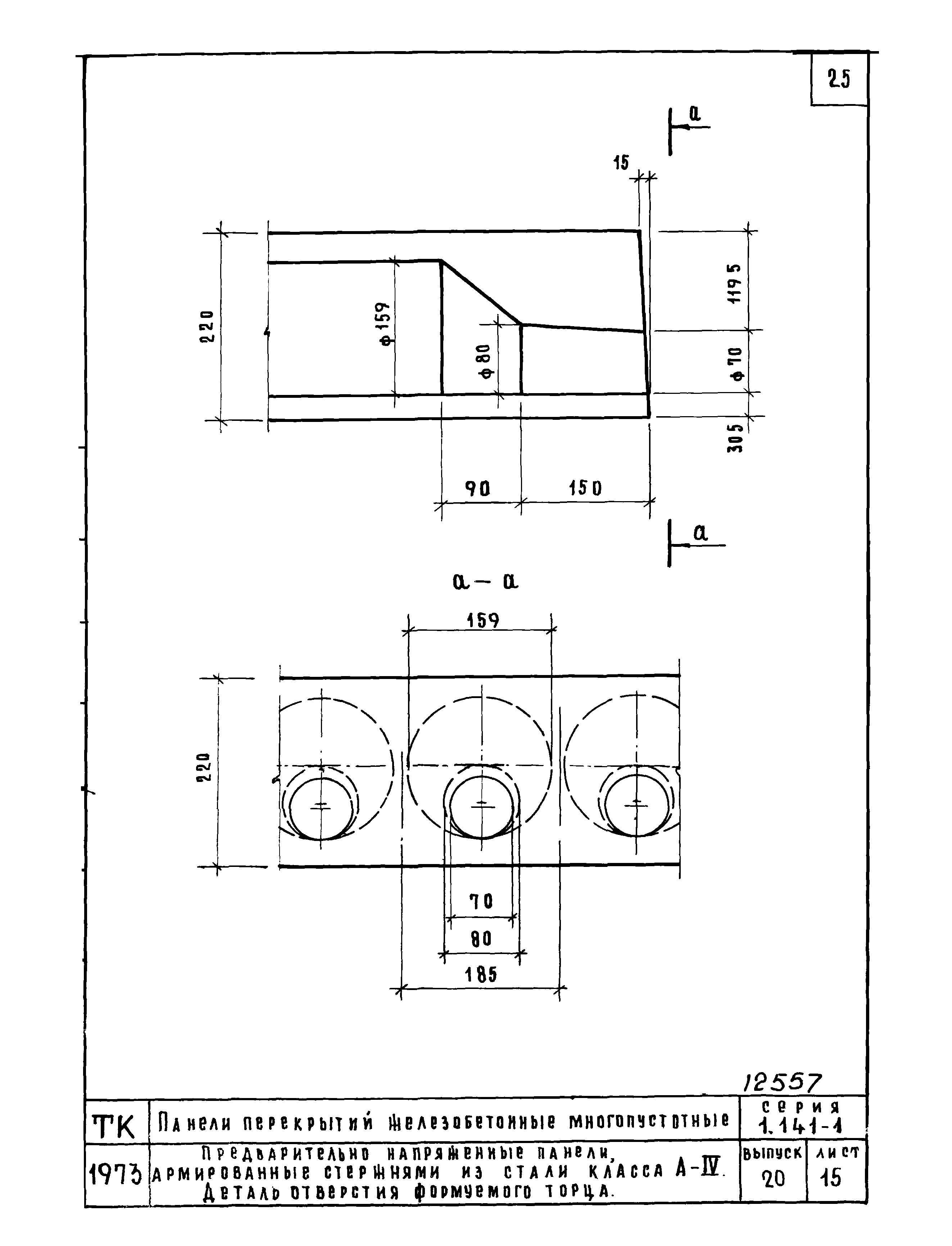
Скачать Серия 1.141-1 Выпуск 20. Предварительно напряженные панели с круглыми пустотами длиной 508 и 478 см, шириной 149, 119 и 99 см, армированные стержнями из стали класса А-IV (расчетная нагрузка 1000 кг/кв. м без учета собственного веса панели). Методы натяжения механический и электротермическийДата актуализации: 10.08.2017 Серия 1.141-1
Выпуск 20. Предварительно напряженные панели с круглыми пустотами длиной 508 и 478 см, шириной 149, 119 и 99 см, армированные стержнями из стали класса А-IV (расчетная нагрузка 1000 кг/кв. м без учета собственного веса панели). Методы натяжения механический и электротермический| Обозначение: | Серия 1.141-1 | | Обозначение англ: | Series 1.141-1 | | Статус: | не действует | | Название рус.: | Выпуск 20. Предварительно напряженные панели с круглыми пустотами длиной 508 и 478 см, шириной 149, 119 и 99 см, армированные стержнями из стали класса А-IV (расчетная нагрузка 1000 кг/кв. м без учета собственного веса панели). Методы натяжения механический и электротермический | | Дата добавления в базу: | 01.09.2013 | | Дата актуализации: | 05.05.2017 | | Дата введения: | 25.10.1973 | | Дата окончания срока действия: | 01.06.1987 | | Разработан: | НИИЖБ Госстроя СССР ЦНИИЭП жилища
| | Утверждён: | 11.09.1973 Госгражданстрой (Gosgrazhdanstroy 200)
| | Расположен в: |
|
                                               
|