Скачать Серия 1.117-9 Выпуск 1-1. Панели групп ЦР1, ЦР2, ЦР4, ЦР5 толщиной 250 ммДата актуализации: 10.08.2017 Серия 1.117-9
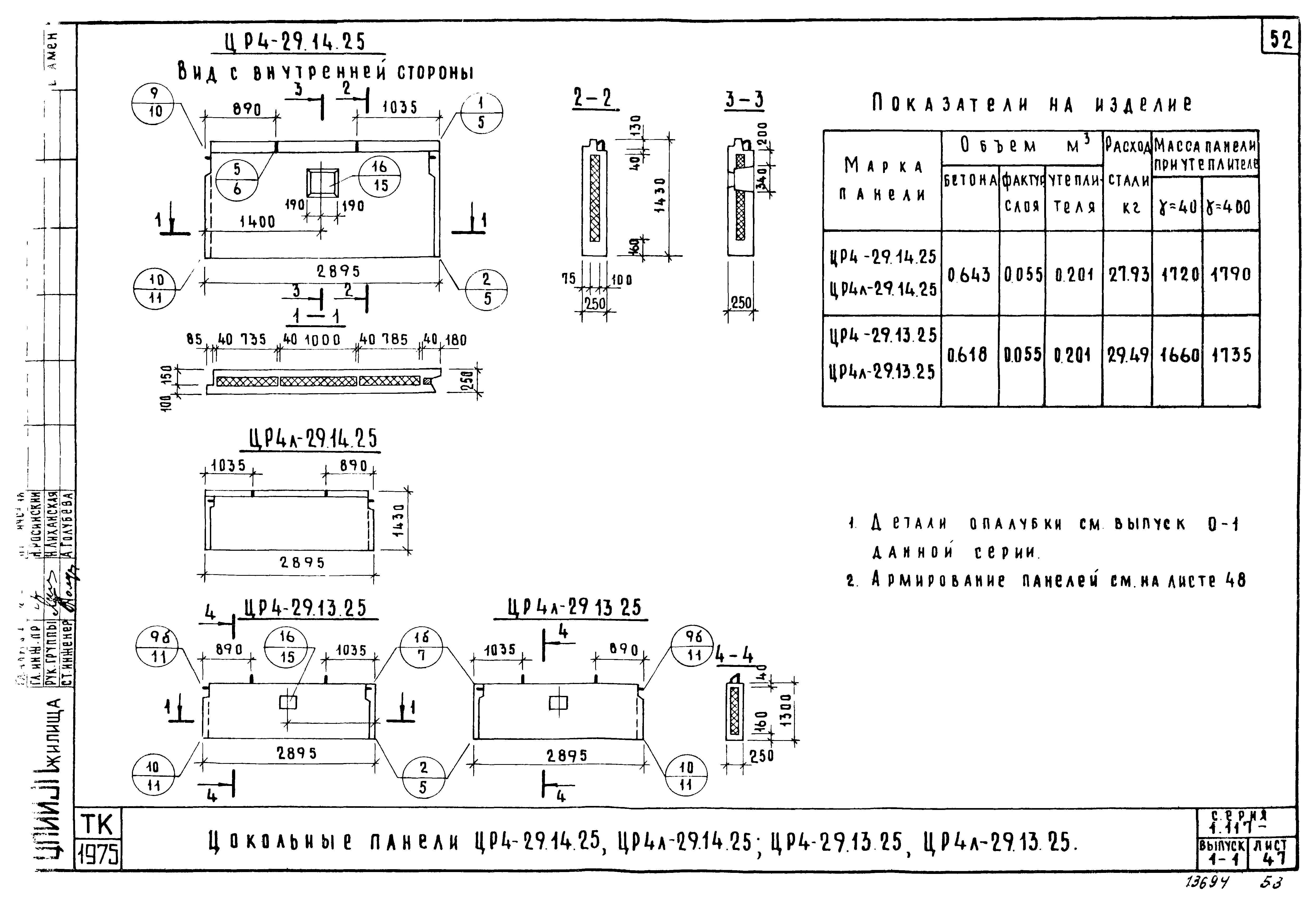
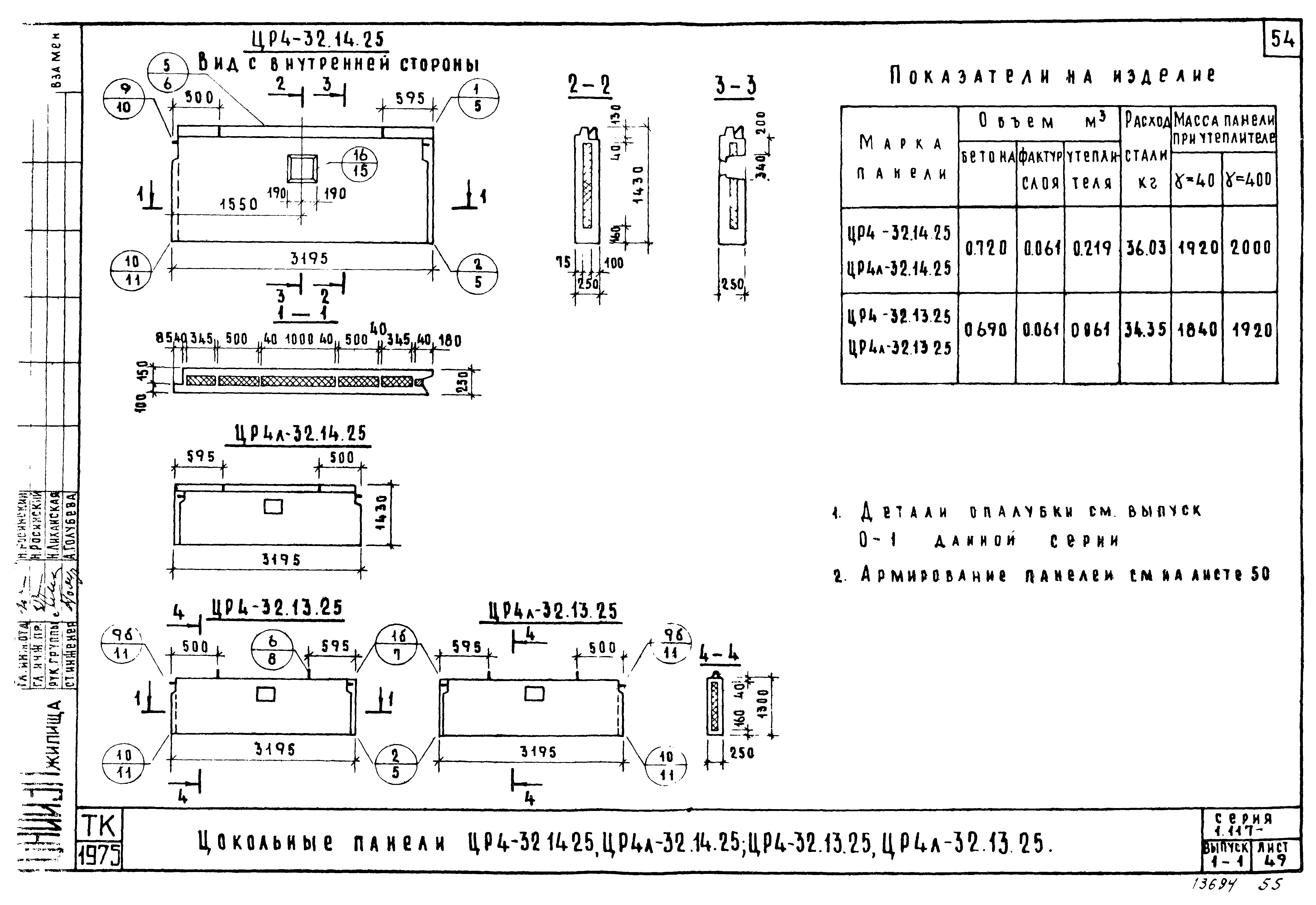
Выпуск 1-1. Панели групп ЦР1, ЦР2, ЦР4, ЦР5 толщиной 250 ммОбозначение: | Серия 1.117-9 | Обозначение англ: | Series 1.117-9 | Статус: | не действует | Название рус.: | Выпуск 1-1. Панели групп ЦР1, ЦР2, ЦР4, ЦР5 толщиной 250 мм | Дата добавления в базу: | 01.09.2013 | Дата актуализации: | 05.05.2017 | Дата введения: | 01.06.1987 | Область применения: | В альбоме серии 1.117-9 выпуск 1-1 представлены рабочие чертежи наружных трехслойных стеновых цокольных панелей групп ЦР1, ЦР2, ЦР4 и ЦР5. Альбомом следует пользоваться совместно с выпусками 0-1; 2-1 и 2-2 настоящей серии | Разработан: | ЦНИИСК им. В.А. Кучеренко ЦНИИЭП жилища
| Утверждён: | 16.12.1975 Государственный комитет по гражданскому строительству и архитектуре при Госстрое СССР (289)
| Расположен в: |
| Нормативные ссылки: | |
                                                                                     
|