Информационная система
«Ёшкин Кот»

Скачать базу одним архивом
Скачать обновления
История создания базы
Карта сайта

Скачать Серия 1.412-1/77 Выпуск 2. Рабочие чертежи

Дата актуализации: 10.08.2017

Серия 1.412-1/77

Выпуск 2. Рабочие чертежи

Обозначение: Серия 1.412-1/77
Обозначение англ: Series 1.412-1/77
Статус:заменен
Название рус.:Выпуск 2. Рабочие чертежи
Дата добавления в базу:01.09.2013
Дата актуализации:05.05.2017
Дата введения:01.04.1989
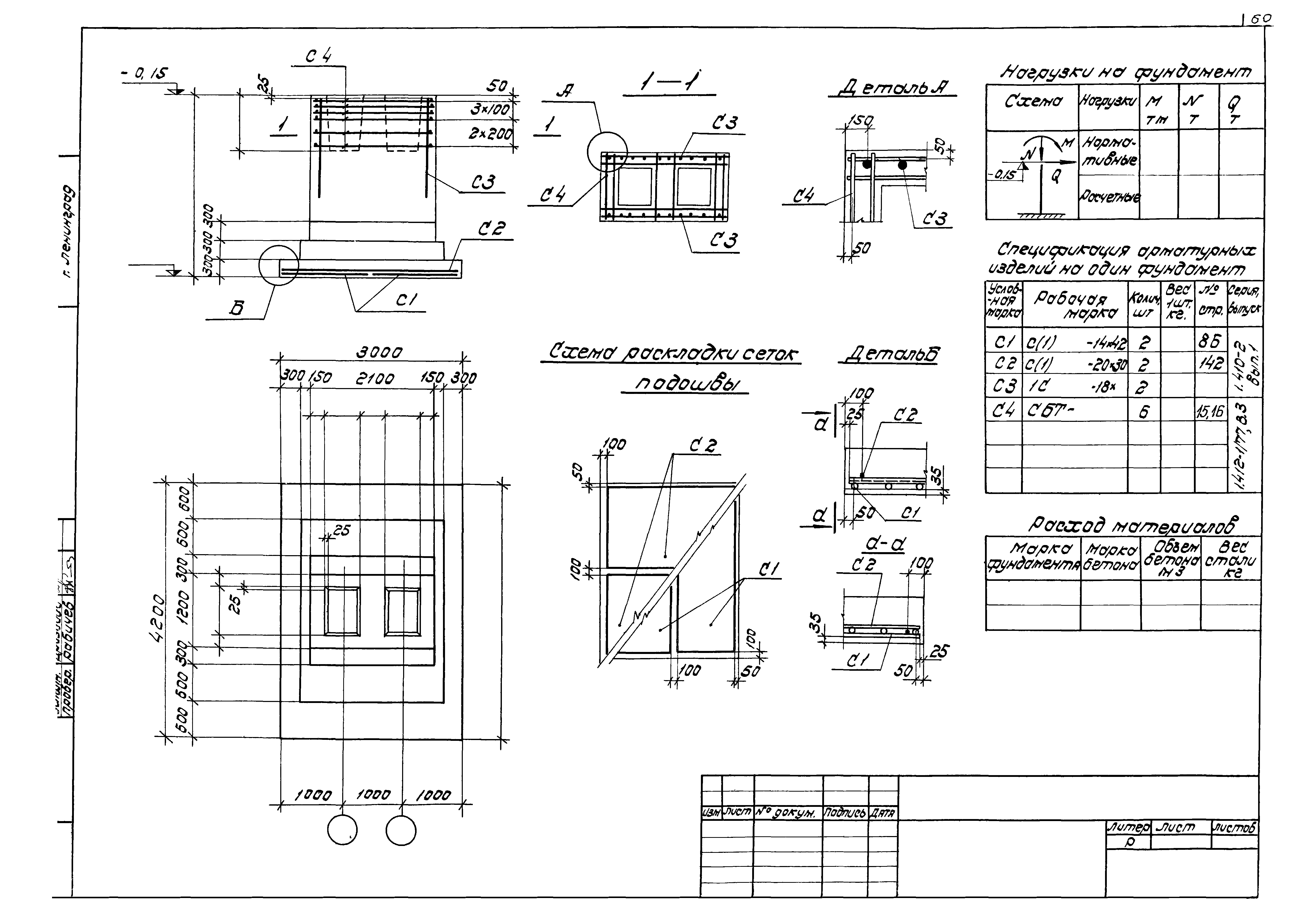
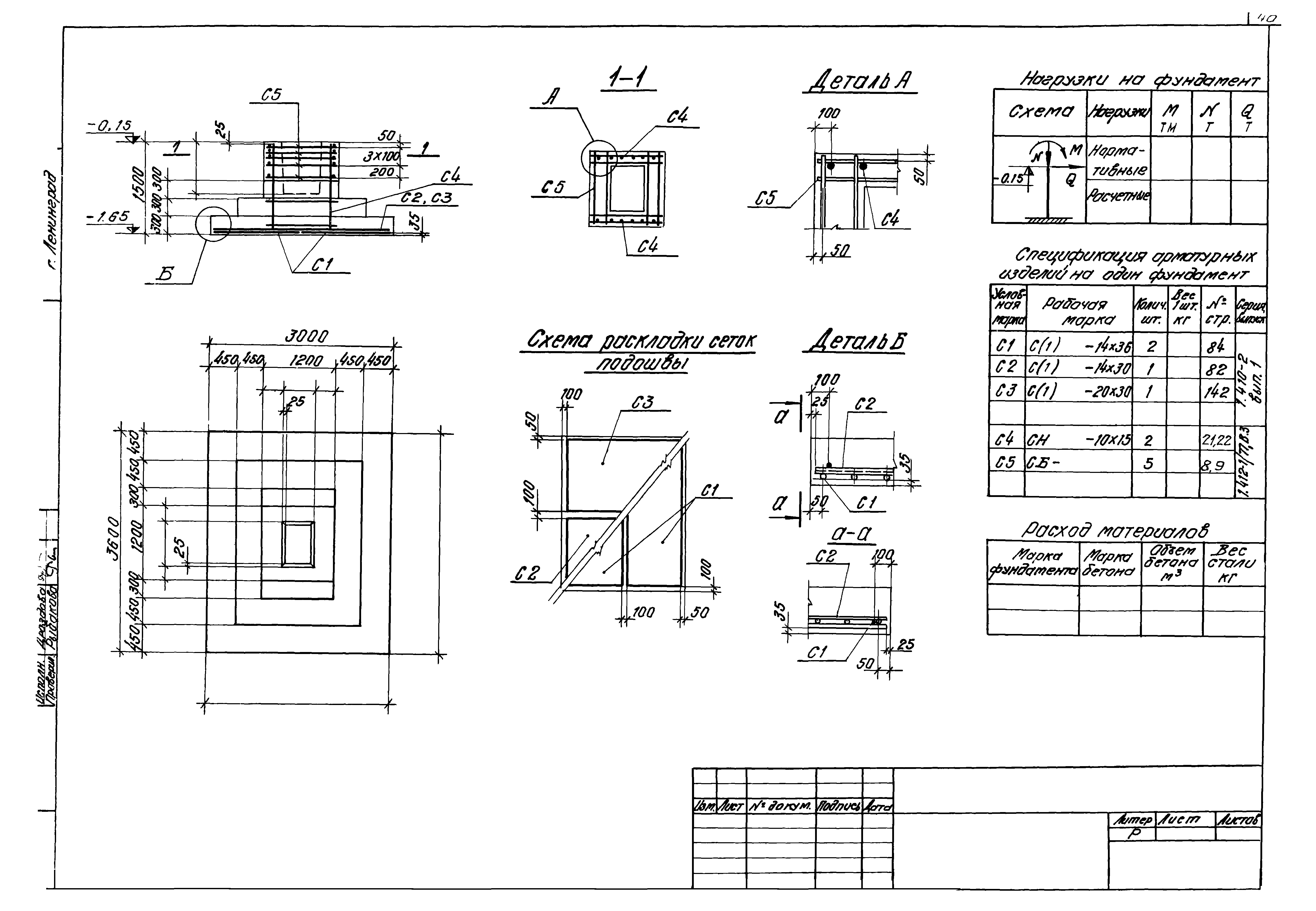
Область применения:В настоящем выпуске 2 серии 1.412-1/77 разработаны рабочие чертежи железобетонных монолитных фундаментов на естественном основании под типовые колонны прямоугольного сечения по сериям КЭ-01-49, КЭ-01-55, 1.423-3 и 1.423-5 для одноэтажных производственных зданий
Разработан: НИИЖБ
ЦНИИОМТП
НИИОСП Госстроя СССР
Проектный институт № 1 Госстроя СССР
Утверждён:10.03.1978 Госстрой СССР (Государственный комитет Совета Министров СССР по делам строительства) (USSR Gosstroy 26)
Расположен в:Техническая документация Строительство Справочные документы Типовые строительные конструкции, изделия и узлы Общероссийский строительный каталог Строительные конструкции, изделия и узлы зданий и сооружений для всех видов строительства Конструкции, изделия и узлы зданий Конструкции нулевого цикла Фундаменты и фундаментные блоки
Чем заменён:
Нормативные ссылки:
Серия 1.412-1/77Серия 1.412-1/77Серия 1.412-1/77Серия 1.412-1/77Серия 1.412-1/77Серия 1.412-1/77Серия 1.412-1/77Серия 1.412-1/77Серия 1.412-1/77Серия 1.412-1/77Серия 1.412-1/77Серия 1.412-1/77Серия 1.412-1/77Серия 1.412-1/77Серия 1.412-1/77Серия 1.412-1/77Серия 1.412-1/77Серия 1.412-1/77Серия 1.412-1/77Серия 1.412-1/77Серия 1.412-1/77Серия 1.412-1/77Серия 1.412-1/77Серия 1.412-1/77Серия 1.412-1/77Серия 1.412-1/77Серия 1.412-1/77Серия 1.412-1/77Серия 1.412-1/77Серия 1.412-1/77Серия 1.412-1/77Серия 1.412-1/77Серия 1.412-1/77Серия 1.412-1/77Серия 1.412-1/77Серия 1.412-1/77Серия 1.412-1/77Серия 1.412-1/77Серия 1.412-1/77Серия 1.412-1/77Серия 1.412-1/77Серия 1.412-1/77Серия 1.412-1/77Серия 1.412-1/77Серия 1.412-1/77Серия 1.412-1/77Серия 1.412-1/77Серия 1.412-1/77Серия 1.412-1/77Серия 1.412-1/77Серия 1.412-1/77Серия 1.412-1/77Серия 1.412-1/77Серия 1.412-1/77Серия 1.412-1/77Серия 1.412-1/77Серия 1.412-1/77Серия 1.412-1/77Серия 1.412-1/77Серия 1.412-1/77Серия 1.412-1/77Серия 1.412-1/77Серия 1.412-1/77Серия 1.412-1/77Серия 1.412-1/77Серия 1.412-1/77Серия 1.412-1/77Серия 1.412-1/77Серия 1.412-1/77Серия 1.412-1/77Серия 1.412-1/77Серия 1.412-1/77Серия 1.412-1/77Серия 1.412-1/77Серия 1.412-1/77Серия 1.412-1/77Серия 1.412-1/77Серия 1.412-1/77Серия 1.412-1/77Серия 1.412-1/77Серия 1.412-1/77Серия 1.412-1/77Серия 1.412-1/77Серия 1.412-1/77Серия 1.412-1/77Серия 1.412-1/77Серия 1.412-1/77Серия 1.412-1/77Серия 1.412-1/77Серия 1.412-1/77Серия 1.412-1/77Серия 1.412-1/77Серия 1.412-1/77Серия 1.412-1/77Серия 1.412-1/77Серия 1.412-1/77Серия 1.412-1/77Серия 1.412-1/77Серия 1.412-1/77Серия 1.412-1/77Серия 1.412-1/77Серия 1.412-1/77Серия 1.412-1/77Серия 1.412-1/77Серия 1.412-1/77Серия 1.412-1/77Серия 1.412-1/77Серия 1.412-1/77Серия 1.412-1/77Серия 1.412-1/77Серия 1.412-1/77Серия 1.412-1/77Серия 1.412-1/77Серия 1.412-1/77

© 2013 Ёшкин Кот :-) Карта сайта