Информационная система
«Ёшкин Кот»

Скачать базу одним архивом
Скачать обновления
История создания базы
Карта сайта

Скачать Типовой проект 708-18.85 Альбом 8. Сборные железобетонные элементы и металлические изделия

Дата актуализации: 10.08.2017

Типовой проект 708-18.85

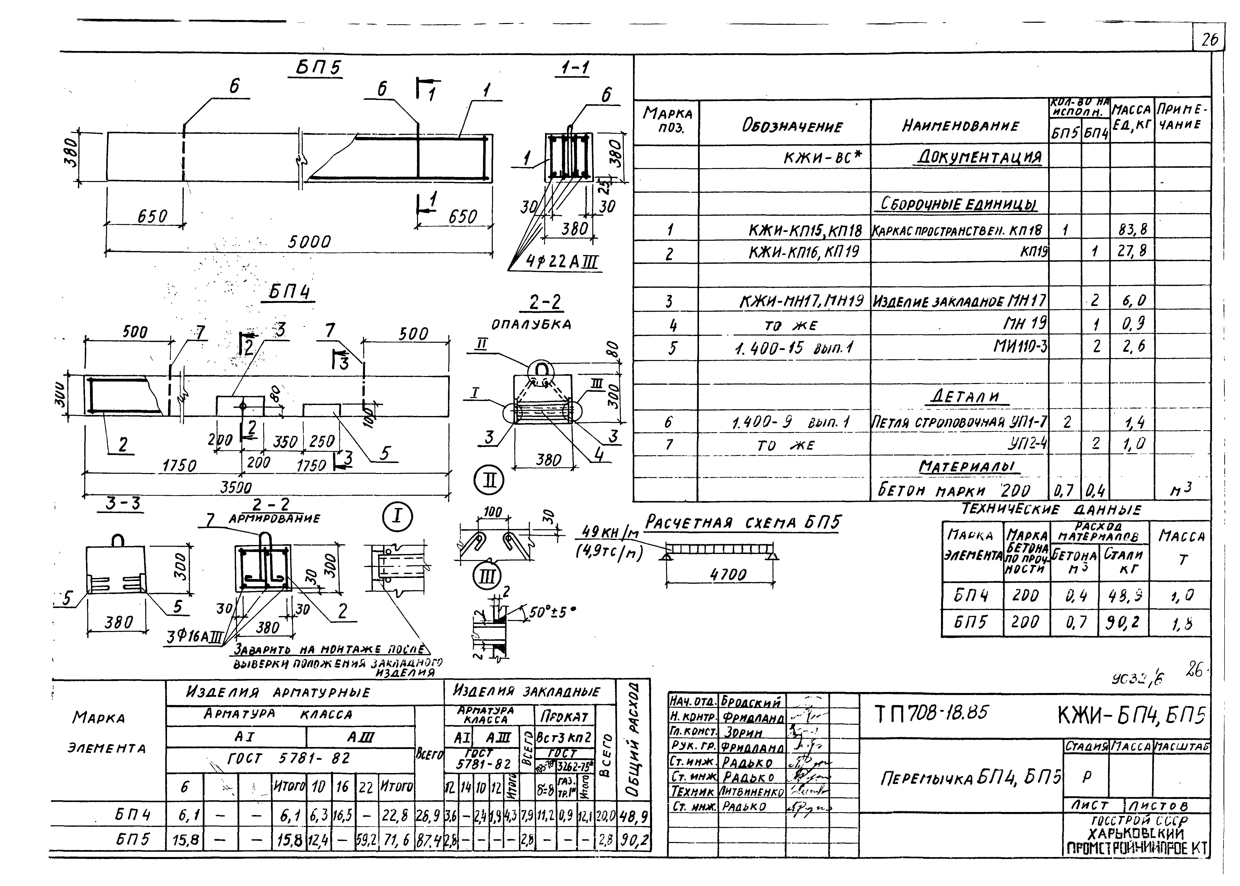
Альбом 8. Сборные железобетонные элементы и металлические изделия

Обозначение: Типовой проект 708-18.85
Обозначение англ: 708-18.85
Статус:действует
Название рус.:Альбом 8. Сборные железобетонные элементы и металлические изделия
Дата добавления в базу:01.09.2013
Дата актуализации:05.05.2017
Оглавление:Ведомость чертежей
Техническое описание
Панели
Ведомость расхода стали на элемент
Панели
Перемычки
Ведомость расхода стали на элемент
Плиты
Колонны
Подушки опорные
Фундаментная балка
Перемычки
Каркасы пространственные
Каркасы плоские
Сетки арматурные
Изделия закладные
Изделия соединительные
Ограждение кровли
Решетка ходовая
Ограждения площадки
Каркас плоский
Сетка арматурная
Разработан: Харьковский Промстройниипроект
Утверждён:07.01.1983 Госстрой СССР (Государственный комитет Совета Министров СССР по делам строительства) (USSR Gosstroy ВА-2)
Расположен в:Техническая документация Строительство Справочные документы Типовые строительные конструкции, изделия и узлы Общероссийский строительный каталог Промышленные предприятия, здания и сооружения Предприятия, здания и сооружения складские Склады строительных материалов и изделий
Типовой проект 708-18.85Типовой проект 708-18.85Типовой проект 708-18.85Типовой проект 708-18.85Типовой проект 708-18.85Типовой проект 708-18.85Типовой проект 708-18.85Типовой проект 708-18.85Типовой проект 708-18.85Типовой проект 708-18.85Типовой проект 708-18.85Типовой проект 708-18.85Типовой проект 708-18.85Типовой проект 708-18.85Типовой проект 708-18.85Типовой проект 708-18.85Типовой проект 708-18.85Типовой проект 708-18.85Типовой проект 708-18.85Типовой проект 708-18.85Типовой проект 708-18.85Типовой проект 708-18.85Типовой проект 708-18.85Типовой проект 708-18.85Типовой проект 708-18.85Типовой проект 708-18.85Типовой проект 708-18.85Типовой проект 708-18.85Типовой проект 708-18.85Типовой проект 708-18.85Типовой проект 708-18.85Типовой проект 708-18.85Типовой проект 708-18.85Типовой проект 708-18.85Типовой проект 708-18.85Типовой проект 708-18.85Типовой проект 708-18.85Типовой проект 708-18.85Типовой проект 708-18.85Типовой проект 708-18.85Типовой проект 708-18.85Типовой проект 708-18.85Типовой проект 708-18.85Типовой проект 708-18.85Типовой проект 708-18.85Типовой проект 708-18.85Типовой проект 708-18.85Типовой проект 708-18.85Типовой проект 708-18.85Типовой проект 708-18.85Типовой проект 708-18.85Типовой проект 708-18.85Типовой проект 708-18.85Типовой проект 708-18.85Типовой проект 708-18.85Типовой проект 708-18.85Типовой проект 708-18.85Типовой проект 708-18.85Типовой проект 708-18.85Типовой проект 708-18.85Типовой проект 708-18.85Типовой проект 708-18.85Типовой проект 708-18.85Типовой проект 708-18.85Типовой проект 708-18.85Типовой проект 708-18.85Типовой проект 708-18.85Типовой проект 708-18.85Типовой проект 708-18.85Типовой проект 708-18.85Типовой проект 708-18.85Типовой проект 708-18.85Типовой проект 708-18.85Типовой проект 708-18.85Типовой проект 708-18.85Типовой проект 708-18.85

© 2013 Ёшкин Кот :-) Карта сайта