Информационная система
«Ёшкин Кот»

Скачать базу одним архивом
Скачать обновления
История создания базы
Карта сайта

Скачать Типовой проект 708-18.85 Альбом 5. Вспомогательные сооружения склада для хранения щебня и песка. Архитектурные решения. Конструкции железобетонные. Конструкции металлические

Дата актуализации: 10.08.2017

Типовой проект 708-18.85

Альбом 5. Вспомогательные сооружения склада для хранения щебня и песка. Архитектурные решения. Конструкции железобетонные. Конструкции металлические

Обозначение: Типовой проект 708-18.85
Обозначение англ: 708-18.85
Статус:действует
Название рус.:Альбом 5. Вспомогательные сооружения склада для хранения щебня и песка. Архитектурные решения. Конструкции железобетонные. Конструкции металлические
Дата добавления в базу:01.09.2013
Дата актуализации:05.05.2017
Оглавление:Чертежи основного комплекта марки АР
   Общие данные
   Галерея ленточных конвейеров №9, №10 и пункт перегрузки №2. Схема №1. Планы на отм. - 3.300; - 1.150; - 0.150; 2.395. Разрезы 1-1, 2-2
   Галерея ленточных конвейеров №9, №10 и пункт перегрузки №2. Схема №2. Планы на отм. - 3.300; - 1.150; - 0.150; 2.395. Разрезы 3-3 - 6-6. Узел 1
   Галерея ленточных конвейеров №9, №10 и пункт перегрузки №2. Схема №1. Фасады 7 - 2; 2 - 7, А - Б. План кровли
   Галерея ленточных конвейеров №9, №10 и пункт перегрузки №2. Схема №2. Фасады 2 - 1; 1 - 2; Б - А. План кровли. Узлы 2, 3
   Галерея ленточных конвейеров №5 - №8. Схемы №1, №2. План. Разрезы 1-1, 2-2
   Галерея ленточных конвейеров №5 - №8. Схемы №1, №2. Разрезы 3-3, 5-5
   Галерея ленточных конвейеров №5 - №8. Схемы №1, №2. Фасады 7 - 1; 1 - 7. План кровли
   Галерея ленточных конвейеров №3, №4, №11 и пункт перегрузки №1. Схемы №1, №2. План. Разрез 1-1
   Галерея ленточных конвейеров №3, №4, №11 и пункт перегрузки №1. Схемы №1, №2. Разрезы 2-2, 3-3. Фасады А - Б; Б - А; 1 - 2; 2 - 1. План кровли
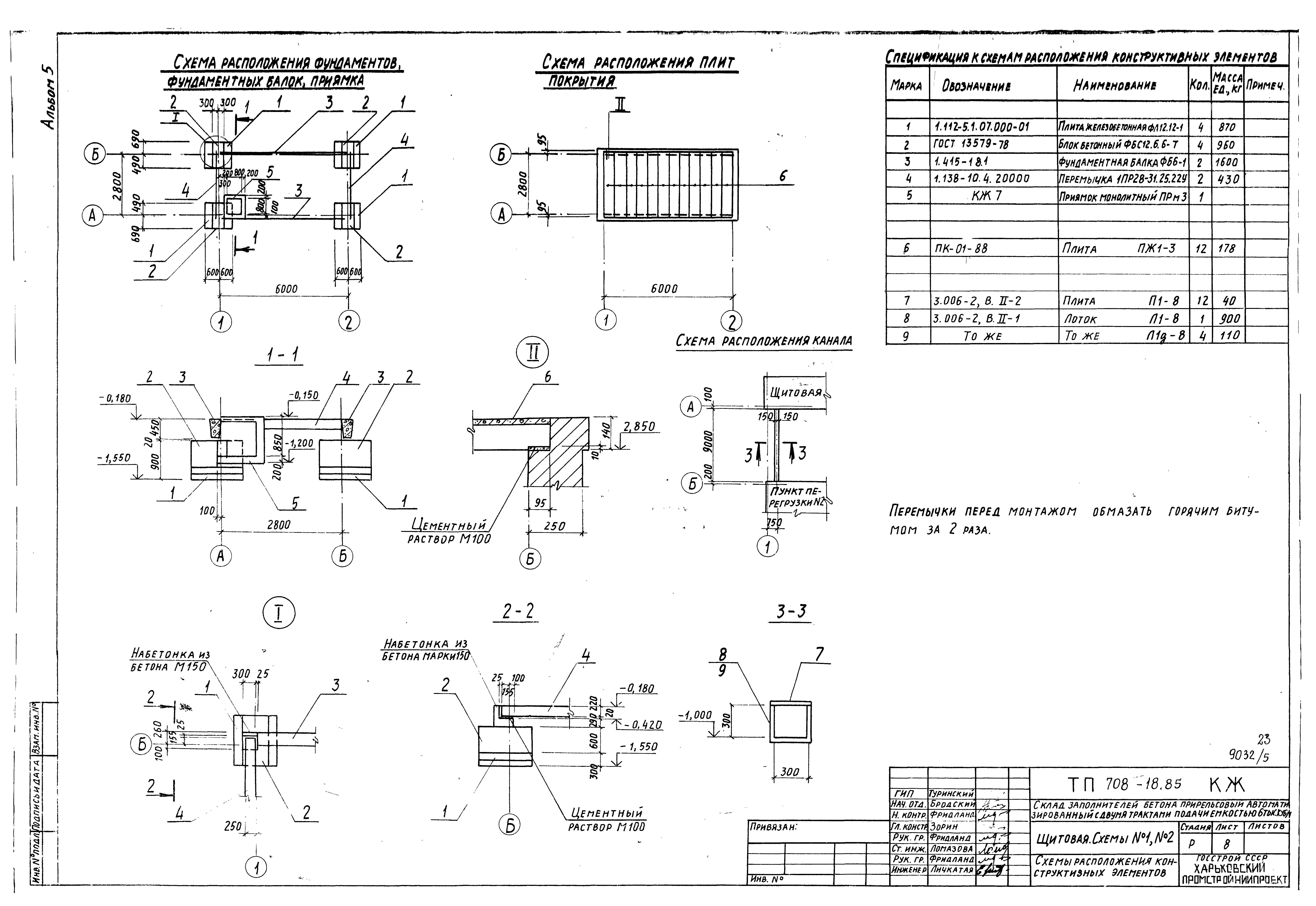
   Щитовая. Схемы №1, №2. План на отм. - 0.150. Разрезы 1-1, 2-2. Фасады 1 - 2, 2 - 1, А - Б, Б - А. План кровли
   Узлы 4 - 15
Чертежи основного комплекта марки КЖ
   Общие данные
   Пункт перегрузки №1. Схемы №1 и №2. Схема расположения конструктивных элементов
   Пункт перегрузки №1. Схемы №1 и №2. Схема расположения плит покрытия, элемент плана №1. Фундаменты Фом1, Фом1-1, Фом13, Фом14
   Пункт перегрузки №2. Схема №1. Схемы расположения конструктивных элементов
   Пункт перегрузки №2. Схема №2. Схемы расположения конструктивных элементов
   Пункт перегрузки №2. Щитовая. Схемы №1 и №2. Приямки ПРм1 - ПРм3, ПРм2н. Фундаменты Фом2 - Фом5
   Щитовая. Схемы №1 и №2. Схема расположения конструктивных элементов
   Галерея ленточного конвейера №11. Схемы №1 и №2. Схема расположения конструктивных элементов
   Галерея ленточного конвейера №11. Схемы №1 и №2. Участки монолитные Ум6, Ум7
   Галерея ленточных конвейеров №3, №4. Схемы №1 и №2. Схемы расположения конструктивных элементов. Сечения 1-1, 2-2
   Галерея ленточных конвейеров №3, №4. Схемы №1 и №2. Сечения 3-3 - 7-7. Узлы I - VI
   Галерея ленточных конвейеров №3, №4. Схемы №1 и №2. Участок монолитный Ум1
   Галерея ленточных конвейеров №3, №4. Схемы №1 и №2. Спецификация, ведомости деталей, расхода стали
   Галерея ленточных конвейеров №5, №6, №7, №8. Схемы №1 и №2. Схема расположения конструктивных элементов
   Галерея ленточных конвейеров №5, №6, №7, №8. Схемы №1 и №2. Фрагмент №1
   Галерея ленточных конвейеров №5, №6, №7, №8. Пункт перегрузки №2. Схемы №1 и №2. Фундаменты Фм1 - Фм4
   Пункты перегрузки №1, №2. Схемы №1 и №2. Участки монолитные Ум1, Ум2, Ум2н
   Галерея ленточных конвейеров №5, №6, №7, №8. Схемы №1 и №2. Участок монолитный Ум3
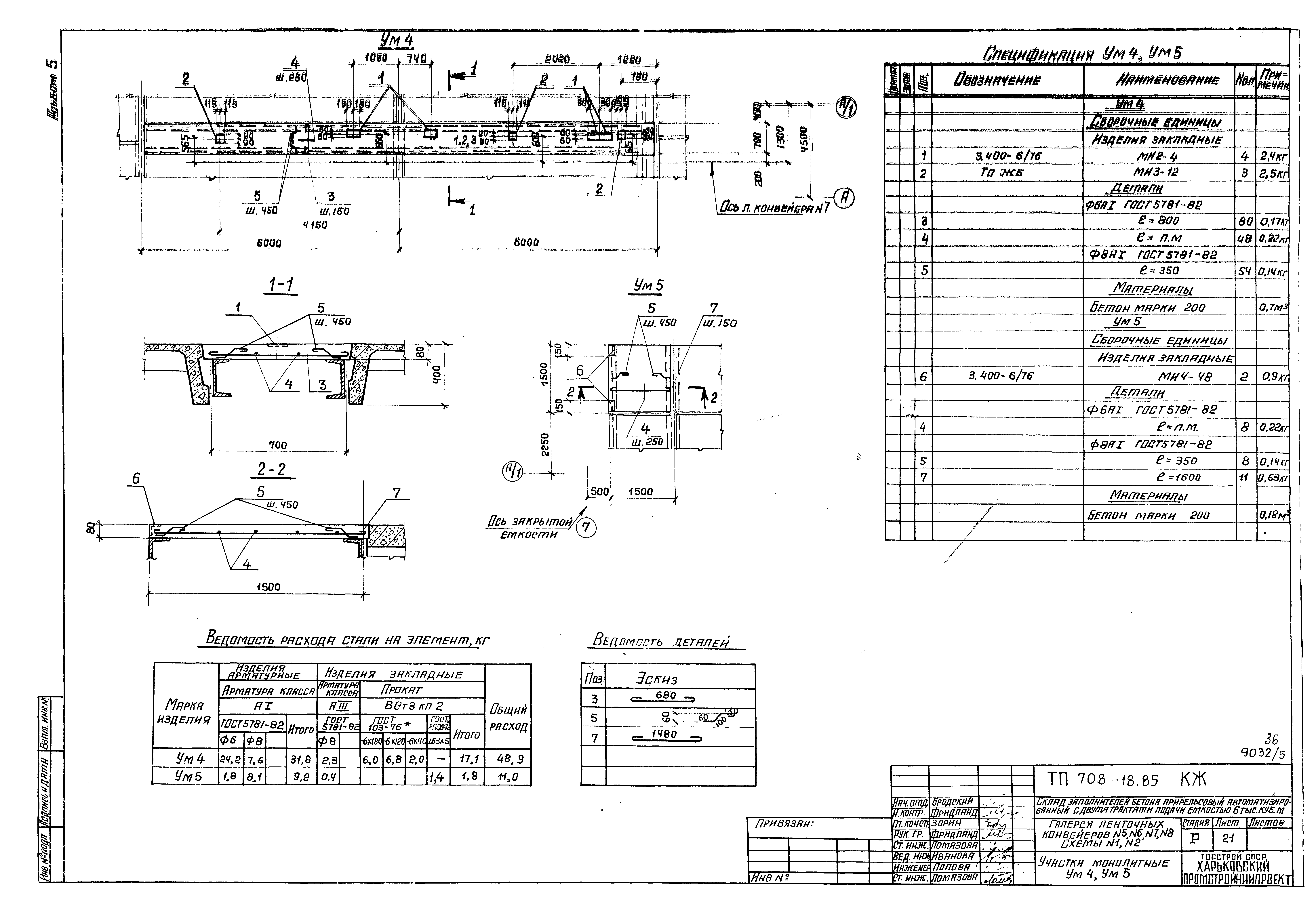
   Галерея ленточных конвейеров №5, №6, №7, №8. Участки монолитные Ум4, Ум5
   Галерея ленточных конвейеров №9, №10. Схема №1. Схема расположения конструктивных элементов днища. Разрез 1-1
   Галерея ленточных конвейеров №9, №10. Схема №1. Схема расположения плит покрытия. Разрезы 2-2 - 6-6. Узлы 1, 2
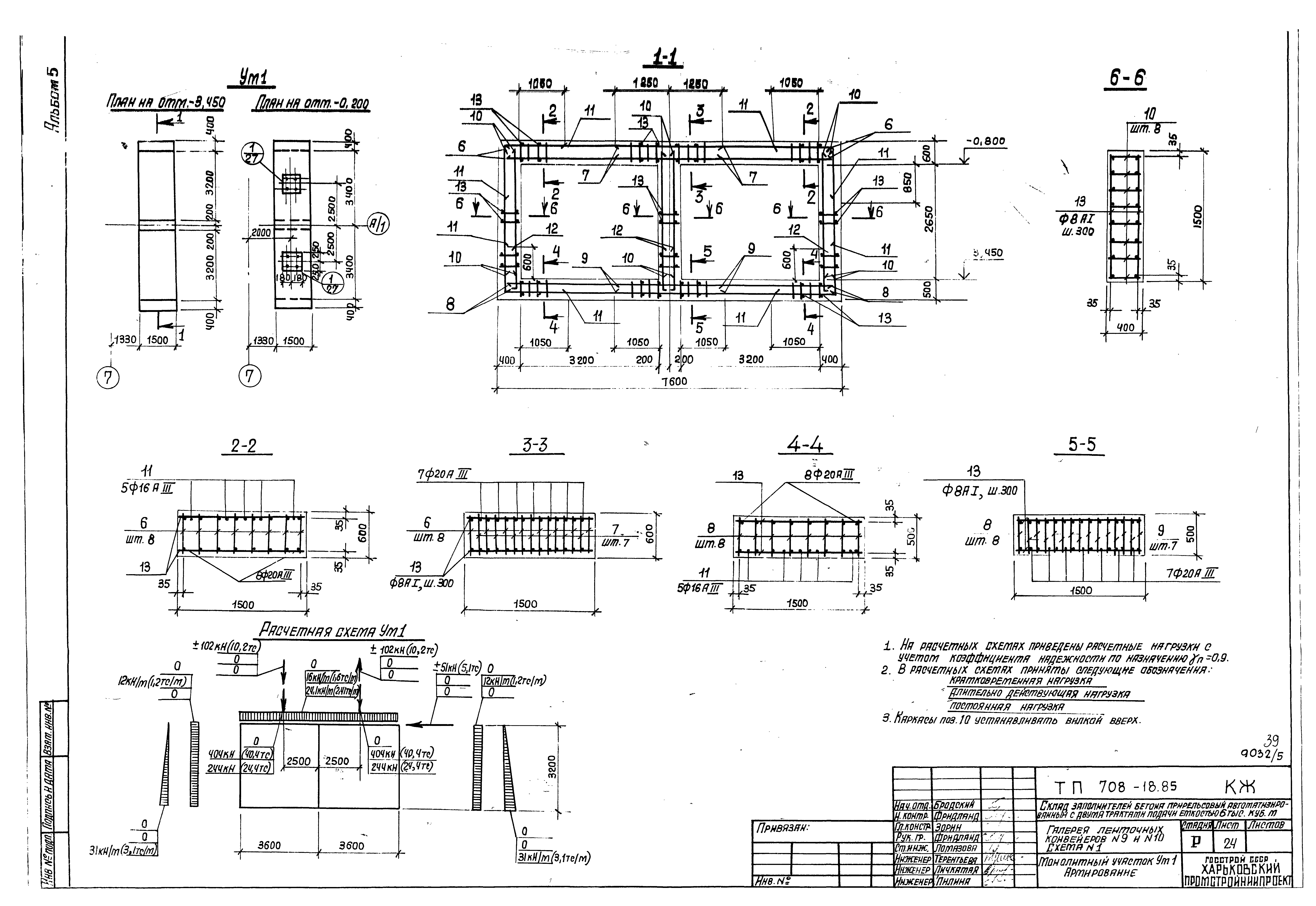
   Галерея ленточных конвейеров №9, №10. Схема №1. Монолитный участок Ум1. Армирование
   Галерея ленточных конвейеров №9, №10. Схема №1. Монолитный участок Ум2. Армирование
   Галерея ленточных конвейеров №9, №10. Схема №1. Монолитный участок Ум3. Армирование
   Галерея ленточных конвейеров №9, №10. Схема №1. Монолитные участки Ум1 - Ум3. Спецификация, ведомость деталей, расход стали
   Галерея ленточных конвейеров №9, №10. Схема №2. Схема расположения конструктивных элементов. Разрез 1-1. Узел 3
   Галерея ленточных конвейеров №9, №10. Схема №2. Схема расположения конструктивных элементов. Разрезы 2-2 - 5-5. Узлы 4 - 8
   Галерея ленточных конвейеров №9, №10. Схема №2. Монолитный участок Ум4. Армирование
   Галерея ленточных конвейеров №9, №10. Схема №2. Монолитный участок Ум5. Армирование
   Галерея ленточных конвейеров №9, №10. Схема №2. Спецификация, ведомость деталей, расход стали
   Площадки под циклоны. Схемы №1, №2. Схемы расположения фундаментов под установки В3 - В8
   Площадки под циклоны. Схемы №1, №2. Фундаменты Фм5 - Фм7, Фом6 - Фом8
   Галерея ленточных конвейеров №5, №6. Схемы №1, №2. Схема расположения фундаментов натяжного устройства. Фундаменты Фом9 - Фом12
Чертежи основного комплекта марки КМ
   Общие данные
   Техническая спецификация металла
   Техническая спецификация металла. Постаменты под циклоны
   Техническая спецификация металла. Лестницы, площадки, ограждения
   Схемы конструкций галерей
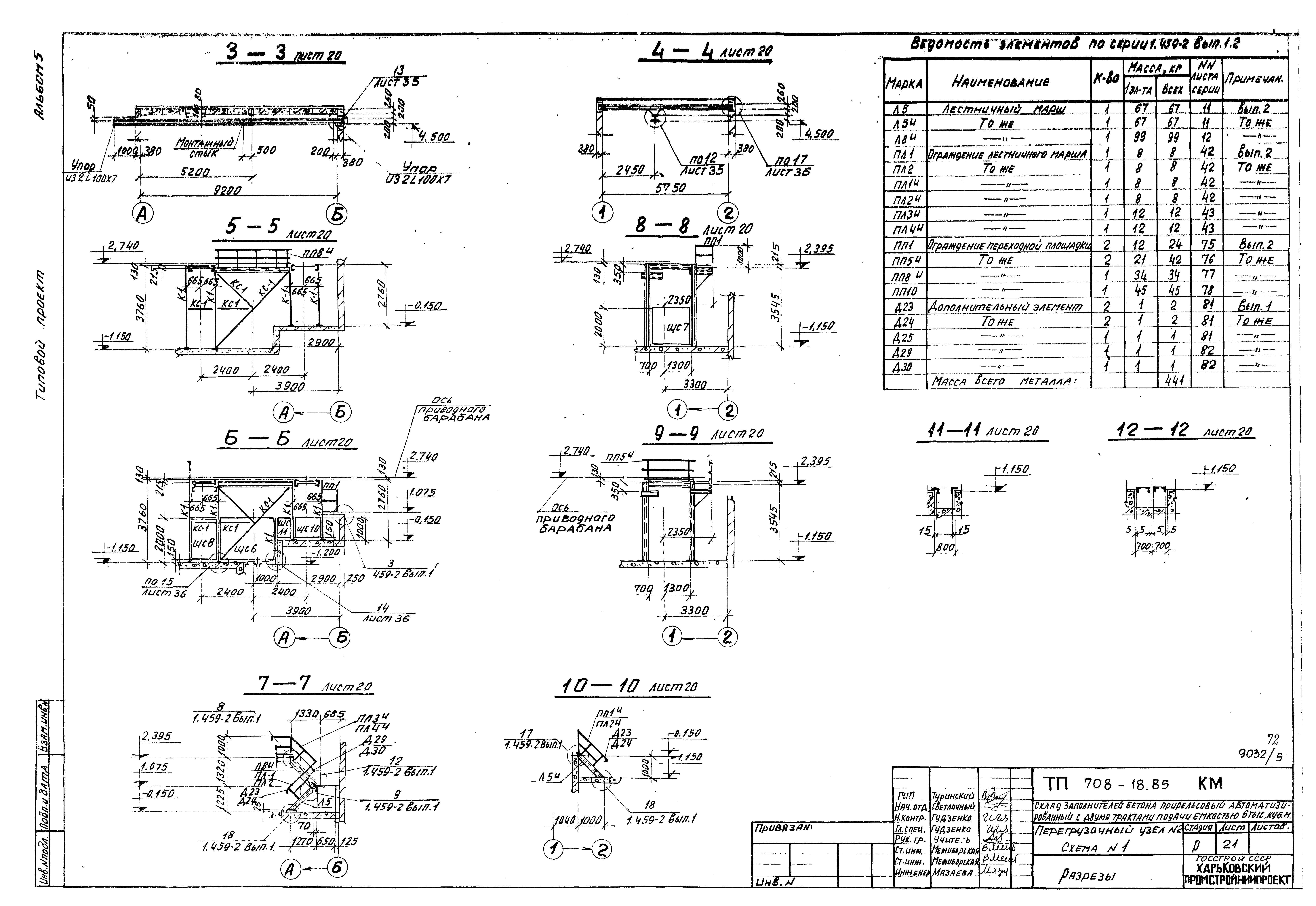
   Разрезы
   Схемы фахверка (пролет 20 м)
   Схемы конструкций галереи
   Разрезы
   Схемы фахверка
   Схема натяжного устройства
   Схемы монорельса, площадок и лестниц
   Схемы конструкций приводной станции
   Разрезы
   Деталь плана №1
   Схемы конструкций приводной станции
   Разрезы
   Деталь плана №2
   Схемы балок галереи. Узлы 1, 2
   Схемы постаментов под циклоны
   Узел 3
   Узел 4
   Узлы 5, 6, 6а, 7
   Схема фермы L = 20 м. Узел 8
   Узлы 9, 10
   Узлы 11 - 13
   Узлы 14 - 18
   Узел 18, 19
   Схемы сетчатых щитов
Разработан: Харьковский Промстройниипроект
Утверждён:07.01.1983 Госстрой СССР (Государственный комитет Совета Министров СССР по делам строительства) (USSR Gosstroy ВА-2)
Расположен в:Техническая документация Строительство Справочные документы Типовые строительные конструкции, изделия и узлы Общероссийский строительный каталог Промышленные предприятия, здания и сооружения Предприятия, здания и сооружения складские Склады строительных материалов и изделий
Типовой проект 708-18.85Типовой проект 708-18.85Типовой проект 708-18.85Типовой проект 708-18.85Типовой проект 708-18.85Типовой проект 708-18.85Типовой проект 708-18.85Типовой проект 708-18.85Типовой проект 708-18.85Типовой проект 708-18.85Типовой проект 708-18.85Типовой проект 708-18.85Типовой проект 708-18.85Типовой проект 708-18.85Типовой проект 708-18.85Типовой проект 708-18.85Типовой проект 708-18.85Типовой проект 708-18.85Типовой проект 708-18.85Типовой проект 708-18.85Типовой проект 708-18.85Типовой проект 708-18.85Типовой проект 708-18.85Типовой проект 708-18.85Типовой проект 708-18.85Типовой проект 708-18.85Типовой проект 708-18.85Типовой проект 708-18.85Типовой проект 708-18.85Типовой проект 708-18.85Типовой проект 708-18.85Типовой проект 708-18.85Типовой проект 708-18.85Типовой проект 708-18.85Типовой проект 708-18.85Типовой проект 708-18.85Типовой проект 708-18.85Типовой проект 708-18.85Типовой проект 708-18.85Типовой проект 708-18.85Типовой проект 708-18.85Типовой проект 708-18.85Типовой проект 708-18.85Типовой проект 708-18.85Типовой проект 708-18.85Типовой проект 708-18.85Типовой проект 708-18.85Типовой проект 708-18.85Типовой проект 708-18.85Типовой проект 708-18.85Типовой проект 708-18.85Типовой проект 708-18.85Типовой проект 708-18.85Типовой проект 708-18.85Типовой проект 708-18.85Типовой проект 708-18.85Типовой проект 708-18.85Типовой проект 708-18.85Типовой проект 708-18.85Типовой проект 708-18.85Типовой проект 708-18.85Типовой проект 708-18.85Типовой проект 708-18.85Типовой проект 708-18.85Типовой проект 708-18.85Типовой проект 708-18.85Типовой проект 708-18.85Типовой проект 708-18.85Типовой проект 708-18.85Типовой проект 708-18.85Типовой проект 708-18.85Типовой проект 708-18.85Типовой проект 708-18.85Типовой проект 708-18.85Типовой проект 708-18.85Типовой проект 708-18.85Типовой проект 708-18.85Типовой проект 708-18.85Типовой проект 708-18.85Типовой проект 708-18.85Типовой проект 708-18.85Типовой проект 708-18.85Типовой проект 708-18.85Типовой проект 708-18.85Типовой проект 708-18.85Типовой проект 708-18.85Типовой проект 708-18.85Типовой проект 708-18.85Типовой проект 708-18.85Типовой проект 708-18.85Типовой проект 708-18.85

© 2013 Ёшкин Кот :-) Карта сайта