Информационная система
«Ёшкин Кот»

Скачать базу одним архивом
Скачать обновления
История создания базы
Карта сайта

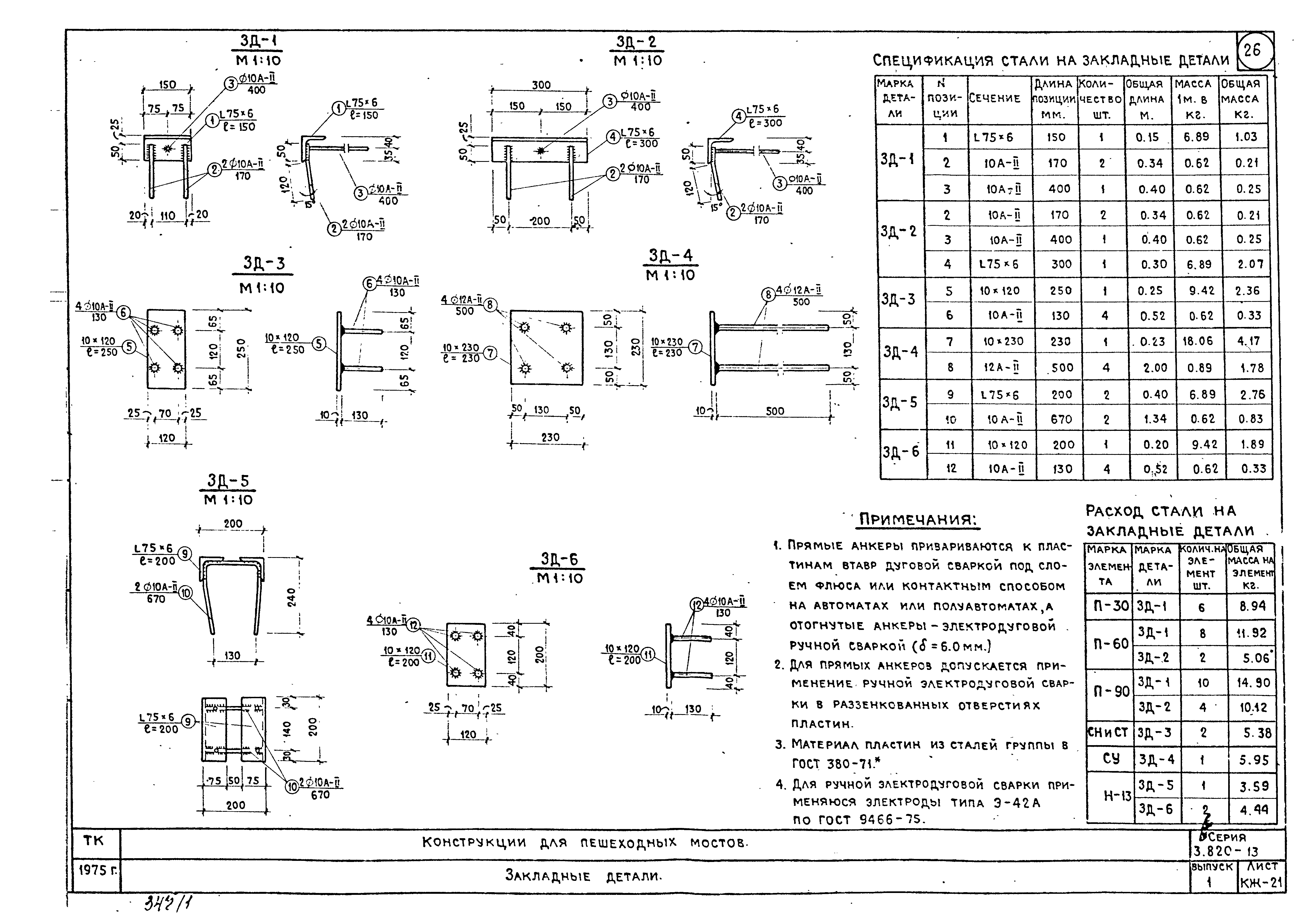
Скачать Серия 3.820-13 Выпуск 1. Конструкции для пешеходных мостов

Дата актуализации: 10.08.2017

Серия 3.820-13

Выпуск 1. Конструкции для пешеходных мостов

Обозначение: Серия 3.820-13
Обозначение англ: Series 3.820-13
Статус:не действует
Название рус.:Выпуск 1. Конструкции для пешеходных мостов
Дата добавления в базу:01.09.2013
Дата актуализации:05.05.2017
Дата введения:01.04.1976
Дата окончания срока действия:01.07.1987
Разработан: Белгипроводхоз Минводхоза СССР
Утверждён:08.07.1975 Минводхоз СССР (USSR Minvodkhoz 134)
Расположен в:Техническая документация Строительство Справочные документы Типовые строительные конструкции, изделия и узлы Общероссийский строительный каталог Строительные конструкции, изделия и узлы зданий и сооружений для всех видов строительства Конструкции и изделия сооружений и оборудования зданий Надземные сооружения Конструкции водохозяйственных сооружений и систем мелиорации
Чем заменён:
Серия 3.820-13Серия 3.820-13Серия 3.820-13Серия 3.820-13Серия 3.820-13Серия 3.820-13Серия 3.820-13Серия 3.820-13Серия 3.820-13Серия 3.820-13Серия 3.820-13Серия 3.820-13Серия 3.820-13Серия 3.820-13Серия 3.820-13Серия 3.820-13Серия 3.820-13Серия 3.820-13Серия 3.820-13Серия 3.820-13Серия 3.820-13Серия 3.820-13Серия 3.820-13Серия 3.820-13Серия 3.820-13Серия 3.820-13Серия 3.820-13Серия 3.820-13

© 2013 Ёшкин Кот :-) Карта сайта