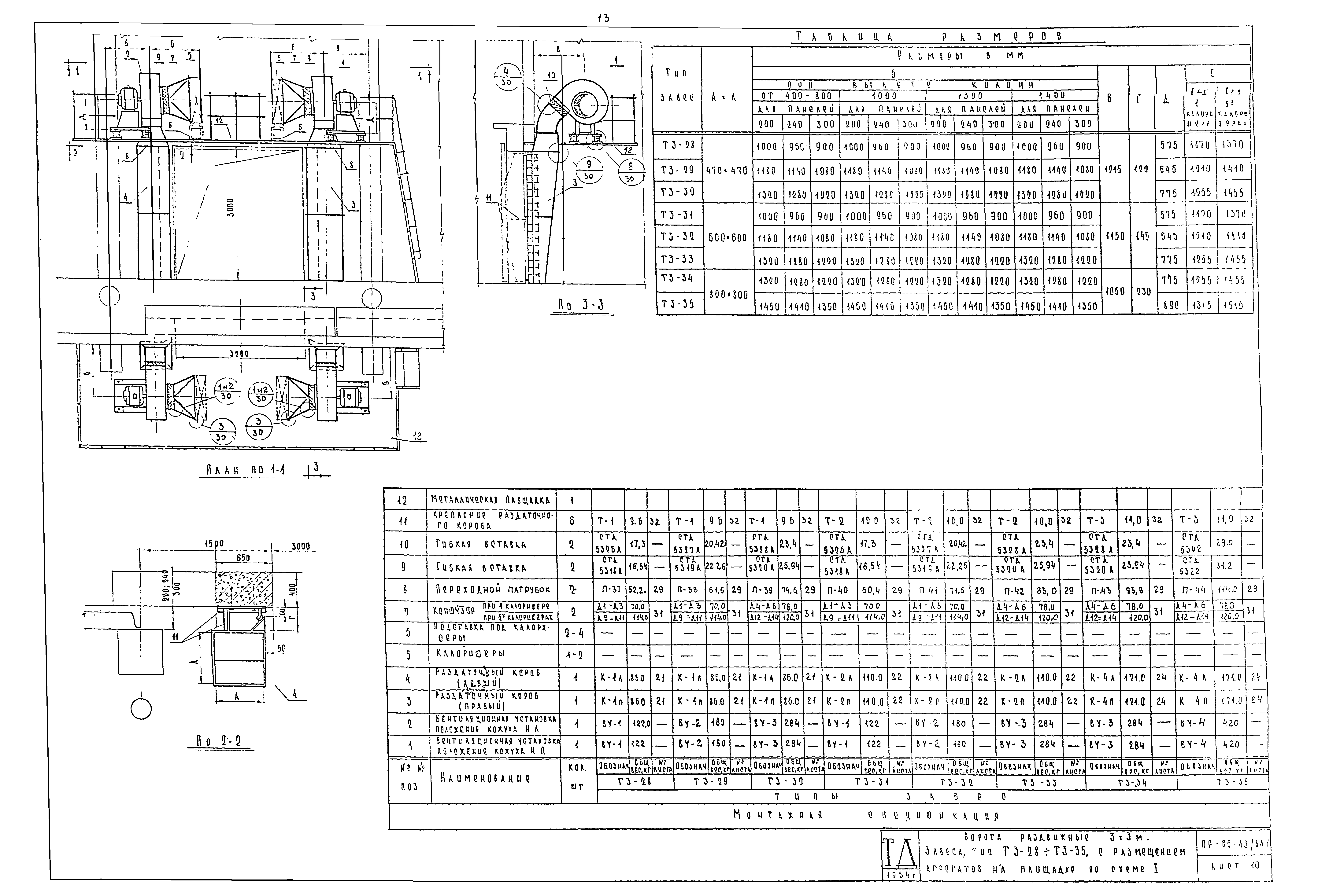
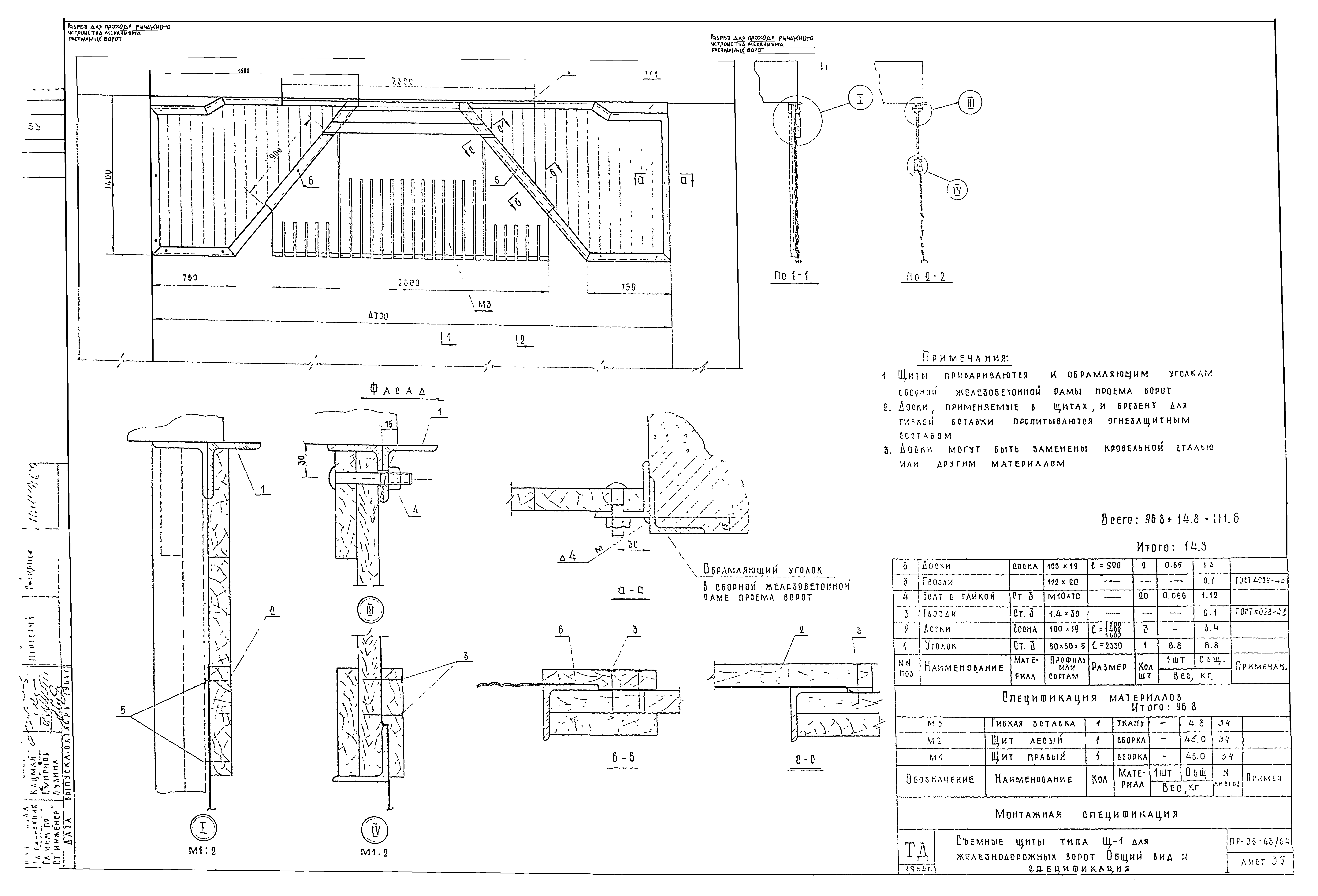
Скачать Серия ПР-05-43/64 Выпуск 1. Рабочие чертежиДата актуализации: 10.08.2017 Серия ПР-05-43/64
Выпуск 1. Рабочие чертежиОбозначение: | Серия ПР-05-43/64 | Обозначение англ: | Series ПР-05-43/64 | Статус: | не действует | Название рус.: | Выпуск 1. Рабочие чертежи | Дата добавления в базу: | 01.09.2013 | Дата актуализации: | 05.05.2017 | Дата окончания срока действия: | 01.10.1977 | Разработан: | ЦНИИпромзданий
| Утверждён: | 21.04.1964 Главпромстройпроект Госстроя СССР (3/3-489)
| Расположен в: |
|
                                  
|