Информационная система
«Ёшкин Кот»

Скачать базу одним архивом
Скачать обновления
История создания базы
Карта сайта

Скачать Серия 3.015-3/82 Выпуск III. Стальные конструкции. Чертежи КМ

Дата актуализации: 10.08.2017

Серия 3.015-3/82

Выпуск III. Стальные конструкции. Чертежи КМ

Обозначение: Серия 3.015-3/82
Обозначение англ: Series 3.015-3/82
Статус:заменен
Название рус.:Выпуск III. Стальные конструкции. Чертежи КМ
Дата добавления в базу:01.09.2013
Дата актуализации:05.05.2017
Дата введения:01.01.1993
Оглавление:Пояснительная записка
Схема расположения эстакады типа IXм. Пример
Схема расположения эстакады типов Xм - XIIIм. Пример
Таблица для подбора ферм, связей, траверс, вставок, надколонников, консольных ферм, опор двухъярусных эстакад типов IXм - XIIIм; IXк - XIIIк. Шаг опор 18
Ферма Ф1 - Ф4 пролетом 18 м. Схема. Ведомость элементов
Консоль фермы К1 - К3. Вставка ВС1 - ВС3. Схема. Ведомость элементов
Схемы связей по верхним и нижним поясам ферм. Схемы №№1 - 9. Ведомость элементов
Траверса Т1 - Т6. Схема. Ведомость элементов
Надколонник НК1 - НК9. Схема. Ведомость элементов
Опоры анкерная и промежуточная. Схемы
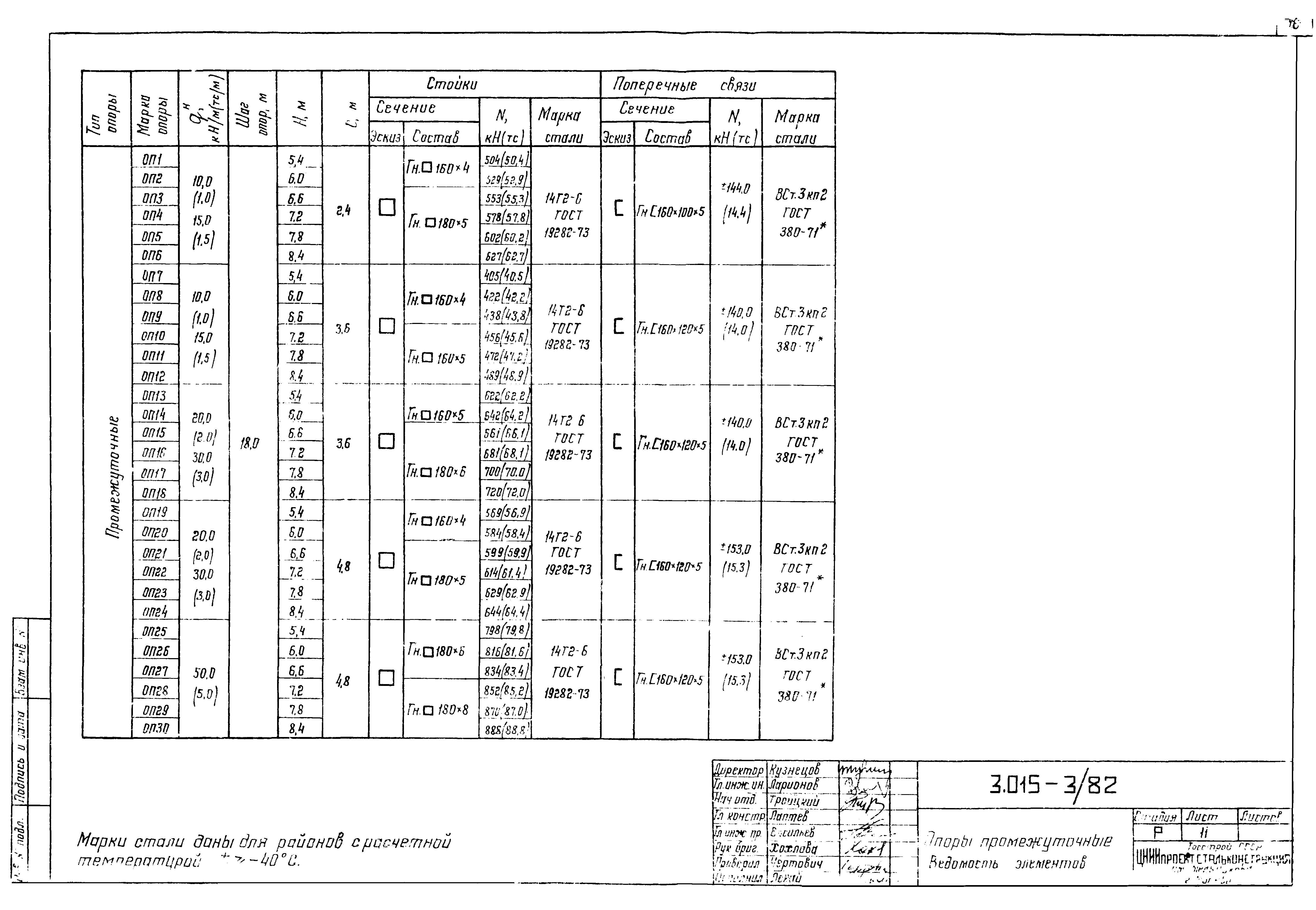
Опоры промежуточные. Ведомость элементов
Опоры анкерные. Ведомость элементов
Таблица нагрузок на фундаменты опор промежуточных
Таблица нагрузок на фундаменты опор анкерных
Схема расположения переходных площадок, стремянок и ограждений. Узлы. Разрезы
Узлы 1, 2
Узлы 3, 4, 5
Узлы 6, 7
Узлы 8, 9 10
Спецификация стали. Фермы Ф1 - Ф4. Надколонники НК1 - НК9
Спецификация стали. Связи, схемы №№1 - 9. Вставки ВС1 - ВС3. Консоли ферм К1 - К3
Спецификация стали. Траверсы Т1 - Т6
Спецификация стали. Опоры промежуточные ОП1 - ОП15
Спецификация стали. Опоры промежуточные ОП16 - ОП30
Спецификация стали. Опоры анкерные ОП31 - ОП45
Спецификация стали. Опоры анкерные ОП46 - ОП60
Разработан: ЦНИИпроектстальконструкция
Утверждён:31.03.1983 Госстрой СССР (Государственный комитет Совета Министров СССР по делам строительства) (USSR Gosstroy 51)
Расположен в:Техническая документация Строительство Справочные документы Типовые строительные конструкции, изделия и узлы Общероссийский строительный каталог Строительные конструкции, изделия и узлы зданий и сооружений для всех видов строительства Конструкции и изделия сооружений и оборудования зданий Надземные сооружения Опоры и эстакады под технологические трубопроводы
Чем заменён:
Серия 3.015-3/82Серия 3.015-3/82Серия 3.015-3/82Серия 3.015-3/82Серия 3.015-3/82Серия 3.015-3/82Серия 3.015-3/82Серия 3.015-3/82Серия 3.015-3/82Серия 3.015-3/82Серия 3.015-3/82Серия 3.015-3/82Серия 3.015-3/82Серия 3.015-3/82Серия 3.015-3/82Серия 3.015-3/82Серия 3.015-3/82Серия 3.015-3/82Серия 3.015-3/82Серия 3.015-3/82Серия 3.015-3/82Серия 3.015-3/82Серия 3.015-3/82Серия 3.015-3/82Серия 3.015-3/82Серия 3.015-3/82Серия 3.015-3/82Серия 3.015-3/82Серия 3.015-3/82Серия 3.015-3/82Серия 3.015-3/82Серия 3.015-3/82Серия 3.015-3/82

© 2013 Ёшкин Кот :-) Карта сайта