| ||||||||||||||||||||||||||||||||
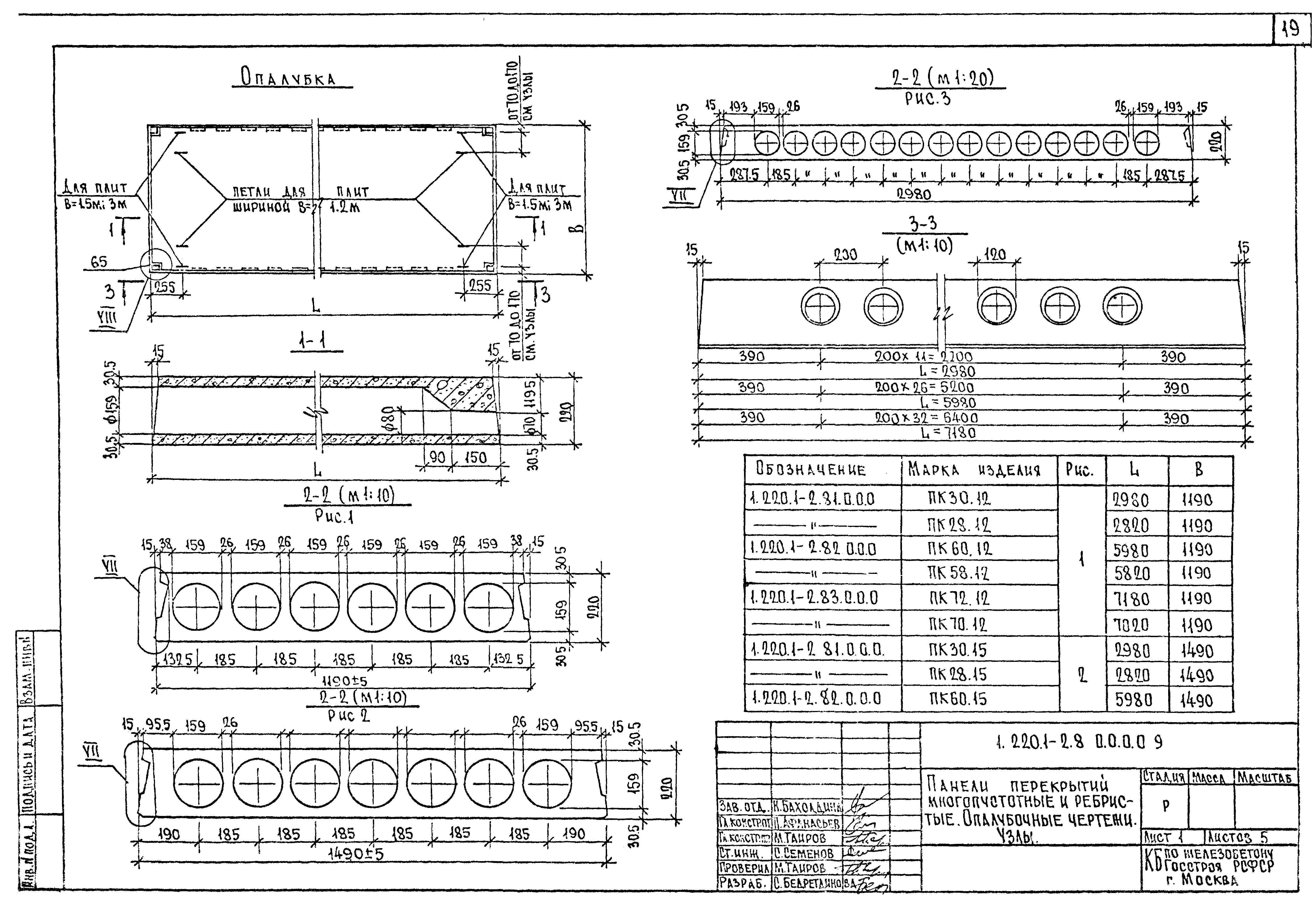
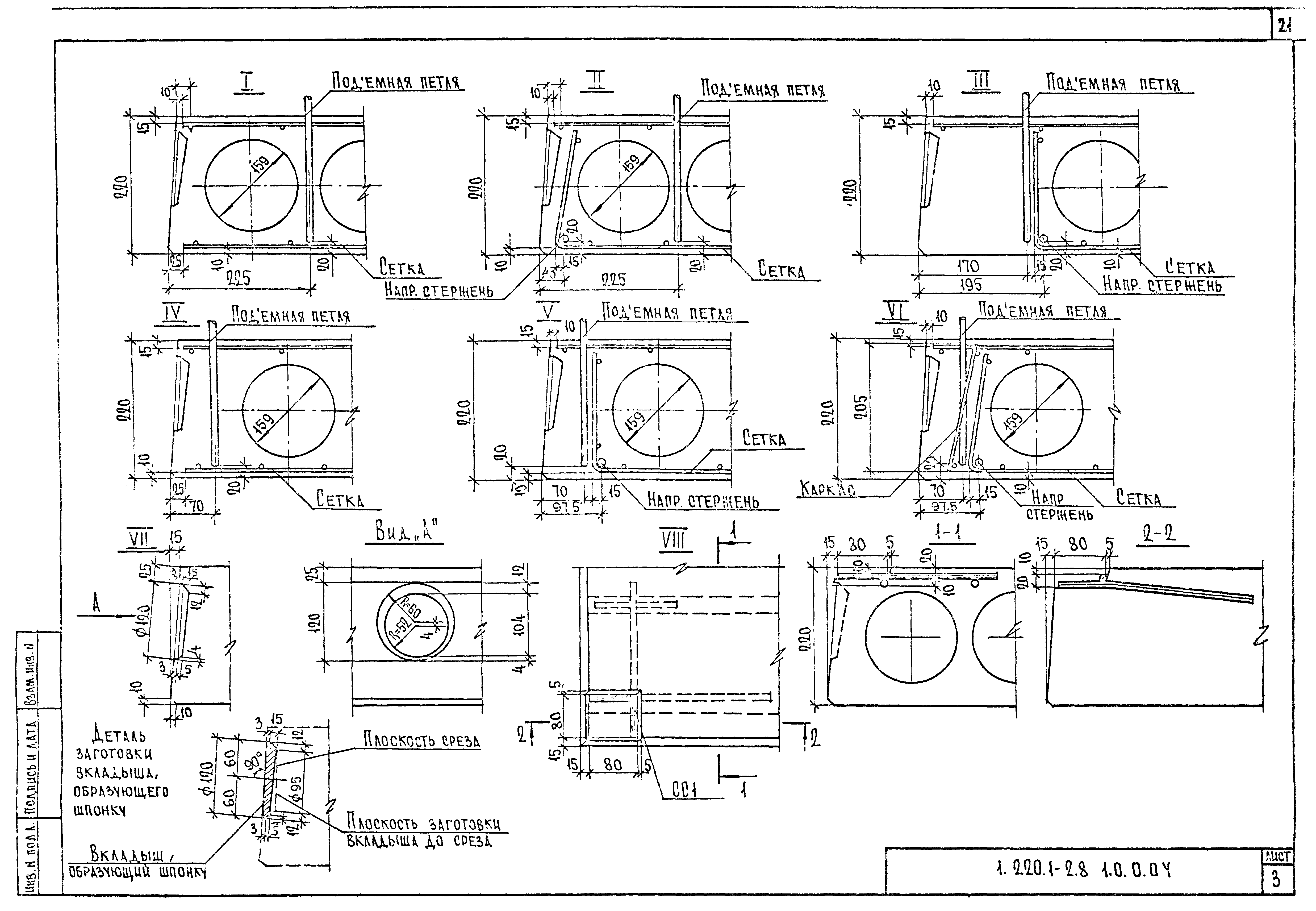
Скачать Серия 1.220.1-2 Выпуск 8. Панели перекрытий многопустотные и ребристые длиной 2820, 2980 мм, армированные стержнями из стали класса А-III, длиной 5820, 5980, 7020, 7180 мм, армированные предварительно напрягаемыми стержнями из стали класса Ат-VДата актуализации: 10.08.2017
|
| Обозначение: | Серия 1.220.1-2 |
| Обозначение англ: | Series 1.220.1-2 |
| Статус: | не действует |
| Название рус.: | Выпуск 8. Панели перекрытий многопустотные и ребристые длиной 2820, 2980 мм, армированные стержнями из стали класса А-III, длиной 5820, 5980, 7020, 7180 мм, армированные предварительно напрягаемыми стержнями из стали класса Ат-V |
| Дата добавления в базу: | 01.09.2013 |
| Дата актуализации: | 05.05.2017 |
| Дата введения: | 01.01.1981 |
| Дата окончания срока действия: | 01.04.1984 |
| Оглавление: | Содержание Пояснительная записка Выборка стали Панели перекрытий многопустотные и ребристые. Опалубочные чертежи. Узлы Панели перекрытий Панели перекрытия многопустотные Панели перекрытия ребристые Сетки С. Спецификация Каркасы КР. Спецификация Петли П. Спецификация Стержень составной СС Закладная деталь МН |
| Разработан: | НИИЖБ Госстроя СССР КБ по железобетону Госстроя РСФСР |
| Утверждён: | 23.12.1980 Госгражданстрой (Gosgrazhdanstroy 363) |
| Принят: | ЦНИИЭП жилища (TsNIIEPzhilishcha ) |
| Расположен в: | |
| Чем заменён: |























































