| ||||||||||||||||||||||||||||||
Скачать Серия 1.220.1-2 Выпуск 7. Панели внутренних стен. Пространственные каркасы. Арматурные изделия. Рабочие чертежиДата актуализации: 10.08.2017
|
| Обозначение: | Серия 1.220.1-2 |
| Обозначение англ: | Series 1.220.1-2 |
| Статус: | не действует |
| Название рус.: | Выпуск 7. Панели внутренних стен. Пространственные каркасы. Арматурные изделия. Рабочие чертежи |
| Дата добавления в базу: | 01.09.2013 |
| Дата актуализации: | 05.05.2017 |
| Дата введения: | 01.01.1981 |
| Дата окончания срока действия: | 01.04.1984 |
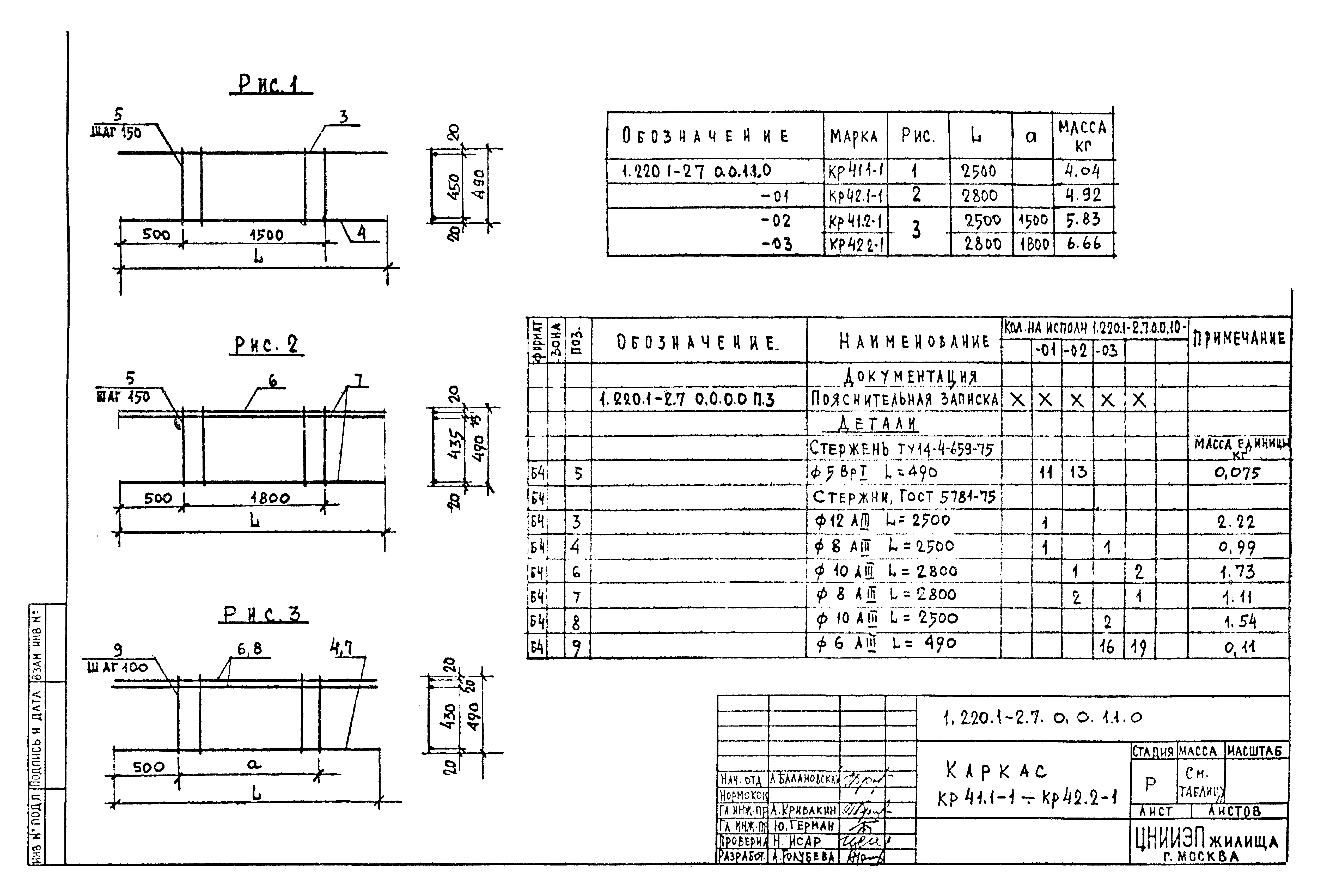
| Оглавление: | Содержание Пояснительная записка Каркас пространственный КП Узел Каркас КР Изделие закладное МН Петля строповочная СП Стержень гнутый СГ Петля строповочная СП Каркас КР Каркас пространственный КП |
| Разработан: | ЦНИИЭП жилища |
| Утверждён: | 23.12.1980 Госгражданстрой (Gosgrazhdanstroy 363) |
| Расположен в: | |
| Чем заменён: |





































































