| ||||||||||||||||||||||||||||||||||
Скачать ГОСТ Р ИСО 11943-2010 Гидропривод объемный. Интерактивные автоматические системы подсчета частиц в жидкости. Методы калибровки и аттестацииДата актуализации: 10.08.2017
|
| Обозначение: | ГОСТ Р ИСО 11943-2010 |
| Обозначение англ: | GOST R ISO 11943-2010 |
| Статус: | действует |
| Название рус.: | Гидропривод объемный. Интерактивные автоматические системы подсчета частиц в жидкости. Методы калибровки и аттестации |
| Название англ.: | Hydraulic fluid power. On-line automatic particle-counting systems for liquids. Methods of calibration and validation |
| Дата добавления в базу: | 01.09.2013 |
| Дата актуализации: | 05.05.2017 |
| Дата введения: | 01.12.2011 |
| Область применения: | Стандарт устанавливает основные положения по калибровке и аттестации интерактивных автоматических счетчиков частиц (АСЧ) для их последующего использования при подсчете твердых частиц, взвешенных в жидкости. В основном их применяют при многопроходном испытании фильтров по ИСО 16889. |
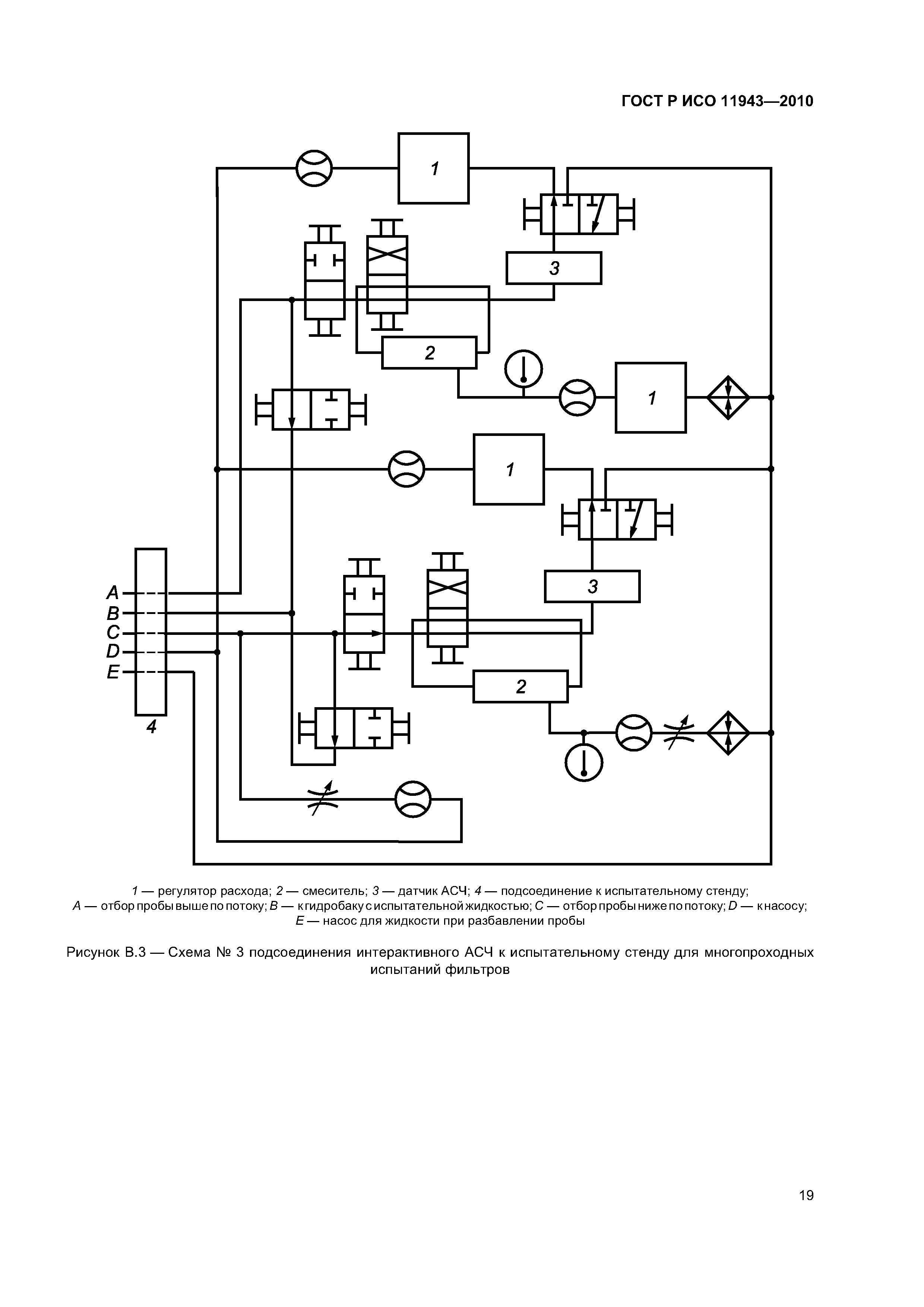
| Оглавление: | 1 Область применения 2 Нормативные ссылки 3 Термины и определения 4 Единицы измерений 5 Необходимые условия 6 Испытательное оборудование 7 Погрешность измерительных приборов и параметров условий испытания 8 Калибровка в автономном режиме 9 Аттестация установки для подготовки проб в интерактивном режиме и определение эталона для вторичной калибровки 10 Методика вторичной калибровки и проверки в интерактивном режиме 11 Аттестация установки для разбавления пробы в интерактивном режиме 12 Меры предосторожности 13 Идентификационное положение Приложение А (справочное) Руководство по разработке типового испытательного стенда для калибровки и аттестации автоматических счетчиков частиц в интерактивном режиме Приложение В (справочное) Руководство по разработке гидравлической схемы подсоединения интерактивного автоматического счетчика частиц к стенду для многопроходных испытаний фильтров Приложение С (справочное) Результаты международного анонимного исследования ИСО по калибровке и аттестации автоматических счетчиков частиц в интерактивном режиме Приложение ДА (справочное) Сведения о соответствии ссылочных международных стандартов ссылочным национальным стандартам Российской Федерации |
| Разработан: | АНО НИЦ КД СГАУ |
| Утверждён: | 30.11.2010 Федеральное агентство по техническому регулированию и метрологии (618-ст) |
| Издан: | Стандартинформ (2011 г. ) |
| Расположен в: | |
| Нормативные ссылки: |






































