Информационная система
«Ёшкин Кот»

Скачать базу одним архивом
Скачать обновления
История создания базы
Карта сайта

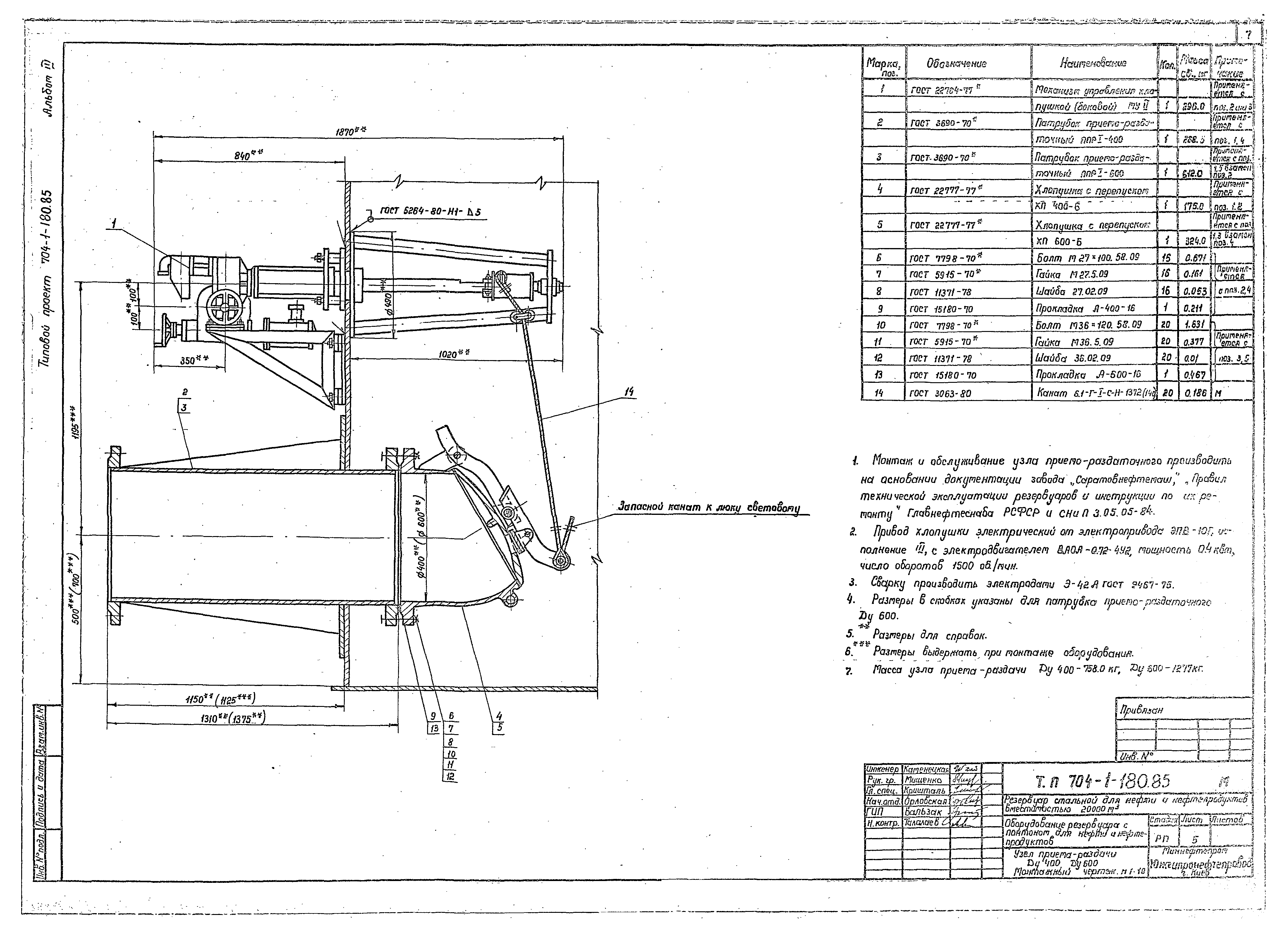
Скачать Типовой проект 704-1-180.85 Альбом III. Оборудование резервуара с понтоном для нефти и нефтепродуктов

Дата актуализации: 10.08.2017

Типовой проект 704-1-180.85

Альбом III. Оборудование резервуара с понтоном для нефти и нефтепродуктов

Обозначение: Типовой проект 704-1-180.85
Обозначение англ: 704-1-180.85
Статус:не определен законодательством
Название рус.:Альбом III. Оборудование резервуара с понтоном для нефти и нефтепродуктов
Дата добавления в базу:01.09.2013
Дата актуализации:05.05.2017
Дата введения:13.05.1985
Оглавление:Содержание
Механическое, технологическое оборудование
   Общие данные
   Оборудование резервуара. Монтажный чертеж
   Узел приема-раздачи Ду400; Ду600. Монтажный чертеж
   Узел приема-раздачи Ду700. Монтажный чертеж
   Патрубок вентиляционный ПВ-500. Сборочный чертеж
   Система размыва осадка. Монтажный чертеж
   Система размыва осадка. Узлы. Детали
Пожаротушение
   Общие данные
   Оборудование резервуара средствами пожаротушения при интенсивности 0,05 л/с, кв. м
   Оборудование резервуара средствами пожаротушения при интенсивности 0,08 л/с, кв. м
Электротехническая часть
   Молниезащита
Автоматика
   Общие данные
   Функциональная схема автоматизации
   Установка указателя уровня
   Установка сниженного пробоотборника
   Установка термоизвещателя и сигнализатора уровня
Разработан: Южгипронефтепровод Миннефтепрома СССР
Утверждён:13.05.1985 Миннефтепром (Minnefteprom )
Расположен в:Техническая документация Строительство Справочные документы Типовые строительные конструкции, изделия и узлы Общероссийский строительный каталог Промышленные предприятия, здания и сооружения Предприятия, здания и сооружения складские Резервуары и склады для нефти и нефтепродуктов Резервуары стальные для нефти и нефтепродуктов
Типовой проект 704-1-180.85Типовой проект 704-1-180.85Типовой проект 704-1-180.85Типовой проект 704-1-180.85Типовой проект 704-1-180.85Типовой проект 704-1-180.85Типовой проект 704-1-180.85Типовой проект 704-1-180.85Типовой проект 704-1-180.85Типовой проект 704-1-180.85Типовой проект 704-1-180.85Типовой проект 704-1-180.85Типовой проект 704-1-180.85Типовой проект 704-1-180.85Типовой проект 704-1-180.85Типовой проект 704-1-180.85Типовой проект 704-1-180.85Типовой проект 704-1-180.85Типовой проект 704-1-180.85Типовой проект 704-1-180.85Типовой проект 704-1-180.85Типовой проект 704-1-180.85

© 2013 Ёшкин Кот :-) Карта сайта