| ||||||||||||||||||||||||||||||||||
Скачать ОСТ 36-27-77 Приборы и средства автоматизации. Обозначения условные в схемах автоматизации технологических процессовДата актуализации: 10.08.2017
|
| Обозначение: | ОСТ 36-27-77 |
| Обозначение англ: | OST 36-27-77 |
| Статус: | не действует |
| Название рус.: | Приборы и средства автоматизации. Обозначения условные в схемах автоматизации технологических процессов |
| Дата добавления в базу: | 01.09.2013 |
| Дата актуализации: | 05.05.2017 |
| Дата введения: | 01.01.1978 |
| Дата окончания срока действия: | 31.12.1999 |
| Область применения: | Стандарт распространяется на условные обозначения приборов, средств автоматизации и линий связи, применяемые в проектах систем автоматизации технологических процессов при выполнении функциональных схем автоматизации, при изображении их на технологических схемах, при выполнении схем внешних электрических и трубных проводок, принципиальных пневматических схем и других документов. |
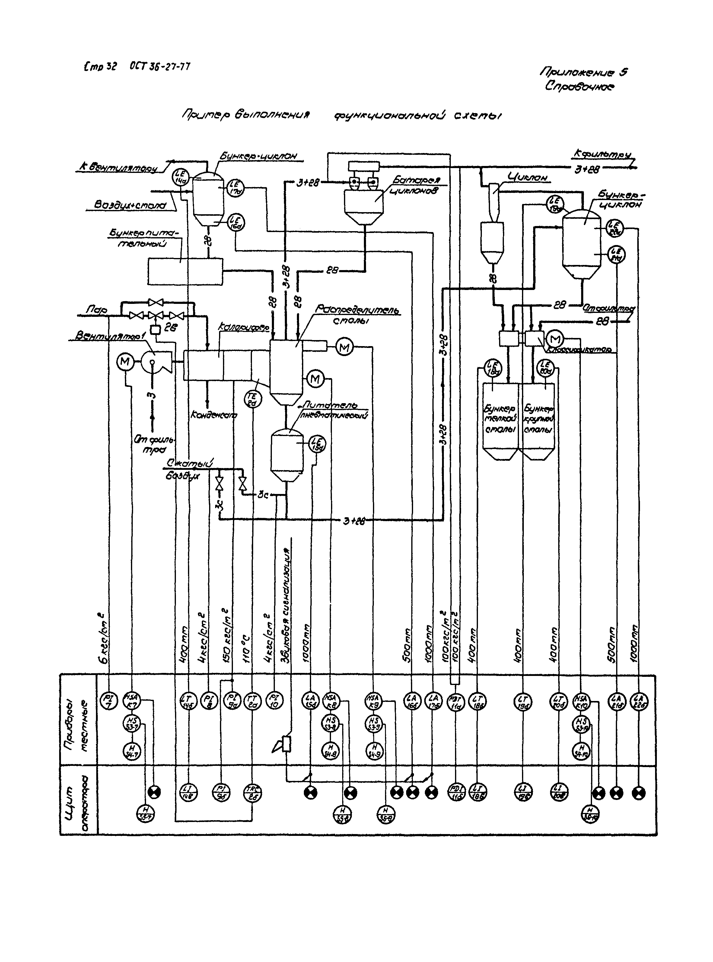
| Оглавление: | 1. Общие положения 2. Условные обозначения 3. Способы и методика построения графических условных обозначений 3.1 Способы построения 3.2 Методика построения 4. Обозначение щитов, пультов, комплектных устройств 5. Размеры графических условных обозначений Приложение 1 (рекомендуемое). Дополнительные условные обозначения, применяемые для развернутого способа построения условных обозначений при выполнении функциональных схем автоматизации Приложение 2 (справочное). Примеры построения условных обозначений Приложение 3 (справочное). Пример изображения приборов и средств автоматизации на технологической схеме Приложение 4 (справочное). Пример выполнения фукциональной схемы Приложение 5 (справочное). Пример выполнения фукциональной схемы |
| Разработан: | Проектмонтажавтоматика |
| Утверждён: | 29.03.1977 Министерство монтажных и специальных строительных работ СССР (USSR Ministry of Industrial Installations and Military Construction 69) |
| Принят: | Министерство химической промышленности СССР (USSR Ministry of the Chemical Industry ) |
| Расположен в: | |
| Список изменений: |


































Текстовое изменение № 1 от 01.01.1983