Информационная система
«Ёшкин Кот»

Скачать базу одним архивом
Скачать обновления
История создания базы
Карта сайта

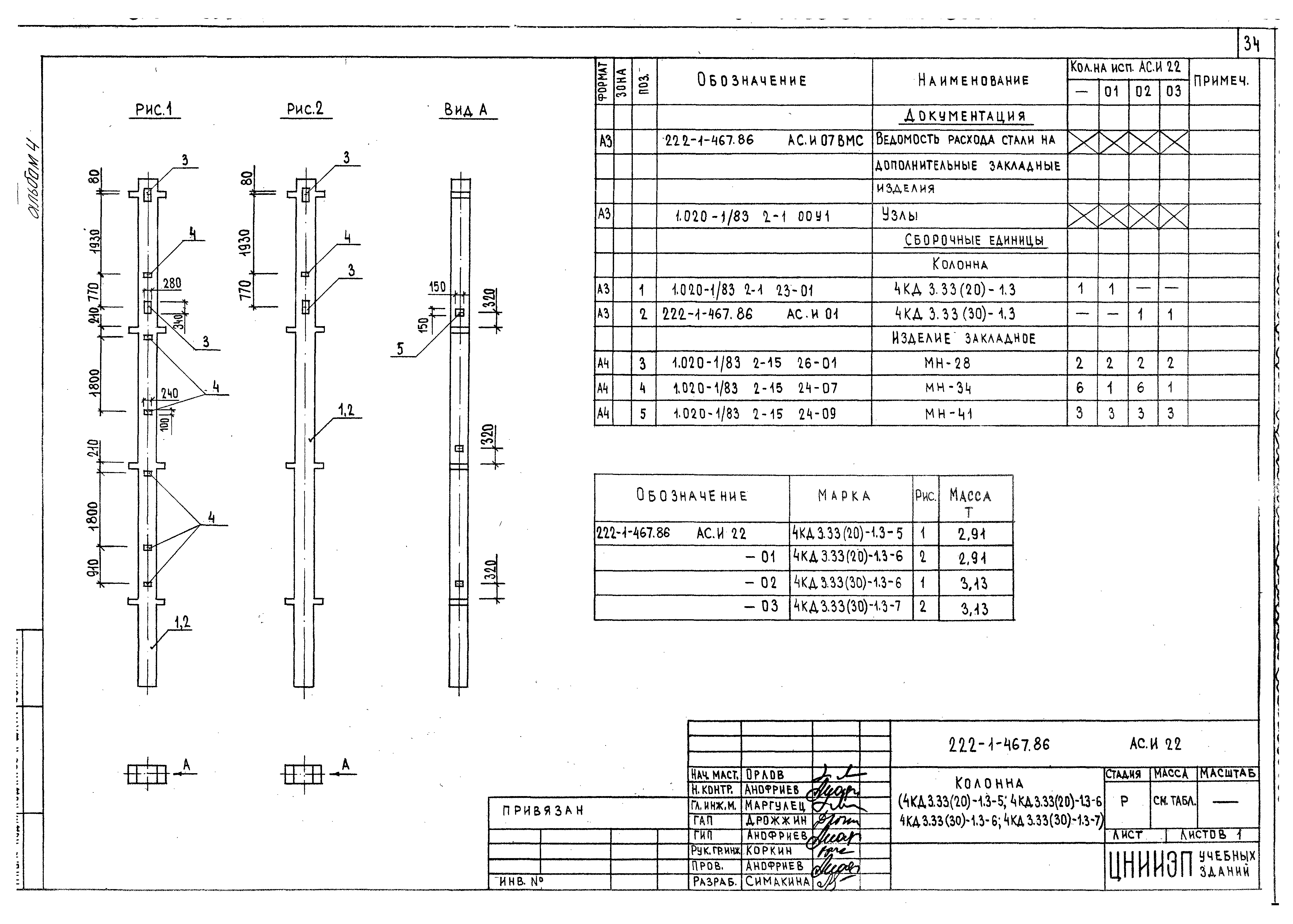
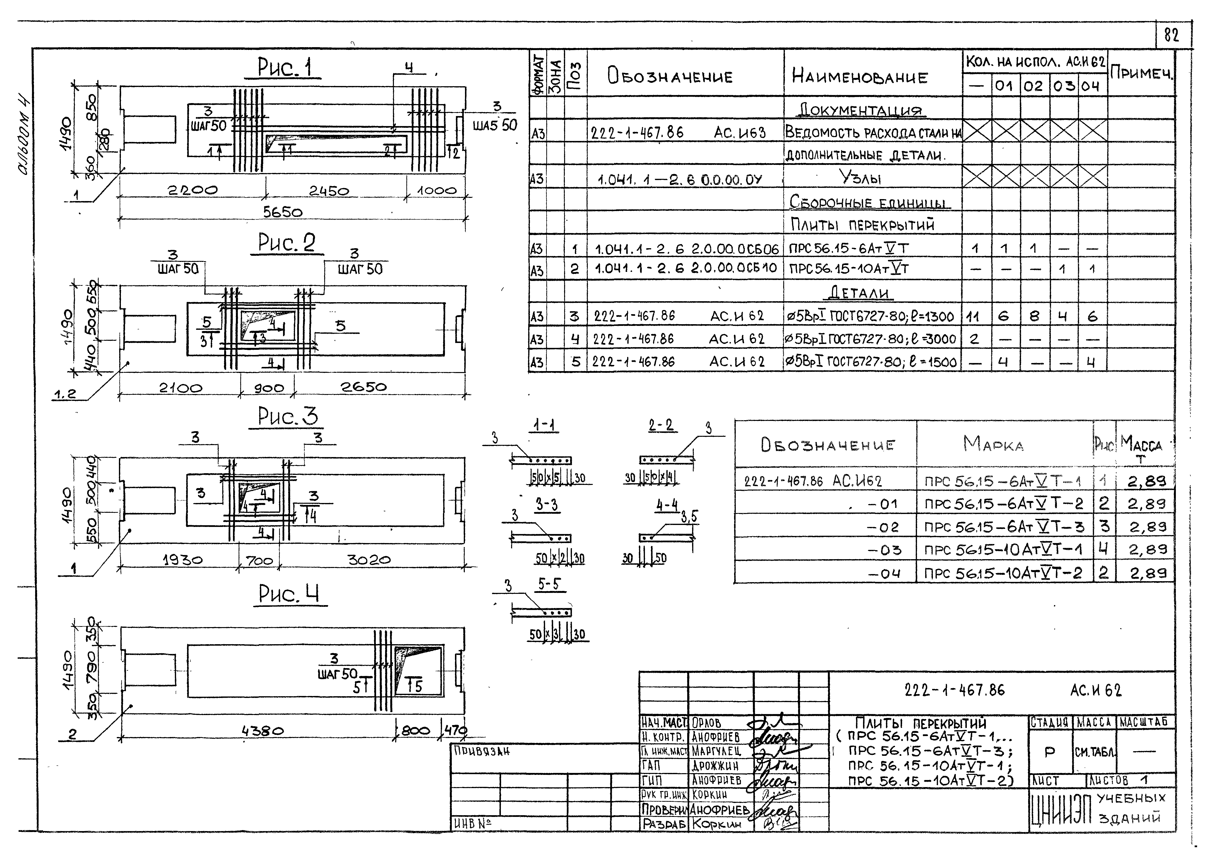
Скачать Типовой проект 222-1-467.86 Альбом IV. Изделия заводского изготовления

Дата актуализации: 10.08.2017

Типовой проект 222-1-467.86

Альбом IV. Изделия заводского изготовления

Обозначение: Типовой проект 222-1-467.86
Обозначение англ: 222-1-467.86
Статус:не определен законодательством
Название рус.:Альбом IV. Изделия заводского изготовления
Дата добавления в базу:01.09.2013
Дата актуализации:05.05.2017
Дата введения:13.02.1986
Разработан: ЦНИИЭП учебных зданий Госгражданстроя
Утверждён:20.05.1983 Госгражданстрой (Gosgrazhdanstroy 153)
Расположен в:Техническая документация Строительство Справочные документы Типовые строительные конструкции, изделия и узлы Общероссийский строительный каталог Защитные сооружения гражданской обороны Типовые проекты защитных сооружений гражданской обороны для жилищно-гражданского строительства Для строительства в сельской местности Встроенные помещения, приспосабливаемые под противорадиационные укрытия в общественных зданиях Противорадиационные укрытия в школах и внешкольных учреждениях Общественные здания для строительства в сельской местности Школы и внешкольные учреждения Общеобразовательные школы
Типовой проект 222-1-467.86Типовой проект 222-1-467.86Типовой проект 222-1-467.86Типовой проект 222-1-467.86Типовой проект 222-1-467.86Типовой проект 222-1-467.86Типовой проект 222-1-467.86Типовой проект 222-1-467.86Типовой проект 222-1-467.86Типовой проект 222-1-467.86Типовой проект 222-1-467.86Типовой проект 222-1-467.86Типовой проект 222-1-467.86Типовой проект 222-1-467.86Типовой проект 222-1-467.86Типовой проект 222-1-467.86Типовой проект 222-1-467.86Типовой проект 222-1-467.86Типовой проект 222-1-467.86Типовой проект 222-1-467.86Типовой проект 222-1-467.86Типовой проект 222-1-467.86Типовой проект 222-1-467.86Типовой проект 222-1-467.86Типовой проект 222-1-467.86Типовой проект 222-1-467.86Типовой проект 222-1-467.86Типовой проект 222-1-467.86Типовой проект 222-1-467.86Типовой проект 222-1-467.86Типовой проект 222-1-467.86Типовой проект 222-1-467.86Типовой проект 222-1-467.86Типовой проект 222-1-467.86Типовой проект 222-1-467.86Типовой проект 222-1-467.86Типовой проект 222-1-467.86Типовой проект 222-1-467.86Типовой проект 222-1-467.86Типовой проект 222-1-467.86Типовой проект 222-1-467.86Типовой проект 222-1-467.86Типовой проект 222-1-467.86Типовой проект 222-1-467.86Типовой проект 222-1-467.86Типовой проект 222-1-467.86Типовой проект 222-1-467.86Типовой проект 222-1-467.86Типовой проект 222-1-467.86Типовой проект 222-1-467.86Типовой проект 222-1-467.86Типовой проект 222-1-467.86Типовой проект 222-1-467.86Типовой проект 222-1-467.86Типовой проект 222-1-467.86Типовой проект 222-1-467.86Типовой проект 222-1-467.86Типовой проект 222-1-467.86Типовой проект 222-1-467.86Типовой проект 222-1-467.86Типовой проект 222-1-467.86Типовой проект 222-1-467.86Типовой проект 222-1-467.86Типовой проект 222-1-467.86Типовой проект 222-1-467.86Типовой проект 222-1-467.86Типовой проект 222-1-467.86Типовой проект 222-1-467.86Типовой проект 222-1-467.86Типовой проект 222-1-467.86Типовой проект 222-1-467.86Типовой проект 222-1-467.86Типовой проект 222-1-467.86Типовой проект 222-1-467.86Типовой проект 222-1-467.86Типовой проект 222-1-467.86Типовой проект 222-1-467.86Типовой проект 222-1-467.86Типовой проект 222-1-467.86Типовой проект 222-1-467.86Типовой проект 222-1-467.86Типовой проект 222-1-467.86Типовой проект 222-1-467.86Типовой проект 222-1-467.86

© 2013 Ёшкин Кот :-) Карта сайта