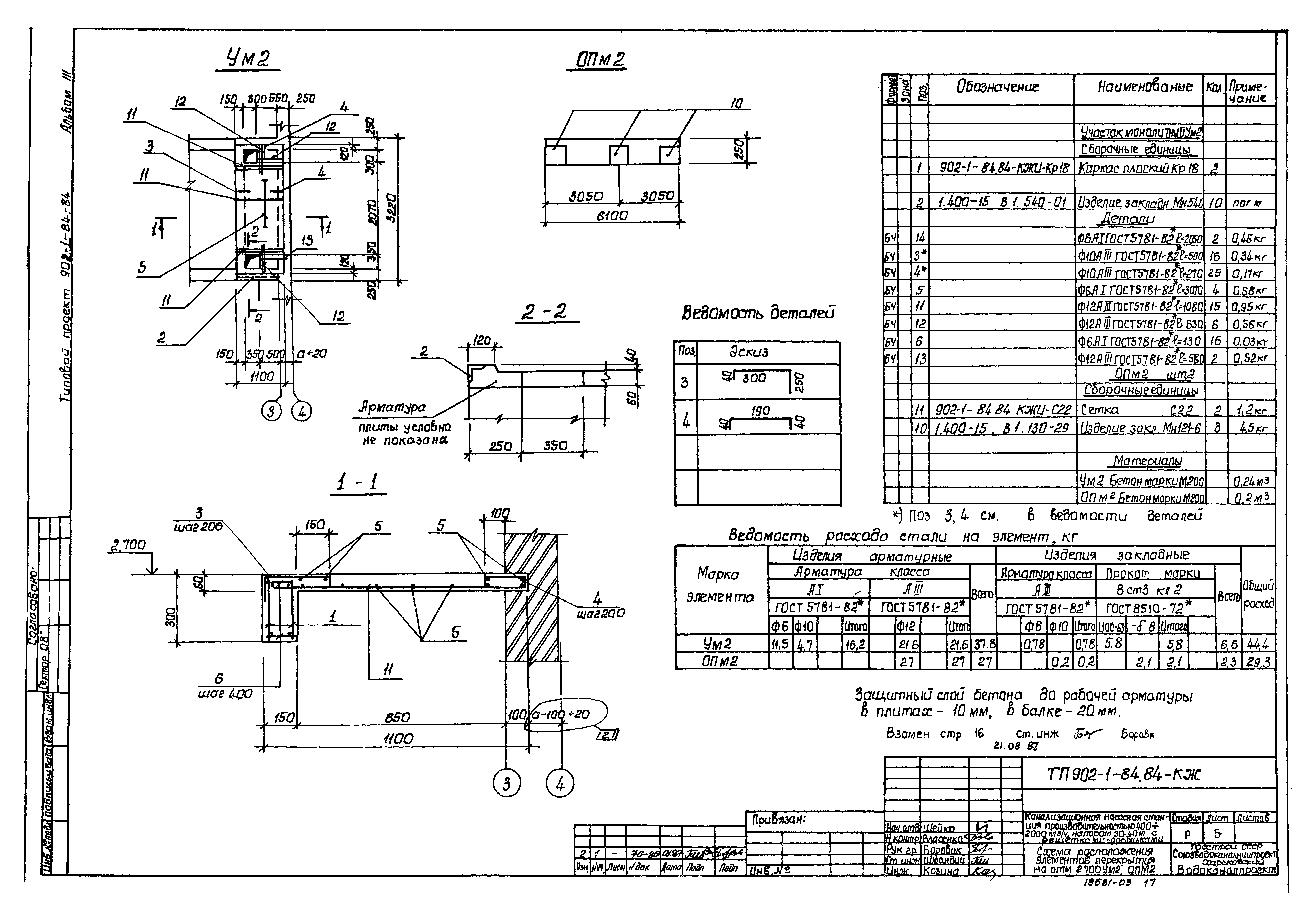
Скачать Типовой проект 902-1-89.84 Альбом III. Архитектурно-строительные решения. Надземная часть. Общие чертежи, узлы и детали (из ТП 902-1-84.84)Дата актуализации: 10.08.2017 Типовой проект 902-1-89.84
Альбом III. Архитектурно-строительные решения. Надземная часть. Общие чертежи, узлы и детали (из ТП 902-1-84.84)Обозначение: | Типовой проект 902-1-89.84 | Обозначение англ: | 902-1-89.84 | Статус: | действует | Название рус.: | Альбом III. Архитектурно-строительные решения. Надземная часть. Общие чертежи, узлы и детали (из ТП 902-1-84.84) | Дата добавления в базу: | 01.09.2013 | Дата актуализации: | 05.05.2017 | Дата введения: | 18.04.1984 | Разработан: | Харьковский Водоканалпроект
| Утверждён: | 27.10.1983 СоюзводоканалНИИпроект (SoyuzvodokanalNIIproject 59)
| Расположен в: |
|
                                                     
|