Скачать Типовой проект 903-2-12 Альбом I. Часть 1. Мазутонасосная. Части: тепломеханическая, автоматизация, электротехническая, санитарно-техническая, тепловые сетиДата актуализации: 10.08.2017 Типовой проект 903-2-12
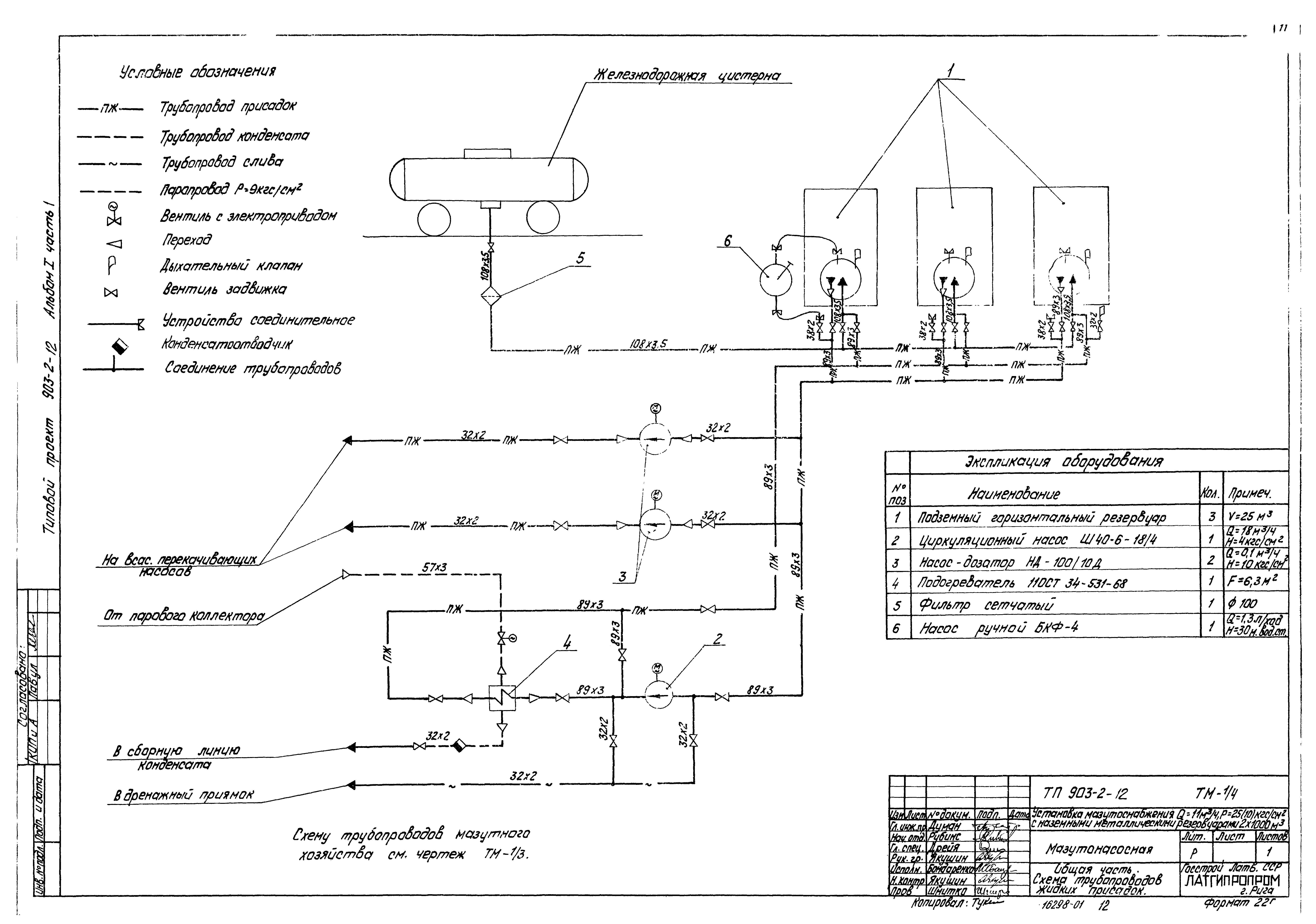
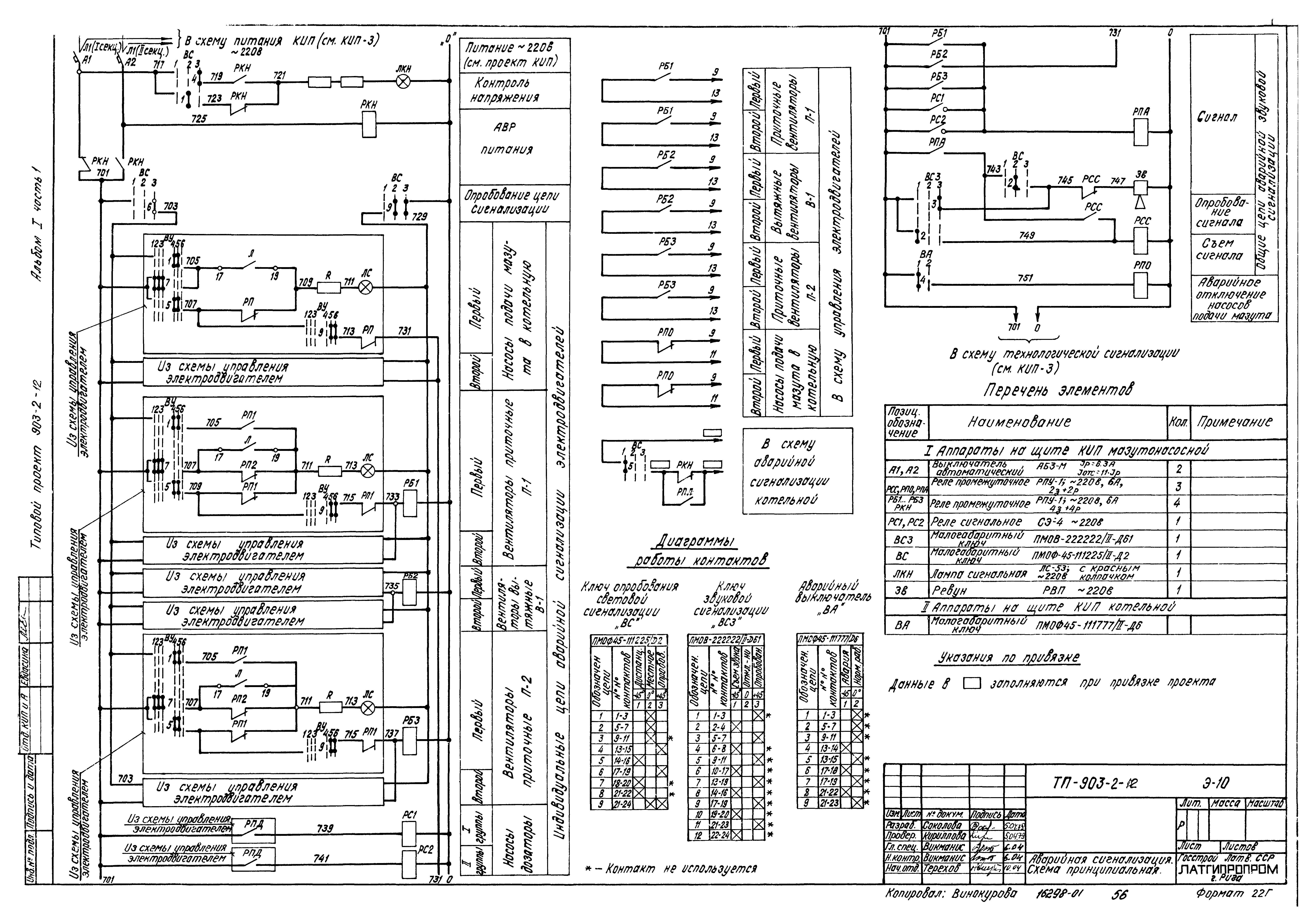
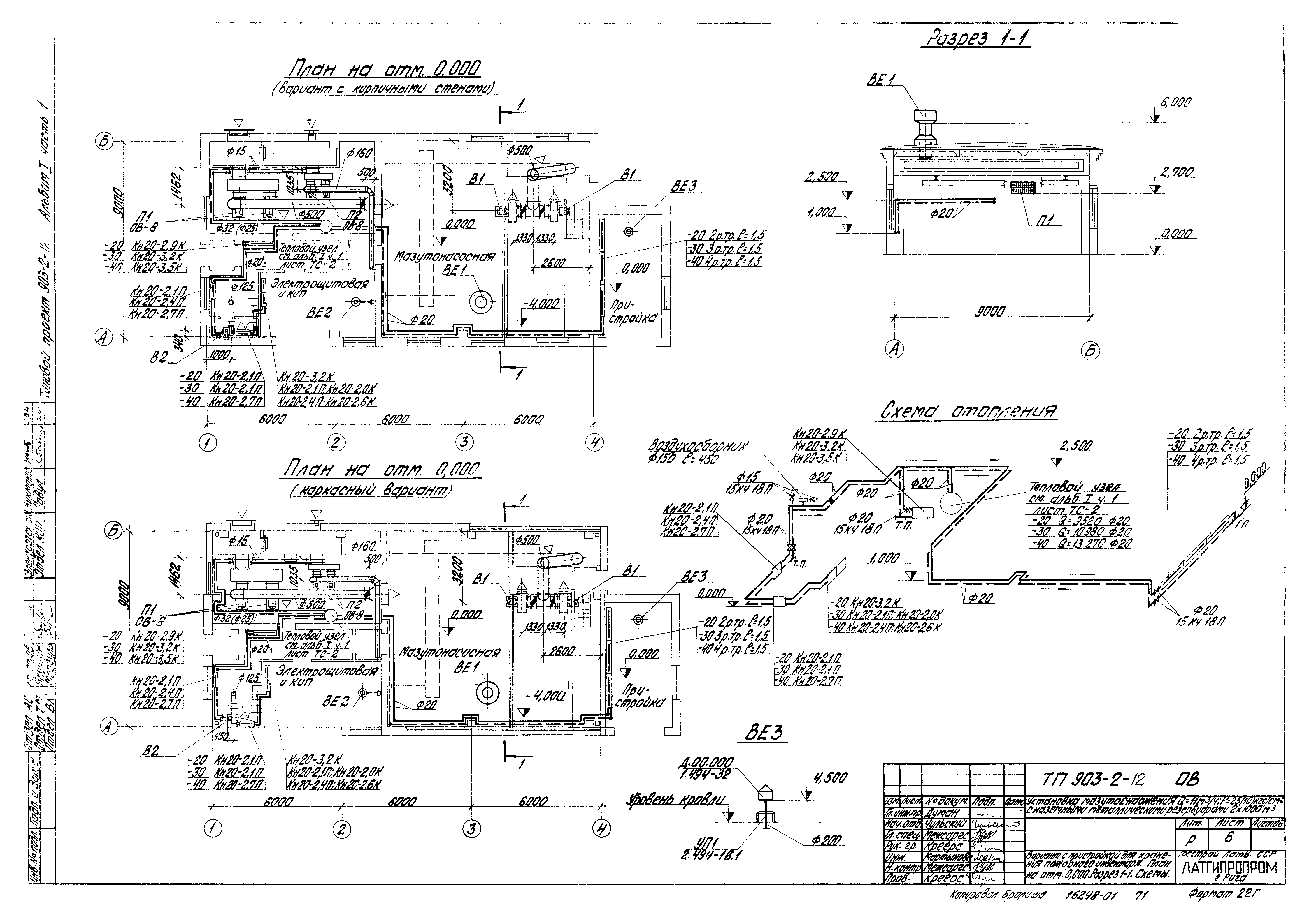
Альбом I. Часть 1. Мазутонасосная. Части: тепломеханическая, автоматизация, электротехническая, санитарно-техническая, тепловые сетиОбозначение: | Типовой проект 903-2-12 | Обозначение англ: | 903-2-12 | Статус: | действует | Название рус.: | Альбом I. Часть 1. Мазутонасосная. Части: тепломеханическая, автоматизация, электротехническая, санитарно-техническая, тепловые сети | Дата добавления в базу: | 01.09.2013 | Дата актуализации: | 05.05.2017 | Дата введения: | 08.05.1979 | Оглавление: | Содержание альбома Пояснительная записка Тепломеханическая часть Общая часть ТМ-1/1 Лист 1 Общая часть. Общие данные (начало) ТМ-1/1 Лист 2,3 Общая часть. Общие данные (продолжение) ТМ-1/1 Лист 4 Общая часть. Общие данные (окончание) ТМ-1/2 Общая часть. Компоновка сооружений мазутного хозяйства ТМ-1/3 Общая часть. Схема трубопроводов мазутного хозяйства ТМ-1/4 Общая часть. Схема трубопроводов жидких присадок Мазутонасосная ТМ-2/1 Лист 1 Мазутонасосная. Общие данные (начало) ТМ-2/1 Лист 2,3 Мазутонасосная. Общие данные (продолжение) ТМ-2/1 Лист 4 Мазутонасосная. Общие данные (окончание) ТМ-2/2 Листы 1,2,3,4 Мазутонасосная. Перечень изолируемых поверхностей ТМ-2/3 Листы 1,2 Мазутонасосная. Компоновка оборудования ТМ-2/4 Листы 1,2,3 Мазутонасосная. Трубопроводы мазута, жидких присадок и дренажа ТМ-2/5 Листы 1,2,3 Мазутонасосная. Трубопроводы пара и конденсата ТМ-2/6 Мазутонасосная. Трубопроводы паротушения ТМ-2/7 Листы 1,2 Мазутонасосная. Схема дренажей и продувки мазутопроводов ТМ-2/8 Листы 1,2 Мазутонасосная. Схема дренажей и продувки паропроводов ТМ-2/9 Мазутонасосная. Установка датчиков уровня Ду ТМ-2/10 Мазутонасосная. Дренажное и продувочное устройство ТМ-2/11 Мазутонасосная. Таблица крепежных материалов Автоматизация КИП-1 Лист 1 Общие данные (начало) КИП-1 Лист 2 Общие данные (окончание) КИП-2 Схема функциональная КИП-3 Схемы электрические сигнализации и питания КИП-4 Листы 1,2 Схема внешних проводок и подключения КИП-5 План расположения КИП-6 Пожарная сигнализация Электротехническая часть Э-1 Общие данные Э-2 Питающая и распределительная сеть ~380 В. Принципиальная однолинейная схема ЩСУ Э-3 План силовой электроустановки Э-4 Насос подачи мазута в котельную. Схема принципиальная Э-5 Насос перекачивающий. Насос-дозатор. Схемы принципиальные Э-6 Насос дренажный. Механизм, управляемый по месту. Схемы принципиальные Э-7 Вентилятор приточный П-1. Вентилятор вытяжной В-1. Схема принципиальная Э-8 Вентилятор приточный П-2. Схема принципиальная Э-9 Вентиль на паропроводе. Схема принципиальная Э-10 Аварийная сигнализация. Схема принципиальная Э-11 Лист 1,2 Схема подключений ЩСУ Э-12 Лист 1,2 Кабельный журнал Э-13 План осветительной электроустановки Слаботочные устройства ЭС-1 План слаботочных сетей Водоснабжение и канализация ВК-1 Общие данные (начало) ВК-2 Общие данные (окончание) ВК-3 План на отм. 0.000. Схемы систем В1,К1,К13,К14 Отопление и вентиляция ОВ-1 Общие данные (начало) ОВ-2 Общие данные (продолжение) ОВ-3 Общие данные (продолжение) ОВ-4 Общие данные (окончание) ОВ-5 План на отм. 0.000. Разрез 1-1 ОВ-6 Вариант с пристройкой для хранения пожарного инвентаря. План на отм. 0.000. Разрез 1-1. Схемы ОВ-7 Схемы ОВ-8 Отопительно-вентиляционная установка П1 и П2 ОВ-9 Коробка воздухораспределительная Тепловые сети ТС-1 Тепловой пункт. Общие данные ТС-2 Тепловой пункт: план, разрезы 1-1,2-2,3-3 | Разработан: | Латгипропром
| Утверждён: | 07.06.1977 Главпромстройпроект Госстроя СССР (33)
| Расположен в: |
|
                                                                           
|