| ||||||||||||||||||||||||||||||
Скачать Серия ИИ22-1/70 Альбом 1. Вариант с трехэтажной разрезкой колоннДата актуализации: 10.08.2017
|
| Обозначение: | Серия ИИ22-1/70 |
| Обозначение англ: | Series ИИ22-1/70 |
| Статус: | не действует |
| Название рус.: | Альбом 1. Вариант с трехэтажной разрезкой колонн |
| Дата добавления в базу: | 01.09.2013 |
| Дата актуализации: | 05.05.2017 |
| Дата введения: | 01.07.1973 |
| Дата окончания срока действия: | 01.03.1979 |
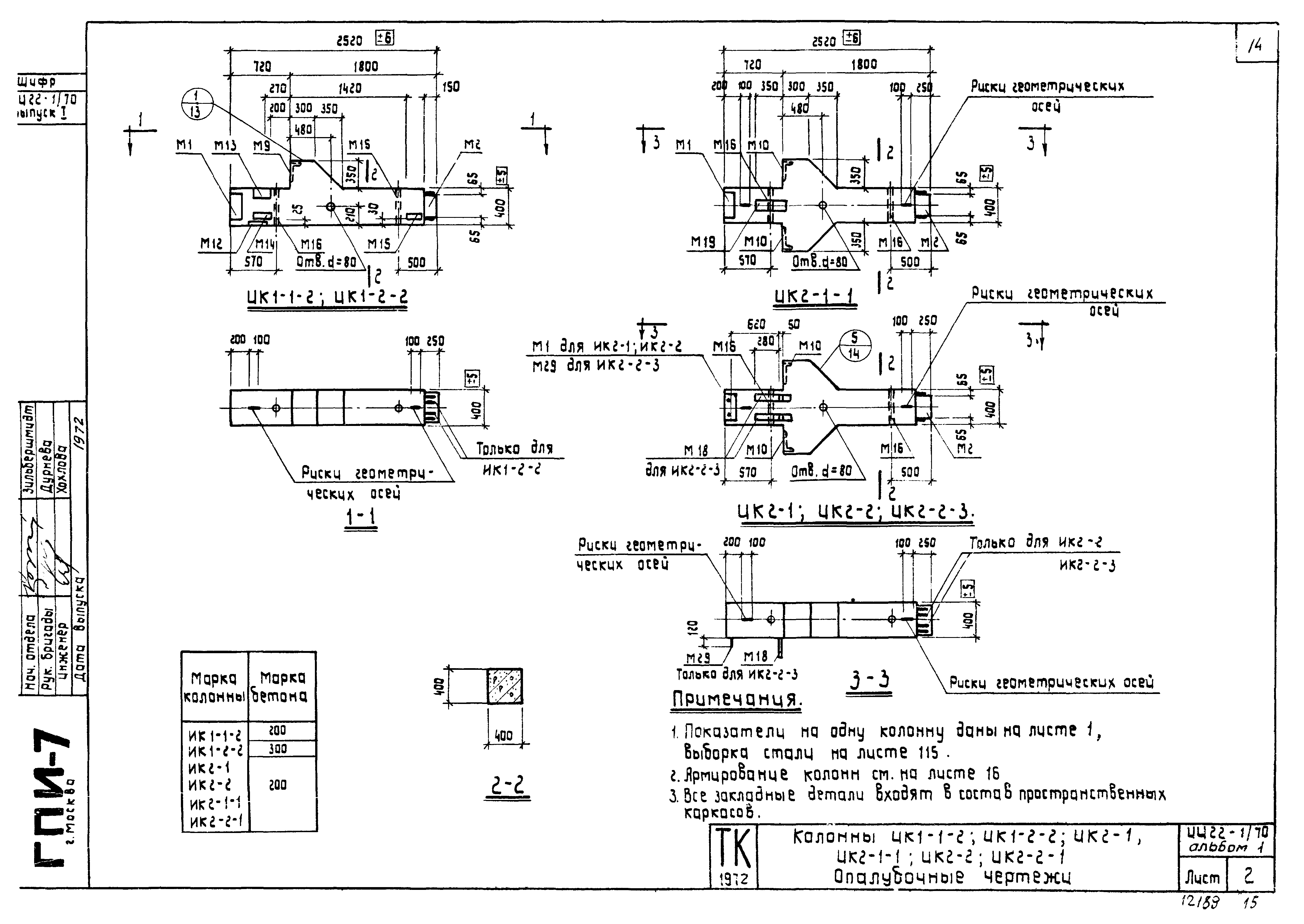
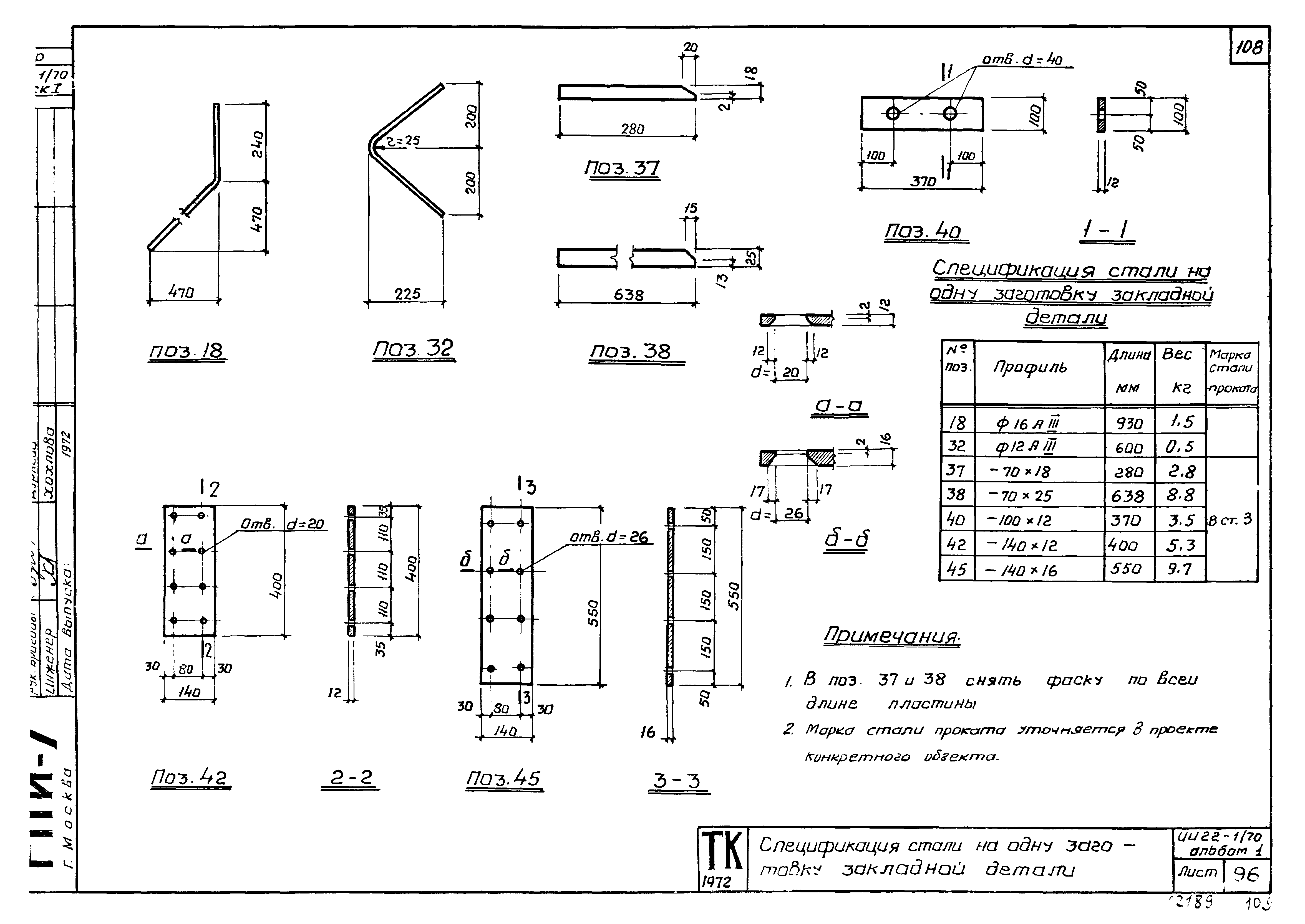
| Оглавление: | Введение Пояснительная записка Показатели на одну колонну Колонны ИК1-1-2,ИК1-2-2,ИК2-2,ИК2-2. Опалубочные чертежи Колонны ИК5-1-2,ИК5-2-2. Опалубочные чертежи Колонны ИК6-1,ИК6-1-1,ИК6-1-3,ИК6-2,ИК6-2-1,ИК6-2-3,ИК6-3,ИК6-3-1,ИК6-3-3. Опалубочные чертежи Колонны ИК61-1-2,ИК61-2-2,ИК61-3-2. Опалубочные чертежи Колонны ИК62-1,ИК62-1-1,ИК62-1-3,ИК62-2,ИК62-2-1,ИК62-2-3,ИК62-3,ИК62-3-1,ИК62-3-3. Опалубочные чертежи Колонна ИК63-1-2. Опалубочные чертежи Колонна ИК64-1,ИК64-1-1,ИК64-1-3. Опалубочные чертежи Колонна ИК65-1-2,ИК65-2-2,ИК65-3-2. Опалубочные чертежи Колонна ИК66-1,ИК66-1-1,ИК66-1-3,ИК66-2,ИК66-2-1,ИК66-2-3. Опалубочные чертежи Колонна ИК67-1-2,ИК67-2-2,ИК67-3-2,ИК67-4-2. Опалубочные чертежи Колонна ИК68-1,ИК68-1-1,ИК68-1-3,ИК68-2,ИК68-2-1,ИК68-2-3,ИК68-3,ИК68-3-1,ИК68-3-3,ИК68-4,ИК68-4-1,ИК68-4-3. Опалубочные чертежи Установка закладных деталей. Узлы 1,2,3 Установка закладных деталей. Узлы 4,5 Установка закладных деталей. Узлы 6,7 Колонны ИК1-1-2,ИК1-2-2,ИК2-1,ИК2-2. Армирование колонн Колонны ИК5-1-2,ИК5-2-2,ИК6-1,ИК6-1-1,ИК6-1-3,ИК6-2,ИК6-2-1,ИК6-2-3,ИК6-3,ИК6-3-1,ИК6-3-3. Армирование колонн Колонны ИК61-1-3,ИК61-2-3,ИК61-3-3,ИК62-1,ИК62-1-1,ИК62-1-3,ИК62-2,ИК62-2-1,ИК62-2-3,ИК62-3,ИК62-3-1,ИК62-3-3,ИК62-4,ИК62-4-1,ИК62-4-3. Армирование колонн Колонны ИК63-1-2,ИК64-1,ИК64-1-1,ИК64-1-3. Армирование колонн Колонны ИК65-1-2,ИК65-2-2,ИК65-3-2,ИК66-1,ИК66-1-1,ИК66-1-3,ИК66-2,ИК66-2-1,ИК66-2-3. Армирование колонн Колонны ИК67-1-2,ИК67-2-2,ИК67-3-2,ИК67-4-2. Армирование колонн Колонны ИК68-1,ИК68-1-1,ИК68-1-3,ИК68-2,ИК68-2-1,ИК68-2-3,ИК68-3,ИК68-3-1,ИК68-3-3,ИК68-4,ИК68-4-1е,ИК68-4-3. Армирование колонн Установка пространственных каркасов. Узлы 8,9,10 Установка пространственных каркасов. Узлы 11,12,13 Установка пространственных каркасов. Узлы 14,15 Установка пространственных каркасов. Узлы 16,17,18,19 Примеры крепления закладных деталей в пространственных каркасах Пространственные каркасы ПК1,ПК2 Пространственные каркасы ПК3,ПК4 Пространственные каркасы ПК5,ПК6 Пространственные каркасы ПК7,ПК9,ПК10,ПК12 Пространственные каркасы ПК8,ПК11 Пространственные каркасы ПК13,ПК15 Пространственный каркас ПК14 Пространственные каркасы ПК16,ПК17,ПК18 Пространственные каркасы ПК19,ПК21 Пространственный каркас ПК20 Пространственные каркасы ПК22,ПК24 Пространственный каркас ПК23 Пространственные каркасы ПК25,ПК27 Пространственный каркас ПК26 Пространственные каркасы ПК28,ПК30 Пространственный каркас ПК29 Пространственный каркас ПК31 Пространственные каркасы ПК32,ПК34 Пространственный каркас ПК33 Пространственные каркасы ПК35,ПК36,ПК37 Пространственные каркасы ПК38,ПК40,ПК41,ПК43 Пространственные каркасы ПК39,ПК42 Пространственные каркасы ПК44,ПК45 Пространственный каркас ПК46 Пространственный каркас ПК47 Пространственные каркасы ПК48,ПК50 Пространственные каркасы ПК49,ПК52 Пространственные каркасы ПК51,ПК53 Пространственные каркасы ПК54,ПК56 Пространственный каркас ПК55 Пространственные каркасы ПК57,ПК59 Пространственный каркас ПК58 Пространственные каркасы. Узлы 20,21 Пространственные каркасы. Узлы 22,23,26 Пространственные каркасы. Узлы 24,27 Пространственные каркасы. Узлы 25,28 Пространственные каркасы. Узлы 29,30,43,60 Пространственные каркасы. Узлы 31,34,39 Пространственные каркасы. Узлы 32,35,40 Пространственные каркасы. Узлы 33,36,37,38,41,42 Пространственные каркасы. Узлы 44,48,61 Пространственные каркасы. Узел 45 Пространственные каркасы. Узел 46 Пространственные каркасы. Узел 47 Пространственные каркасы. Узел 49 Пространственные каркасы. Узел 50 Пространственные каркасы. Узлы 51,57 Пространственные каркасы. Узлы 52,58 Пространственные каркасы. Узел 53 Пространственные каркасы. Узел 54 Пространственные каркасы. Узлы 55,59 Пространственные каркасы. Узел 56 Пространственные каркасы. Узлы 62,63,64,65,66,67,68,69,70 Плоские каркасы КР1-КР7 Плоские каркасы КР8-КР13 Плоские каркасы КР14-КР18,КР25,КР29,КР34 Плоские каркасы КР19-КР24,КР27 Плоские каркасы КР26,КР28,КР30,КР31,КР32,КР33,КР35. Сетки С1,С2 Арматурные изделия. Поз. 37-47,62 и спецификация Арматурные изделия. Поз. 48-58 и спецификация Закладные детали М1-М4 Закладные детали М5-М8 Закладные детали М5*-М8*,М5* Закладные детали М9-М11 Закладные детали М12-М15 Закладные детали М16-М18 Закладные детали М19,М19*,М20,М20* Спецификация стали на одну заготовку закладной детали Перечень позиций на одну колонну Спецификация позиций арматурных изделий Спецификация позиций закладных деталей Выборка стали на одну колонну Пример изготовления вязаного пространственного каркаса при помощи шпилек Пример изготовления пространственного каркаса при помощи скоб Устройство связей в пространственном каркасе, образованном с помощью вязаных соединительных стержней Узлы вязаных пространственных каркасов ПК5,ПК48 Перечень пространственных каркасов, изготовляемых различными способами, в случае отсутствия необходимого сварочного оборудования Перечень пространственных каркасов, изготовляемых различными способами, в случае отсутствия необходимого оборудования Колонны ИК65-1-2,ИК652-2,ИК65-3-2,ИК67-1-2,ИК67-2-2,ИК67-3-2,ИК67-4-2Примеры размещения отверстий для пропуска труб отопления Колонны ИК1-1-2,ИК1-2-2,ИК5-1-2,ИК5-2-2,ИК61-1-2,ИК61-2-2,ИК61-3-2,ИК63-1-2. Примеры размещения отверстий для пропуска труб отопления |
| Разработан: | ЦНИИпромзданий НИИЖБ ГПИ-7 Госкомлегпрома |
| Утверждён: | 28.11.1972 Госстрой СССР (Государственный комитет Совета Министров СССР по делам строительства) (USSR Gosstroy 203) |
| Расположен в: | |
| Чем заменён: |















































































































































