Информационная система
«Ёшкин Кот»

Скачать базу одним архивом
Скачать обновления
История создания базы
Карта сайта

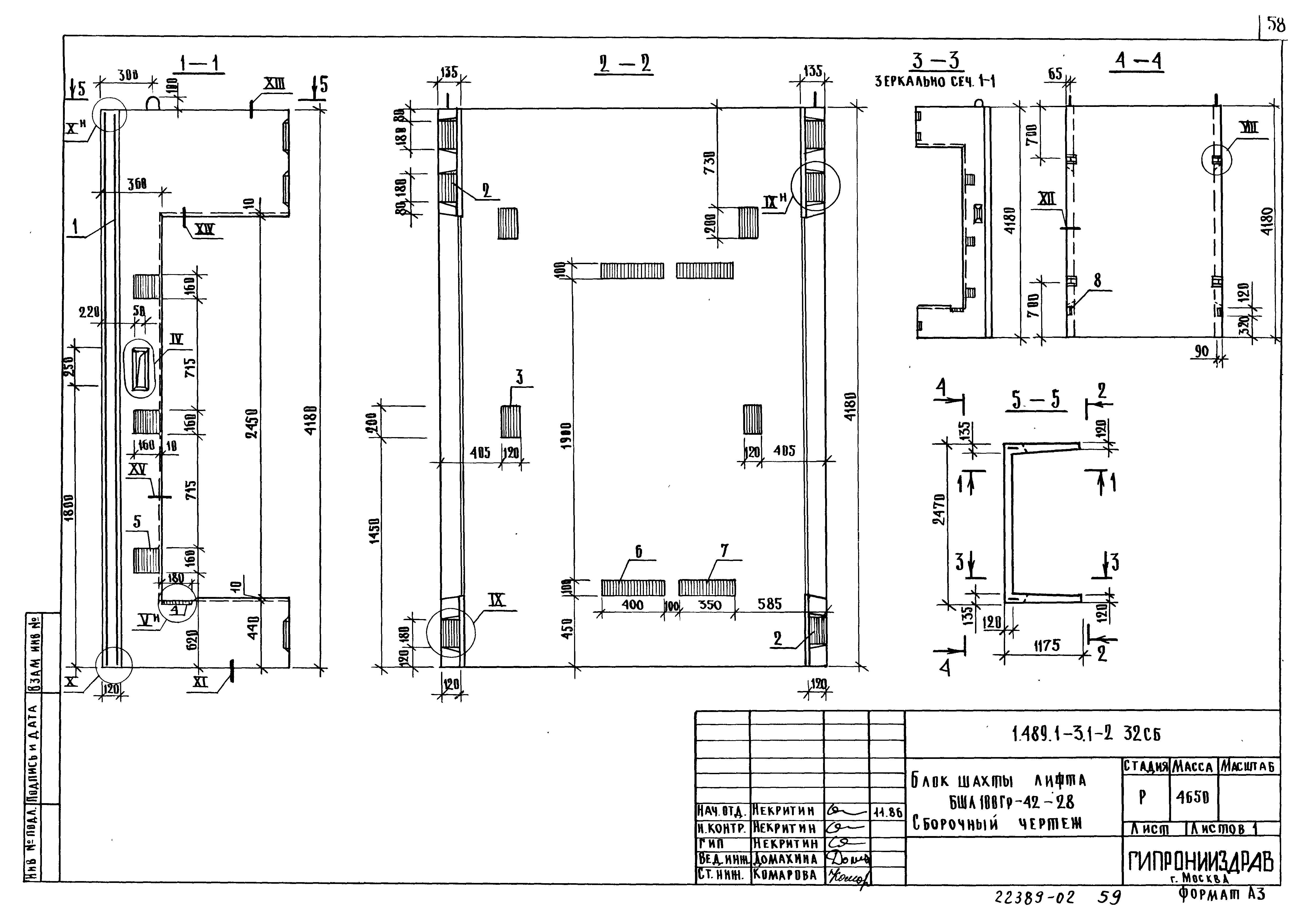
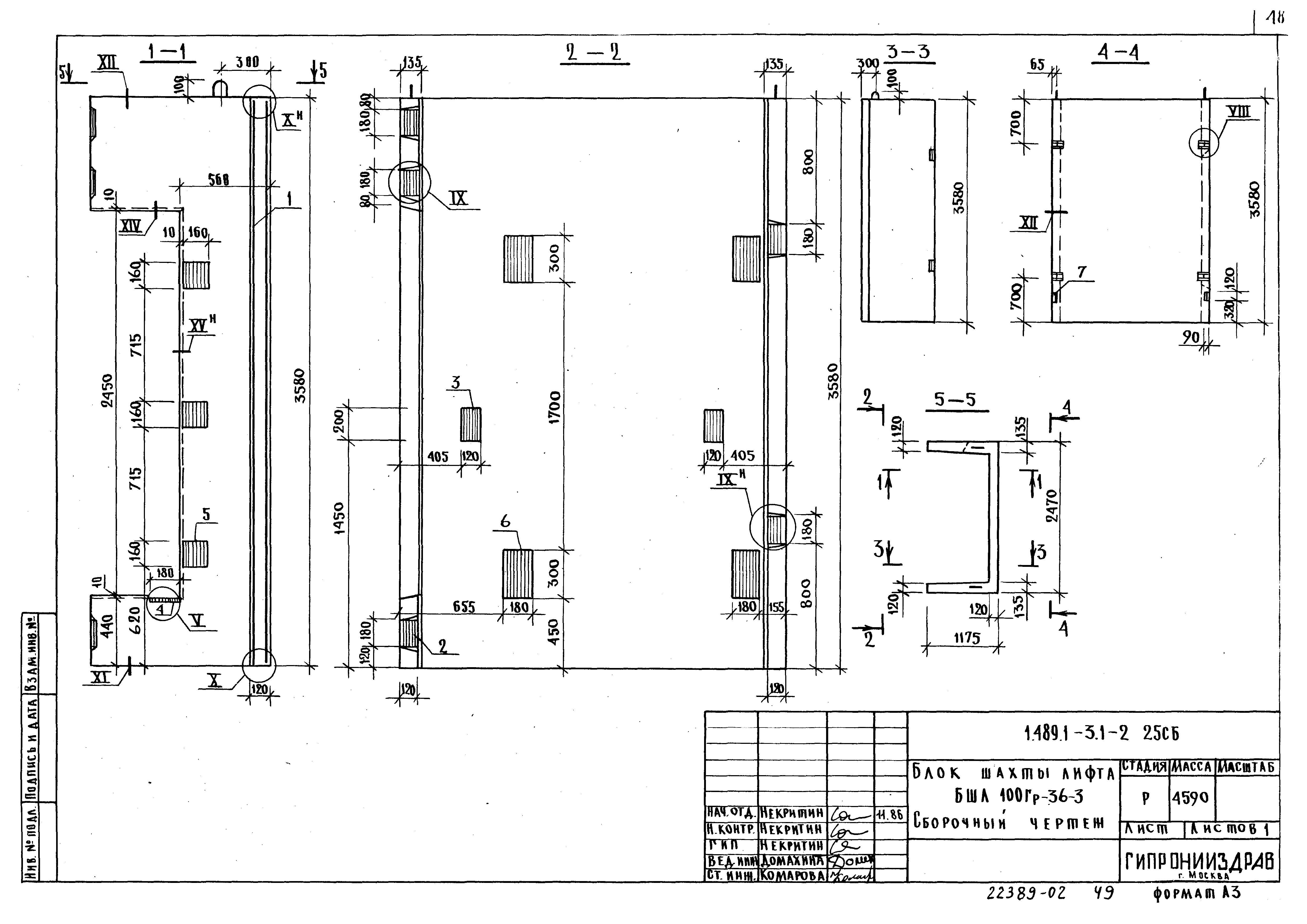
Скачать Серия 1.489.1-3 Выпуск 1-2. Блоки шахт грузовых лифтов. Рабочие чертежи

Дата актуализации: 10.08.2017

Серия 1.489.1-3

Выпуск 1-2. Блоки шахт грузовых лифтов. Рабочие чертежи

Обозначение: Серия 1.489.1-3
Обозначение англ: Series 1.489.1-3
Статус:не действует
Название рус.:Выпуск 1-2. Блоки шахт грузовых лифтов. Рабочие чертежи
Дата добавления в базу:01.09.2013
Дата актуализации:05.05.2017
Дата введения:01.01.1988
Дата окончания срока действия:01.03.1992
Разработан: ГипроНИИздрав Минздрава СССР
Утверждён:25.06.1987 Госстрой СССР (Государственный комитет Совета Министров СССР по делам строительства) (USSR Gosstroy АЧ-61)
Расположен в:Техническая документация Строительство Справочные документы Типовые строительные конструкции, изделия и узлы Общероссийский строительный каталог Строительные конструкции, изделия и узлы зданий и сооружений для всех видов строительства Конструкции, изделия и узлы зданий Несущие конструкции двухэтажных и многоэтажных зданий Шахты лифтов
Чем заменён:
Серия 1.489.1-3Серия 1.489.1-3Серия 1.489.1-3Серия 1.489.1-3Серия 1.489.1-3Серия 1.489.1-3Серия 1.489.1-3Серия 1.489.1-3Серия 1.489.1-3Серия 1.489.1-3Серия 1.489.1-3Серия 1.489.1-3Серия 1.489.1-3Серия 1.489.1-3Серия 1.489.1-3Серия 1.489.1-3Серия 1.489.1-3Серия 1.489.1-3Серия 1.489.1-3Серия 1.489.1-3Серия 1.489.1-3Серия 1.489.1-3Серия 1.489.1-3Серия 1.489.1-3Серия 1.489.1-3Серия 1.489.1-3Серия 1.489.1-3Серия 1.489.1-3Серия 1.489.1-3Серия 1.489.1-3Серия 1.489.1-3Серия 1.489.1-3Серия 1.489.1-3Серия 1.489.1-3Серия 1.489.1-3Серия 1.489.1-3Серия 1.489.1-3Серия 1.489.1-3Серия 1.489.1-3Серия 1.489.1-3Серия 1.489.1-3Серия 1.489.1-3Серия 1.489.1-3Серия 1.489.1-3Серия 1.489.1-3Серия 1.489.1-3Серия 1.489.1-3Серия 1.489.1-3Серия 1.489.1-3Серия 1.489.1-3Серия 1.489.1-3Серия 1.489.1-3Серия 1.489.1-3Серия 1.489.1-3Серия 1.489.1-3Серия 1.489.1-3Серия 1.489.1-3Серия 1.489.1-3Серия 1.489.1-3Серия 1.489.1-3Серия 1.489.1-3Серия 1.489.1-3Серия 1.489.1-3Серия 1.489.1-3Серия 1.489.1-3Серия 1.489.1-3Серия 1.489.1-3Серия 1.489.1-3Серия 1.489.1-3Серия 1.489.1-3Серия 1.489.1-3Серия 1.489.1-3Серия 1.489.1-3Серия 1.489.1-3Серия 1.489.1-3Серия 1.489.1-3Серия 1.489.1-3Серия 1.489.1-3Серия 1.489.1-3Серия 1.489.1-3Серия 1.489.1-3Серия 1.489.1-3Серия 1.489.1-3Серия 1.489.1-3Серия 1.489.1-3Серия 1.489.1-3Серия 1.489.1-3Серия 1.489.1-3Серия 1.489.1-3Серия 1.489.1-3Серия 1.489.1-3Серия 1.489.1-3Серия 1.489.1-3Серия 1.489.1-3

© 2013 Ёшкин Кот :-) Карта сайта