Информационная система
«Ёшкин Кот»

Скачать базу одним архивом
Скачать обновления
История создания базы
Карта сайта

Скачать Типовые материалы для проектирования 904-02-25.86 Альбом 4. Схемы управления принципиальные. Низковольтные комплектные устройства

Дата актуализации: 10.08.2017

Типовые материалы для проектирования 904-02-25.86

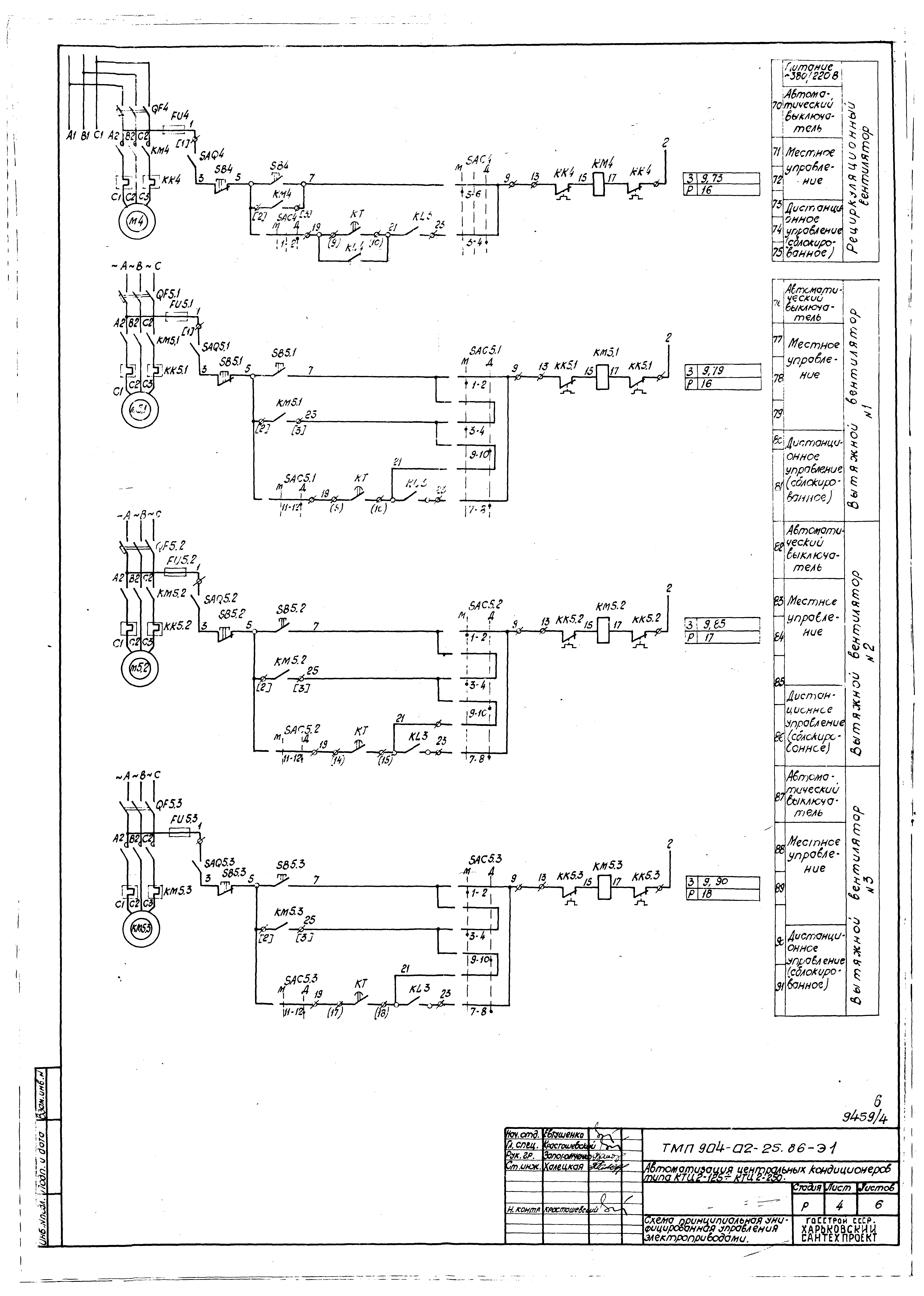
Альбом 4. Схемы управления принципиальные. Низковольтные комплектные устройства

Обозначение: Типовые материалы для проектирования 904-02-25.86
Обозначение англ: 904-02-25.86
Статус:cправочные материалы, мп, тпр
Название рус.:Альбом 4. Схемы управления принципиальные. Низковольтные комплектные устройства
Дата добавления в базу:01.09.2013
Дата актуализации:05.05.2017
Оглавление:Содержание альбома
Схема принципиальная унифицированная управления электроприводами
Релейный щит (вариант 1). Технические данные аппаратов
Релейный щит (вариант 1). Чертеж общего вида
Релейный щит (вариант 1). Таблица перечня надписей
Релейный щит (вариант 1). Схема электрическая соединений
Релейный щит (вариант 2). Технические данные аппаратов
Релейный щит (вариант 2). Чертеж общего вида
Релейный щит (вариант 2). Таблица перечня надписей
Релейный щит (вариант 2). Схема электрическая соединений
Панель П1. Технические данные аппаратов
Панель П1. Чертеж общего вида
Панель П2 (П14). Технические данные аппаратов
Панель П2 (П14). Чертеж общего вида
Панель П3 (П8, П10). Технические данные аппаратов
Панель П3 (П8, П10). Чертеж общего вида
Панель П4 (П16). Технические данные аппаратов
Панель П4 (П16). Чертеж общего вида
Панель П5 (П6, П15). Технические данные аппаратов
Панель П5 (П6, П15). Чертеж общего вида
Панель П7 (П9). Технические данные аппаратов
Панель П7 (П9). Чертеж общего вида
Панель П11. Технические данные аппаратов
Панель П11. Чертеж общего вида
Панель П12. Технические данные аппаратов
Панель П12. Чертеж общего вида
Панель П13. Технические данные аппаратов
Панель П13. Чертеж общего вида
Панель П1 (П2). Схема электрическая соединений
Панель П3 (П4). Схема электрическая соединений
Панель П5 (П6). Схема электрическая соединений
Панель П7 (П8). Схема электрическая соединений
Панель П9 (П10, П11, П15, П16). Схема электрическая соединений
Панель П11. Схема электрическая соединений
Панель П12. Схема электрическая соединений
Панель П13 (П14). Схема электрическая соединений
Разработан: Харьковский Сантехниипроект
Утверждён:25.07.1986 Главстройпроект Госстроя СССР (45)
Расположен в:Техническая документация Строительство Справочные документы Типовые строительные конструкции, изделия и узлы Общероссийский строительный каталог Промышленные предприятия, здания и сооружения Здания и сооружения санитарно-технические Воздухоснабжение, вентиляция и кондиционирование воздуха Вентиляция, кондиционирование воздуха
Заменяет собой:
Типовые материалы для проектирования 904-02-25.86Типовые материалы для проектирования 904-02-25.86Типовые материалы для проектирования 904-02-25.86Типовые материалы для проектирования 904-02-25.86Типовые материалы для проектирования 904-02-25.86Типовые материалы для проектирования 904-02-25.86Типовые материалы для проектирования 904-02-25.86Типовые материалы для проектирования 904-02-25.86Типовые материалы для проектирования 904-02-25.86Типовые материалы для проектирования 904-02-25.86Типовые материалы для проектирования 904-02-25.86Типовые материалы для проектирования 904-02-25.86Типовые материалы для проектирования 904-02-25.86Типовые материалы для проектирования 904-02-25.86Типовые материалы для проектирования 904-02-25.86Типовые материалы для проектирования 904-02-25.86Типовые материалы для проектирования 904-02-25.86Типовые материалы для проектирования 904-02-25.86Типовые материалы для проектирования 904-02-25.86Типовые материалы для проектирования 904-02-25.86Типовые материалы для проектирования 904-02-25.86Типовые материалы для проектирования 904-02-25.86Типовые материалы для проектирования 904-02-25.86Типовые материалы для проектирования 904-02-25.86Типовые материалы для проектирования 904-02-25.86Типовые материалы для проектирования 904-02-25.86Типовые материалы для проектирования 904-02-25.86Типовые материалы для проектирования 904-02-25.86Типовые материалы для проектирования 904-02-25.86Типовые материалы для проектирования 904-02-25.86Типовые материалы для проектирования 904-02-25.86Типовые материалы для проектирования 904-02-25.86Типовые материалы для проектирования 904-02-25.86Типовые материалы для проектирования 904-02-25.86Типовые материалы для проектирования 904-02-25.86

© 2013 Ёшкин Кот :-) Карта сайта