Информационная система
«Ёшкин Кот»

Скачать базу одним архивом
Скачать обновления
История создания базы
Карта сайта

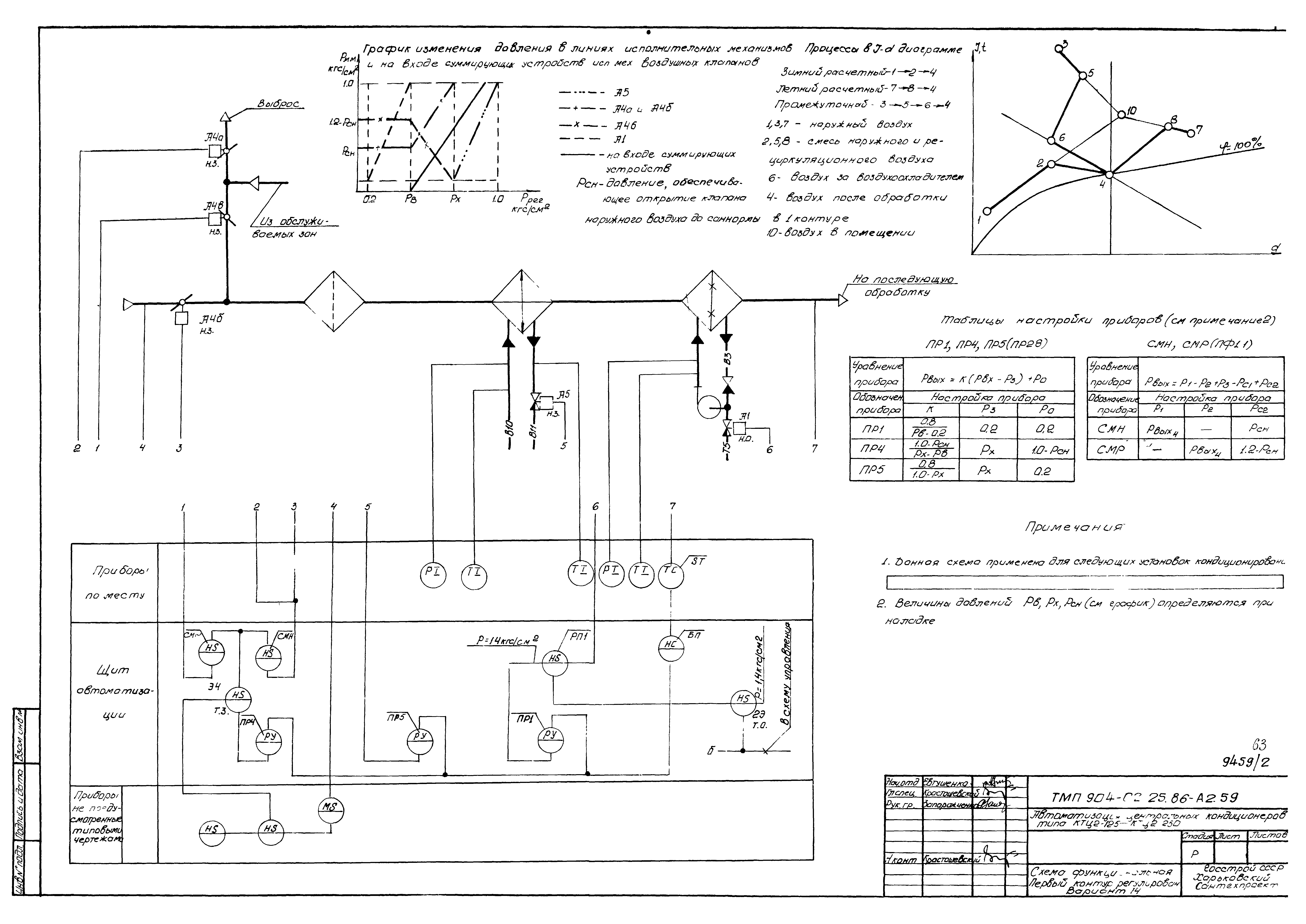
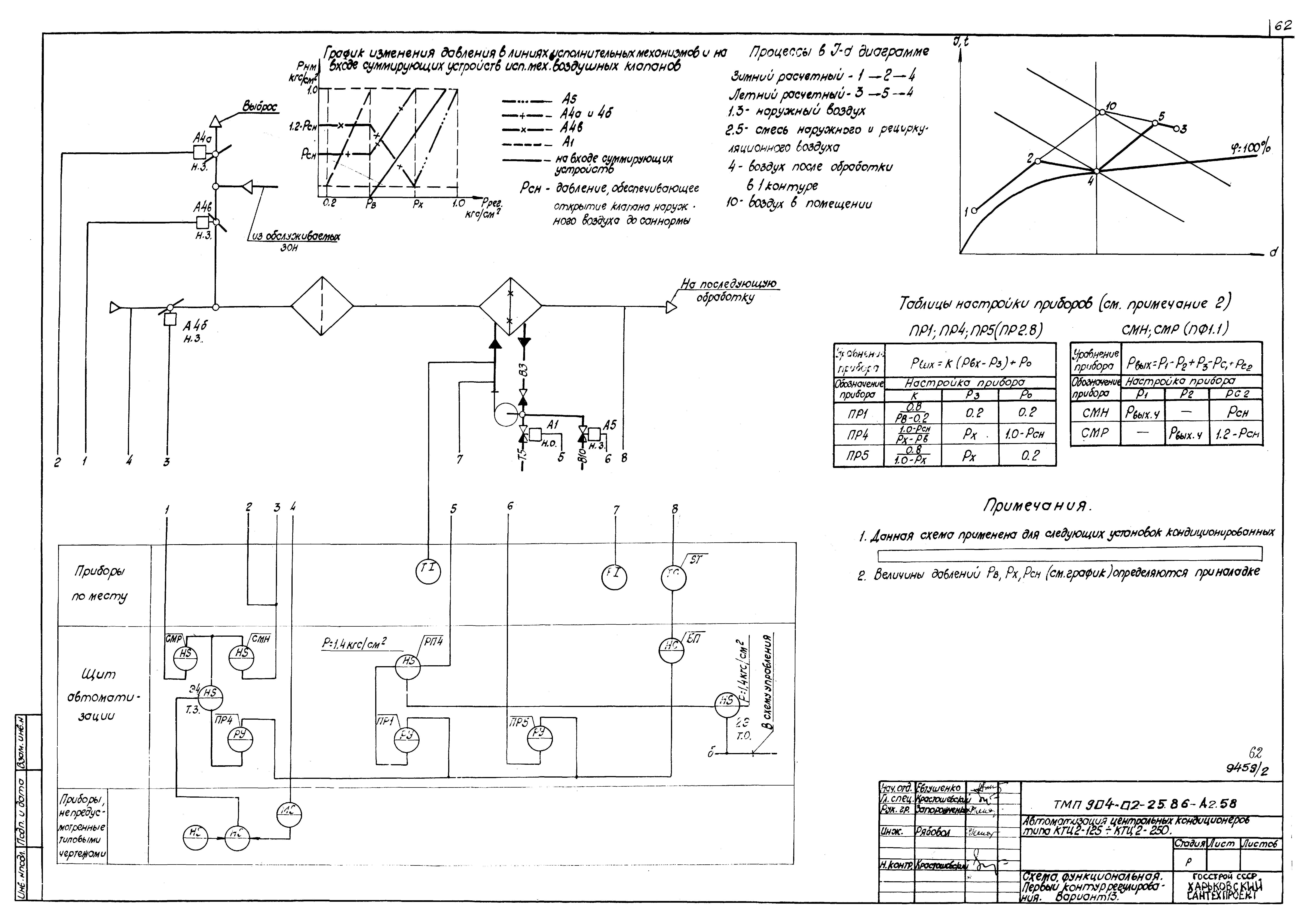
Скачать Типовые материалы для проектирования 904-02-25.86 Альбом 2. Схемы функциональные и принципиальные. Нестандартизированные конструкции

Дата актуализации: 10.08.2017

Типовые материалы для проектирования 904-02-25.86

Альбом 2. Схемы функциональные и принципиальные. Нестандартизированные конструкции

Обозначение: Типовые материалы для проектирования 904-02-25.86
Обозначение англ: 904-02-25.86
Статус:cправочные материалы, мп, тпр
Название рус.:Альбом 2. Схемы функциональные и принципиальные. Нестандартизированные конструкции
Дата добавления в базу:01.09.2013
Дата актуализации:05.05.2017
Разработан: Харьковский Сантехниипроект
Утверждён:25.07.1986 Главстройпроект Госстроя СССР (45)
Расположен в:Техническая документация Строительство Справочные документы Типовые строительные конструкции, изделия и узлы Общероссийский строительный каталог Промышленные предприятия, здания и сооружения Здания и сооружения санитарно-технические Воздухоснабжение, вентиляция и кондиционирование воздуха Вентиляция, кондиционирование воздуха
Заменяет собой:
Типовые материалы для проектирования 904-02-25.86Типовые материалы для проектирования 904-02-25.86Типовые материалы для проектирования 904-02-25.86Типовые материалы для проектирования 904-02-25.86Типовые материалы для проектирования 904-02-25.86Типовые материалы для проектирования 904-02-25.86Типовые материалы для проектирования 904-02-25.86Типовые материалы для проектирования 904-02-25.86Типовые материалы для проектирования 904-02-25.86Типовые материалы для проектирования 904-02-25.86Типовые материалы для проектирования 904-02-25.86Типовые материалы для проектирования 904-02-25.86Типовые материалы для проектирования 904-02-25.86Типовые материалы для проектирования 904-02-25.86Типовые материалы для проектирования 904-02-25.86Типовые материалы для проектирования 904-02-25.86Типовые материалы для проектирования 904-02-25.86Типовые материалы для проектирования 904-02-25.86Типовые материалы для проектирования 904-02-25.86Типовые материалы для проектирования 904-02-25.86Типовые материалы для проектирования 904-02-25.86Типовые материалы для проектирования 904-02-25.86Типовые материалы для проектирования 904-02-25.86Типовые материалы для проектирования 904-02-25.86Типовые материалы для проектирования 904-02-25.86Типовые материалы для проектирования 904-02-25.86Типовые материалы для проектирования 904-02-25.86Типовые материалы для проектирования 904-02-25.86Типовые материалы для проектирования 904-02-25.86Типовые материалы для проектирования 904-02-25.86Типовые материалы для проектирования 904-02-25.86Типовые материалы для проектирования 904-02-25.86Типовые материалы для проектирования 904-02-25.86Типовые материалы для проектирования 904-02-25.86Типовые материалы для проектирования 904-02-25.86Типовые материалы для проектирования 904-02-25.86Типовые материалы для проектирования 904-02-25.86Типовые материалы для проектирования 904-02-25.86Типовые материалы для проектирования 904-02-25.86Типовые материалы для проектирования 904-02-25.86Типовые материалы для проектирования 904-02-25.86Типовые материалы для проектирования 904-02-25.86Типовые материалы для проектирования 904-02-25.86Типовые материалы для проектирования 904-02-25.86Типовые материалы для проектирования 904-02-25.86Типовые материалы для проектирования 904-02-25.86Типовые материалы для проектирования 904-02-25.86Типовые материалы для проектирования 904-02-25.86Типовые материалы для проектирования 904-02-25.86Типовые материалы для проектирования 904-02-25.86Типовые материалы для проектирования 904-02-25.86Типовые материалы для проектирования 904-02-25.86Типовые материалы для проектирования 904-02-25.86Типовые материалы для проектирования 904-02-25.86Типовые материалы для проектирования 904-02-25.86Типовые материалы для проектирования 904-02-25.86Типовые материалы для проектирования 904-02-25.86Типовые материалы для проектирования 904-02-25.86Типовые материалы для проектирования 904-02-25.86Типовые материалы для проектирования 904-02-25.86Типовые материалы для проектирования 904-02-25.86Типовые материалы для проектирования 904-02-25.86Типовые материалы для проектирования 904-02-25.86Типовые материалы для проектирования 904-02-25.86Типовые материалы для проектирования 904-02-25.86Типовые материалы для проектирования 904-02-25.86Типовые материалы для проектирования 904-02-25.86Типовые материалы для проектирования 904-02-25.86Типовые материалы для проектирования 904-02-25.86Типовые материалы для проектирования 904-02-25.86Типовые материалы для проектирования 904-02-25.86Типовые материалы для проектирования 904-02-25.86Типовые материалы для проектирования 904-02-25.86Типовые материалы для проектирования 904-02-25.86Типовые материалы для проектирования 904-02-25.86Типовые материалы для проектирования 904-02-25.86Типовые материалы для проектирования 904-02-25.86Типовые материалы для проектирования 904-02-25.86Типовые материалы для проектирования 904-02-25.86Типовые материалы для проектирования 904-02-25.86Типовые материалы для проектирования 904-02-25.86Типовые материалы для проектирования 904-02-25.86Типовые материалы для проектирования 904-02-25.86Типовые материалы для проектирования 904-02-25.86Типовые материалы для проектирования 904-02-25.86Типовые материалы для проектирования 904-02-25.86Типовые материалы для проектирования 904-02-25.86

© 2013 Ёшкин Кот :-) Карта сайта